Преобразователь напряжения К1182КП5
Микросхема К1182КП5 представляет собой сетевой импульсный преобразователь напряжения (сетевой адаптер) для питания устройств постоянного тока и предназначена для управления маломощными электродвигателями (например, в электробритвах, вентиляторах) со стабилизированным выходным напряжением в диапазоне 10...150 В (при входном переменном напряжении 230 В). Микросхема имеет защиту от перегрузки по току и короткого замыкания.
Корпус типа 2101.8-1, масса не более 1 г.
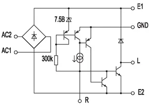
Типовая схема включения К1182КП5 показана на рис. 1, а принципиальная электрическая схема - на рис. 2. Работу микросхемы иллюстрируют осциллограммы, показанные на рис. 3а,б,в. Напряжение сети подается на выводы 6 и 7 (АС1-АС2). На диодном мосте (D1...D4) напряжение растет от 50 до 320 В и падает обратно до 50 В (рис. 3а). Когда напряжение сети на входе становится менее 50 В, на выходе (выводы 5 и 3) остается напряжение, медленно изменяющееся между 50 и 48 В (50-48,3=1,7 В), что показано на рис. 3б. Когда напряжение на выводе 5 (NT1) уменьшается до 48,3 В, открывается выходной транзистор Дарлингтона Q19, Q20 (рис. 3в) (от 2 до 3 мс, в точке 2,275 мс). Ток через индуктивность L (между выводами L1 и GND) увеличивается от 0 до 300 мА (рис. 3в) (от 2,275 до 2,295 мс), после чего выходной транзистор Дарлингтона выключается. Затем ток через индуктивность L уменьшается от 300 мА до 0 (рис. 2) (от 2,295 до 2,36 мс). После этого опять открывается выходной транзистор Дарлингтона. На рис. 3в повторение импульсов происходит 6 раз, а за это время напряжение на выходе увеличивается от 48,3 до 50 В (рис. 3б).

Рис. 1. Типовая схема включения К1182КП5

Рис. 2. Принципиальная электрическая схема К1182КП5

Рис. 3. Осциллограммы работы микросхемы К1182КП5
Назначение выводов: 1, 8 - не используются; 2 - подключение дросселя L1; 3 - общий GND; 4 - подключение стабилитрона (от 10 до 150 В) SWNT1; 5 - подключение нагрузки NT1; 6, 7 - напряжение сети АС2, АС1.
Электрические параметры
Стабилизированное выходное напряжение при напряжении сети 230 В, В 10...150
Остаточное напряжение выходного транзистора при Iвых = 150 мА, В ≤4
Пульсации напряжения NT1 при Unt1-Uswnt1=10...150 В, В ≤3,5
Ток потребления при Un = 400 В, мА ≤1,5
Выходной ток на выводе NT1, мА ≥300
Ток утечки выхода при Un = 400 В, мкА ≤100
Предельно допустимые режимы эксплуатации
Напряжение сети переменного тока, В 80...276
Значение статического электричества, В ≤500
Рассеиваемая мощность при Токр = 70°С, Вт ≤0,6
Частота сети, Гц 40...70
Температура окружающей среды, °С -40...+70
Температура хранения, °С -55...+150
Рекомендации по применению
1. Напряжение на электродвигателе должно равняться напряжению на стабилитроне ST, включаемого между выводами 4 и 5 и через который течет ток 0,2 мА, что обеспечивает выполнение этого требования.
2. Индуктивность L выбирается от 5 до 10 мГн. Так, для L = 5 мГн частота переключения при максимальном напряжении сети 320 В составляет 15 мкс. При уменьшении напряжения, например до 100 В, частота переключения увеличится до 25 мкс.
3. Конденсатор С2 выбирается емкостью 4,7...47 мкФ с рабочим напряжением не меньше напряжения электродвигателя RN.
4. Мощность резистора R1 определяется средним значением протекающего через него тока и зависящего от используемого электродвигателя RN.
Высоковольтный светодиодный драйвер К1182КП6Р
Микросхема представляет собой высоковольтный светодиодный драйвер (сетевой адаптер) - импульсный преобразователь сетевого напряжения в диапазоне 110...230 В или постоянного напряжения 20...350 В в постоянный стабилизированный ток в диапазоне 1...100 мА.
Корпус типа 2101.8-1, масса не более 1 г.
Функциональная схема микросхемы представлена на рис. 4, электрическая принципиальная схема - на рис. 5, типовая схема включения - на рис. 6.

Рис. 4. Функциональная схема микросхемы К1182КП6Р

Рис. 5. Принципиальная электрическая схема К1182КП6Р

Рис. 6. Типовая схема включения
Назначение выводов: 1 - подключение дросселя L1 (см. рис. 3); 2 - подключение постоянного напряжения Е2; 3 - общий GND; 4 - для подключения R; 5 - для подключения постоянного напряжения Е1; 6 - переменное напряжение сети АС2; 7 - переменное напряжение сети АС1; 8 - не используется.
Электрические параметры
Остаточное напряжение выходного транзистора при Ioot = 150 мА, В ≤4
Собственный ток потребления при Uсс = 400 В, мА ≤1,5
Ток утечки выхода при Uсс = 400 В, мкА ≤100
Предельно допустимые режимы эксплуатации
Напряжение сети переменного тока (~220 В, ~110В), В 80...276
Значение статического электричества, В ≤500
Выходной ток, мА 1...100
Рассеиваемая мощность, Вт ≤0,6
Частота сети, Гц 40...70
Температура окружающей среды, °С -40.+70
Температура хранения, °С -55...+150
Автор: Анатолий Нефедов (г. Москва)
Источник: Ремонт и сервис
