Для связи ПК и телефонов используют как DATA-кабели, так и универсальные боксы*. Использование последних предпочтительнее, так как в совокупности они обходятся значительно дешевле комплекта DATA-кабелей (в каждом из которых имеются встроенные схемы конверторов интерфейсов — например, RS232—EMMI или USB—MBUS), подходящего к большинству моделей сотовых телефонов. В боксе сам преобразователь уже имеется, а телефоны подключаются к нему через простые переходники.
В этой статье описывается несколько видов универсальных боксов. Эти устройства достаточно просты, поэтому их можно изготовить самостоятельно.
* Для программирования сотовых телефонов используются еще устройства, называемые «клипами» (clip). Они являются полностью автономными аппаратами, реализующими в себе функции и протоколы подключаемого интерфейса, и предназначены только для разблокировки мобильных телефонов.
Универсальный бокс для подключения телефонов с интерфейсами SERIAL BUS и MBUS/CBUS к СОМ-порту ПК
Существует огромное количество схем DATA-кабелей и боксов для различных моделей телефонов, построенных на универсальных микросхемах МАХ232 (Uп = 5 В) или МАХ3232 (Uп = 3 В). Они представляют собой преобразователи уровней интерфейса RS232 в уровни ТТЛ, и наоборот.
На рис. 1 приведена принципиальная схема универсального бокса, позволяющая подключить телефоны с интерфейсом SERIAL и MBUS/CBUS к ПК.

Рис. 1
Эта конструкция является наиболее удобной, так как позволяет оперативно переключать бокс в различные режимы работы, достаточно проста в изготовлении, имеет возможность добавления дополнительных функций и позволяет использовать готовые кабели-переходники, предназначенные для других боксов (Griffinbox, Martech-box, Ufstornadobox, Unibox V5.0).
Принцип работы универсального бокса
Основой конструкции является микросхема МАХ232 — преобразователь уровней сигналов RS232 в уровни ТТЛ и наоборот. Как уже отмечалось выше, микросхема питается напряжением 5 В.
Эта микросхема состоит из четырех конверторов, два из которых преобразуют сигналы RS232 в ТТЛ, а два оставшихся — из ТТЛ в RS232
Примечание. Такой преобразователь необходим, так как размах сигналов RS232 на ПК—12 В, а на телефоне — около 3 В. Если сигналы с выхода интерфейса RS232 подать напрямую на телефон, они могут вывести входные цепи его отладочного интерфейса из строя. Уровни же сигналов, формируемые на системном соединителе телефона, недостаточны для подключения к компьютеру «напрямую».
В предлагаемом устройстве используются только два конвертора.
Микросхема МАХ232 в боксе используется в стандартном включении.
Емкость электролитических конденсаторов С6-С9, подключенных к выв. 1-6 конвертора, может находиться в пределах 1...10 мкФ.
Сигнал ТХ, формируемый на конт. 3 разъема RS232 компьютера, подается на вход конвертора, выв. 8 микросхемы. С выхода конвертора (выв. 9 IC1) сигнал ТТЛ-уровня подается на контакты соединителей J1, J2 и, уже как RX — на системный соединитель телефона.
Аналогично конвертируется сигнал ТХ, формируемый телефоном: с соединителей J1, J2 он поступает на выв. 10 IC1, снимается, уже как RX на выв. 7 микросхемы и, далее, подается на конт. 2 соединителя RS232.
Для контроля прохождения сигналов RX/TX к этим линиям подключены светодиоды LED4 и LED5. Их желательно использовать разного цвета свечения.
С конт. 4 соединителя RS232 через цепь VD4 R7 на конт. 8 соединителя Л, а затем на интерфейсный контакт телефона EXTERNAL POWER служащий для подключения зарядного устройства, поступает сигнал AUTO IGNITION. Этот сигнал активируется на ПК специальным программным обеспечением и используется, в основном, телефонами SIEMENS. Этим сигналам аппарат включается принудительно, без кратковременного нажатия на кнопку включения питания телефона. Этот сигнал также можно использовать для телефонов других производителей, если используется соответствующее программное обеспечение.
Узел, собранный на элементах: D3, D5, R6-R9, Т1, используется для формирования служебного сигнала программирования телефонов ALCATEL серий ВЕ1-ВЕ5.
На элементах R12-R15, Т2, ТЗ собран формирователь сигнала M2BUS, предназначенный для программирования телефонов NOKIA. Выход формирователя подключен к соединителю J3 бокса.
Переключатель SW1 служит для исключения взаимного влияния различных узлов схемы, предназначенных для программирования телефонов с разными интерфейсами, а также для переключения режимов работы бокса. Положение SW1 «ALC BE» соответствует режиму программирования телефонов ALCATEL серии BE, а положение SW1 «нейтраль» — программированию телефонов любых марок, использующих сигналы RX/TX. Позиция SW1 «MBUS» используется при программировании телефонов NOKIA.
Для питания микросхемы IC1 используется стабилизатор напряжения DA1 (5В). Наличие этого напряжения контролируется светодиодом LED1.
На микросхеме DA2, переключателе S2 и других элементах выполнен коммутируемый стабилизатор напряжения. В левом (по схеме) положении переключателя S2 он формирует напряжение 3,7 В для мобильных телефонов, а во втором — напряжение 12 В для программирования FLASH-памяти некоторых моделей аппаратов. Регулировка напряжений производится подстро-ечными резисторами VR1 и VR2. Наличие этих напряжений контролируется светодиодами LED2 и LED3. Выключатель S1 коммутирует включение стабилизатора DA2.
Бокс питается от битовой сети 220 В/50 Гц через AC/DC-адаптер с выходным напряжением 14...20 В и током не менее 350 мА.
Стабилизаторы DA1 и DA2 желательно установить на небольшие гребенчатые радиаторы с площадью около 30 см2.
Для совместимости с кабелями-переходниками других типов боксов (как отмечалось выше — Griffinbox, Martechbox, Ufstornadobox и Unibox V5.0), в этом устройстве используются соединители J1-J3 типа RG45.
Назначение контактов соединителей J1-J3 приведено в таблице 1.

Кабели-переходники к этому боксу можно изготовить самостоятельно, для этого необходимы ответные части системных соединителей соответствующих типов телефонов, а также вилки RG45. На рис. 2 показаны системные соединители, а также назначение их контактов для некоторых моделей телефонов.
Примечание. При самостоятельном изготовлении кабелей-переходников следует учесть что сигналы TX/RX на соединителях J1, J2 обозначены как на системных соединителях телефонов. Например, если на соединителе телефона сигнал обозначен как ТХ (аналогично и на конт. 2 J1 и конт. 3 J2), а уже на выв. 10 микросхемы IC1 (и далее — до разъема RS232) он обозначен, как RX. Все сказанное в полной мере относится и к USB-боксам (см ниже)
Универсальные боксы для подключения телефонов с интерфейсами SERIAL BUS и MBUS/CBUS к USB-порту ПК
Универсальные боксы с USB-интерфейсом, в отличие от предыдущего (см. рис. 1), предназначены для программирования телефонов с интерфейсами SERIAL BUS и MBUS/CBUS.
На сегодняшний момент существуют несколько распространенных схем USB UNIBOX Они построены на разных микросхемах, но выполняют одну и ту же функцию: конвертируют сигналы с уровнями интерфейса USB в сигналы с уровнями интерфейса RS232 (с ТТЛ-выходом). Их еще называют мостами «USB-to-RS232 BRIDGE». При подключении такого бокса к компьютеру требуется установить драйвер для конкретного типа микросхемы, используемой в качестве конвертора После установки такого драйвера в закладке УСТРОЙСТВА появляется дополнительный СОМ-порт. На рис. 3 показано окно, где этот порт обозначен как СОМ 4. Для работы программного обеспечения при разблокировке и флэши-рования мобильных телефонов в настройках должна быть возможность выбора этого СОМ-порта.

Рис. 3
Микросхема преобразователя эмулирует все сигналы, включая DSR, DCD и CTS.
Первая схема (см. рис. 4) универсального бокса USB построена на микросхеме FT232BM фирмы FTDI CHIP. Большинство узлов (питания и др.) аналогичны схеме, показанной на рис. 1. Основное отличие — другой тип микросхемы (FT232BM). Питание этой микросхемы осуществляется от USB-порта ПК, но для питания мобильного телефона и формирования напряжения программирования 12 В используется отдельный стабилизатор DA 2 типа LM317 (схема аналогична рис. 1). При изготовлении данного бокса следует учесть, что эта микросхема выполнена в корпусе QFP.

Рис. 4
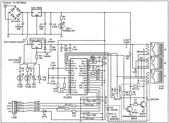
Еще одна похожая схема (см. рис. 5) построена на микросхеме Prolific PL2303. На базе этой микросхемы собраны 99% китайских DA-ТА-кабелей, реализуемых на российском рынке. Микросхема PL2303 выполнена в 28-выводном корпусе SSOP, что затрудняет сборку данной конструкции на макетной плате. Однако, чтобы обойти эту проблему, можно в качестве готового узла можно использовать «начинку» от любого китайского USB DATA-кабеля.

Рис. 5
Можно еще порекомендовать еще одну схему USB-бокса, выполненного на основе микросхемы СР2101. Его принципиальная схема показана на рис. 6.

Рис. 6
