Компания Maxim Integrated Products представила MAX8645X/Y - малогабаритные драйверы белых светодиодов (WLED) с двумя встроенными линейными стабилизаторами со сверхнизким падением напряжения (LDO) для систем питания фотокамер. Генераторы подкачки заряда позволяют уменьшить общие габариты на 40% за счет интеграции в одном корпусе драйверов подсветки, драйверов вспышки камеры и источника питания. Устройства экономят габариты и отлично подходят для разработки раскладных, раздвижных сотовых телефонов и смартфонов с ЖК экранами, а также фотоаппаратов, встроенных в крышки телефонов.
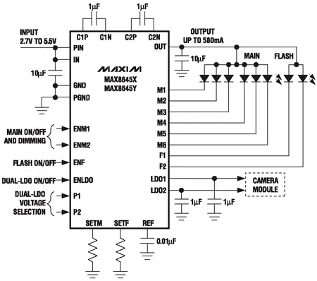
Генераторы подкачки заряда MAX8645X/Y позволяют работать с восемью светодиодами, равномерно выдавая на них постоянный ток. Для основной группы из шести светодиодов (MAIN на рис. 1) осуществляется подача тока номиналом до 30 мА на каждый светодиод для обеспечения подсветки. В группе светодиодов вспышки (FLASH) светодиоды управляются независимо, на них подается ток до 200 мА на каждый светодиод. Два встроенных линейных стабилизатора со сверхнизким падением напряжения (LDO) и выходным током 200 мА обеспечивают питание для функций фотокамеры.

Рис. 1. Схема включения MAX8645X/Y

Рис. 2. Схема расположения выводов MAX8645X/YMAX8645X/Y
Особенностью данных стабилизаторов является малая шумность (среднеквадратичное действующее значение 40 мкВ), позволяющая добиться стабильного питания с низкими пульсациями. Это очень важно для снижения шумов в получаемом изображении фотокамер с высоким разрешением, применяемых в телефонах. Два вывода управления позволяют выбрать один из восьми различных вариантов выходного напряжения, что упрощает управление и снижает требования к компонентам.
Источник: Ремонт и сервис
