Предлагаемый адаптер в собранном виде позволяет реализовать принцип: "купил - подключил". Устройство представляет собой простой, компактный и надежный программатор микроконтроллеров семейства AVR компании ATMEL. Программатор подключается к обычному LPT-порту персонального компьютера. Использование адаптера и функции внутрисистемного программирования (ISP) дают возможность быстро и многократно программировать микропроцессорное устройство в собранном виде, не отключая его питания. Для этого необходимо лишь установить на отлаживаемой плате разъем для подключения адаптера. При этом процесс отладки программного обеспечения электронного устройства заметно упрощается и сокращается затрачиваемое на это время.
AVR-микроконтроллеры представляют собой мощный инструмент для создания высокопроизводительных и экономичных устройств многоцелевого назначения. Российские радиолюбители по достоинству оценили высокую скорость работы и мощную систему команд AVR, наличие двух типов энергонезависимой памяти на одном кристалле и развитую периферию. Очень часто, на этапе проектирования микропроцессорных устройств, выбор именно этих контроллеров обусловлен широким ассортиментом, невысокой ценой и возможностью их перепрограммирования в составе уже собранного устройства по алгоритму ISP
Предлагаемый программатор компактен, надежен, производителен и прост в использовании, в полностью изготовленном виде он представлен в виде набора МАСТЕР КИТ BM9009.
Технические характеристики программатора приведены в таблице.
Программируемые микроконтроллеры (программатор позволяет программировать микросхемы, имеющие возможность загрузки ПЗУ программ и ЭСПЗУ данных через последовательный интерфейс SPI) | AT90(L)S4433, AT90S8515, AT90(L)S8535, ATmega8(L), ATmega 161(L), ATmega 163(L), ATmega 16(L), ATmega323(L), ATmega103(L), ATmega128(L) и другие |
Напряжение питания, В | 5 |
Ток потребления, мА | 6 |
Интерфейс подключения к ПК | LPT (режим ECP) |
Размеры печатной платы, мм | 29x35,5 |
Принципы работы адаптера
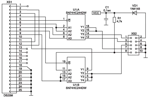
Принципиальная электрическая схема устройства приведена на рис. 1. Адаптер состоит из буфера U1 (SN74HC244), имеющего высокоимпедансные выходы, что позволяет по окончании программирования не отключать адаптер от схемы, не влияя на ее работу (за исключением паразитных емкостей между проводами шлейфа от адаптера до платы устройства и тока потребления адаптера). Через разделительный диод VD1 адаптер питается от программируемой схемы. Для работы адаптера требуется наличие на пользовательском устройстве разъема, подключенного к питанию (5 В) и соответствующим выводам AVR (MOSI, MISO, XTAL1, RESET, SCK), см. рис. 2.

Рис. 1. Схема электрическая принципиальная

Рис. 2. Схема ответной части на отлаживаемой плате, вид сверху
В собранном виде устройство подключается к LPT-порту ПК. Запись программ рекомендуется производить широко распространенным программным обеспечением, совместимым с типовыми адаптерами ATMEL "STK200/STK300", например AVReal, CodeVisionAVR или Pony-Prog.
Конструкция
Внешний вид адаптера представлен на рис. 3.

Рис. 3. Внешний вид программатора
Конструктивно LPT-адаптер выполнен на печатной плате из фоль-гированного стеклотекстолита. Компактная конструкция предусматривает установку платы внутри стандартного корпуса DВ-25C-E (LPT), при этом плата непосредственно припаивается к выводам разъема. Подключение адаптера к радиолюбительскому устройству производится посредством гибкого многожильного провода (шлейфа). Внутри корпуса LPT-разъема шлейф припаивается к соответствующим выводам разъема XS2.
Готовый адаптер не требует специальной настройки, достаточно лишь убедиться в правильности монтажа компонентов. Важно, чтобы питание отлаживаемого устройства было 5 В, так как адаптер получает питание от него.
Прошивка процессора
Процесс программирования процессора по алгоритму ISP очень прост и не потребует особых навыков. Рассмотрим программирование микроконтроллеров AVR с помощью предлагаемого адаптера на примере популярной программы CodeVisionAVR.
Кроме основной функции - компиляции и редактирования программ, написанных на языке СИ для AVR-микроконтроллеров, этот программный продукт имеет встроенный модуль программирования (меню "Tools/chip programmer"). Перед началом его использования, необходимо в меню "Settings/programmer" выбрать тип используемого адаптера "Kanda Systems STK200+/300" и номер LPT-порта, к которому подключен адаптер. После подключения адаптера к LPT-порту ПК и к разъему программируемого устройства запускают программу-прошивальщик и подают питание на программируемую схему.
После запуска опции программирования в CodeVisionAVR появится окно (см. рис. 4).

Рис. 4. Окно программы CodeVisionAVR
В меню "File" выбирают необходимый для программирования файл с программой или данными EEPROM (расширения: hex, rom, bin, eep). При необходимости редактирования буферного файла запускают встроенный hex-редактор (меню "Edit").
Далее в основном окне выбирают тип прошиваемого микроконтроллера (chip) и частоту его внутреннего генератора (заводское значение указано в даташите). При необходимости программирования не всей области памяти FLASH или EEPROM существует возможность выбора начального и конечного программируемых адресов.
Расширенные опции программирования (Chip Programming Options: биты блокировки - FLASH Lock Bits, конфигурационные биты - Program Fuse Bit(s)) предназначены для опытных пользователей, их состав определяется типом используемого микроконтроллера AVR. Изменять их рекомендуется, только внимательно изучив соответствующую документацию микроконтроллера.
Внимание! При определенной конфигурации программируемых битов невозможно дальнейшее перепрограммирование микросхемы с использованием этого адаптера, а в ряде случаев происходит полная блокировка дальнейшей записи/считывания информации микропроцессора. Поэтому будьте предельно внимательны и осторожны при изменении этих опций.
После настройки всех опций переходят непосредственно к загрузке нужной информации в микроконтроллер. В меню "Program" выбирают тип необходимой операции программирования (очистка микросхемы, программирование FLASH, EEPROM, битов блокировки, битов конфигурации, либо выполнение всех этих операций - All). После удачного выполнения операции программа выдаст соответствующее сообщение.
При необходимости сброса работы микроконтроллера в исходное состояние нажимают кнопку Reset Chip в окне программатора. Дополнительную информацию и программное обеспечение по микроконтроллерам AVR можно получить на сайте производителя микроконтроллеров AVR.
Литература и интернет-ресурсы
1) Техническое описание блока BM9009.
2) Сайт http://www.masterkit.ru
Источник: Ремонт и сервис
