- Однополупериодный выпрямитель
- Двухполупериодный со средней точкой
- Однофазный мостовой выпрямитель (схема Греца)
- Однополупериодный выпрямитель, работающий на емкостную нагрузку
- Двухполупериодные выпрямители
- Схема удвоения напряжения (Схема Латура)
- Свойства магнитных мателиалов
- Магнитная проницаемость сердечника
- Магнитопроводы
Трансформатором называют электромагнитный аппарат, посредством которого переменный ток одного напряжения преобразуется в переменный ток другого напряжения той же частоты. В трансформаторе используется явление взаимоиндукции. Конструктивные параметры трансформаторов при расчете выбирают из условия обеспечения допустимого падения напряжения на обмотках и их перегрева. При выборе магнитопровода определяющими являются трансформируемая мощность и частота тока.Исходными данными для расчета силового трансформатора являются:
- электрическая схема (количество обмоток) трансформатора;
- схема подключаемой нагрузки (напряжение, сопротивление и т.п.);
- напряжение и частота питающей сети;
- масса, габариты, стоимость;
- условия эксплуатации.
Для выпрямления однофазного переменного напряжения широко применяют три типа выпрямителей: однополупериодный, двухполупериодный со средней точкой и двухполупериодный мостовой (схема Греца).
Однополупериодный выпрямитель (рис.1). Когда на диод со вторичной обмотки трансформатора поступает напряжение положительной полярности ("+" приложен к аноду диода), диод открывается, и через нагрузку протекает ток, определяемый напряжением на обмотке и сопротивлением нагрузки. Падение напряжения на кремниевом диоде (около 1 В) обычно мало по сравнению с питающим. Напряжение на выходе выпрямителя имеет вид однополярных импульсов, форма которых практически повторяет форму положительной полуволны переменного напряжения.

Рис. 1
Однополупериодный выпрямитель
Среднее значение выпрямленного напряжения равно:

откуда действующее напряжение вторичной обмотки:

Среднее значение выпрямленного тока:

Действующее значение тока нагрузки:

Мощность, на которую должна быть рассчитана вторичная обмотка трансформатора:

Габаритная мощность трансформатора (без учета КПД.) равна полусумме мощностей, выделяемых первичной и вторичными обмотками:

Как видно из формулы (6), габаритная мощность трансформатора должна быть в 3,1 раза больше полезной мощности, отдаваемой в нагрузку, т.е. трансформатор используется всего на 30%.
Коэффициент пульсаций р (отношение амплитуды первой гармоники к выпрямленному напряжению):

Недостатки однополупериодного выпрямителя:
- большой коэффициент пульсаций;
- малые значения выпрямленного тока и напряжения;
- низкий КПД, т.к. ток нагрузки имеет постоянную составляющую, которая вызывает подмагничивание сердечника трансформатора и уменьшение его магнитной проницаемости.
Двухполупериодный выпрямитель со средней точкой (рис.2).В нем вторичная обмотка состоит из двух половин и имеет отвод от середины. Эту схему можно рассматривать как сочетание двух однополупериодных выпрямителей, включенных на одну нагрузку. Коэффициент пульсаций р=0,67.

Рис. 2
Двухполупериодный выпрямитель со средней точкой
Достоинства двухполупериодного выпрямителя:
- отсутствие подмагничивания трансформатора;
- более высокий КПД;
- меньший коэффициент пульсаций выпрямленного напряжения по сравнению с однополупериодным выпрямителем;
- вдвое большая частота пульсаций выпрямленного напряжения, чем в однополупериодной схеме, что облегчает их сглаживание.
Основной недостаток — необходимость второй обмотки, причем обе обмотки работают поочередно и используются примерно на 50%.
Однофазный мостовой выпрямитель (схема Греца)(рис.3) состоит из трансформатора и четырех диодов, подключенных ко вторичной обмотке трансформатора. В каждый полупериод открыта пара диодов, расположенных в противоположных плечах моста.

Рис. 3
Однофазный мостовой выпрямитель (схема Греца)
Среднее значение выпрямленного напряжения равно:

откуда действующее напряжение вторичной обмотки:

Среднее значение выпрямленного тока:

Средний выпрямленный ток каждого диода
Действующее значение тока нагрузки:

Масса и стоимость трансформатора меньше чем с выводом от средней точки, мощность выпрямителя выше за счет более рационального использования трансформатора. Частота пульсаций, как и в предыдущей схеме, вдвое больше частоты сети.
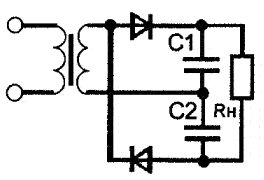
Однополупериодный выпрямитель, работающий на активно-емкостную нагрузку(рис.4) имеет круто падающую нагрузочную характеристику (зависимость выпрямленного напряжения от тока нагрузки) и значительный коэффициент пульсаций.

Рис. 4
Однополупериодный выпрямитель, работающий на активно-емкостную нагрузку
Разряд конденсатора фильтра определяется постоянной времени разряда
коэффициент пульсаций вычисляется по формуле:

m-число фаз выпрямителя.
Чем больше емкость конденсатора, тем меньше коэффициент пульсаций, но тем больше амплитуда зарядного тока через диод, а значит, и больше падение напряжения на выходном сопротивлении выпрямителя. В отсутствие нагрузки (на холостом ходу) напряжение на конденсаторе фильтра достигает U2x√2 Подобные выпрямители обычно применяются для построения вспомогательных (маломощных) источников питания.
Двухполупериодные выпрямители(рис.5 и 6) при работе на активно-емкостную нагрузку, вследствие удвоенной частоты пульсаций, позволяют уменьшить габариты сглаживающего фильтра. В отличие от выпрямителя со средней точкой, где обмотки трансформатора используются примерно на 35...40%, в мостовом выпрямителе обмотка работает оба полупериода, поэтому коэффициент ее использования достигает 80%. Кроме того, в нем можно использовать диоды с вдвое меньшим допустимым напряжением.

Рис. 5
Двухполупериодные выпрямители

Рис. 6
Двухполупериодные выпрямители
Недостаток мостовой схемы — удвоенное количество диодов по сравнению с выпрямителем со средней точкой. Однако суммарное сопротивление постоянному току двух диодов и обмотки мостового выпрямителя чаще оказывается меньше сопротивления одного диода и обмотки выпрямителя со средней точкой.
Временные диаграммы, иллюстрирующие работу двухтактных выпрямителей на емкостной фильтр, приведены на рис.7.
При работе выпрямителя на емкостной фильтр диод в плече (оба диода для мостовой схемы) открывается, когда напряжение на входе выпрямителя становится равным напряжению (точнее, превышает его на порог открывания диода) на конденсаторе сглаживающего фильтра (момент t1). При этом в интервале t1-t2 ток через открытые диоды ограничен только сопротивлением обмотки трансформатора и открытых диодов. В момент времени t2 напряжение на входе выпрямителя вновь становится равным напряжению на конденсаторе, и открытый диод закрывается. При этом начинается разряд конденсатора фильтра на сопротивление нагрузки. Открывание другого диода происходит в момент времени t3. Далее процессы повторяются. Наличие у трансформатора индуктивности рассеяния приводит к определенной задержке выключения открытого диода (показано пунктирной линией).

Рис. 7
Временные диаграммы
Схема удвоения напряжения (схема Латура) рис.8 используется, когда трудно намотать многовитковую вторичную обмотку, или когда обмотка имеющегося трансформатора дает недостаточное напряжение. Схема удвоения (как и однополупериодного выпрямителя) имеет круто падающую нагрузочную характеристику. Кроме того, при пробое одного из диодов переменное напряжение оказывается приложенным к электролитическому конденсатору, что обычно приводит к его взрыву.

Рис. 8
Схема удвоения напряжения (схема Латура)
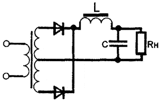
В устройствах с повышенными требованиями к пульсациям и стабильности напряжения питания при изменении нагрузки используют выпрямители, работающие на Г-образный LC-фильтр (рис.9 и 10). Эти выпрямители обладают меньшим выходным сопротивлением по сравнению с выпрямителями, работающими на одну емкость.

Рис. 9
Выпрямители, работающие на Г-образный LC-фильтр

Рис. 10
Выпрямители, работающие на Г-образный LC-фильтр
Коэффициент использования обмотки трансформатора в схеме на рис.9 равен 50%, и практически 100% — в схеме на рис.10.
Коэффициент сглаживания фильтра q представляет собой отношение первой гармоники пульсаций на входe фильтра к амплитуде первой (основной) гармоники на его выходе:
откуда

где ω=2πf.
Емкость конденсатора С должна быть значительно больше отношения:

При работе выпрямителя на фильтр LC-типа ток, протекающий через каждый из открытых диодов, начиная с некоторой критической величины, имеет прямоугольную форму (рис.11). Напряжение на нагрузке практически равно среднему значению напряжения на входе фильтра, а переменная составляющая этого напряжения выделяется на дросселе фильтра. При этом нагрузочная характеристика имеет вид прямой, наклон которой характеризуется выходным сопротивлением выпрямителя

Рис. 11
Временные диаграммы
Минимально допустимая индуктивность дросселя Lmin, при которой сохраняется режим непрерывного тока в дросселе:

Для двухполупериодных выпрямителей (в том числе и для схемы удвоения Латура) формула (16) примет вид:

где Iн.min — минимальный (критический) ток нагрузки.
Введение в дроссель дополнительной (компенсирующей) обмотки позволяет увеличить коэффициент сглаживания фильтра в 2...4 раза при той же величине LC (рис.12).

Рис. 12
Во избежание наводок на дроссели фильтра, они должны быть максимально удалены от силового трансформатора и других источников магнитных полей, сравнительный анализ нагрузочной способности и коэффициента сглаживания фильтров для выпрямителя Греца с входным напряжением 50 В на нагрузке сопротивлением от 10 до 400 Ом приведен в табл.1.
Анализ табл.1 показывает, что увеличение емкости фильтра в 2,5 раза примерно во столько же уменьшает и напряжение пульсаций Uп выпрямленного напряжения, не изменяя нагрузочной способности выпрямителя. Г-образный фильтр имеет более "жесткую" нагрузочную характеристику и стабильный коэффициент сглаживания во всем диапазоне изменения нагрузки. При Uн=40 В минимальная индуктивность дросселя:

Разбив емкость конденсатора фильтра на 2 равные емкости и включив между ними дроссель индуктивностью 50 мГн (П-образный фильтр), можно более чем на порядок снизить напряжение пульсаций при незначительном ухудшении нагрузочной характеристики.
Ориентировочные значения падения напряжения на дросселе фильтра при частоте 50 Гц приведены в табл.2.
Формулы, необходимые для расчета выпрямителей и трансформаторов, сведены в табл.3.
Диоды для схем выбирают с максимально допустимыми параметрами, не ниже полученных в предварительном расчете. Максимальное обратное напряжение выпрямительных диодов Uобр.max должно быть как минимум на 30% больше Uобр в схеме.
Вспомогательные расчетные коэффициенты В0 и D0 в табл.3 определяются из графиков, приведенных на рис.13 и 14.
Таблица 1
| Тип фильтра | Uн,В при Rн,Ом | Uп,мВ при Rн,Ом | ||||||
| 400 | 100 | 250 | 10 | 400 | 100 | 250 | 10 | |
| С=2000мкФ | 66,9 | 64,4 | 58,4 | 50,8 | 191 | 706 | 2250 | 4380 |
| С=5000мкФ | 67,0 | 64,8 | 59,0 | 51,7 | 71,8 | 275 | 894 | 1780 |
| L=300мГн С=2000мкФ | 46,5 | 43,3 | 41,9 | 39,6 | 104 | 79 | 79 | 79 |
| L=850мГн С=2000мкФ | 43,6 | 43,2 | 41,2 | 39,1 | 28 | 28 | 29 | 29 |
| L=50 C1=1000мкФ С2=1000мкФ | 66,8 | 64,6 | 57,5 | 48,3 | 17,4 | 64 | 211 | 415 |
Таблица 2
| Pk,Вт | ΔUдр |
| 10...30 | (0,2...0,14)Uо |
| 30...100 | (0,14...0,1)Uо |
| 10...300 | (0,1...0,07)Uо |
| 300...1000 | 0,07...0,05)Uо |
Таблица 3
| Схема | m | U2х | IOVD | ImVD | I2 | Pраб | VA2 | Uобр | Kг | КL |
| Рис.1 | 1 | 2,22Uн | Iн | 3,14Iн | 1,57Iн | 3,1Pн | 3,5Pн | U2х√2 | 5,2 | — |
| Рис.2 | 2 | 1,11Uн | Iн/2 | 1,57Iн | 0,785н | 1,49Pн | 1,74Pн | U2х√2 | 7 | — |
| Рис.3 | 2 | 1,11Uн | Iн/2 | 1,57Iн | 1,11н | 1,23Pн | 1,23Pн | U2х(√2/2) | 5,2 | — |
| Рис.4 | 1 | ВоUн | Iн | 7Iн | DоIн | 2Pн | 2,15Pн | =3Uн | 2,3 | 4,1·10-3 |
| Рис.5 | 2 | ВоUн | Iн/2 | 3,5Iн | (DоIн)/2 | 1,8Pн | 2,15Pн | =3Uн | 4,7 | 4,3·10-3 |
| Рис.6 | 2 | ВоUн | Iн/2 | 3,5Iн | (DоIн)/√2 | 1,5Pн | 1,5Pн | =1,5Uн | 3,5 | 5,0·10-3 |
| Рис.8 | 1 | (ВоUн)/2 | Iн | 7Iн/2 | (DоIн)/√2 | 1,5Pн | 1,5Pн | =1,5Uн | 0,9 | 1,25·10-3 |
| Рис.9 | 2 | 1,11Uн | Iн/2 | Iн | 0,71Iн | 1,34Pн | 1,57Pн | U2х2√2 | 4,7 | 5,5·10-3 |
| Рис.10 | 2 | 1,11Uн | Iн/2 | Iн | Iн | 1,11Pн | 1,11Pн | U2х√2 | 3,5 | 6,4·10-3 |
Примечание:
- m- число фаз выпрямителя (число импульсов тока в нагрузке за период);
- U2х- действующее напряжение вторичной обмотки трансформатора в режиме холостого хода;
- Uн- среднее значение выпрямленного напряжения;
- Iн- среднее значение выпрямленного тока;
- IOVD-средний выпрямленный ток каждого диода;
- ImVD-амплитудное значение тока через диод;
- I2-действующее значение тока, на которое должна быть рассчитана вторичная обмотка трансформатора;
- Pн-UнIн-выпрямленная мощность (мощность на нагрузке);
- Pраб-габаритная мощность трансформатора (без учета КПД);
- VA2-произведение действующих значений тока и напряжения вторичной обмотки;
- Uобр-амплитуда обратного напряжения на диодах.
Параметр АL определяется так:

где гв = Ri + rтр — активное сопротивление фазы выпрямителя, равное сумме прямых сопротивлений диодов по постоянному току и сопротивлений обмоток трансформатора, приведенное к его вторичной обмотке;
m-число фаз выпрямителя из табл.3;
Ri=ΔUVD/3IOVD-внутреннее сопротивление диодов;
ΔUVD=1В для кремниевых диодов.
Сопротивление обмоток трансформатора, приведенное к фазе вторичной обмотки:

где Кг — коэффициент, зависящий от схемы выпрямителя (табл.3); В — индукция в сердечнике, Тл; f — частота напряжения; s — число стержней сердечника трансформатора, несущих обмотки.

Рис.13

Рис.14
Параметр φ определяется из выражения:


где LS-индуктивность рассеяния.

где KL — коэффициент, зависящий от схемы выпрямителя (табл.3);
λ—число чередующихся секцийобмоток.
Когда вторичная обмотка наматывается после первичной (или наоборот),λ=2. Когда первичная обмотка вматывается между половинками вторичной обмотки (или наоборот), λ=3, a Ls уменьшается в (3-1 )2=4 раза. Если необходимо уменьшить индуктивность рассеяния в еще большее число раз, следует одну из обмоток разбить на три части, а другую — на две (λ=5).
Некоторые значения tg φ для формул (20) и (21} приведены в табл.4.
Таблица 4
| tg φ | 0 | 0,18 | 0,36 | 0,58 | 0,84 | 1,19 | 1,73 | 2,15 | 2,75 | 3,73 |
| φ° | 0 | 10 | 20 | 30 | 40 | 50 | 60 | 65 | 70 | 75 |
Свойства магнитныйх материалов
Когда сердечник из магнитного материала находится в переменном магнитном поле, часть энергии этого поля расходуется в сердечнике на вихревые токи и на перемагничивание (гистерезис). Вихревые токи (токи Фуко) — это электрические токи, возникающие вследствие электромагнитной индукции в проводящей среде (обычно в металле) при изменении магнитного поля в этой среде. Потери на вихревые токи зависят от удельного сопротивления материала сердечника и от частоты магнитного поля. Чем выше частота, тем больше потери.
Сердечник трансформатора работает в условиях постоянного перемагничивания. Чтобы иметь минимальные потери от гистерезиса, необходимо применять ферромагнитные материалы с узкой петлей гистерезиса, т.е. магнитомягкие. К таким материалам относится листовая электротехническая сталь. Потери на гистерезис зависят от индукции в сердечнике—чем больше индукция, тем больше потери. Свойства материала оценивают суммарными удельными потерями (Рс.уд), которые представляют собой потери на вихревые токи и гистерезис, отнесенные на 1 кг материала, при заданных частоте и индукции. Значения Рс уд. для некоторых материалов приведены на рис.15 и 16.
![]() | ![]() |
| Рис. 15 | Рис. 16 |
| Значения Рс уд. для некоторых материалов | |
Широкое применение в трансформаторах получили холоднокатанные анизотропные (текстурированные) стали марок 3411.. .3425. Первая цифра в обозначении марки стали характеризует ее структуру и вид прокатки. Цифре 1 соответствует горячекатан-ная изотропная тонколистовая сталь, цифре 2 — холоднокатанная изотропная сталь. Цифра 3 означает, что сталь — холоднокатанная, анизотропная, с ребристой структурой. В этих сталях при холодной прокатке получается ориентация кристаллов вдоль направления проката. При расположении магнитных силовых линий вдоль направления проката стали (например, в витых ленточных сердечниках) получается наибольшая индукция и наименьшие потери, что позволяет уменьшить габариты трансформатора. В штампованных сердечниках часть магнитных силовых линий проходит перпендикулярно направлению проката, что приводит к большим потерям в стали.
Вторая цифра характеризует содержание легирующих элементов, в частности, кремния. Цифра 0 означает, что в стали содержится до 0,5% легирующих элементов; 1 —0,5...0,8%; 2 — 0,8...1,8% (кроме 2211. 2212); 3— 1,8...2,8%; 4 — 2,8...3,8% (кроме 2411, 2412, 2413, 2414); 5 — 3,8...4,8%.
Третья цифра соответствует группе (например, цифра 2 — удельные потери при магнитной индукции 1,0 Тл и частоте 400 Гц). Четвертая цифра — порядковый номер стали. Старые обозначения некоторых распространенных марок электротехнической стали указаны в скобках: 3421 (Э340), 3422 (Э350), 3423 (Э360), 3424 (Э360А), 3425 (Э360АА).
Стали марок 3423 и 3425 имеют меньшие потери и большее значение индукции насыщения (около 1,9 Тл) в средних и сильных полях и повышенную по сравнению с пермаллоевыми сплавами устойчивость к механическим воздействиям. Недостатками этих сталей являются значительные коэрцитивная сила и удельные потери.
Магнитопроводы трансформаторов (и дросселей) необходимо изготавливать из материалов, обладающих высокой магнитной проницаемостью в сильных переменных магнитных полях. Кроме того, эти материалы должны иметь малые потери на вихревые токи и перемагничивание, чтобы обеспечивался допустимый нагрев магнитопровода.
Магнитная проницаемость сердечника.Индукция В связана с напряженностью поля через магнитную проницаемость:
μ=dB/dH. (23)
Магнитная проницаемость μ показывает, во сколько раз увеличивается индуктивность катушки при введении в нее сердечника. Зависимость μ от амплитудного значения индукции Вm в переменном магнитном поле в отсутствие подмагничивания (Нo=0) и при различных значениях напряженности магнитного поля (Нo=50, 100, 200 и 400 А/м) приведена на рис.17 [2]. Значение μ при Вm, равном или близком к нулю, называют начальной магнитной проницаемостью μн.

Рис. 17
При выборе материалов для магнитопровода необходимо учитывать назначение трансформатора, требования к его весу и стоимости, наличие постоянного подмагничивания, а также мощность. Магнитные материалы, применяемые для изготовления трансформаторов низкой частоты, приведены в табл.5
Таблица 5
| Мощность трансформатора, Вт | При наличии постоянного подмагничивания | При отсутствии постоянного подмагничивания | ||
| Для трансформаторов с минимальным | ||||
| весом | ценой | весом | ценой | |
| 0,5...1 Вт | Н50 | 1562,1572 3411-3424 | 79НМ 80НХС | 1562,1572 3411-3424 |
| Более 1Вт | 3411-3424 | 3411-3424 | 3411-3424 | 3411-3424 |
Стоимость материалов типа 79НМ и 80НХС примерно в 15 раз больше стоимости сталей 3411-3424, что приводит к увеличению стоимости трансформаторов в 5... 10 раз (с учетом сокращения веса).
Магнитопроводы.Для трансформаторов применяют три типа магнитопроводов: броневые, стержневые и кольцевые (рис.18). На рис.18а показан броневой магнитопровод типа Ш (ШЛ), на рис.18б — стержневой П (ПЛ), на рис.18в — кольцевой О (ОЛ). Буква Л в обозначении типа означает, что магнитопровод изготовлен из ленты. Часть магнитопровода, на котором расположена катушка, называется стержнем, все остальное — ярмом (боковым, торцевым). Сравнительно недавно разработаны магнитопрово-ды типов ШЛМ и ПЛМ, предназначенные для трансформаторов источников питания. Они обладают наиболее оптимальной геометрией и характеризуются более узким окном, а трансформаторы на их основе — уменьшенным расходом меди, меньшей массой и стоимостью.

Рис. 18
Типы магнитопроводов
Пластины изолируют друг от друга слоем изоляционного лака или оксидным слоем для уменьшения потерь на вихревые токи. Для снятия наклепа в материале после штамповки и для восстановления магнитных свойств, пластины отжигают при температуре 400...500°С.
Ленточные магнитопроводы изготавливают из стальной ленты так, чтобы направление магнитных силовых линий совпадало с направлением проката. Изоляция ленты должна выдерживать высокую температуру отжига (1000...1100°С), который проводят в вакууме в течение 3...5 часов с последующим охлаждением до 600°С в течение 5...6 часов. Для уменьшения магнитного сопротивления поверхность стыковки шлифуют. Ленточные магнитопроводы по сравнению с пластинчатыми допускают магнитную индукцию на 20...30% выше, потери в них меньше.
В отсутствие подмагничивающего поля тороидальные магнитопроводы обладают наибольшей магнитной проницаемостью, минимальными полем рассеяния и расходом меди. Следом по этим параметрам идут стержневые магнитопроводы и только потом — броневые. Воздушный зазор вводят в магнитопроводах дросселей, работающих с подмагничиванием постоянным током, а также для расширения диапазона рабочих частот трансформаторов.
После сборки магнитопровод трансформатора стягивают болтами или шпильками, которые изолируют от пластин магнитопровода, чтобы предотвратить образование короткого замыкания магнитопровода или его части.
Габаритную мощность трансформатора вычисляют по формуле:
Pраб=2,22f·ScSoB·j·η·kм·10-2, (24)
где Sc=abkc-площадь поперечного сечения стержня, несущего обмотки, см2;
kc-коэффициент заполнения (0,62...0,95), учитывающий, что часть площади поперечного сечения магнитопровода занята оксидами и другими немагнитными материалами, и зависящий от толщины материала и способа изготовления магнитопровода (табл.6);
So=ch-площадь окна сердечника, см2;
f— частота, Гц;
В — максимальная индукция в сердечнике, Тл;
j — плотность тока в обмотках, А/мм2;
η— КПД трансформатора;
kм — коэффициент заполнения окна медью обмотки.
Из формулы (24) видно, что припрочих равных условиях габаритнаямощность трансформатора зависит отпроизведения SоSс.
Таблица 6
| Магнитопровод | Изоляция | Значение кс при толщине материала, мм | ||||
| 0,35 | 0,15...0,2 | 0,08...0,1 | 0,05 | 0,02 | ||
| Шихтованный | Лаковая | 0,93 | 0,85 | 0,75 | — | — |
| Ленточный | Эмалевая | 0,95 | 0,9 | 0,85 | 0,75 | 0,62 |
Активные потери в стали магнитопровода:
где mc-масса магнитопровода трансформатора, кг.
где γст — удельный вес стали, кг/см3; (для марок стали 3421, 3422,3423 γст=0,00765 кг/см3);lc-длина магнитной силовойлинии (средней линиимагнитопровода), см;Sc — площадь сечениямагнитопровода, см2.
Основные параметры ленточных магнитопроводов ШЛМ и ПЛМ из стали 3413 толщиной 0,35 мм для сетевых трансформаторов (f=50 Гц) приведены в табл.7 [2].
Таблица 7
| Тип | Размеры магнитопровода | Sc см2 | γст см | mс кг | Ширина обм. l мм | Толщина гильзы, Δг мм | ΣP2 Вт | Rтр °С/Вт | |||
| a,мм | с | h,мм | b,мм | ||||||||
| ШЛМ | |||||||||||
| 20x16 | 20 | 12 | 35 | 16 | 2,98 | 12,7 | 289 | 33 | 1,0 | 9 | 26 |
| 20х20 | 20 | 3,72 | 362 | 15 | 24 | ||||||
| 20x25 | 25 | 4,65 | 454 | 22 | 23 | ||||||
| 20x32 | 32 | 5,95 | 580 | 34 | 22 | ||||||
| ШЛМ | |||||||||||
| 25x25 | 25 | 15 | 45 | 25 | 5,81 | 15,9 | 708 | 42 | 1,5 | 60 | 17 |
| 25х32 | 32 | 7,41 | 905 | 70 | 16 | 25x40 | 40 | 9,30 | 1130 | 86 | 15 |
| ПЛМ | |||||||||||
| 20x32x46 | 20 | 19 | 46 | 32 | 6,3 | 19,9 | 955 | 43 | 1,5 | 100 | 10 |
| 20x32x58 | 58 | 22,3 | 1120 | 55 | 124 | 9 | |||||
| ПЛМ | |||||||||||
| 25x40x36 | 25 | 24 | 36 | 40 | 9,8 | 20,5 | 1570 | 32 | 2,0 | 150 | 9 |
| 25x40x46 | 46 | 22,8 | 1750 | 42 | 190 | 8 | |||||
| 25x40x58 | 58 | 24,9 | 1910 | 54 | 220 | 7 | |||||
| 25x40x73 | 73 | 28,2 | 2160 | 69 | 270 | 6 | |||||
| ПЛМ | |||||||||||
| 32x50x46 | 32 | 30 | 46 | 50 | 15,8 | 25,9 | 3140 | 42 | 2,5 | 330 | 7 |
| 32x50x58 | 58 | 28,4 | 3420 | 54 | 390 | 5 | |||||
| 32x50x73 | 73 | 31,3 | 3800 | 69 | 490 | 5 | |||||
| 32x50x90 | 90 | 34,7 | 4200 | 86 | 580 | 4 | |||||
Из табл.7 видно, что при одинаковом весе магнитопроводов ШЛМ25х40 и ПЛМ20х32х58 мощность последнего в 1,44 раза больше (124/86=1,44). Кроме того, при одинаковом произведении SоSс мощность стержневого трансформатора, а значит и кольцевого — в 1,2... 1,3 раза выше, чем броневого.
Если нормализованный магнито-провод не подходит, и возникает необходимость расчета размеров магнитопровода, рекомендуется пользоваться соотношениями:
c=(1...3,3)а;
h=(1,6...5)a,
или воспользоваться выражением:
откуда

Для магнитопроводов типа Ш (ШЛ)φм = 2y(x+z+1);
Для магнитопроводов типа П (ПЛ)φм = 2y(x+z+2);
Для магнитопроводов типа О (ОЛ)φм= πу(х+1),
где х = с/а, у = b/a, z = h/a.
Рекомендуемые значения безразмерных коэффициентов х, у и z для разных типов магнитопроводов следующие:
ШЛ — х = 1, у = 2 (допускается 1.. .2), z = 2,5;
ПЛ —х = 1,6;у = 2, z = 2,5...5;ОЛ — х = 3,3; у =3,3 (допускается 1,6...3,3).
Броневые сердечники используют для маломощных трансформаторов. Применение одной катушки упрощает их конструкцию, но такие трансформаторы имеют значительные индуктивность рассеяния и собственную емкость, большую чувствительность к внешним воздействиям, малую степень симметрии обмоток и относительно большой расход провода из-за увеличенного диаметра среднего витка.
Стержневую конструкцию используют для трансформаторов большой и средней мощности. Наличие двух катушек увеличивает площадь теплоотдачи и тем самым улучшает тепловой режим обмоток. К достоинствам стержневой конструкции относится и более слабое внешнее магнитное поле, так как поля двух катушек направлены навстречу друг другу. Наименьшее внешнее поле имеют трансформаторы на кольцевых сердечниках. Для получения минимального немагнитного зазора в магнитопроводе торцы сердечников склеивают пастой, содержащей ферромагнитный материал.
Режим работы трансформатора, при котором первичная обмотка подключена к источнику питания, а вторичная — разомкнута, называют режимом холостого хода. В этом режиме через первичную обмотку проходит ток l0, создающий в сердечнике магнитный поток Фо.
Ток холостого хода Io состоит из:
- реактивной составляющей Iop, которая определяется напряжением сети U1 и индуктивным сопротивлением первичной обмотки ZL=ωL1;
- активной составляющей Ioa, зависящей от потерь в сердечнике магнитопровода на вихревые токи и перемагничивание
Для большинства трансформаторов Ioa≤0,1Iор.
Ток холостого хода:
Активная составляющая тока первичной обмотки при работе трансформатора под нагрузкой слагается из двух частей: I1'=P2/U1 определяемой токами вторичных обмоток, и I1п, возникающей за счет потерь в меди и стали. Ориентировочное значение тока первичной обмотки можно определить по формуле:

Магнитный поток Фо, замыкаясь через магнитопровод, пронизывает первичную и вторичную обмотки, в результате чего в них индуцируется ЭДС:
где е — ЭДС, наводимая в одном витке, В;
Е1 и Е2—значения индуцированных напряжений, в первичных и вторичных обтотках, В;
f — частота подведенного к первичной обмотке напряжения, Гц;
n1 и n2 — число витков первичной и вторичной обмоток;
Вm — амплитуда индукции в сердечнике,Тл;
Sc — поперечное сечение магнитопровода, см2.
Индукция в сердечнике в режимехолостого хода:
где Bm-амплитудное значение индукции при работе трансформатора под нагрузкой;
ΔU1- относительное падение напряжения на первичной обмотке, выраженное в %.
Если ко вторичной обмотке трансформатора подключить нагрузку Rн, то через обмотку пойдет ток I2 и появится поток Ф2, направленный навстречу потоку Фо и ослабляющий его. При этом уменьшится ЭДС Е1, направленная навстречу приложенному напряжению U1. В результате ток, проходящий через первичную обмотку, увеличится до значения I1, а поток — до такого значения Ф1, при котором разность Ф1-Ф2 будет незначительно меньше Фо за счет падения напряжения на обмотках.
Поскольку E1=U1, a E2=U2, то из (33) следует, что:
Индуктивность катушки с ферромагнитным сердечником, у которого практически весь поток замыкается через сердечник, определяют по формуле:
где L1 — индуктивность первичнойобмотки, Гн;
µ— магнитная проницаемостьсердечника;
n1 — число витков первичнойобмотки;
Sc — площадь поперечногосечения сердечника, см2;
lс — средняя длина магнитнойсиловой линии, см.
Индуктивность рассеяния трансформатора можно определить по формуле:

где Β — коэффициент, значение которого зависит от конструкции обмоток (для двухобмоточного трансформатора Β=0,8...0,9);
lср — средняя длина одного витка обмотки, см;
λ — общее число частей, из которых состоят первичная и вторичная обмотки (без чередования λ=2, в случае разбивки первичной обмотки на две части и размещении между ними вторичной обмотки λ=3. Если одну из обмоток разбить на три части, а другую — на две, λ=5);
δ — внутренний размер каркаса между боковыми щечками, см;
Δм — толщина междуобмоточной изоляции, см;
α1 и α2— радиальная толщина обмоток, см.
Реактивный ток первичной обмотки трансформатора:

где lр —длина средней силовой линии, см.
Зависимость индукции от ампер-витков для сталей 3413 и 3423 и различных размеров сердечника, полученная экспериментально, показана на рис.19 [2]. Сплошной линией показаны зависимости для стали 3423 толщиной 0,08 мм, штрихпунктирной — для стали 3413 толщиной 0,35 мм.
Мощность, рассеиваемая в виде теплоты в проводе обмотки:

Рис. 19
Зависимость индукции от ампер-витков для сталей 3413 и 3423 и различных размеров сердечника, полученная экспериментально
где I — ток, проходящий черезобмотку, А;lс— длина провода обмотки, м;Sп — поперечное сечениепровода обмотки, мм2;ρ — удельное сопротивлениепровода (для медипри температуре 20°Сρ=0,0175 Ом·мм2/м).
Для чистых металлов температурный коэффициент сопротивления положителен и равен:
Поэтому при нагреве провода на Δt0 его удельное сопротивление будет:
В случае, если известно падение напряжения на обмотке, потери в меди можно определить по формуле:
Рекомендуемые значения падения напряжения на обмотках трансформатора приведены на рис.20 [2].

Рис. 20
Рекомендуемые значения падения напряжения на обмотках трансформатора
Автор: А.Петров


