Управляемые напряжением полупроводниковые конденсаторы переменной емкости - варикапы - приборы с сильно выраженной нелинейностью. По этой причине в цепях, где к варикапу приложено переменное напряжение относительно большой амплитуды, он способен преподнести сюрприз.
По сути, варикап - это обратносмещенный полупроводниковый диод. Прямая ветвь его вольт-амперной характеристики, принципиальная для основного назначения диода (выпрямление, детектирование), для варикапа несущественна. В общем случае в качестве варикапа можно использовать (и на практике это нередко реализуют) диод и даже коллекторный или эмиттерный переход биполярного транзистора.
В отличие от полупроводниковых диодов, у варикапов нормируют (и, разумеется, обеспечивают при производстве) емкость р-n перехода при определенном напряжении смещения на нем и добротность. Заметим, что добиться добротности варикапа, заметно превышающей добротность контурной катушки, непросто. Это объясняется тем, что в варикапе, как и в любом диоде, последовательно с р-n переходом всегда включено сопротивление базовой области полупроводника, а параллельно - эквивалентное сопротивление, обусловленное обратным током через переход. Относительно низкая добротность варикапа подразумевает, в частности, необходимость учитывать ее при расчете добротности колебательного контура.
Зависимость емкости р-n перехода от приложенного к нему обратного напряжения имеет степенной характер вида С=U-n, где значение параметра n может находиться в пределах от 0,33 до 0,5 (определяется технологией изготовления перехода). На рис. 1 показана типовая вольт-фарадная характеристика варикапа Д902, построенная в линейных координатах. Подобные характеристики можно найти в справочной литературе. Они позволяют определить емкость варикапа при различных значениях напряжения смещения.

Рис. 1. Типовая вольт-фарадная характеристика варикапа Д902
Однако предпочтительнее иметь дело с вольт-фарадной характеристикой варикапа, построенной в "двойном" (т. е. по обеим осям) логарифмическом масштабе. Известно, что степенная функция выглядит в таком масштабе как прямая линия, причем тангенс угла ее наклона к оси ординат численно равен показателю степени функции. На рис. 2 показан этот график для варикапа Д902. Измерив обычной линейкой стороны прямоугольного треугольника ABC, получаем для модуля показателя степени значение 0,5 (АВ/ВС). Падающий характер характеристики говорит о том, что этот показатель имеет минусовой знак. Таким образом, зависимость емкости варикапа Д902 от приложенного напряжения имеет вид С=U-0,5.

Рис. 2. Вольт-фарадной характеристика варикапа, построенной в "двойном" логарифмическом масштабе
Сказанное выше относится к "классическим" варикапам. Для увеличения эффективности управления современными варикапами при их изготовлении принимают специальные технологические меры, поэтому и вольт-фарадные характеристики могут иметь уже не столь простой вид.
Поскольку вольт-фарадная характеристика варикапа нелинейна, его использование в аппаратуре неизбежно приводит к появлению искажений. Немецкий радиолюбитель Ульрих Граф (DK4SX) провел измерения интермодуляционных искажений второго и третьего порядков в различных полосовых фильтрах, содержащих полупроводниковые диоды (Ulrich Graf. Intermodulation an passiven Schaltungsteilen. - CQ DL, 1996, № 3, s. 200-205). Он подавал на вход фильтра (входное сопротивление 50 Ом) два сигнала с уровнем +3 дБ (10 мВ на сопротивлении 50 Ом) и анализировал спектр выходного сигнала. Значения частоты входных сигналов Граф выбирал так, чтобы продукты интермодуляции попадали в полосу пропускания фильтра.
В одном из экспериментов в двукон-турном входном полосовом фильтре постоянные конденсаторы, входящие в колебательные контуры, были заменены варикапами. Интермодуляционные составляющие второго порядка на выходе фильтра при этом возросли по уровню на 10 дБ, а третьего - почти на 50 дБ!
Иными словами, варикапы во входных цепях приемников способны ухудшить их реальную избирательность, хотя, скорее всего, они так "сработают" лишь в аппаратуре относительно высокого класса (связная техника). Впрочем, и в приемнике среднего класса интермодуляция на входном варикапе может стать существенной, если приемник эксплуатируют вблизи передающих устройств.
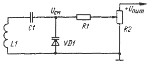
Есть, однако, узлы, в которых к варикапу принципиально должно быть подведено относительно большое переменное напряжение - речь идет о генераторах. На рис. 3 показана широко распространенная схема включения варикапа в колебательный контур генератора, а на рис. 4 - вольт-фарадная (С) и вольт-амперная (I) характеристики варикапа и мгновенное напряжение на варикапе (Uг) при двух значениях управляющего напряжения (Uynp). Обращаем внимание, что для наглядности на графике масштаб по оси "U" вправо от нуля и по оси "I; С" вниз от нуля укрупнен. Пока управляющее напряжение велико (Uупр1) по сравнению с амплитудой переменного напряжения (Uг), варикап работает в нормальном режиме. Но при уменьшении управляющего напряжения (Uynp2) могут наступать моменты, когда на пиках отрицательной полуволны напряжения рабочая точка варикапа будет заходить на прямую ветвь вольт-амперной характеристики и он начнет выпрямлять приложенное к нему переменное напряжение.

Рис. 3. Схема включения варикапа в колебательный контур генератора

Рис. 4. Вольт-фарадная и вольт-амперная характеристики варикапа и мгновенное напряжение на варикапе при двух значениях управляющего напряжения
Как же определить границу зоны нормальной работы варикапа в генераторе? Можно, например, измерять переменное напряжение на варикапе и сравнивать его с управляющим. Для этого необходим ВЧ вольтметр с высоким входным сопротивлением и малой входной емкостью (чтобы его подключение не изменяло режима работы генератора).
Минимально допустимое управляющее напряжение на варикапе можно определить, не нарушая режима работы генератора, и с помощью частотомера. Его подключают к выходу генератора и снимают зависимость крутизны управления генератором от управляющего напряжения.
Крутизна управления - это отношение изменения частоты генератора к вызвавшему его заданному изменению управляющего напряжения - dF/dU. При полном включении варикапа в контур крутизна может, например, быть описана степенной функцией (по крайней мере, для Д902), показатель которой зависит от вида вольт-фарадной характеристики варикапа. Вспомним (см. выше), что такая функция, если ее построить в "двойном" логарифмическом масштабе, представляет собой прямую линию. Если варикап начнет выходить из нормального режима работы, характер зависимости крутизны от управляющего напряжения изменится. Это справедливо и в более общем случае, когда варикап включен в контур не полностью или его вольт-фарадная характеристика - не степенная функция.
Поскольку вольт-фарадная характеристика нелинейна, измерения следует вести в определенной последовательности. Установив некоторое управляющее напряжение Uупр, определяют частоту генератора Fг. Затем сначала уменьшают это напряжение до Uупр-dUупр, а потом увеличивают до Uynp+dUупр и считывают по табло частотомера соответствующие значения частоты Fг1 и Fг2.
Крутизну управления при управляющем напряжении Uупр рассчитывают по формуле dF/dU=(Fг2-Fг1)/2dUупр. Абсолютное значение изменения напряжения dUупр должно быть минимальным, но таким, при котором можно надежно фиксировать изменение частоты генератора. Затем устанавливают другое значение управляющего напряжения иупри повторяют измерения. Такая методика уменьшает влияние нелинейности вольт-фарадной характеристики варикапа на точность измерения крутизны управления.
Результаты измерений крутизны управления частотой генератора с полным включением варикапа в контур (см. рис. 3) представлены на рис. 5. Видно, что при управляющем напряжении на варикапе ниже 3,5 В он выходит из нормального режима. Иначе говоря, для указанного генератора это напряжение и будет критическим.
При дальнейшем уменьшении управляющего напряжения наклон кривой может вообще изменить свой знак! Происходит это из-за уже упоминавшегося выпрямления высокочастотного напряжения, приложенного к варикапу. Выпрямленное напряжение вычитается из управляющего и начинает преобладать над ним.

Рис. 5. Измерения крутизны управления частотой генератора с полным включением варикапа в контур
Если описанная ситуация произойдет, например, с гетеродином вашего приемника, будет чему удивляться. Представьте себе - при вращении в одну и ту же сторону ручки переменного резистора "Настройка" частота приема сначала изменяется в одном направлении, затем практически перестает изменяться, а потом может пойти обратно.
Автор: Б. СТЕПАНОВ, г. Москва
