Современная радиоэлектронная аппаратура должна нормально функционировать при штатных изменениях сетевого напряжения, а также выходных напряжений источников питания. В связи с этим были разработаны специализированные микросхемы устройств, чувствительных к уровню напряжения и изменяющих свое состояние в зависимости от величины этого напряжения.
Если выходные сигналы такого устройства используются для сигнализации о величине контролируемых напряжений, то можно говорить о выполнении им функции монитора, если при этом сигналы с выхода микросхемы каким-то образом воздействуют на аппаратуру, то она выполняет функции супервизора.
Этим объясняется принятое в зарубежной литературе название такого класса устройств - voltage monitors/supervisors. Микросхемы мониторов и супервизоров выпускаются отечественными производителями и многими зарубежными компаниями: MAXIM, ANALOG DEVICES, ELECTRONIC TECHNOLOGY, MOTOROLA, TEXAS INSTRUMENTS и др.

Рис.1
Наиболее простые мониторы предназначены для применения в схемах контроля выходных напряжений и токов источников вторичного электропитания. Они также могут использоваться в схемах контроля уровней сигналов постоянного и переменного тока различных блоков радиоэлектронной аппаратуры. Примером таких устройств служит отечественная микросхема КР1114СП1, позволяющая осуществлять мониторинг до трех независимых источников напряжения или тока. Структурная схема этой микросхемы представлена на рис. 1.
Микросхема работает при изменении питающего напряжения в диапазоне от 8 до 36 В. В ней также имеется источник опорного напряжения (ИОН), который может использоваться для питания различных датчиков. Выходные каскады компараторов микросхемы выполнены по схеме с открытым коллектором и способны коммутировать ток до 10 мА. Такая нагрузочная способность позволяет подключать разнообразные нагрузки. Например, это могут быть светодиоды или звуковые пьезоизлучатели, сигнализирующие об изменении напряжения, логические элементы и др. Возможна также коммутация внешнего тиристора, замыкающего выход источника вторичного питания при перенапряжении, что переводит одну аварийную ситуацию в другую — токовую перегрузку, при которой срабатывает токовая защита самого источника.

Рис.2
При использовании этой микросхемы в качестве монитора тока может быть рекомендована следующая схема включения (рис. 2).
На входе микросхемы собран резистивный мост, в одно из плеч которого входит датчик тока RSen- При превышении током нагрузки заданного значения компаратор срабатывает и на его выходе (выв. 5) появляется сигнал перегрузки по току.

Рис.3
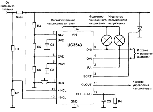
На рис. 3 представлен супервизор компании UNITRODE (UC3543), обладающий гораздо большим набором функций. Он способен с помощью световых индикаторов сигнализировать об уменьшении или увеличении напряжения, формировать необходимые сигналы для схемы управления системой питания, а также осуществлять защиту от превышения током нагрузки заданного значения.
Микросхема К1169ЕУ2 представляет собой специализированную схему управления (супервизор) двухтактным инвертором с трансформаторным выходом для импульсных источников питания и обладает большим количеством сервисных функций. Она вполне может быть использована для любых других устройств, в которых требуется комплекс защитных мер. На рис. 4 показана внутренняя структура этой микросхемы. Она контролирует уровни напряжений и выдает информацию о значительных изменениях сетевого напряжения, а также о понижении выходного напряжения источника питания (например, с помощью светодиода, подключенного к выходу 4). В ней имеются входы для организации защиты от превышения выходного напряжения источника питания и тепловой защиты. При срабатывании любого из устройств защиты микросхема вырабатывает сигнал отключения широтно-импульсного модулятора (ШИМ). С помощью выв. 3 можно дистанционно управлять включением/выключением источника питания. Микросхема питается напряжениями +9 и -5 В, выходные сигналы у нее имеют ТТЛ-уровни.Известно, что микропроцессорные системы радиоэлектронной аппаратуры не всегда могут диагностировать свои собственные сбои и не гарантируют отсутствие отказов, связанных со сбоями по цепям питания, поэтому применение супервизоров в таких системах просто необходимо.

Рис.4
Микропроцессорные супервизоры предназначены, в первую очередь, для выполнения основной функции, а именно начального сброса и последующей инициализации микропроцессора при начальной подаче питающего его напряжения или уменьшении напряжения питания ниже определенной величины в результате случайных провалов сетевого напряжения или других аварийных ситуаций. При этом длительность сигнала начального сброса на выходе RESET супервизора и его полярность должны соответствовать паспортным параметрам используемого микропроцессора. Кроме того, они могут формировать другие необходимые сигналы прерывания при различных нештатных ситуациях. 8 зависимости от количества выполняемых функций микросхемы супервизоров выпускаются в самых разнообразных корпусах.
Наиболее универсальные микропроцессорные супервизоры способны обеспечить следующие функции:
- формирование сигнала RESET при включении питания микропроцессора;
- формирование сигнала RESET при понижении напряжения питания в случае аварийных ситуаций;
- формирование прямого и инверсного сигнала RESET для организации работы с любым микропроцессором;
- программирование порогового напряжения для генерирования сигнала RESET;
- программирование длительности сигнала RESET;
- формирование сигнала RESET от дополнительной кнопки Master-Reset (MR);
- организация режима сторожевого таймера Watch Dog Tinner (WDT) и программирование периода срабатывания WDT;
- организация подключения резервного питания (аккумулятора), контроль зараженности аккумулятора и возможность его подзаряда;
- организация запрета выборки ОЗУ при уменьшении напряжения питания ниже пороговой величины;
- формирование сигнала раннего предупреждения о возможной аварии питания;
- организация встроенной системы звуковой и световой индикации снижения напряжения питания.
Рассмотрим некоторые функции, выполняемые микропроцессорными супервизорами. Типовая схема включения супервизора с микропроцессором представлена на рис. 5, а временные диаграммы, поясняющие принцип работы супервизора с активным низким уровнем сигнала RESET, представлены на рис. 6.

Рис.5

Рис.6
Известно, что при подаче питания на микропроцессор его внутренние регистры находятся в произвольном состоянии, т.е. содержат случайные данные. Использование сигнала начального сброса при включении питания позволяет установить к моменту старта все внутренние схемы микропроцессора в определенное состояние. При этом супервизор должен удерживать сигнал RESET в состоянии низкого логического уровня, пока напряжение питания находится ниже минимального уровня, разрешенного для работы микропроцессора. Величина этого напряжения может быть фиксированной или программироваться.
При включении источника питания напряжение питания микропроцессора VСС начинает плавно увеличиваться. При этом на выходе супервизора присутствует низкий уровень сигнала, запрещающий работу микропроцессора. После достижения напряжением питания уровня, равного пороговому напряжению VПОР, включается схема задержки, продолжающая удерживать на выходе супервизора низкий уровень сигнала RESET. Когда напряжение VСС становится больше, чем VПОР и остается таковым в течение времени большего, чем интервал задержки т.tзад (фиксированный или программируемый), на выходе супервизора уровень сигнала RESET изменится и станет высоким, позволяя микропроцессору инициализировать подпрограмму включения и начать работу.
При провалах напряжения питания VСС до уровня VПОР и ниже на выходе супервизора также появляется низкий уровень сигнала RESET, который запрещает работу микропроцессора. После восстановления напряжения питания (VСС>VПОР) спустя время tзад на выходе супервизора снова появляется высокий уровень сигнала RESET, позволяя тем самым микропроцессору продолжить работу в нормальном режиме.
При выключении питания напряжение VСС плавно уменьшается благодаря наличию конденсаторов фильтра в источнике питания. При VСС
Для обеспечения нормального запуска микропроцессоров необходимо удерживать вход RESET в состоянии низкого логического уровня в течение 20...200 мс после превышения VСС уровня VПОР в зависимости от типа конкретного микропроцессора.
Другой особенностью микропроцессорных супервизоров является возможность организации режима сторожевого таймера Watch Dog Timer (WDT). Сторожевым (охранным) таймером называется специализированная схема защиты микропроцессора от программных зависаний. Идея защиты достаточно проста. Микроконтроллер периодически подает импульс перезапуска таймера на вход схемы защиты (WDI), которая представляет собой одновибратор. Если период поступления импульсов с микропроцессора не превышает определенной величины задержки срабатывания одновибратора, то сигнал RESET супервизором не вырабатывается, так как происходит постоянный перезапуск таймера. При сбоях микропроцессора (отсутствие изменений на входе WDI) период импульсов перезапуска оказывается больше задержки таймера и последний формирует сигнал RESET.
Микросхемы ОЗУ получают питание от того же самого источника +5 В, что и микропроцессор, и во время провала напряжения в энергонезависимую память могут быть записаны неверные данные и потеряны программы, которые не могут быть восстановлены последующим начальным сбросом. Для предотвращения такой ситуации система защиты должна перехватить и подавить сигнал разрешения выборки памяти (СЕ) во время выбросов и провалов напряжения сети. В супервизорах компании MAXIM (рис. 7) это осуществляется следующим образом.
Когда на входе Vcc присутствует напряжение +5 В, сигнал с входа СЕ IN супервизора проходит на выход СЕ OUT без изменения, с некоторой задержкой, примерно равной 50 нс. Если напряжение питания уменьшается ниже заданного уровня, внутренняя логика супервизора переключает выход СЕ OUT на высокий уровень независимо от состояния входа СЕ IN, запрещая тем самым выборку памяти. Переключение СЕ OUT на высокий уровень происходит также, когда напряжение VСС становится меньше VБАТ.
| Рис. 7 |
В момент выключения основного питания микропроцессора ОЗУ должно подключаться к резервной батарее 3 В и сохранять свое содержимое, потребляя от этого источника ток порядка нескольких микроампер. Схема, которая переключает ОЗУ с главного питания на резервное, должна постоянно находиться в активном режиме, чтобы вовремя выполнить обратное переключение. Кроме того, эта схема должна сама надежно работать при низком напряжении питания, т.е. при сильно разряженной батарее. Именно такие функции заложены в супервизор.
Пример использования супервизора МАХ69х как переключателя резервного питания приведен на рис. 8. В режиме переключения на резервное питание супервизор сравнивает напряжение на входах VСС и Vбат и соединяет выход супервизора с тем входом, на котором напряжение выше. Для исключения частых переключений внутренний компаратор супервизора имеет гистерезис в 20 мВ.
| Рис. 8 |
Некоторые супервизоры способны генерировать сигнал раннего предупреждения о возможной аварии питания, который дает микропроцессору время, достаточное для подготовки состояния аварии (например, сохранить содержимое какого-нибудь регистра в энергонезависимой памяти, питаемой от резервной батареи) прежде, чем произойдет формирование сигнала начального сброса RESET.
Как известно, в стабилизированных источниках питания с выходным напряжением 5 В напряжение на конденсаторах входного фильтра достигает 8...10 В. При пропадании сетевого напряжения конденсаторы начинают разряжаться. Стабилизированный источник продолжает нормально работать до того момента, пока уровень напряжения на конденсаторах не понизится до 6,5 В (это время составляет примерно 50...100 мс). При более низких уровнях в источнике возможны сбои, приводящие к аварийному режиму. Поэтому желательно получать сигнал раннего предупреждения об уменьшении сетевого напряжения.
Это можно сделать с помощью супервизора, контролируя напряжение на конденсаторе входного фильтра источника питания. При напряжении на конденсаторе фильтра примерно 7,5 В внутренний компаратор супервизора срабатывает и формирует необходимый сигнал предупреждения на выходе PFO. Схема раннего предупреждения может также контролировать резервную батарею и предупреждать о ее разряде.
В таблице приведены параметры супервизоров некоторых компаний-производителей.
| Тип | VCC, В | RESET | WDT | CE | MR | Тип корпуса | |
| Длительность импульса сброса, мс | Уровень низкий/высокий | ||||||
| MAX69x* | 4,4...4,65 | 50..200 | H/B | + | + | - | DIP-8. DIP-16 и др. |
| MAX814 | 3,3...5 | программируемая | Н/В | - | - | + | DIP-8 |
| МАХ825 | 5 | программируемая | Н/В | + | - | + | SOT23-5 |
| ТС1270 | 1,2...5,5 | 280 | H/- | - | - | + | SOT143-4 |
| ТС1271 | 1,2...5,5 | 280 | -/В | - | - | + | SOT143-4 |
| ТСМ811 | 1,2...5,5 | 280 | Н/- | - | - | + | SOT123A-3 |
| ТС51 | 0,7...10 | 50 | Н/- | - | - | ТО92-3 | |
| ТС32М | 4,5...5,5 | 500 | Н/- | + | + | - | ТО92 DIP-8-3 |
| ТС1232 | 4,5...5,5 | 610 | Н/В | + | - | - | DIP-8 |
| TL77x* | 3,6...18 | программируемая | Н/В | - | - | - | DIP-8,SOP-8 и др. |
| МСР810 | 1...5,5 | 350 | -/В | - | - | - | SOT143-4 |
| ADM1232 | 5 | программируемая | Н/В | + | - | + | DIP-8 |
| МСP1ОХх* | 2,7...4,85 | 350 | Н/В | - | - | - | ТО-92 |
*-симейство микросхем с разными напряжениями питания (VСС).
