Общие сведения
Микросхемы серии STA50x представляют собой оконечные усилители мощности звуковой частоты (УМЗЧ), выполненные по технологии MultiPower BCD. Применение в данной линейке микросхем фирменной технологии цифрового усиления DDX™ позволяет добиться достаточно качественного звучания при допустимом коэффициенте нелинейных искажений (КНИ) не более 10%. Сравнительные характеристики цифровых УМЗЧ серии STA50x представлены в табл. 1.
Таблица 1. Сравнительные характеристики цифровых УМЗЧ серии STA50x
Наименование | Выходная мощность, Вт | Нагрузка, Ом | Uпит, В | Коэффициент нелинейных искажений | Тип корпуса | ||
min | тип | max | |||||
SIA500 | 2 х 30 | 8 | 10 | 28 | 36 | 10% | PowerSO-20 36 |
1 х 60 | 4 | ||||||
STA501 | 1 х 50 | 8 | 10 | 30 | 36 | ||
STA502 | 1 х 60 | 8 | 9 | 30 | 36 | ||
STA505 | 2 х 50 | 8 | 10 | 30 | 36 | ||
1 х 80 | |||||||
STA506 | 2 х 60 | 8 | 9 | 30 | 36 | ||
1 х 80 | |||||||
1 х 120 | 4 | ||||||
STA506A | 2 х 60 | 8 | 9 | 30 | 36 | ||
1 х 80 | |||||||
1 х 120 | 4 | ||||||
STA508 | 2 х 80 | 8 | 9 | 30 | 36 | ||
1 х 160 | 4 | ||||||
STA508A | 2 х 80 | 8 | 9 | 30 | 36 | ||
1 х 160 | 4 | ||||||
Основные особенности усилителей мощности
- Использование технологии MultiPower BCD;
- минимальные искажения фронта выходного импульса;
- корпус PowerSO-20 36;
- КМОП-совместимая логика управления;
- защита от пониженного и повышенного напряжений;
- диагностика и защита от перегрева;
- защита от короткого замыкания.
Цоколевка выводов микросхем STA50x и их внешний вид в корпусе PowerSO-20 36 показаны на рис. 1.

Рис. 1. Цоколевка выводов и внешний вид микросхем STA50K в корпусе PowerSO-20 36
В табл. 2 приводится описание назначения выводов УМЗЧ серии STA50х.
Таблица 2. Назначение выводов УМЗЧ серии STA50х
№ вывода | Обозначение | Описание |
1 | GND-SUB | "Земля" |
2, 3 | OUT2B/OUTB1 | Выход нижнего плеча первого моста/Выход |
4 | Vcc2B/Vcc1 | + Uпит. |
5 | GND2B/GND1 | - Uпит. |
6 | GND2A/GND1 | - Uпит. |
7 | Vcc2A/Vcc1 | + Uпит. |
8, 9 | OUT2A/OUTA1 | Выход верхнего плеча первого моста/Выход |
10, 11 | OUT1B/NC1 | Выход нижнего плеча первого моста |
12 | VcdB/Vcc1 | + Uпит. |
13 | GND1B/GND1 | - Uпит. |
14 | GND1A/GND1 | - Uпит. |
15 | VcdA/Vcc1 | + Uпит. |
16; 17 | OUT1A/NC1 | Выход верхнего плеча первого моста |
18 | NC | Не подключен |
19 | GND-clean | Логическая "земля" |
20 | GND-Reg | "Земля" для стабилизатора Vdd |
21; 22 | Vdd | 5В-стабилизатор (по отношению к "земле") |
23 | IBIAS2/VL | Напряжение смещения (высокий уровень) для логики управления |
24 | CONFIG/GND1 | Установка текущей конфигурации/"Земля" |
25 | PWRDN | Контроль режима работы без нагрузки |
26 | TRI-STATE | Hi-Z (контрольный вход) |
27 | FAULT | Контроль ошибок работы |
28 | TH-WAR | Контроль текущей температуры |
29 | IN1A/GND1 | Вход верхнего плеча первого моста/"Земля" |
30 | IN1B/GND1 | Вход нижнего плеча первого моста/"Земля" |
31 | IN2A/INA1 | Вход верхнего плеча второго моста/Вход |
32 | IN2B/INB1 | Вход нижнего плеча второго моста/Вход |
33; 34 | Vss | 5В-стабилизатор (по отношению к Vcc) |
35, 36 | Vcc Sign | + Uпит. |
1 - только для микросхем STA501/502;
2 - только для микросхем STA500/501.
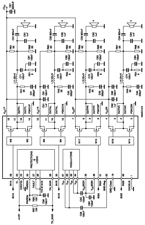
Функциональная схема
Каждый УМЗЧ включает в себя следующие функциональные блоки (см. рис. 2 и 4):
- блок контроля и защиты (Protections & Logic), обеспечивающий мониторинг текущего режима работы прибора и контроль возникающих ошибок;
- блок стабилизаторов (Regulators), осуществляющий формирование требуемых опорных напряжений;
- один (STA501/502) либо два (STA500/505/506/506а/508/508а) выходных моста (output bridge), каждый из которых состоит из двух плеч (half bridge).

Рис. 2. Типовая схема включения STA501/502. Вариант моно

Рис. 3. Типовая схема включения STA505/506/506а/508/508а.
Вариант моно

Рис. 4. Типовая схема включения STA500/505/506/506а/508/508а. Вариант стерео

Рис. 5. Типовая схема включения STA500/505/506/506а/508/508а. Вариант квадро
В микросхемах STA500/505/ 506/506а/508/508а предусмотрена возможность конфигурирования с помощью управляющего входа CONFIG, что позволяет, в зависимости от схемы включения (моно/стерео) и выходной нагрузки (4/8 Ом), получать различную выходную мощность (см. табл. 1).
Как было сказано выше, во всех микросхемах серии STA50х предусмотрен блок контроля и защиты. В табл. 3 приводятся данные, описывающие функциональныи статус микросхемы в зависимости от логического уровня на контрольных входах и выходах.
Таблица 3. Функциональный статус микросхем серии STA50х
Название контрольного входа | Логический уровень | Функциональный статус микросхемы |
FAULT1 | 0 | Обнаружена ошибка (короткое замыкание, перегрев) |
FAULT1 | 1 | Нормальное функционирование |
TRI-STATE | 0 | Все выходы в состоянии Hi-Z (высокий импеданс) |
TRI-STATE | 1 | Нормальное функционирование |
PWRDN | 0 | Низкое энергопотребление |
PWRDN | 1 | Нормальное функционирование |
THWAR1 | 0 | Температура микросхемы = 130°C |
THWAR1 | 1 | Нормальное функционирование |
CONFIG2 | 0 | Нормальное функционирование |
CONFIG2 | 1 | OUT1A=OUT1B; OUT2A=OUT2B (Если IN1A = IN1B; IN2A = IN2B) |
1 - выход с "открытым" коллектором. Установка высокого логического уровня достигается с помощью нагрузочного резистора;
2 - только для микросхем STA500/505/506/506а/508/508а. Чтобы установить CONFIG = 1, необходимо соединить выв. 24 (CONFIG) с выв. 21, 22 (Vdd).
В табл. 4-6 приводятся основные электрические и температурные характеристики микросхем серии STA50x.
Таблица 4. Предельные электрические характеристики микросхем серии STA50x
Обозначение | Параметр | Значение | Единица измерения |
VCE | Напряжение питания (выв. 4, 7, 12, 15) | 40 | В |
Vmax | Максимальное напряжение (выв. 23-32) | 5,5 | В |
Tсp | Диапазон рабочих температур | 0…70 | °C |
Tstg, Tj | Диапазон температур хранения, диапазон температур перехода | -40...150 | °C |
Таблица 5. Температурные характеристики микросхем серии STA50x
Обозначение | Параметр | Min. | Тип. | Max. | Единица измерения |
Tj-case | Тепловое сопротивление подложки | - | - | 2,5 | ºC/Вт |
TjSD | Температура пробоя переходя | - | 150 | - | °C |
Twarn | Температура срабатывания защиты | - | 130 | - | °C |
Таблица 6. Типовые электрические характеристики микросхем серии STA50x
Обозначение | Параметр | Min. | Тип. | Max. | Единица измерения |
td ON | Задержка при включении | - | - | 100 | нс |
td OFF | Задержка при выключении | - | - | 100 | нс |
tr | Время нарастания импульса | - | - | 25 | нс |
tf | Время спада импульса | - | - | 25 | нс |
VCC | Напряжение источника питания | см. табл. 1 | В | ||
VIN-H1 | Верхний уровень входного напряжения | - | - | VL/2 +300мВ | В |
VIN-L1 | Нижний уровень входного напряжения | VL/2-300мВ | - | - | В |
IIN-H | Верхний уровень входного тока | - | 1 | - | мкА |
IIN-L | Нижний уровень входного тока | - | 1 | - | мкА |
VL | "Низкий" логический уровень | 0,8 | - | - | В |
VH | "Высокий" логический уровень | - | - | 1,7 | В |
IVCC-PWRDN | Ток источника питания в режиме покоя | - | - | 3 | мА |
IFAULT | Выходной ток при возникновении ошибки | - | 1 | - | мА |
IVCC2 | Ток источника питания в рабочем режиме | - | 50 | - | мА |
IVCC-q3 | Ток короткого замыкания | 3,54 | 6 | 8 | А |
45 | 6 | 8 | |||
4,56 | 6 | 9 | |||
VUV | Порог срабатывания защиты от повышенного напряжения | - | 7 | - | В |
1 - для STA500/501 вместо VL используется значение Ibias;
2 - для STA500 IVCC = 80 мА;
3 - для STA500/501/502 используется обозначение IOUT-sh;
4 - для STA500/501/505;
5 - для STA502/506/506а;
6 - для STA508/508а.
Типовые схемы включения УМЗЧ серии STA50x в различных выходных конфигурациях приведены на рис. 2-5.
Литература и интернет-ресурсы
1. STMicroelectronics. Data Sheet STA500/501/502/505/506/506а/ 508/508а.
2. www.st.com
Автор: Евгений Кузнецов (г. Рязань)
Источник: Ремонт и сервис
