Выпускаемые отечественной промышленностью микросхемы КР1095ПП1А-КР1095ПП1Г относятся к классу БИС. Приборы обеспечивают преобразование электрической мощности переменного тока промышленной частоты в частоту следования импульсов с нормированными значениями коэффициента преобразования, допустимой погрешности преобразования, амплитуды и формы выходных импульсов. Микросхемы изготавливают по технологии КМДП-транзисторов с поликремниевым затвором. Каждый прибор содержит около 1500 элементов.
Предприятие-изготовитель микросхем серии КР1095ПП1 рекомендует использовать их в счетчиках активной и реактивной электрической энергии промышленной частоты классов точности от 0,1 до 1. Применение этих микросхем позволяет свести к минимуму число дорогих прецизионных компонентов электронного счетчика и повысить его технологичность благодаря упрощению регулировки. При этом в качестве образцовых компонентов использованы только кварцевый резонатор и стабилитрон.

Рис. 1
Преобразователи выпускают в пластмассовом корпусе 2107.18-4 (DIP-18) с увеличенным расстоянием между рядами выводов (рис. 1). Выводы - штампованные плоские луженые. Масса прибора - не более 2 г.
Цоколевка микросхемы представлена в таблице.
| Номер вывода | Обозначение | Функциональное назначение вывода |
| 1 | IB | Вход управления потребляемым током |
| 2 | I1 | Вход 1 датчика тока |
| 3 | I2 | Вход 2 датчика тока |
| 4 | Общ. | Общий |
| 5 | +U0 | Плюсовой вход образцового напряжения |
| 6 | -Uo | Минусовой вход образцового напряжения |
| 7 | +U | Плюсовой вывод напряжения питания |
| 8 | FOC | Контрольный частотный выход |
| 9 | FOP | Частотный выход положительной мощности |
| 10 | FON | Частотный выход отрицательной мощности |
| 11 | FT | Выход сигнала тактовой частоты |
| 12 | X | Вывод для подключения кварцевого резонатора |
| 13 | X | Вывод для подключения кварцевого резонатора |
| 14 | Fo | Выход сигнала образцовой частоты |
| 15 | -U | Минусовой вывод напряжения питания |
| 16 | u1 | Вход 1 датчика напряжения |
| 17 | u2 | Вход 2 датчика напряжения |
| 18 | - | Свободный |
Основные технические характеристики приТокр.ср=25°С
Частота переменного тока измеряемой мощности, Гц ..................50+2,5; 60+3
Входное напряжение на измерительных входах, при котором гарантируется линейность преобразования, мВ............1...4000
Частота выходных импульсов, Гц ..................2...8000
Точность перемножения (отношение сигнал/шум),
дБ, не хуже ...................96
Напряжение смещения нуля, мВ, не более, для КР1095ПП1А, КР1095ПП1Б ...20 КР1095ПП1В, КР1095ПП1Г ...60
Напряжение питания, В . .2х(5,7...6,3) Потребляемый ток, мА, не более, для
КР1095ПП1А, КР1095ПП1В ....7 КР1095ПП1Б, КР1095ПП1Г ..10
Предельные значения параметров
Наибольшее напряжение на измерительных входах (постоянное напряжение или амплитудное значение переменного), В ..........6,3
Наибольший ток частотного выхода (выводы 8-11), мА, при напряжении высокого и низкого уровней........5
Наибольшая рассеиваемая
мощность, мВт...............150
Рабочий интервал температуры окружающей среды, °С .....................-60...+60
Допустимое значение статического потенциала, В .200
Как известно, электрическая мощность - это физическая величина, характеризующая скорость изменения электрической энергии. В цепях переменного тока различают мощность мгновенную, активную, реактивную и полную. Мгновенная мощность равна произведению мгновенных значений напряжения и тока. Активная мощность - это среднее за период значение мгновенной мощности переменного тока. Она затрачивается на совершение какой-либо полезной работы (механической, тепловой, химической и пр.), при этом электрическая энергия преобразуется в другой вид энергии. Реактивная мощность не совершает работы и характеризует скорость накопления энергии в конденсаторах и катушках. Полная мощность равна алгебраической сумме активной и реактивной мощностей.
Микросхема серии КР1095ПП1 измеряет только активную мощность. Для этого в микросхеме реализован принцип импульсного перемножения двух сигналов, пропорциональных мгновенным значениям напряжения и тока, с помощью широтно-импульсной и амплитудно-импульсной модуляции, Полученные значения, пропорциональные мгновенной мощности, микросхема суммирует в течение определенного интервала времени (равного одному периоду колебаний переменного тока), после чего делением на число слагаемых находит среднее значение мгновенной мощности. Это значение пропорционально активной мощности. Далее микросхема полученный сигнал преобразует в последовательность импульсов, частота которых оказывается пропорциональной произведению значений напряжения на входах датчиков тока и напряжения, т. е. активной мощности потребителя.

Рис. 2
Структурная схема преобразователя мощность-частота представлена на рис. 2. Перемножающие преобразователи выполняют перемножение сигналов образцового напряжения (на выводах 5, 6) и сигналов, пропорциональных измеряемым току через нагрузку (на выводах 2, 3) и напряжению на ней (выводы 16,17). Изменение образцового напряжения позволяет масштабировать коэффициент преобразования мощности в частоту. Образцовое напряжение поступает одновременно на оба преобразователя - напряжения и тока.
К внутренним входам преобразователей подведены импульсы тактовой частоты, вырабатываемые формирователем тактовой последовательности. Таким образом, в результате обработки аналоговых сигналов датчиков перемножающие преобразователи формируют последовательности импульсов. Для обеспечения стабильности тактовой частоты использован кварцевый резонатор, подключаемый к выводам 12 и 13 микросхемы.
Оба перемножителя представляют собой преобразователи напряжение- частота, причем к верхнему по схеме на рис. 2 поступает сигнал, пропорциональный напряжению контролируемой цепи, а к нижнему - входной сигнал, снятый с датчика тока в этой цепи, т. е. падение напряжения на измерительном резисторе. В преобразователе цепи датчика напряжения использован метод широтно-импульсной модуляции сигнала импульсами тактовой частоты. Модулируемый сигнал - произведение сигнала с датчика напряжения и образцового напряжения. В преобразователе цепи датчика тока реализована амплитудно-импульсная модуляция сигнала импульсами тактовой частоты. Здесь модулируемый сигнал - произведение напряжения с датчика тока и образцового напряжения. Оба преобразователя работают по принципу дельта-сигма модулирования с использованием коммутируемых конденсаторов. Поскольку на один из внутренних входов преобразователя цепи датчика тока поступает импульсная последовательность с выхода преобразователя цепи датчика напряжения, сигнал на выходе токового преобразователя содержит информацию об измеряемой мощности.
Девятиразрядный двоичный реверсивный счетчик усредняет число импульсов положительной и отрицательной мощности, поступающих с выхода токового преобразователя.
Узел цифровой обработки сигнала содержит пятиразрядный двоичный счетчик, который служит для деления частоты реверсивного счетчика. Кроме того, в этом узле есть шестнадцатиразрядный двоичный счетчик (он уменьшает частоту импульсов, подаваемых на частотные выходы), а также логические устройства и электронные переключатели, обеспечивающие подачу импульсов на частотные выходы положительной (вывод 9) и отрицательной (вывод 10) мощности.
Формирователь тока смещения позволяет при необходимости регулировать ток, потребляемый преобразователями микросхемы. Этого достигают включением внешнего резистора между выводом 1 и плюсовым или минусовым выводами питания (выводы 7 и 15 соответственно). В первом случае потребляемый ток увеличивается, во втором - уменьшается. Сопротивление этого резистора может находиться в пределах от 51 до 510 кОм. Чем меньше сопротивление резистора, тем сильнее изменение потребляемого тока. Он изменяется как по плечу +6 В, так и -6 В.
В зависимости от знака мощности выходная последовательность импульсов формируется либо на выходе FOP (положительная мощность), либо FON (отрицательная).

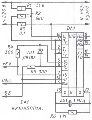
Рис. 3
Типовая схема включения преобразователя мощность-частота серии КР1095ПП1 в качестве измерителя мощности переменного тока представлена на рис. 3. Резисторы R1 и R2 образуют делитель сетевого напряжения. С выхода делителя сигнал, пропорциональный напряжению сети, поступает на измерительный вход U1-U2 микросхемы. Падение напряжения на резисторе R3, являющемся датчиком тока, пропорциональное току нагрузки, приложено к измерительному входу I,-l2. На входы +U0 и -Uo подано образцовое напряжение (около 9 В) с параметрического стабилизатора напряжения, выполненного на резисторах R4, R5 и стабилитроне VD1.
При подаче напряжения питания и подключении нагрузки на выходах преобразователя мощность-частота появляются следующие сигналы: на выходе FT - импульсы тактовой частоты 1 МГц (частота основной гармоники кварцевого резонатора ZQ1); на FO - импульсы с частотой, в 218 (262144) раз меньше тактовой, т. е. около 3,81 Гц; на FOP - импульсы с частотой, которая пропорциональна мощности, потребляемой нагрузкой; на FON - постоянное напряжение -6 В; на FOC - импульсы с частотой, в 16 раз большей частоты импульсов на выходе FOR
Коэффициент Kui*F преобразования произведения сигналов напряжения и тока в частоту зависит от частоты тактового генератора и образцового напряжения, снимаемого со стабилитрона VD1. Значение коэффициента Ku,.F прямо пропорционально частоте тактового генератора и обратно пропорционально квадрату образцового напряжения, т. е. с уменьшением образцового напряжения оно увеличивается. Для указанных на рис. 3 частоты кварцевого резонатора и типа стабилитрона Kui.F равен примерно 800 Гц/В2. При этом импульсы снимают с выхода FOR
Коэффициент преобразования потребляемой нагрузкой мощности в частоту - КР, который обеспечивает узел по схеме на рис. 3, зависит как от значения коэффициента Кuif микросхемы, так и от параметров датчиков тока и напряжения. Зная сопротивление элементов датчика напряжения R1R2 и датчика тока R3, несложно вычислить коэффициент преобразования мощности КР в частоту Fвых:
![]()
где Рн, Uн и Iн - соответственно мощность нагрузки, напряжение на ней и ток через нее.
При определении коэффициента преобразования в формулы следует подставлять действующие значения напряжения и тока. Для указанных на схеме рис. 3 параметров элементов (тактовая частота - 1 МГц, образцовое напряжение - 9 В) коэффициент преобразования КР равен примерно 1 Гц/Вт. По выходу FOC коэффициент преобразования в 16 раз больше, чем по выходам FOP и FON.
Термины "положительная" мощность и "отрицательная" - условны. Они отражают то обстоятельство, что микросхема по-разному реагирует на направление потока электрической энергии: от питающей сети слева к нагрузке справа (см. рис. 3) или, наоборот, от сети справа к нагрузке слева. Как было указано выше, для случая питания нагрузки по схеме, показанной на рис. 3, импульсы снимаются с выхода положительной мощности FOR Если выводы подключения нагрузки и питающей сети поменять местами, то импульсы, пропорциональные мощности, появятся на выходе отрицательной мощности FON (на выходе FOP при этом установится напряжение -6 В).
Такой же результат будет, если поменять местами подключение выводов Ui и U2 (либо l1 и l2) микросхемы. Можно также сказать, что "знак" мощности определяется знаком падения напряжения на датчике тока - резисторе R3. Оно определено, в свою очередь, направлением протекания тока через этот резистор. Говоря более строго, речь идет о фазе тока относительно фазы напряжения: если разность фаз равна нулю, микросхема измеряет положительную мощность, если же равна 180°, - отрицательную.
При построении устройств на базе описываемой микросхемы последовательность импульсов можно снимать с выходов FOP и FON. Если удобнее работать с большей частотой, то выходной сигнал снимают с выхода FOC. Сигнал на этом выходе не зависит от "знака" мощности.
Как уже было отмечено выше, стабильность коэффициента преобразования мощности в частоту зависит от стабильности образцового напряжения и частоты кварцевого генератора. Высокую температурную стабильность образцового напряжения обеспечивают применением прецизионного термо-компенсированного стабилитрона Д818Е или аналогичного (серии КС191 и др.). Для дополнительного повышения стабильности образцового напряжения его источник следует питать стабилизированным напряжением. Для повышения стабильности частоты кварцевого резонатора он может быть помещен в термостабилизированную камеру, однако в большинстве случаев в этом нет необходимости.
Убедиться в том, что микросхема учитывает только активную мощность переменного тока, можно следующим образом. В качестве нагрузки подключают конденсатор, например, К73-17 емкостью 1 мкФ на номинальное напряжение не менее 400 В. При этом импульсы на выходе FOP микросхемы должны отсутствовать, хотя сигналы на входах U и I, микросхемы не равны нулю. При использовании конденсаторов с большими потерями (например, МБГО емкостью 10 мкФ) на выходе FOP могут присутствовать импульсы невысокой частоты (порядка 20...30 Гц).
При проведении экспериментов с конденсаторами следует помнить, что в момент подключения конденсатора через него протекает значительный импульс тока, что вызывает всплеск напряжения на датчике тока до нескольких десятков вольт. Если не принять мер к защите входов микросхемы, она выйдет из строя. Напряжение на ее входах можно ограничить двумя стабилитронами КС139А или КС147А, включенными последовательно встречно, либо с помощью диодных ограничителей.
На входы U1 U2 и 1I, l2 может быть также подано постоянное напряжение не более 4 В той или иной полярности. Это позволяет применять микросхему для стабилизации напряжения или тока. Коэффициент Kui.F при этом сохраняет свое значение.
Микросхема может также работать и с пульсирующим однополярным напряжением, получающимся в результате одно-или двуполупериодного выпрямления.
Читателям будет полезно знать, что указанную микросхему выпускает единственное предприятие ОАО "Восход" - Калужский радиоламповый завод (интернет-сайт: www.voshod-krlz.ru; E-mail: krlz@kaluga.ru).
