LinkSwitch - название новой серии микросхем фирмы Power Integration для построения сетевых обратноходовых преобразователей AC/DC малой мощности. Эти преобразователи применяют в маломощных сетевых изолированных источниках питания, в проводных и беспроводных телефонах, проигрывателях CD, бытовой аппаратуре в качестве источника питания дежурного режима, зарядных устройствах и везде, где требуется небольшая мощность источника — от 2 до 5 Вт. Серия состоит из микросхем LNK500 и LNK5O1. По сути, — это один и тот же кристалл, разница только в проценте разброса выходного напряжения. У LNK500, при включении без обратной связи, разброс выходного напряжения больше, соответственно и цена ниже. У LNK5O1 - наоборот.
В состав микросхем входят (рис. 1): высоковольтный силовой ключ — транзистор POWER MOSFET, компаратор ограничения тока, узел температурной защиты, схема мягкого запуска, усилитель ошибки, генератор, ШИМ компаратор. Микросхемы изготавливаются в корпусах типа DIP-8B (вариант Р, рис. 2) и SMD-8B (вариант G), у которых отсутствует один вывод.

Рис. 1
Состав микросхемы
В состав микросхем входят (рис. 1): высоковольтный силовой ключ — транзистор POWER MOSFET, компаратор ограничения тока, узел температурной защиты, схема мягкого запуска, усилитель ошибки, генератор, ШИМ компаратор. Микросхемы изготавливаются в корпусах типа DIP-8B (вариант Р, рис. 2) и SMD-8B (вариант G), у которых отсутствует один вывод.

Рис. 2
Корпус типа DIP-8B
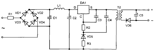
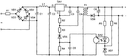
Преобразователи на основе этих микросхем получаются достаточно компактными, так как в них используется небольшое количество компонентов. Причем плата преобразователя получается гораздо меньше размером и массой, чем трансформатор соответствующей мощности на 50 Гц. Встроенные в микросхему узлы позволяют уменьшить число навесных компонентов, упрощая монтаж и увеличивая надежность системы. Рабочая частота микросхемы — 42 кГц. При такой частоте упрощается фильтрация выходных напряжений преобразователя. Обе микросхемы применяют в преобразователях не только на фиксированное входное напряжение, но и на расширенный диапазон (85...265 В). Как правило, в дешевой аппаратуре, не требующей высокой стабильности выходного напряжения, используется схема включения без обратной связи (рис. 3). Нестабильность выходного напряжения увеличивается при этом до ±10% у LNK501 и до ±20% - у LNK500. Для устройств с высокими требованиями к стабильности питающего напряжения используется схема включения с обратной связью (рис. 4).

Рис. 3
Схема включения без обратной связи

Рис. 4
Схема включения с обратной связью
Микросхемы соответствуют стандартам EcoSmart, Energy Star, Blue Angel и рекомендациям ЕС. При отсутствии нагрузки и напряжения в сети 265 В они потребляют менее 300 мВт, причем для контроля тока микросхемы не нуждаются во внешнем токовом сенсоре.
Назначение выводов:
D (сток) — соединен со стоком мощного MOSFET-транзистора, по нему подводится питание ко всей схеме управления. Вывод имеет соединение с внутренней схемой ограничения тока.
С (управление) — вход усилителя ошибки, схемы обратной связи по току (регулировка рабочего цикла) и управления схемой ограничения тока. Встроенный параллельный регулятор подключен к внутреннему источнику тока в нормальном состоянии.Вход также используется для подключения сглаживающего конденсатора и конденсатора компенсации/авторестарта.
S (исток) - является выходом мощного ключа для подключения нагрузки, выходом схемы управления первичной обмоткой.
Описание работы типовой схемы преобразователя AC/DC
Включение питания
В течение процесса подачи напряжения, конденсатор СЗ (рис. 3, 4), включенный между выводами С и S микросхемы, заряжается сквозным током от входа D через внутренний источник тока. Когда напряжение на выводе С достигает значения 5,6 В относительно вывода S, ток прекращается, внутренняя управляющая схема активируется и транзистор MOSFET начинает коммутировать первичную обмотку. В этот момент заряд на конденсаторе СЗ используется для питания управляющих цепей микросхемы.
Поддержание заданного тока
Форма выходного напряжения повторяет наклон кривой напряжения приложенного к первичной обмотке трансформатора. Ток IС (рис. 5) на выводе С нарастает. Когда значение IС сравняется с IDCT, внутренняя схема ограничивает нарастание IС по достижении порога ILIM. Внутренняя схема обеспечивает V-образную форму IС для поддержания нормального питания во время просадок напряжения.

Рис. 5
Характеристики, характеризующие режимы работы
Поддержание заданного напряжения
Когда ток IС превышает значение IDCS (рис. 5), уменьшается скважность импульсов. Так как значение IС зависит от напряжения питания, рабочий цикл ограничивается в зависимости от пикового тока, устанавливаемого внутренней цепочкой управления ключом (откуда и название LinkSwitch). В зависимости от положения рабочей точки на графиках рис. 5 микросхема работает либо в режиме поддержания напряжения, либо тока. При минимуме входного напряжения (в случае использования микросхемы в блоке питания с универсальным входом) этот переход происходит приблизительно при 30% скважности. Когда скважность будет менее 4%, уменьшается частота переключений, чтобы снизить потребляемую энергию. Номинал резистора R1 (рис. 3) вследствие этого выбирается таким, чтобы обеспечить равенство токов IC и IDCT, когда VOUT принимает желаемые значения при минимуме входного напряжения.
Режим авторестарта
При возникновении каких-либо отклонений в работе, наприме, прикоротком замыкании или обрыве нагрузки, прекращается ток на выводе С микросхемы. Конденсатор СЗ разряжается до напряжения 4,7 В. При этом активируется схема авторестарта, которая закрывает транзистор MOSFET и переводит управляющую схему в режим низкого потребления мощности. В режиме авторестарта микросхема периодически запускается, но переходит в нормальный режим только после устранения неисправности.
На регулировку выходного напряжения влияет напряжение на конденсаторе С4, которое в свою очередь зависит от ЭДС самоиндукции первичной обмотки трансформатора. Резистор R3 и конденсатор С4 образуют фильтр, на котором выделяется напряжение ошибки.
На рис. 4 показана типовая схема включения микросхем с оптроном обратной связи. В первичных целях добавлены элементы R4, С5 и транзистор оптрона DA2. Светодиод оп-трона включен во вторичной цепи вместе с элементами R5, R6, VD7. Резистор R6 задает рабочий ток VD7. Резистор R5 ограничивает сквозной ток через светодиод оптрона и VD7. Как только напряжение на вторичной обмотке трансформатора Т1 превышает порог открытия светодиода и стабилитрона, фототранзистор открывается и шунтирует резистор R4, увеличивая напряжение на конденсаторе С4. Изменение напряжения на этом конденсаторе вызывает уменьшение скважности импульсов, подаваемых на мощный ключ, и как следствие уменьшение напряжения на стороне вторичной обмотки.

Рис. 6
Выходная характеристика микросхем
Выходная характеристика микросхем показана на рис. 6.
