Семейство микросхем FairchildPowerSwitch (FPS) специально разработано для автономных SMPS (импульсных источников питания) с минимальным количеством внешних компонентов. Переключатель питания / ШИМ-контроллерKA5L0380R состоит из высокочувствительного полевого транзистора, рассчитанного на высокие напряжения, и микросхемы PWM, работающей в режиме тока.
Встроенный ШИМ-контроллер объединяет генератор с фиксированной частотой, функцию блокировки пониженного напряжения, гашение переднего фронта, оптимизированный драйвер включения / выключения затвора, защиту от теплового отключения и защиту от перенапряжения.
По сравнению с дискретными полевыми МОП-транзисторами и ШИМ-контроллерами или решениями RCC, переключатели питания KA5L0380Rпомогутсущественно сократить общее количество компонентов схемы, конструкция будет иметь меньший размер и вес. В то же время повышается эффективность, надёжность и производительность всего блока питания.
На базе микросхемы 5L0380R можно собрать ИИП с рентабельной конструкцией, реализующей схему обратного, либо прямого преобразователя.
Особенности 5L0380R
- Встроенная функция автоматического теплового отключения.
- Прецизионная фиксированная рабочая частота (50 кГц).
- Перезапуск возможен автоматически.
- Низкий пусковой ток (100 мкА).
- Ограничение импульсного тока.
- Защита от сверхтоков.
- Защита от перенапряжения (мин. 25 В).
- Пониженные напряжения автоматически блокируются.
- Внутренний датчик высокого напряжения FET.
Широко применяется для построения блоков питания бытовой техники:
- Видеомагнитофонов и плееров (SVR, STB, DVD и DVCD);
- Принтеров, факсов и сканеров;
- Видеокамер.
Максимальное напряжение – 800 В.
Несущая частота – 50 кГц.
Сопротивление DS – 4,6 Ом.
Внешний вид
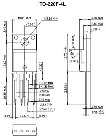
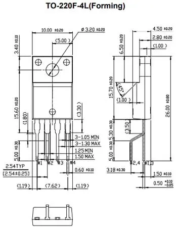
Микросхема 5L0380R выпускается только в корпусах:
TO-220F-4L (с прямыми ножками)

Рис. 1. TO-220F-4L (с прямыми ножками)
TO-220F-4L(Forming) – с изогнутыми контактами

Рис. 2. TO-220F-4L(Forming)
Назначение контактов
Понять логику работы и назначение контактов поможет блок-диаграмма микросхемы KA5L0380R (универсальная для всех микросхем в серии).

Рис. 3. KA5L0380R
Номер контакта | Обозначение на схеме | Назначение |
1 | GND | Общий ("Земля") |
2 | DRAIN | Сток МОП-транзистора |
3 | Vcc | Питание |
4 | FB | Обратная связь |
Схема включения микросхемы 5L0380R
Типовой схемы производитель не приводит.
Можно подсмотреть обвязку микросхемы на примерах готовых блоков питания.
Например, DVD-проигрыватель MalataDVP-818.

Рис. 4. DVD-проигрыватель MalataDVP-818.
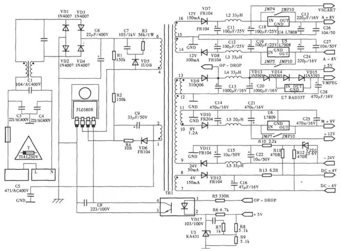
Ещё один DVD-плеер Tokai DVX-655K (схема ИИП).

Рис. 5. DVD-плеер Tokai DVX-655K
Блоки питания для ресиверов Триколор GS 8300, GS 8300M, GS 8300N (FP09T001).

Рис. 6. Блоки питания для ресиверов Триколор
DVD0380BH

Рис. 7. DVD0380BH
