Работа современных радиоэлектронных устройств невозможна без использования в них развязывающих элементов. Такими элементами являются оптопары. В статье приводятся типы и основные параметры аналоговых оптопар, выпускаемых фирмой Kingbright .
Фирма Kingbright выпускает одно, двух, трех и четырехканальные оптопары, имеющие различные оптико-электрические характеристики. Входным элементом оптопары является светодиод или встречно-параллельное включение светодиодов. Выходным элементом оптопары является фототранзистор или фототранзисторы включенные по схеме Дарлингтона. Отличительной особенностью двух, трех и четырехканальных оптопар является то, что их основу составляет одноканальные оптопары.
Они находят широкое применение в устройствах различного назначения. Это, прежде всего в телекоммуникационных устройствах (модемы xDSL , устройствах сети ISDN , АТС, телефонные и факсимильные аппараты). Компьютерной периферии (мониторы, модемы, принтеры, копировальные аппараты), карманные и переносные компьютеры. В источниках питания (источники бесперебойного питания, импульсные стабилизаторы напряжения). Бытовой технике (телевизоры, видеомагнитофоны, музыкальные центры, холодильники, измерительные приборы).
Основные параметры оптопар, со встречно-параллельным включением светодиодов на входе и фототранзистором на выходе, приведены в таблице 1.
Таблица 1.
Тип | Прямой ток I пр., мА | Напряж. изоляции U изо, В | Допуст. напряж. на коллект. U к max , В | Коэффиц. передачи тока, % | Время, мкс | Темновой ток коллектора, А | Особенности | ||
мин | макс | t нар. | t спад. | ||||||
КВ814 | 50 | 5000 | 35 | 20 | 300 | 4 | 3 | 10-7 | U вх переменное |
КВ824 | |||||||||
КВ834 | |||||||||
КВ844 | |||||||||
Основу двух ( KB 824), трех ( KB 834) и четырехканальных ( KB 844) оптопар составляет оптопара KB 814.
Основные параметры оптопар, со встречно-параллельным включением светодиодов на входе и фототранзисторов включенных по схеме Дарлингтона на выходе, приведены в таблице 2.
Таблица 2.
Тип | Прямой ток I пр., мА | Напряж. изоляции U изо, В | Допуст. напряж. на коллект. U к max , В | Коэффиц. передачи тока, % | Время,мкс | Темновой ток коллектора, А | Особенности | ||
мин | макс | t нар. | t спад. | ||||||
КВ8141 | 50 | 5000 | 35 | 600 | 7500 | 60 | 53 | 10-6 | U вх переменное |
КВ8241 | |||||||||
КВ8341 | |||||||||
КВ8441 | |||||||||
Основу двух ( KB 8241), трех ( KB 8341) и четырехканальных ( KB 8441) оптопар составляет оптопара KB 8141. Включение фототранзисторов по схеме Дарлингтона позволило увеличить коэффициент передачи тока до 7500%.
Основные параметры оптопар, с одним светодиодом на входе и двумя фототранзисторами, включенными по схеме Дарлингтона на выходе, приведены в таблице 3.
Таблица 3.
Тип | Прямой ток I пр., мА | Напряж. изоляции U изо, В | Допуст. напряж. на коллект. U к max , В | Коэффиц. передачи тока, % | Время,мкс | Темновой ток коллектора, А | Особенности | ||
мин | макс | t нар. | t спад. | ||||||
КВ815 | 50 | 5000 | 35 | 600 | 7500 | 60 | 53 | 10-6 | Высокая чувствительность |
КВ825 | |||||||||
КВ835 | |||||||||
КВ845 | |||||||||
Основу двух ( KB 825), трех ( KB 835) и четырехканальных ( KB 845) оптопар составляет оптопара KB 815. Включение фототранзисторов на выходе по схеме Дарлингтона позволило также увеличить коэффициент передачи тока до 7500%.
Основные параметры оптопар, с одним светодиодом на входе и одним фототранзистором на выходе, приведены в таблице 4.
Таблица 4.
Тип | Прямой ток I пр., мА | Напряж. изоляции U изо, В | Допуст. напряж. на коллект. U к max , В | Коэффиц. передачи тока, % | Время,мкс | Темновой ток коллектора, А | Особенности | ||
мин | макс | t нар. | t спад. | ||||||
КВ816 | 50 | 5000 | 70 | 50 | 600 | 4 | 3 | 10-7 | Высокое напряжение U к max |
КВ826 | |||||||||
КВ836 | |||||||||
КВ846 | |||||||||
Основу двух ( KB 826), трех ( KB 836) и четырехканальных ( KB 846) оптопар составляет оптопара KB 816.
Основные параметры оптопар, с одним светодиодом на входе и одним фототранзистором на выходе, приведены в таблице 5.
Таблица 5.
Тип | Прямой ток I пр., мА | Напряж. изоляции U изо, В | Допуст. напряж. на коллект. U к max , В | Коэффиц. передачи тока, % | Время,мкс | Темновой ток коллектора, А | Особенности | ||
мин | макс | t нар. | t спад. | ||||||
КВ817 | 50 | 5000 | 35 | 50 | 600 | 4 | 3 | 10-7 | Высокое напряж. изоляц. |
КВ827 | |||||||||
КВ837 | |||||||||
КВ847 | |||||||||
Основу двух ( KB 827), трех ( KB 837) и четырехканальных ( KB 847) оптопар составляет оптопара KB 817.
Все оптопары выполнены в корпусе DIP (КВ8 X 7-В выпускаются также в корпусах для поверхностного монтажа) и рассчитаны на рабочий диапазон температур -30 до +100 °C.
Параметры оптопар, такие как коэффициент передачи тока и время нарастания и спада импульса, снимаются при постоянных значениях прямого тока светодиода и напряжения U кэ (для коэффициента передачи тока), и при постоянных значениях тока коллектора, напряжения U кэ и сопротивления нагрузки (для временных параметров).
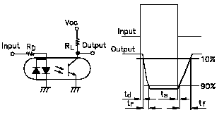
Для оптопары КВ814 на рисунке 1 показана схема, используемая для определения временных параметров выходного импульса, а зависимость временных параметров импульса от сопротивления нагрузки ( RL ) показана на рисунке 2.


Рис.2
Из графиков видно, что с увеличением сопротивления нагрузки время нарастания ( tr ) и спада ( tf ) выходного импульса увеличивается. Увеличивается также длительность импульса ( ts ).
Время реакции ( td ) остается постоянным. Такая зависимость характерна для всех других типов оптопар.
На рисунке 3 показана схема для определения амплитудно-частотной характеристики оптопары КВ814, а на рисунке 4 показаны эти характеристики.

Рис.3

Рис.4
Из графиков видно, что с увеличением частоты сигнала увеличивается его затухание. Уменьшение сопротивления нагрузки ( RL ) приводит к расширению полосы пропускания оптопары. Такая зависимость характерна для всех других типов оптопар.
Таким образом, фирма Kingbright выпускает аналоговые оптопары, имеющие высокие и стабильные параметры. Они широко используются в различных устройствах вычислительной техники, телекоммуникационного оборудования и бытовой техники.
Автор: Анатолий Щукин
