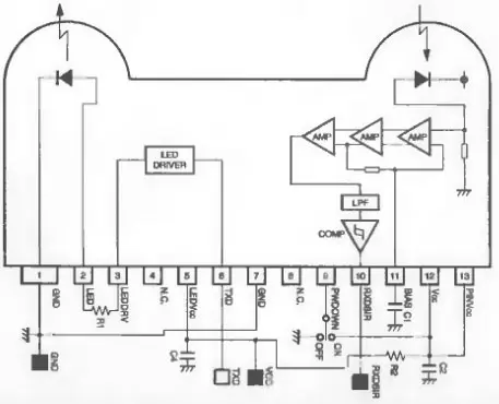
ИК - приемо-передатчик RPM851A производится фирмой ROHM, он представляет собой модуль из фотоприемника с компаратором, формирующим логические импульсы, и ИК-светодиода с ключевым усилителем тока ( драйвером). Фотоприемник и светодиод направлены в одну сторону.

Отдельные выводы для подачи питания на схему приемника ( вьв 13) на схему передатчика (выв 5).

Некоторые параметры :
- Напряжение питания VCC . . 2.7...5,5V. (номинальное значение.....3V).
- Максимальный ликовыи ток через ИК-светодиод ............300mA.
- Скорость передачи .. 2.4...115.2 kbps.
- Уровень лог. единицы .... Vcc-0,5V.
- Уровень логического нуля.....0,5V.
- Входной ток входа драйвера свето-диода (TXD) не болев........5µА.
- Максимальный постоянный ток через ИК-светодиод .. .....50mA.
