Появившиеся на нашем рынке относительно недорогие инфракрасные (ИК) лазерные диоды со встроенной оптической системой, формирующей узкий луч*, могут быть использованы в оптических датчиках и в линиях связи охранных систем. Один из таких лазерных диодов — SV5637-001.
* Если в газовых и твердотельных лазерах угол расхождения излучения может составлять доли градуса, то в неохлаждаемых полупроводниковых лазерах он достигает значения 4СР. Но монохроматичность лазерного излучения, а главное, малые размеры самого излучателя позволяют с помощью несложных оптических средств, например, линзы соответствующей апертуры, сформировать луч с малым углом расхождения.
Технические характеристики
Выходная мощность при
токе 12 мА, мВт...............1,5
Угол расхождения луча по уровню половинной мощности, град.....................4
Ток включения, мА.............1,5...7
(3,5 тип.)
Крутизна характеристики,
мВт/мА ......................0,3
Прямое напряжение при
токе 12 мА, В.............1,5...2,2
(1,75 тип.)
Длина волны при lп = 12 мА,
нм .....................830...870
(850 тип.)
Температурный коэффициент тока включения, мА/°С..............-0,042...0,042
Температурный коэффициент крутизны характеристики, мВт/мА/°С........-0,001
Дифференциальное сопротивление при токе 12 мА, Ом .......................15...40
Диапазон рабочих температур, °С.....................0...70
Температура хранения, °С .. .-40...100
Максимальный постоянный
ток, мА .......................15
Максимальное обратное
напряжение, В..................5

Рис. 1
Особенность лазерного диода — ток включения ITH. ИК излучение возникает при токе, превышающем ITH. Поскольку разброс этого параметра довольно велик, рекомендуется уточнить его значение опытным путем. Это можно сделать так, как показано на рис. 1. В светонепроницаемую трубку 1 длиной несколько сантиметров с одной стороны устанавливают лазерный диод SV5637-001, а с другой — подходящий по спектру фотодиод (у автора — ФД263-01). Между ними в трубке помещают рассеиватель света — распушенный комочек ваты. Изменяя напряжение источника питания, контролируют ток IП через лазерный диод, прямое напряжение Uп на нем, а также ток фотодиода Iфд. Экспериментальные результаты приведены в таблице, при токе 4,4...4,5 мА показания вольтметра были неустойчивы. Оказалось, что ток включения составил около 4,4 мА и лишь немного превысил типовое значение.
| IµА | Umв | Iфд |
| 3 | 1,56 | 0 |
| 4 | 1,6 | 0 |
| 4,5 | — | 0,3 |
| 5 | 1,64 | 1,4 |
| 6 | 169 | 3,4 |
| 7 | 1,72 | 5,5 |
| 8 | 1,75 | 8,3 |
| 9 | 1,78 | 11,3 |
| 10 | 1,81 | 14,2 |

Рис. 2
Принципиальная схема экономичного импульсного ИК генератора с лазерным диодом показана на рис. 2. Этот генератор может найти применение в охранных системах различного назначения. На логических элементах DD1.1 и DD1.2 собран генератор прямоугольных импульсов, работающий на частоте F = 0.7/R2C1 = 5 Гц. Логический элемент DD1.3 — буферный, спад импульса на его выходе с помощью RC-цепи C2R3 преобразуется в короткий (0.7R3C2 = 0,5 мс) "единичный" импульс на выходе элемента DD1.4, который открывает электронный ключ, собранный на транзисторах VT1, VT2, и подключает лазерный диод VD1 к источнику питания.

Рис. 3
Ток через лазерный диод задает полевой транзистор VT3. Поскольку начальный ток этих транзисторов имеет большой разброс, подбирают экземпляр с током 8... 12 мА. Транзистор включают так, как показано на рис. 3. Одновременно выясняют и Uvt3 мин — минимальное напряжение на стоке, при котором начальный ток уменьшается не более чем на 5... 10%. Желательно, чтобы напряжение Uvt3min было не более 2,5...3 В.
Резистор R7 выполняет функции датчика тока, и он нужен лишь для подключения осциллографа. Это не только позволит визуально проконтролировать импульсы тока в лазере, но и определить их амплитуду, длительность и частоту следования. Для снижения общего энергопотребления е цепь питания микросхемы DD1 введен резистор R4. Его сопротивление должно быть таким, чтобы напряжение питания микросхемы было 3...3.5 В, Если ИК генератор будет работать е системе синхронного детектирования, сигнал на детектор снимают с коллектора транзистора VT2, в этом случае необходимо установить резистор R8 (30...100кОм).

Рис. 4
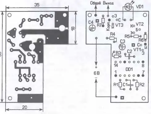
Детали монтируют на печатной плате из двусторонне фольгированного стеклотекстолита толщиной 1,5 мм, чертеж которой показан на рис. 4. Фольгу со стороны установки деталей используют в качестве общего провода. Места соединения с ней "заземляемых" выводов деталей показаны черными точками. В местах пропуска выводов деталей через отверстия в фольге вытравливают защитные кружки диаметром 2 мм (на рис. 4 не показаны). Места проволочных перемычек, соединяющих металлизацию двух сторон печатной платы, показаны черными квадратами со светлой точкой в центре. Вокруг отверстий диаметром 3,5 мм (2 шт.) для пропуска выводов конденсаторов СЗ и С4 в фольге должны быть вытравлены защитные кольца шириной 0,5 мм.
Все резисторы — МЛТ 0,125. Оксидные конденсаторы — импортные, их желательно подобрать с током утечки не более 1 мкА, конденсаторы С1 и С2 — КМ-6, К10-17. Габариты лазерного диода SV5637-001 невелики, и его впаивают как обычный излучающий ИК диод. Корпус генератора с отсеком для размещения батареи питания — GP476A (вырез в печатной плате — для нее) можно склеить из ударопрочного полистирола.
Как показали испытания, ток, потребляемый генератором, не превышал 35 мкА. Без сколько-нибудь существенного ослабления ИК импульсов батарея может быть разряжена до напряжения Uпит мин = Uvt3 мин + Un. С батареей 476 (емкость 100...150 мА-ч) генератор проработает не менее трех месяцев. Источником питания генератора может быть и батарея напряжением 9 В — "Крона", "Корунд", 6F22, потребляемый ток при этом увеличится до 50...52 мкА. А если это будет литиевая батарея SLM9V, то ее емкости хватит на несколько лет непрерывной работы ИК генератора.
Для сравнения лазерного диода SV5637-001 с ИК диодами (см., например, Юшин А. М. Оптоэлект-ронные приборы и их зарубежные аналоги: Справочник. Т.1 — М.: Радио-Софт, 1998) воспользуемся зависимостью L ~ √P/φ, где L — расстояние, на котором создается определенная освещенность окна фотоприемника; Р — мощность; φ — угол излучения источника.
Нетрудно убедиться в том, что по "дальнобойности" этот маломощный лазерный диод сравним с излучающими ИК диодами средней мощности. Но по много меньшему энергопотреблению (10 раз) он вне конкуренции.
Автор: Ю. Виноградов, г. Москва
