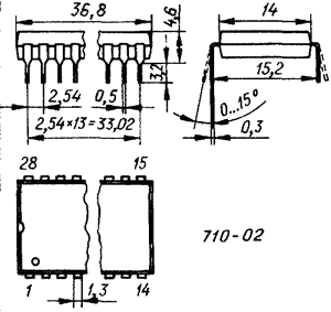
Микросхемы МС34118Р и MC34118DW (фирмы Motorola) предназначены для применения в высококачественных громкоговорящих телефонных аппаратах с голосовым переключением. Выпускаются в пластмассовом прямоугольном корпусе двух конструктивных вариантов — МС34118Р для традиционного монтажа — 710-02 (DIP) и MC34118DW для поверхностного — 751F-05 (SOIC) — с 28-ю выводами (рис. 1,а и б соответственно).

Рис. 1,а
Внешний вид микросхем

Рис. 1,б
Внешний вид микросхем
Отечественный аналог микросхемы МС34118 — ЭКР1436ХА2.
Микросхема содержит микрофонный усилитель (МУ), управляемые приемный и передающий аттенюаторы, два идентификатора фонового шума (ИФШ) для трактов приема и передачи, автоматический регулятор усиления (АРУ), узел управления аттенюаторами, выходной парафазный линейный усилитель, усилитель для образования фильтра верхних или нижних частот. Кроме этого, есть набор вспомогательных узлов — четыре детектора уровня (ДУ), детектор частотного набора (ДЧН), блокирующий приемный аттенюатор на время набора номера, формирователь средней точки напряжения питания (ФСТ), формирователь напряжения смещения (Uсм) для ДЧН и др.
Цоколевка у обоих конструктивных вариантов микросхемы одинакова. Она указана в таблице.
Таблица 1
| № вывода | Обозначение | Функциональное назначение |
| 1 | FO | Выход усилителя фильтра |
| 2 | FI | Вход усилителя фильтра |
| 3 | CD | Вход сигнала блокировки микросхемы |
| 4 | Uпит | Плюсовой вывод питания |
| 5 | НТО+ | Прямой выход парафазного усилителя |
| 6 | НТО- | Инверсный выход парафазного усилителя |
| 7 | HTI | Вход парафазного усилителя |
| 8 | ТХО | Выход аттенюатора передающего тракта |
| 9 | TXI | Вход аттенюатора передающего тракта |
| 10 | МСО | Выход микрофонного усилителя |
| 11 | MCI | Вход микрофонного усилителя |
| 12 | MUT | Блокировка микрофонного усилителя |
| 13 | VLC | Вывод для подключ. движка резистора регулятора громкости |
| 14 | Ст | Вход сигнала установки режима перекл. прием—передача |
| 15 | Uст | Вывод искусственной средней точки (сигнальная «земля») |
| 16 | СРТ | Вывод установки постоянной времени ИФШ передающ. тракта |
| 17 | TLI2 | Вход детектора уровня со стороны микрофона |
| 18 | TLO2 | Выход детектора уровня со стороны микрофона |
| 19 | RLO2 | Выход детектора уровня со стороны громкоговорителя |
| 20 | RLI2 | Вход детектора уровня со стороны громкоговорителя |
| 21 | RXI | Вход аттенюатора приемного тракта |
| 22 | RXO | Выход аттенюатора приемного тракта |
| 23 | TLI1 | Вход детектора уровня со стороны парафазного усилителя |
| 24 | TL01 | Выход детектора уровня со стороны парафазного усилителя |
| 25 | RLO1 | Выход детектора уровня со стороны линии |
| 26 | RLI1 | Вход детектора уровня со стороны линии |
| 27 | CPR | Вывод установки постоянной времени ИФШ приемного тракта |
| 28 | Общ. | Общий провод; минусовой вывод питания |
| Напряжение питания, В | 3,5...6,5 |
| Потребляемый ток, мА, при напряжении питания 5 В | 5 |
| Потребляемый ток в заблокированном состоянии, мкА, при напряжении питания 6,5 В | 600 |
| Входное сопротивление по выводу блокировки (вывод 3), кОм | 90 |
| Коэффициент усиления микрофонного и парафазного усилителей, дБ | 40 |
| Входное сопротивление микрофонного усилителя, кОм | 90 |
| Коэффициент усиления микрофонного и парафазного усилителей с разомкнутой петлей ОС, дБ, на частоте менее 100 Гц | 80 |
| Наибольшая частота усиления микрофонного и парафазного усилителей, МГц | 1 |
| «Мертвая зона» напряжения блокировки МУ и блокировки микросхемы, В | 0,8...2 |
| Входное напряжение аттенюаторов (выводы 9 и 21), мВ, не более | 350 |
| Входное сопротивление аттенюаторов, кОм | 10 |
| Максимальный ток нагрузки, мА,микрофонного усилителя (вывод 10) | 1 |
| аттенюаторов (выводы8 и 22) | 2 |
| парафазного усилителя (выводы 6 и 5) | 5 |
| Коэффициент гармоник сквозного тракта, %, не более, в режимеприема | 0,5 |
| передачи | 0,8 |
| Переходное затухание между трактами приема и передачи, дБ | 52 |
| Выходное напряжение формирователя искусственной средней точки (вывод 15), В, при напряжении питания3,5 В | 1,3 |
| 5 В | 1,8...2,4 |
| Выходное сопротивлениевывода 15, Ом | 400 |
| Максимальный ток внешней нагрузки формирователя напряжения искусственной средней точки (вывод 15), мА | 0,5 |
| Уровень ограничения выходного напряжения парафазного усилителя по выходу НТО- (вывод 6), В, сверху (при выходномтоке -5 мА) | 3,7 |
| снизу (+5 мА ) | 0,25 |
| Уровень ограничения выходного напряжения парафазного усилителя по выходу НТО+ (вывод 5), В, сверху (при выходномтоке -5 мА) | 3,7 |
| снизу (+5 мА) | 0,45 |
Микросхеме свойственна очень высокая температурная стабильность параметров.
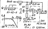
Типовая схема включения прибора с питанием от телефонной линии показана на рис. 2. Требуемое усиление микрофонного усилителя (МУ) А1 в рабочей частотной полосе (около 40 дБ) устанавливают соответствующим выбором внешнего резистора RMF (R6), подключаемого к выводам 10 и 11. При подаче на вывод 12 (MUT) постоянного напряжения более 2 В усилитель блокируется и его коэффициент усиления уменьшается до -39 дБ. Если функцию блокировки использовать не предполагается, вывод 12 соединяют с общим проводом (вывод 28). Коэффициент нелинейных искажений усилителя в частотной полосе 0,3...10 кГц не превышает 0,15%.

Рис. 2
Типовая схема включения прибора с питанием от телефонной линии
Две усилительные ступени А10, А14 образуют парафазный усилитель (выводы 5—7), необходимый для согласования передающего тракта с двупроводной телефонной линией, подключаемой через внешний разделительный трансформатор Т1. Так же, как и в микрофонном усилителе, необходимый коэффициент усиления устанавливают выбором резистора RHF (R13), подключаемого к выводам 6 и 7. Коэффициент нелинейных искажений парафазного усилителя не превышает 0,3 % в частотной полосе 0,3...10 кГц.
Передающий и приемный аттенюаторы А7, А9 (выводы — входы 9 и 21, выходы 8 и 22 соответственно) служат для перехода с приема на передачу и обратно в полудуплексном режиме. Дуплексный режим в громкоговорящих телефонах реализовать не удается из-за сильной акустической связи между громкоговорителем и микрофоном, приводящей к самовозбуждению тракта.
Управляют аттенюаторами сигналы, формируемые специальным узлом, который анализирует поступающие на его входы сигналы с линии и микрофона через детекторы уровня (ДУ) А2, А4, А11, А13 (а также другие сигналы) и автоматически переключает телефонный канал с приема на передачу и обратно. Благодаря этому при разговоре не требуется держать микротелефонную трубку в руках, прижимать к уху телефон и говорить в микрофон. Таким образом реализуется функция «свободные руки» («Hands-free»), выгодно отличающая этот телефон от традиционных.
В отсутствие разговора (режим ожидания) затухание каждого аттенюатора равно -20 дБ. В режиме приема (абонент на ближнем конце слушает) и передачи (абонент говорит) разница в затухании аттенюаторов достигает 52 дБ.
Для подавления акустического шума помещения и шума в линии в передающем и приемном трактах предусмотрены идентификаторы фонового шума (ИФШ) A3, А12. Они отличают речевой сигнал, имеющий резкие изменения амплитуды, от фонового шума, которому присущ постоянный уровень. В результате при речевом сигнале коэффициент передачи аттенюаторов равен +6 дБ, а при наличии фонового шума--20 дБ.

Рис. 3,а
Схемы фильтров, характеристики и основные расчетные соотношения

Рис. 3,б
Схемы фильтров, характеристики и основные расчетные соотношения
Усилительный элемент Ф А15 (выводы 1 и 2) с внешними резисторами и конденсаторами образуют ФВЧ, защищающий приемный тракт от сетевой наводки частотой 50 Гц (и ее гармоник) на провода линии. При необходимости коррекции АЧХ приемного тракта в верхней области
звукового частотного диапазона можно собрать ФНЧ. Входное сопротивление фильтров равно 1 МОм, выходное — менее 50 Ом. Схемы фильтров, характеристики и основные расчетные соотношения представлены на рис. 3,а,б.
Автоматический регулятор усиления (АРУ) А5 предназначен для обеспечения устойчивой работы приемного тракта в условиях большого затухания сигнала в телефонной линии. При уменьшении напряжения в линии до 3,5 В (напомним, что микросхема питается от этой линии) АРУ воздействует через узел управления А8 на приемный аттенюатор, уменьшая потребляемый ток и не допуская тем самым дальнейшего снижения напряжения.

Рис. 4
Амплитудно-частотная и фазовые характеристики микрофонного и пара-фазного усилителей
Некоторые наиболее важные типовые характеристики микросхемы МС34118 показаны на рис. 4—6.
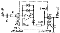
Амплитудно-частотная и фазовые характеристики микрофонного и пара-фазного усилителей изображены на рис. 4, а передаточные характеристики детекторов уровня ДУ (на рис. 6 — фрагмент реальной схемы детектора уровня) при различных номиналах элементов входной цепи — на рис. 5. Зависимости коэффициента передачи приемного и передающего аттенюаторов от управляющего напряжения представлены на рис. 7.

Рис. 5
Передаточные характеристики детекторов уровня ДУ

Рис. 6
Фрагмент реальной схемы детектора уровня
Громкоговорящий прием абонента обеспечивает подключенный к микросхеме МС34118 внешний усилитель мощности 34 МС34119. Эту микросхему выпускают в пластмассовом прямоугольном корпусе трех конструктивных вариантов — 626, 751 (SO-8) и 948J (TSSOP); соответственно МС34119Р, МС34119D и МС34119DTB. Отечественный аналог микросхемы МС34119Р — К1436УН1.

Рис. 7
Зависимости коэффициента передачи приемного и передающего аттенюаторов от управляющего напряжения
Микросхема МС34118 рассчитана на совместную работу с номеронабирателем на базе микросхемы МС145412, имеющей запоминающее устройство на 10 номеров, которое при отключении аппарата от линии поддерживает внешний источник питания напряжением 3 В.
Автор: В. ХМАРЦЕВ; г.Москва
