Микросхемы представляют собой детектор понижения напряжения и предназначены для использования в микропроцессорных системах с напряжением питания 5 или 9 В. Микросхемы формируют сигнал RESET (низкий уровень - активный) во всех случаях, когда напряжение питания снижается до уровня, опасного для устойчивой работы системы.
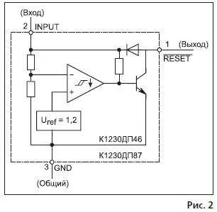
Для управления нагрузкой, имеющей больший потенциал, чем входное напряжение, лучше использовать модификацию микросхем без защитного диода -К1230ДП461, К1230ДП871. Выход модифицированной микросхемы с открытым коллектором в закрытом состоянии допускает подачу на него напряжения до 20 В.
Основные области применения этих микросхем:
- ОЗУ с аварийным батарейным питанием;
- средства защиты от неправильного функционирования микропроцессорной системы при включениях/выключениях и перебоях с питанием;
- в качестве узла сброса в исходное состояние микропроцессорного оборудования.
Особенности этих микросхем: разброс напряжения срабатывания компаратора ±2,5% гарантируется в рабочем диапазоне температур; встроенный гистерезис; нагрузочная способность выхода RESET на втекающий ток не менее 10 мА; гарантия правильной работы сигнала RESET при входном напряжении 0,5 В; внутренний защитный диод для разрядки конденсатора задержки (у К1230ДП46, К1230ДП87).

Микросхемы выпускаются в следующих корпусах: КТ-26 (ТО-92) - К1230Д46П, К1230ДП87П, К1230ДП461П, К1230ДП871П; КТ-47 (SOT-89) -К1230ДП46Т, К1230ДП87Т, К1230ДП461Т, К1230ДП87Т, К1230ДП461Т, К1230ДП871Т; SO-8 - К1230ДП46Т1, К1230ДП87Т1, К1230ДП461Т1, К1230ДП871Т1 - см. рис. 1.
Назначение выводов микросхем приведено в таблице.
| Сигнал | Обозначение | Номер вывода | ||
| КТ-26 | КТ-47 | SO-8 | ||
| Выход | Reset | 1 | 1 | 1 |
| Вход | Inpyt | 2 | 2 | 2 |
| Общий | GND | 3 | 3 | 4 |
| Свободный | - | - | - | 3.5-8 |
Электрические параметры
Напряжение срабатывания (Uth) при Токр = 25°С, В:
К1230ДП46 4,45...4,65
К1230ДП87 8,5.8,9
Напряжение срабатывания (Uth) при Токр = -45.+ 85°С, В: К1230ДП461 4,4.4,7
К1230ДП871 8,45.8,95
Напряжение гистерезиса (Uh), В:
К1230ДП46, К1230ДП461 0,01.0,05
К1230ДП87, К1230ДП871 0,02.0,1
Остаточное напряжение (Uов) К1230ДП46, К1230ДП461, В: при Ubx = 4 В, Івтек = 8 мА <1 при Ubx = 4 В, Івтек = 2 мА <0,4
при Ubx = 1 В, Івтек = 0,2 мА <0,1 Остаточное напряжение (U<J К1230ДП87, К1230ДП871, В: при Ubx = 8 В, Івтек = 8 мА <1
при Ubx = 8 В, Івтек = 2 мА <0,4
при Ubx = 1 В, Івтек= 0,2 мА <0,1
Прямое падение напряжения (Uf) на защитном диоде при Іпр = 10 мА, В:
К1230ДП46, К1230ДП87 0,6.1,2
Втекающий ток по выходу (Is), мА: К1230ДП46, К1230ДП461 при Ubx = UReset = 4 В 10.60
К1230ДП87, К1230ДП871 при Ubx= UReset = 8 В 10.60
Ток потребления в состоянии покоя (Iin), мкА:
К1230ДП46, К1230ДП461 при Ubx= 5 В <500
К1230ДП87, К1230ДП871 при Ubx = 9 В <700


Блок-схемы микросхем приведены на рис. 2 и 3. В качестве примера на рис. 4 приведена типовая схема включения микросхем при сбросе микропроцессора при понижении напряжения с дополнительным гистерезисом. Гистерезис компаратора может быть увеличен с помощью резистора R.

Аналогом микросхемы К1230ПД46 является МС33064 фирмы MOTOROLA (США).
