Невысокая стоимость и привлекательный внешний вид многофункционального устройства Xerox Phaser 3100MFP сделали свое дело - он стал одним из самых распространенных аппаратов среди монохромных бюджетных устройств формата А4. Если же к статистике добавить его клоны - "Ricoh Aficio SP 1000", "OKI B2500" и все возможные модификации аппаратов (с факсом, без факса, с автоподачей документов и без нее), то, возможно, получится самое многочисленное семейство. При эксплуатации такого большого количества устройств, отказ источника питания неминуем. Но мы к этой ситуации подготовились.
Блок питания аппарата Xerox Phaser 3100MFP расположен на одной плате с источниками высоких напряжений. Эта комбинированная плата источников питания имеет каталожный номер 105N02149 и ее можно приобрести по цене, вполне сопоставимой с ценой нового МФУ. Естественно (и об этом говорит статистика), что именно источник низковольтных напряжений дает наибольший процент отказов. Неисправность высоковольтных источников, вообще, является крайне редкой ситуацией в электрографических принтерах.
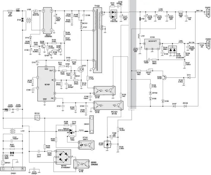
Принципиальная электрическая схема источника низковольтных напряжений платы SPD-4821: VER 5.0 приведена на рис. 1. Эта плата выпускается компанией SYS-HiTEK. Низковольтный источник питания формирует постоянные стабилизированные напряжения 24 (на рис. 1 - +24V) и 5 В (+5V) с выходным током до 3 А в каждом канале. Рассмотрим принцип работы основных узлов этого источника питания.
Рис. 1. Принципиальная электрическая схема источника низковольтных напряжений платы SPD-4821: VER 5.0 (по клику крупно)
Обратноходовый преобразователь
Источник питания представляет собой импульсный обратноходовый преобразователь (англ. -FlyBack), управляемый микросхемой ШИМ контроллера IC101, тип которой автору выяснить не удалось. ШИМ контроллер управляет ключом на транзисторе Q101, осуществляя стабилизацию выходных напряжений, токовую защиту транзистора Q101 и защиту от аварийных режимов работы источника питания.
В цепи истока транзистора Q101 имеется резистор R118 - датчик тока. Цепь запуска ШИМ контроллера образована резисторами R106 и R107, а также конденсатором C111. После запуска преобразователя ШИМ контроллер питается от дополнительной обмотки импульсного трансформатора Т102. Импульсное напряжени этой обмотки (выв. 2), выпрямляется диодом D103, и сглаживается конденсатором С111.
Защита от пропадания сетевого напряжения
В цепи питания ШИМ контроллера имеется схема, состоящая из транзисторов Q108-Q110. Этот узел управляется напряжением, формируемым на конденсаторе C130. На нем создается потенциал, необходимый для открывания транзистора Q108, но только при наличии переменного сетевого напряжения. Открытый транзистор Q108 удерживает транзистор Q110 в закрытом состоянии. В этом случае вся эта цепь никак не влияет на работу ШИМ контроллера и всего источника питания.
Как только сетевое напряжение пропадает или становится значительно ниже номинального значения, напряжение на конденсатора С130 снижается и закрывает Q108. В результате открывается транзистор Q110, который шунтирует выв. 6 (VCC) микросхемы IC101 на "землю". В результате ШИМ контроллер выключается, что приводит к выключению источника питания и принтера. Таким образом реализована защита источника питания (и принтера) от пропадания или снижения уровня сетевого напряжения. Наличие этой схемы позволяет защититься от аварийных ситуаций при работе узла фиксации принтера. Резкое сниже-ние/пропадание сетевого напряжения может спровоцировать отказ печки. Кроме того, снижение сетевого напряжения, наоборот, может говорить о проблемах в печке.
Схема управления печкой
Нагревательная лампа печки подключается к разъему CN101. Коммутирующим элементом печки является симистор TAR101, управляемый через оптрон PT101. Управление симистором осуществляется в режиме ZVC (переключение при нулевом напряжении). Такой режим позволяет уменьшить количество генерируемых печкой помех, а также позволяет уменьшить вероятность выхода из строя симистора.
Генератор Zero Cross
Управление симистором в режиме переключения при нулевом напряжении требует формирования синхронизирующих импульсов, фиксирующих моменты перехода сетевого напряжения через ноль, т.е. когда оно становится равным нулю. Эти импульсы получили обозначение Zero Cross (пересечение нуля). Сигнал Zero Cross представляет собой короткие импульсы, следующие с частотой 100 Гц. Он формируется с помощью диодного моста BD102 и оптрона PT102.
Вторичные цепи
У трансформатора T102 всего одна вторичная обмотка. Импульсное напряжение этой обмотки выпрямляется и сглаживается, в результате чего формируется постоянное напряжение +24V. Напряжение +5V в данном источнике питания формируется из напряжения +24V микросхемой импульсного понижающего преобразователя (англ. - Buck) IC103 типа MC33167T. Регулировка и стабилизация напряжения канала +5V полностью обеспечивается микросхемой IC103 методом ШИМ.
Обратная связь
Стабилизация выходного напряжения +24V осуществляется методом ШИМ основного Flay Back преобразователя. Сигнал обратной связи для ШИМ контроллера IC101 формируется управляемым стабилизатором TL431 (IC102), который управляет током светодиода оптрона PC101. В свою очередь, TL431 управляется напряжением канала +24V, которое прикладывается к управляющему входу через делитель R133 R134.
Токовая защита
Защита от превышения тока в канале +24V осуществляется с помощью токового датчика на резисторе R141. Падение напряжения на этом резисторе управляет транзистором Q105. Если в канале +24V ток превышает допустимое значение, транзистор Q105 открывается и через светодиод оптрона PC102 протекает ток. Это приводит к блокировке ШИМ контроллера IC101. Порог токовой защиты источника питания регулируется переменным резистором VR101.
Защита от превышения выходных напряжений
Защита от превышения выходных напряжений обеспечивается стабилитронами ZD102 (для канала +24V) и ZD103 (для канала +5V). Превышение напряжений приводит к открыванию стабилитронов, в результате чего начинает протекать ток через светодиод оптрона PC102 и дальше схема работает так же, как и при токовой защите.
В таблице приведены типовые проявления неисправности принтера по причине неисправного источника низковольтных напряжений и их возможные причины.
Таблица. Типовые проявления неисправности принтера
Проявление неисправности | Возможные причины неисправности |
Принтер не работает, предохранитель F101 в обрыве, а F102 цел | - Симистор TAR101; - диодный мост BD102; - предохранитель F101. |
Принтер не работает, предохранитель F102 в обрыве, а F101 цел или в обрыве | - Варистор Z103; - диодный мост BD101; - транзистор Q101 (кроме этого обязательно проверяют стабилитрон ZD101, микросхему IC101 и резистор R118); - предохранитель F102. |
Принтер не работает, выходные напряжения +5V и +24V отсутствуют, предохранители исправны | - Конденсатор C111; - конденсатор C130; - термистор TH101; - ШИМ контроллер IC101; - резисторы R106 и R107; - транзисторы Q108, Q109, Q110. |
Принтер не работает, отсутствует выходное напряжение +5V, Напряжение +24V в норме | - Предохранитель F104; - микросхема IC103 |
Принтер не работает, выходные напряжения +5V и +24V пульсируют - срабатывает защита, предохранители исправны | - Короткое замыкание в нагрузке; - стабилитрон ZD102; - стабилитрон ZD103 |
Автор: Алексей Конягин (г. Пенза)
Источник: Ремонт и сервис

