Виртуальные радиоизмерения

Разрядка Аккумулятора с подсчётом А/ч и фиксацией процесса с подчей тока разряда на Лин вход Звуковой карты и подачей сигнала отключения нагрузки от Вых звуковой карты (наушники).
Питание схемы от USB - разъёма.
Реально испытовалось на аккумуляторах Uакк = 1 В - 12 В.
Программа писалась в LabViev 8.0 и испытывалась в ОС WindowsXP

Описание настроек управления:
Uakk – Установка номинального напряжения аккумулятора
Rнагр – Величина подключённого нагрузочного резистора, задающего ток разряда аккумулятора
Интервал считывания – Период измерения тока.
Шум – конпенсация внутренних шумов схемы, что важно при работе с малыми токами разряда
Эти пораметры должны быть установлены до начала разряда акк.
Коэффициент соответствия - позволяет подстроить фиксируемый ток разряда под реальный, измеренный тестором на измерительном резисторе = 1 Ом.
Iоткл – расчётная величина тока, при котором закончится разряд.
Время, Ток, Ёмкость – текущие и результирующие параметры разряда.
Sound Format – задание параметров звуковой карты (желательно не трогать)
Кроме этого нужно в окне регулятора громкости Линейый вход и установить резистор уровня записи в среднее положение.
На графике изображается процесс разряда аккумулятора.
Порядок работы:
1) Подключить измерительный резистор 1ом измерительной платы к линейному входу звуковой карты. Выход "Наушники" звуковой платы подключить на цепь отключения аккумулятора (С2). См. схему измерительной платы.
2) Включить программу Sound Ёмкость. Выставить установки соответствующие акк. Без аккумулятора запустить программу (спрелка в верхнем правом углу) и считатать Ток общий текущий. Поместить это значение в окно Шум. Остановить программу.
3) Подключить аккумулятор к плате и тестер к измерительному резистору 1ом для контроля тока разряда.
4) Проверить установки, включить программу (Стрелка в правом верхнем углу).
5) Проверить соответствие тока разряда в программе измеренному тестерем. В случае необходимости подсторить изменяя Коэффичиент соответствия.
6) Идти спать. Утром оценить результаты проведенного измерения.
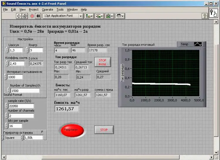
Выглядеть будет примерно так:

Мнения читателей
- Ромчик/15.01.2026 - 16:58
https://www.ni.com/en/shop/labview.html
- Ромчик/15.01.2026 - 16:57
Для открытия файла с расширением .vi -нужен "LabVIEW" , скачать его можно зарегившись на их сайте https://www.ni.com/en/shop/labview.htmlВот если б кто его переконвертировал как самостоятельную програмку было б здорово.!
- ALEX 50/14.12.2025 - 10:26
А где сама программа????!!!!! Автор Аферист ! Нечего писать такие пасквили и дурить народ!
- Ромчик/22.09.2025 - 18:06
Жаль, нету самой програмки, весь оставшийся интернет прошуршал и не нашёл..? Обыдно и досадно...
- Флекс/19.02.2024 - 09:02
А где программа?
- 123 Виталий В.С./13.03.2021 - 07:13
здравствуйте.ЭТУ программу можно подключить к нескольким канналом измерений? напромер 30каналов.
