Радиолюбители часто используют антенну Inverted V как ненаправленную на несколько КВ-диапазонов. Перед другими многодиапазонными антеннами она имеет несколько преимуществ:
- для её установки нужна всего одна мачта любой удобной конструкции, которая не принимает участия в излучении радиоволн. Излучатели образуют верхний ярус растяжек мачты;
- хорошо работает над "плохой" землёй (подстилающей поверхностью с низкой проводимостью), поскольку в излучателях всех диапазонов пучность тока находится вблизи верхушки мачты и поэтому удалена от земли на максимальное расстояние;
- излучатели всех диапазонов полноразмерные и обеспечивают максимально эффективное излучение;
- все излучатели можно настраивать, не поднимаясь на мачту;
- питание антенны на всех диапазонах происходит по одному и тому же кабелю.
Существуют много вариантов антенны Inverted V. Обычно это два соединённых параллельно диполя на диапазоны 40 и 80 метров, середины которых подняты на мачту высотой 10...15 м. Диполь диапазона 40 метров работает и в диапазоне 15 метров. Описаны конструкции, содержащие до пяти-шести параллельных диполей, что увеличивает число рабочих диапазонов. Но если диполей больше трёх, их взаимное влияние становится очень сильным - настройка одного диполя нарушает настройку одного-двух других. При подъёме такой антенны на мачту многочисленные провода, образующие её, обычно запутываются, и приходится долго их распутывать.
Предлагаемый вариант антенны Inverted V (рис. 2) содержит три соединённых параллельно диполя, удовлетворительно работая при этом в шести радиолюбительских КВ-диапазонах: 10 метров, 15 метров, 20 метров, 30 метров, 40 метров и 80 метров. Она содержит два трапа, настроенных на частоту 14,2 МГц. Все диполи выполнены из медной проволоки диаметром 2,12 мм.

Ріс. 1. Антенна Inverted V

Рис. 2. Вариант антенны Inverted V
В диапазоне 80 метров работает диполь, образованный отрезками проводов W2, W4, W8, W11. Трапы W3 и W10 практически не укорачивают его. Рабочая полоса частот по КСВ<2 довольно узкая (50...60 кГц) и сильно зависит от высоты подвеса антенны и качества земли под ней.
В диапазоне 40 метров работает полноразмерный для этого диапазона диполь, образованный отрезками Wl и W9 и имеющий рабочую полосу частот около 150 кГц.
В диапазоне 30 метров снова работает диполь W2, W4, W8, W11, поскольку благодаря реактивности трапов W3 и W10 одна из его резонансных частот лежит в этом диапазоне. Резонанс довольно острый, но полностью покрывает диапазон.
Тот же диполь работает и в диапазоне 20 метров. Настроенные на 14,2 МГц трапы приводят к тому, что в этом случае работают только отрезки W4 и W8. Поэтому имеется резонанс диполя и в диапазоне 20 метров.
В диапазоне 15 метров работает диполь W1, W9, электрическая длина которого в этом диапазоне близка к 3/2Х.
В диапазоне 10 метров работает диполь, образованный отрезками W5 и W7.
Антенну устанавливают на мачте высотой 10...15 м. Как отмечалось выше, мачта не служит излучателем, она может быть составлена из алюминиевых или стальных труб разного диаметра. Применены трубы внешним диаметром 55, 50, 45 и 40 мм из сплава Д16. Они вставлены одна в одну на глубину 30 см и зафиксированы сквозными винтами М6.
Мачта имеет три яруса растяжек. Как уже было сказано, излучающие провода - части их верхнего яруса. Неизлучающие части оттяжек верхнего яруса и нижние ярусы выполнены из оцинкованной стальной проволоки диаметром 2 мм, разделённой изоляторами на отрезки длиной по 3 м.
Растяжки прикреплены к надетым на мачту пластинам из толстого стеклотекстолита и не имеют электрического контакта с ней.
Питают антенну по одному коаксиальному кабелю W6 с волновым сопротивлением 50 или 75 Ом. Применён кабель RG-213. В крайнем случае можно использовать телевизионный кабель хорошего качества, например Finmark F690BV.
Весьма желательно установить на кабеле запорный дроссель L1. В нашем случае его образует столбец, содержащий 50 колец К12х20х6 из феррита 2000НМ, надетый на ближайший к излучателям конец коаксиального кабеля и закреплённый на нём термоусаживаемой трубкой. В отсутствие достаточного числа ферритовых колец можно намотать 3 м кабеля на пластиковую трубу диаметром 50...60 мм, хорошо закрепив на ней витки. В любом случае дроссель располагают под стеклотекстолитовой пластиной, на которой кабель соединяется с диполями.
Все пайки проводов между собой и к кабелю, а также открытый конец самого кабеля должны быть хорошо защищены от осадков. Для этого использована сырая резина. В крайнем случае можно просто обмазать солидолом критичные к воздействию влаги места (особенно там, где из внешней изоляции коаксиального кабеля выходит оплётка). Соединяемые провода желательно перед пайкой скрепить бандажом из медной проволоки диаметром 0,5 мм.
Трапы W3 и W10 собирают по имеющейся на рис. 3 схеме. Для их изготовления подготовьте две пластины размерами 50x150 мм из стеклотекстолита толщиной 2,5...3 мм. На длинных рёбрах каждой пластины сделайте по семь пазов шириной и глубиной по 2 мм, расстояние между пазами также 2 мм. Для лучшей укладки провода пазы на противоположных рёбрах пластины должны быть взаимно смещены так, чтобы паз на одном ребре находился точно напротив выступа на другом.
Медным проводом диаметром 2 мм намотайте на оправке диаметром 45 мм две катушки по восемь витков. Сняв катушку с оправки, наденьте её на подготовленную пластину так, чтобы семь её витков вошли в пазы. Аналогично изготовьте и вторую катушку.
Далее необходимо приготовить густую эпоксидную смолу, смешав её с отвердителем в пропорции 10:1. Смолу наберите в шприц без иглы и закрепите ею витки в пазах стеклотекстолитовых пластин. Спустя сутки, когда смола полностью отвердеет, концы проводов катушек аккуратно отформуйте и присоедините к конденсаторам трапов. Индуктивность каждой катушки должна получиться около 2,24 мкГн.
Конденсаторы трапов - К15У-1а группы ТКЕ МП0 ёмкостью 56 пФ. Не советую использовать самодельные конденсаторы из медных пластин или фольгирован-ного армированного фторопласта (фАф). Их термостабильность будет плохой.
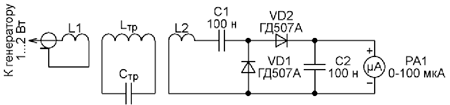
Трапы настраивают на частоту 14200 кГц бесконтактным способом, собрав установку, схема которой показана на рис. 3. Для этого необходимы генератор сигналов соответствующего диапазона мощностью 1...2 Вт и отрезок любого коаксиального кабеля длиной 1...2 м. Один конец этого отрезка подключают к выходу генератора, а другой - к катушке L1 диаметром 50 мм из двух витков провода диаметром 1...1,5 мм.

Рис. 3. Схема установки
Простейший индикатор напряжённости поля делают из стрелочного микроамперметра PA1 на 100 мкА, германиевых диодов VD1 и VD2, конденсаторов С1, С2 и такой же, как у генератора, двухвитковой катушки L2. Катушку L1 поднесите на расстояние 5...7 см к одному из торцов катушки трапа. На таком же расстоянии от другого торца катушки трапа поместите катушку L2. Все катушки должны быть соосны.
Включите генератор и, вращая ручку его перестройки, определите по максимуму показаний микроамперметра PA1 резонансную частоту трапа. Осторожно сжимая или растягивая витки катушки трапа в небольших пределах, добейтесь, чтобы у обоих трапов она была как можно ближе к 14200 кГц.
Крайне желательно проверить термостабильность изготовленных трапов. Для этого поместите их на 8...10 часов в морозильное отделение холодильника. Затем достаньте их и немедленно проверьте резонансную частоту. Она должна остаться в пределах диапазона 20 метров и обычно равна 14020...14040 кГц. После прогрева трапов до комнатной температуры их резонансная частота должна вернуться к исходной (14200 кГц). На этом настройка трапов закончена.
Провода диполя прикрепите к стеклотекстолитовой пластине длиной 200 мм. На ней же одним винтом (чтобы уменьшить механическую деформацию под воздействием ветра) закрепите трап, на который затем наденьте пластиковую бутылку со срезанным дном. Готовый трап изображён на рис. 4.

Рис. 4. Готовый трап
После установки на мачту антенну необходимо настроить. Для этого к нижнему концу фидера W6 подключите антенный анализатор. Чтобы лишний раз не опускать мачту, лучше обрезать провода W5 и W7 до указанной на рис. 2 длины заранее, поскольку после подъёма на мачту достать до них с земли будет невозможно. В диапазоне 10 метров ширина рабочей полосы частот диполя W5, W7 - около 500 кГц, при указанной длине проводов её центральная частота будет около 28250 кГц.
Далее настройте диполь из отрезков W1 и W9. Необходимо, чтобы он резонировал на частоте 7010...7020 кГц, при этом автоматически будет получен и резонанс в диапазоне 15 метров на частоте 21150 кГц.
Следующий этап - поиск резонанса в диапазоне 20 метров. Если он не попал на частоту 14150 кГц, откорректируйте длину проводов W4 и W8. Затем найдите резонанс в диапазоне 30 МГц, при необходимости корректируя длину проводов W2 и W11. Учтите, что в диапазоне 30 метров резонанс очень острый. После этого в диапазоне 80 метров автоматически должен получиться резонанс на частоте около 3540 кГц. На этом настройку антенны можно считать законченной.
Изготовлены три описанные антенны. Первая установлена у одного из соавторов статьи на радиостанции UR4LRG, вторая - у Алексея Яковлева (UT5UY), а третья - на коллективной радиостанции Харьковского радиоклуба UR4LZZ. Получено хорошее совпадение результатов моделирования и параметров реальной конструкции. Антенна хорошо выдерживает большую мощность даже в сырую погоду, в том числе при работе в диапазоне 20 метров.
Приложенный к статье файл InvV_80-40-30-20-15-10_ok.maa содержит компьютерную модель антенны. В трапах модели заданы оптимальная, согласно расчётам, ёмкость 50 пФ и индуктивность 2,53 мкГн. В этом случае при резонансе антенны в середине диапазона 30 метров она резонирует и в середине диапазона 80 метров. Однако при изготовлении антенны нам не удалось найти высоковольтные конденсаторы ёмкостью 50 пФ, поэтому в трапы были установлены конденсаторы К15У-1а номиналом 56 пФ, а индуктивность уменьшена. Могут быть применены и конденсаторы ёмкостью 47 пФ.
Файл модели антенны имеется здесь.
Автор: Александр Белоусов, Дмитрий Белоусов (UR4LRG), г. Харьков, Украина
