В среде радиолюбителей-коротковолновиков популярны антенные тюнеры фирмы MFJ различных модификаций, в том числе на мощность 1...3 кВт. Автору статьи не раз приходилось видеть "внутренности" тюнеров этой фирмы, вышедших из строя. Возможно, что при более "деликатном обращении" подобных плачевных последствий и удаётся избежать, но и это не является фактором высокой надёжности тюнера. Также немаловажную роль играет их стоимость...
В настоящее время на радиорынках СНГ, в том числе и на интернет-рынках появилось множество радиокомпонентов от военной техники СССР, снятой с вооружения, но вполне пригодных для радиолюбительских конструкций.
Изучив информацию по ручным Т-тюнерам MFJ и различным "самодельным" устройствам, автор собрал тюнер на максимальную проходную мощность 3 кВт в радиолюбительских диапазонах 1,8...30 МГц, применив соответствующие компоненты.
Устройство представляет собой законченную конструкцию и позволяет:
1. Подключать к усилителю мощности (УМ) внешнюю нагрузку 50 Ом через измеритель КСВ и проходной мощности.
2. Коммутировать две антенны через измеритель КСВ и проходной мощности напрямую без тюнера.
3. Подключать одну антенну к тюнеру через измеритель КСВ и проходной мощности и согласовать нагрузку, эквивалентную сопротивлению 10...1000 Ом в диапазоне 1,8....30 МГц.
4. Измерять КСВ в подключённой антенно-фидерной системе с минимальной мощностью 50 Вт на нагрузке 50 Ом.
5. Измерять мощность проходящего сигнала в трёх интервалах: 0,3 кВт, 1,5 кВт, 3 кВт.
6. Подавлять внеполосные излучения (не менее 10 дБ).
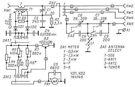
Принципиальная схема антенного тюнера показана на рис. 1. Сигнал передатчика подаётся на разъём XW1 и через первичную обмотку трансформатора Т1 измерителя КСВ и проходной мощности поступает на переключатель выбора направления передачи мощности - SA2. В положении 1 переключателя SA2 сигнал поступает на разъём XW2, к которому подключают безындуктивную нагрузку с сопротивлением 50 Ом на соответствующую мощность. Этот режим необходим для настройки лампового усилителя мощности, чтобы исключить пробой конденсаторов переменной ёмкости (КПЕ) П-контура. Часто бывает, что радиолюбители в П-контуре ламповых усилителей большой мощности применяют конденсаторы с довольнотаки малыми зазорами, например, трёх-, пятисекционные КПЕ с ёмкостью секции 12/495 или 17/500 в лучшем случае.

Рис. 1. Принципиальная схема антенного тюнера
В положениях 2 и 3 переключателя SA2 сигнал передачи может поступать на разъёмы XW3 и XW4 соответственно, к которым подключают антенно-фидерные устройства с волновым сопротивлением 50 Ом. В положении 4 переключателя SA2 сигнал передачи поступит на тюнер и далее на разъём XW5, к которому может быть подключено антеннофидерное устройство с сопротивлением 10...1000 Ом.
Тюнер выполнен по Т-образной схеме и состоит из двух КПЕ С6 и С7, катушки с переменной индуктивностью L1 и конденсаторов С8, С9, подключаемых автоматически выключателями SA3 и SA4 при вращении роторов КПЕ С6 и С7.
При измерении проходной мощности ВЧ-сигнал снимается с вторичной обмотки трансформатора Т1 через цепь VD1C3R3 и через контакты 1, 2 или 3 переключателя SA1 и соответствующие добавочные резисторы R4-R8 поступает на измерительный прибор РА1.
При измерении КСВ сигнал снимается с вторичной обмотки трансформатора Т1, детектируется цепями VD1C3R3 и VD2C4R3, через контакты 4 или 5 переключателя SA1 с движка переменного резистора R3 поступает на прибор РА1. Цепь VD1C3R3 - детектор прямой волны, цепь VD2C4R3 - детектор отражённой волны. Переменным резистором R3 устанавливают положение стрелки прибора РА1 на конечное деление шкалы в положении 4 переключателя SА1. В положении 5 переключателя SА1 производят считывание показаний КСВ. Измерительный прибор РА1 имеет две шкалы: шкалу проходной мощности и шкалу отсчёта КСВ.
Основные узлы в конструкции применены от согласующе-симметрирующего устройства радиостанции Р-140. Измеренная ёмкость конденсаторов С6 и С7 - 26...206 и 26...209 пФ соответственно. Толщина дюралюминиевых пластин ротора и статора КПЕ - 3,7 мм. Зазор между пластинами ротора и статора при введённом роторе - 7 мм. Роторы этих КПЕ вращаются без ограничений на 360о (рис. 2). При выборе КПЕ другого типа необходимо обратить внимание на толщину пластин, так как тонкие пластины при сигнале большой мощности могут изгибаться, тем самым способствуя ВЧ-пробою. У применённых КПЕ имеются мощные щёточные коммутаторы из латуни. С их помощью подключаются дополнительные конденсаторы С8 и С9 - К15У-1 на номинальное напряжение 3,5 кВ и реактивную мощность 8 кВАр.

Рис. 2. Роторы КПЕ
Цилиндрический вариометр L1 - также от радиостанции Р-140. Его катушка выполнена медной шиной 10x1,2 мм и содержит 22 витка с шагом 6 мм. Вариометр можно применить и от другой техники, но не с худшими данными.
Переключатель выбора подключаемой нагрузки SA2 - щёточного типа, керамический с площадью контакта не менее 7 мм2. Переключатели со сферической формой контакта не годятся ввиду малой площади контакта. Переключатель SA1 - ПГК 5П2Н или другой подходящего типа на радиокерамике.
Трансформатор Т1 намотан на магни-топроводе типоразмера К20х10х5мм из феррита 50ВЧ. Первичная обмотка Т1 представляет собой медный проводник диаметром 3 мм и длиной 40 мм, на который надета фторопластовая трубка. Этот проводник проходит сквозь ферритовое кольцо с вторичной обмоткой, которая выполнена двумя параллельно идущими многожильными проводами, взятыми из монтажного шлейфа. Провода в ПХВ-изоляции содержат две жилы из семи проводников медного лужёного провода диаметром 0,15 мм. Эта обмотка содержит десять витков, намотанных равномерно по кольцу. Кольцо предварительно обмотано лентой из фторопласта или лакоткани. Средняя точка вторичной обмотки получается соединением конца одного провода обмотки с началом второго.
Автор давно использует такой тип вторичной обмотки при изготовлении КСВ-метров до 50 МГц, зарекомендовавший себя как наиболее оптимальный и надёжный. Следует иметь в виду, что верхний вывод конденсатора С1 подключён к проводнику первичной обмотки Т1 после него (не со стороны подключения входного разъёма!). Шина общего провода измерителя выполнена из медного провода диаметром 3 мм. Одним концом эта шина подключена к корпусу входного разъёма, а вторым - к оплётке кабеля, идущего на переключатель SA2. Центральный провод этого кабеля подпаян к проводнику первичной обмотки Т1 после него.
Конденсатор С1 - любой подходящий с воздушным диэлектриком, С2 - КСО-1, КТК, КДК на номинальное напряжение не менее 250 В. Резисторы R1, R2, R6, R8 - МЛТ-2. Переменный резистор R3 - СП3-9а, СП3-4а или СП группы В. Подстроечные резисторы R4, R5, R7 - СП3-9а, СП4-1 группы А. Конденсаторы С3, С4 составлены из двух конденсаторов КДК ёмкостью 6800 пФ, включённых параллельно, С5 - КДК. Все конденсаторы - на номинальное напряжение 250 В. Диоды VD1, VD2 можно заменить подобранными диодами Д9Ж. Прибор РА1 - М24 с током полного отклонения стрелки 200 мкА. Можно применить другой на ток от 50 до 300 мкА с соответствующей коррекцией добавочных резисторов. От чувствительности прибора зависит минимальная мощность контроля КСВ. В авторском варианте - это 50 Вт. Выбор такой мощности сделан из соображений комфортной работы тюнера в момент согласования с большим сопротивлением нагрузки.
Все ВЧ-разъёмы - СР-50-165Ф. Для подключения эквивалента нагрузки 50 Ом применён 50-омный разъём другого типа, чтобы не путать с другими направлениями.
Тюнер смонтирован в корпусе размерами 480x320x300 мм от генератора Г3-33. К корпусу снизу привинчены резиновые ножки, в задней стенке вырезаны отверстия под разъёмы. Также на задней стенке корпуса установлена клемма "земля".
Лицевая панель тюнера и шасси изготовлены из стали толщиной 1,5 мм и представляют собой цельную жёсткую конструкцию. Они соединены посредством полуавтоматической сварки (КЭМП), но можно применить заклёпочно-винтовой способ соединений. Важно, чтобы конструкция была достаточно жёсткой, поскольку применяемые радиодетали имеют сравнительно большие размеры и массу. Панель крепления ВЧ-разъёмов размерами 442x75x4 мм изготовлена из дюралюминия и закреплена на шасси сзади. Разъёмы крепятся латунными винтами и гайками М3. Монтажные лепестки из лужёной латуни подходящего размера крепят под латунными гайками. В конструкции все площадки под винты, гайки, лепестки и разъёмы перед монтажом хорошо зачищают. Передняя панель и шасси тюнера окрашены эмалью ПФ-115 серого цвета. Все надписи сделаны переводным шрифтом (рис. 3).

Рис. 3. Передняя панель тюнера
В боковых стенках шасси в местах крепления КПЕ и вариометра вырезаны прямоугольные окна для уменьшения ёмкости монтажа. Узлы измерительного прибора, измерителя КСВ и проходной мощности закрыты коробчатыми экранами. Узел измерителя КСВ и проходной мощности дополнительно закрыт Г-образным экраном из дюралюминия.
Компоновка узлов тюнера показана на фото (рис. 4).

Рис. 4. Компоновка узлов тюнера
При монтаже КПЕ следует учесть, что они изолированы от шасси. Металлические оси управления КПЕ соединяют с осями роторов КПЕ через изоляционные высо-
ковольтные муфты. Также на оси управления крепят диски диаметром 100 мм из металла или пластика для шкал. Шкалы изготавливают на принтере или рисуют от руки на плотной белой бумаге. Рабочее поле шкал КПЕ - 360о. В лицевой панели тюнера под эти шкалы по месту вырезаны отверстия. Отверстия закрыты пластинами из оргстекла толщиной 1 мм и снабжены визирами по центру. Шкала прибора РА1 изготовлена таким же способом.
Конденсаторы С8 и С9 монтируют на задних стенках корпусов С6 и С7 соответственно. При установке вариометра обращают внимание, что ось управления вариометра соединена с его подвижными контактами. Поэтому токосъёмник подвижных контактов соединяют с ближайшим выводом катушки вариометра и подключают к общему проводу - пластине крепления ВЧ-разъёмов. В качестве шкального устройства вариометра использован модернизированный шкальный механизм от радиостанции 10РТ-26. Шкалу вариометра также изготавливают вышеуказанным способом.
Монтаж тюнера выполнен коаксиальным кабелем РК50-9-12, рассчитанным на проходную мощность более 3 кВт при КСВ=1. Измерительный узел РА1С5R3 подключён экранированными НЧ-проводами. Остальные соединения выполнены лужёной медной шиной 10x1 мм и трубкой диаметром 5 мм по кратчайшему пути. Детали С1-С4, R1, R2, VD1, VD2 смонтированы навесным способом на керамической пластине c монтажными лепестками. Как сказано выше, конденсаторы С3 и С4 составлены из пар конденсаторов ёмкостью 6800 пФ. Одни установлены на пластине, а вторые - на переключателе SА1. Подстроечные резисторы R4, R5, R7 смонтированы на боковой панели шасси для возможности регулирования извне (рис. 5). Там же сделано отверстие для регулировки конденсатора С1. Фиксатор положений переключателя SА1 необходимо несколько ослабить для более мягкого переключения. Ось переключателя SА1 выведена на переднюю панель тюнера через ось с двумя пружинными карданами. Переменный резистор R3 также установлен на лицевой панели. Элементы R3, PA1, C5 закрыты коробчатым экраном. Диоды VD1, VD2 должны быть подобраны в пару. Упрощённый подбор - по измерению прямого сопротивления цифровым измерителем сопротивлений. Для более точного подбора диодов можно воспользоваться известными методиками из литературы или Интернета.

Рис. 5. Монтаж резисторов
Все работы по налаживанию тюнера выполняются при строгом соблюдении техники электробезопасности! Настройка производится на диапазоне 14 МГц. На остальных диапазонах результаты получаются вполне приемлемые, и никаких дополнительных настроек не требуется.
Вначале проверяют правильность монтажа всего устройства. Убедившись, что всё в порядке, устанавливают переключатель SA2 в положение 1 ("50Е") и подключают к разъёму XW2 безындуктивное сопротивление 50 Ом соответствующей мощности. Подключают выход трансивера или усилителя мощности к разъёму XW1. Движок переменного резистора R3 устанавливают в крайнее правое положение (подвижный контакт соединяют с общим проводом). Переключатель SА1 устанавливают в положение 4 ("F", прямая волна). Включают трансивер в режим передачи, настраивают его П-контур на нагрузку 50 Ом и устанавливают выходную мощность 50 Вт. Если у трансивера транзисторный выход, то он уже настроен на 50 Ом. Переменным резистором R3 устанавливают стрелку прибора РА1 на середину шкалы. Переводят SА1 в положение 5 ("R", отражённая волна) и диэлектрической отвёрткой вращают ротор конденсатора С1. Стрелка прибора РА1 идёт к нулю. Возвращают SА1 в положение "F" и резистором R3 устанавливают стрелку РА1 на конечное значение шкалы. Переключают SА1 в положение "R" и конденсатором С1 устанавливают стрелку РА1 на нулевую отметку шкалы. Повторяют эту операцию и, если нужно, корректируют настройку. Эта настройка будет соответствовать КСВ, равному единице. Шкала КСВ-метра градуируется согласно расчётам по формуле
КСВ = (1+Uотр)/(1-Uотр).
Вместо 1 подставляют конечное значение шкалы, вместо U - показания в режиме отражённой волны. Полученное значение будет значением КСВ. Например, вся шкала имеет 100 делений. Показание отражённой волны - десять делений. Подставляем эти значения в формулу и делаем расчёт:
КСВ = (100+10)/(100-10) = 1,22.
Полученное значение и будет соответствовать КСВ в данной точке шкалы. Таким способом можно рассчитать всю шкалу КСВ-метра. Варьируя цифрами в этой формуле, можно отградуировать шкалу в желаемых значениях.
Далее настраиваем измеритель проходной мощности, который имеет три кратных предела измерения: 0,3 кВт, 1,5 кВт и 3 кВт. Для настройки понадобится ВЧ-вольтметр с пределом измерения напряжения 400 В. Для этих целей подойдут вольтметры, имеющие в комплекте ВЧ-делители напряжения. Почему до 400 В? Потому, что при мощности 3 кВт на нагрузке 50 Ом будет ВЧ-напряжение 387 В, при мощности 1,5 кВт - 274 В, при 0,3 кВт - 123 В. Эти значения получены расчётом по формуле
U = √(P·R).
По этой же формуле определяются промежуточные значения шкалы измерителя проходной мощности. Следует отметить, что шкала мощности нелинейна, и использовать линейную шкалу прибора РА1 напрямую для отсчёта мощности не удастся.
В режиме измерителя проходной мощности движок переменного резистора R3 устанавливают в нулевое положение. Переводят переключатель SА1 в положение 1 (0,3 кВт), уровень передачи на нуле. Подстроечные резисторы R4, R5, R7 устанавливают в положение максимального сопротивления. Плавно подают входной сигнал и контролируют ВЧ-напряжение на нагрузке 50 Ом. При достижении напряжения 123 В подстроечным резистором R4 устанавливают стрелку прибора РА1 на конечное значение шкалы. Это положение будет соответствовать проходной мощности 0,3 кВт. Аналогичным способом настраивают измеритель в других положениях SА1 в соответствии с ВЧ-напряжениями, значения которых приведены выше. Первоначально добавочные резисторы R6 и R8 имеют сопротивление 200 кОм и 470 кОм соответственно. При настройке, возможно, придётся их подобрать. Они обеспечивают плавность регулировки подстроечными резисторами R5, R7.
Промежуточные значения мощности получают из формулы. Много значений создавать вряд ли следует. Достаточно, например, оцифровать такие: 100 Вт, 200 Вт, 250 Вт, 300 Вт. Множитель даст: 0,5 кВт, 1 кВт, 1,25 кВт, 1,5 кВт или 1 кВт, 2 кВт, 2,5 кВт, 3 кВт.
Подключают к тюнеру заземление (клемма X1), сопротивление нагрузки 50 Ом (разъём XW2), выход трансивера/усилителя (разъём XW1) и согласуемую антенну (к разъёму XW5).
Переводят переключатель SА2 в положение 4 "TUNER". Включают трансивер в режиме приёма и вращают ручку настройки вариометра L1 до получения максимального шума эфира. Устанавливают мощность передачи порядка 50 Вт и настройкой конденсаторов С6 и С7 добиваются минимума КСВ. На практике лучше перестраивать конденсатор С6 с небольшим шагом, затем производить точную подстройку на минимум КСВ конденсатором С7. Если необходимо, подстраивают катушку L1, но это в последнюю очередь. Процедура повторяется до достижения минимального КСВ. Когда он получен, можно увеличивать выходную мощность передатчика.
Следует иметь в виду, что минимальный КСВ можно получить в разной комбинации положений ручек тюнера.
По достижении минимума КСВ следует проверить мощность, отдаваемую передатчиком, и убедиться в том, что его система ALC не уменьшила её значительно. Если это всё же произошло, следует искать минимальный КСВ при другом положении вариометра. Чтобы каждый раз не искать точки настройки тюнера, полезно составить таблицу положения ручек настройки по участкам диапазонов.
Необходимо помнить, что настройку тюнера следует производить на мощности менее 100 Вт! Мощность увеличивать только после настройки тюнера и не использовать режим передачи длительное время при высоком КСВ.
По окончании работы рекомендуется переводить переключатель SA2 в положение 1 ("50Е"). Желательно также предусмотреть заземление антенн по окончании работы в эфире.
Некоторые напоминания. Если применяется фидер питания антенны длиной, кратной нечётному числу 1/4λ (с учётом коэффициента укорочения), то фидер превращается в высокоомный трансформатор. Если длина фидера кратна чётному числу 1/4λ, то имеем повторитель входного сопротивления антенны. То есть к тюнеру будет подведено входное сопротивление антенны. Это следует учитывать при постройке как однодиапазонных, так и многодиапазонных антенн, чтобы получить их максимальную эффективность.
Автор: Григорий КСЁНЗ (UR4MU), г. Северодонецк Луганской обл., Украина
