Для налаживания самодельного коротковолнового усилителя мощности или трансивера радиолюбителю необходимы, среди прочих измерительных приборов,эквивалент антенны и несложный индикатор выходной мощности (он же ваттметр). Так как приобретать фирменные приборы - удовольствие не из дешёвых, некоторые несложные измерительные устройства можно изготовить и самостоятельно. Причём, если объединить конструктивно эквивалент антенны с индикатором мощности в одном корпусе, это сэкономит и место в радиолюбительском "шэке" и избавит от дополнительных соединительных проводов.
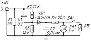
Предлагаемый в статье индикатор выходной мощности (рис. 1) состоит из эквивалента антенны, который выполнен на безындукционном СВЧ-резисторе R1 RFP250N50TC фирмы Anaren Microwave, делителя напряжения на резисторах R2, R3 и конденсаторе С1 и простейшего ВЧ-вольтметра переменного тока на элементах VD1, С1, C2, R4, PA1. Конденсатор С1 осуществляет частотную коррекцию на ВЧ-диапазонах и задаёт равномерность АЧХ вольтметра. У автора этот конденсатор самодельный. Он изготовлен из пластины фольгированного с двух сторон стеклотекстолита размерами 7x15 мм и толщиной 1,5 мм. Его ёмкость подбиралась экспериментально постепенным уменьшением с обеих сторон площадок фольги. В результате размеры его обкладок сократились примерно до 5x7 мм, а ёмкость, измеренная LC-метром фирмы MAS, составила около 0,7 пФ. Переключатель SA1 определяет пределы измерения мощности - 200 или 500 Вт, подключая параллельно измерительному прибору шунт R5.

Рис. 1. Схема предлагаемого индикатора выходной мощности
Для длительных сеансов настройки при максимальной выходной мощности усилителя в конструкции указателя предусмотрен принудительный обдув эквивалента антенны - резистора R1. Управление обдувом осуществляет термореле (рис. 2). При подаче питания электродвигатель M1 вращается с пониженной скоростью при минимальном для уверенного старта напряжении. Это напряжение определяется стабилизатором DA1 и диодом VD4. При повышении температуры теплоотвода до +55 оС сопротивление терморезистора RK1 уменьшается, открывается транзистор VT1 и срабатывает реле К1. На электродвигатель М1 поступает полное напряжение питания через диоды VD2, VD3. Эти два последовательно включённых диода снижают напряжение питания вентилятора с 13,8 до 12,6 В. Одновременно с этим загорается светодиод HL1, сигнализируя о заметном нагреве эквивалента антенны и том, что, возможно, потребуется сделать паузу в передаче.

Рис. 2. Схема термореле
Большинство деталей индикатора смонтированы на плате, изготовленной из фольгированного стеклотекстолита толщиной 1,5 мм (рис. 3). Монтаж - навесной на "пятачках". Резистор R1 закреплён (через термопасту КПТ-8) на ребристом теплоотводе размерами 90x65x35 мм от системы охлаждения микропроцессора Intel серии P4.

Рис. 3. Монтаж платы
Прибор РА1 - любой микроамперметр с большой шкалой и током полного отклонения 100 мкА. В прибор вмонтированы миниатюрные лампы накаливания СМН для подсветки шкалы. Разъём XW1 - SO239.
Шкала индикатора (я сознательно не называю конструкцию "прибором") проградуирована в ваттах. Предварительная градуировка проведена на частоте 50 Гц с помощью ЛАТРа. Затем она была проверена в середине и конце шкалы ВЧ-вольтметром ВК7-9 с подачей контрольного сигнала с выхода трансивера Kenwood TS-570. Шкала получилась, как и ожидалось, близкой к логарифмической. Полагаю, что погрешность показаний в 10...20Вт на пределе измерения мощности 500 Вт в радиолюбительской практике для боль-шинстваслучаев применения указателя вполне приемлема. Сопротивление шунтирующего резистора R5 подбирают экспериментально в процессе налаживания устройства. Требуемый его номинал определяется характеристиками используемого микроамперметра РА1. Градуировка шкалы 200 Вт проводится аналогично.
Термореле смонтировано на макетной плате. Терморезистор RK1 - ММТ-1, установлен на теплоотводе эквивалента антенны через термопасту КПТ-8. Реле К1 - РЭС49 на рабочее напряжение 12 В. Светодиод HL1 - диаметром 5...6 мм любого типа, красного цвета свечения. Электродвигатель М1 - штатный кулер размерами 120x120 мм от компьютерного БП форм-фактора АТХ. В этом же корпусе и собрана вся конструкция (рис. 4).

Рис. 4. Вид конструкции в сборе
Устройство питается от источника питания трансивера и потребляет ток не более 300 мА.
Автор: Дмитрий Иноземцев (UA1ZKI), г. Мурманск
