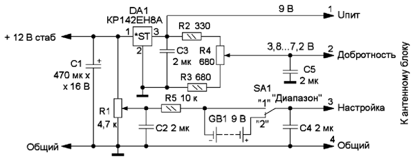
Зта антенна предназначена для приёма радиостанций в диапазоне 6...10 МГц на базовый радиоприёмник прямого усиления или на любой супергетеродин. Устройство состоит из антенного блока с умножителем добротности и антенным усилителем, а также базового радиоприёмника, содержащего блок управления антенным блоком и приёмник прямого усиления. Схема блока управления показана на рис. 1. Питают блок от сетевого стабилизированного источника питания или аккумуляторной батареи напряжением 12 В. Блок формирует стабилизированное напряжение 9 В для питания антенного усилителя в антенном блоке, напряжение перестройки по частоте и управляющее напряжение для элемента с отрицательным динамическим сопротивлением - аналога лямбда-диода.

Рис. 1. Схема блока управления
С помощью резистора R1 осуществляют перестройку антенны по частоте. Переключателем SA1 выбирают поддиапазоны. В верхнем положении переключателя на антенный блок поступает напряжение перестройки 0...12 В, в нижнем положении - 9...21 В.
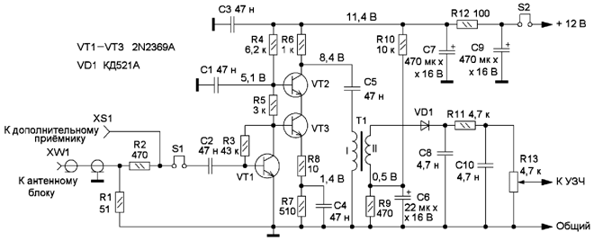
Схема приёмника прямого усиления показана на рис. 2. Его основное назначение - контроль работы умножителя добротности с магнитной антенной. Метод контроля - приём радиовещательных станций, систему АРУ он не содержит. Широкополосный ВЧ-усилитель собран на транзисторах VT1-VT3 по схеме, приведённой в [1]. Для повышения чувствительности АМ-детектора на диоде VD1 на него с резистивного делителя R9R10 подано постоянное напряжение около 0,5 В. На входе ВЧ-усилителя установлен Г-образный аттенюатор R1R2, предназначенный для согласования коаксиального кабеля, соединяющего антенный блок с базовым радиоприёмником или антенным входом дополнительного радиоприёмника. Если у дополнительного приёмника нет антенного входа, его подключение происходит за счёт надевания цилиндра ёмкостной связи на не раздвинутую телескопическую антенну. Этот цилиндр представляет диэлектрическую трубку длиной несколько сантиметров подходящего диаметра, которая обернута сверху алюминиевой фольгой. Трубку обматывают фольгой, затем делают несколько витков зачищенного многожильного монтажного провода длиной около 500 мм и обматывают изоляционной лентой. При работе антенного блока только на дополнительный радиоприёмник возможно отключение входа усилителя ВЧ и его питания перемычками S1 и S2.

Рис. 2. Схема приёмника прямого усиления
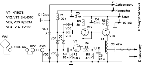
Схема антенного блока показана на рис. 3. Приём сигналов осуществляется с помощью магнитной рамочной антенны WA1, которая совместно с варикапами VD4-VD7 образует частотоизбирательный LC-контур, перестраиваемый по частоте напряжением, поступающим от блока управления. Диоды VD2 и VD3 защищают антенный усилитель на транзисторах VT1-VT3. Он собран по схеме, приведённой в [2].

Рис. 3. Схема антенного блока
В антенном блоке умножитель добротности собран на аналоге лямбда-диода VD1, изменяя его напряжение питания, можно регулировать отрицательное динамическое сопротивление, которое аналог вносит в LC-контур, образованный антенной. С изменением отрицательного динамического сопротивления изменяется добротность контура вплоть до возникновения генерации на частоте его настройки. С повышением добротности контура увеличивается его избирательность. Аналог лямбда-диода (рис. 4) собран на двух полевых транзисторах с управляющими p-n переходами и разным типом проводимости. Вольт-амперная характеристика (ВАХ) аналога показана на рис. 5. На участке г сопротивление аналога велико и практически не влияет на параметры антенны. На участке в аналог лямбда-диода вносит отрицательное динамическое сопротивление в контур антенны, и её добротность увеличивается. При переходе на участок б возникает генерация. Этот режим используется для калибровки шкалы базового радиоприёмника. Участок а не используется.

Рис. 4. Аналог лямбда-диода

Рис. 5. Вольт-амперная характеристика аналога
Усилитель ЗЧ можно применить любой с питанием от напряжения 12 В. В авторском варианте он изготовлен по схеме, приведённой на с. 19 в [3]. Описание процедуры налаживания усилителя ЗЧ приведено там же.
Питание усилителя ЗЧ от цепи 12 В осуществляется через резистор 150 Ом мощностью 0,5 Вт. Это обеспечивает развязку каскадов ВЧ от каскадов НЧ. Ёмкость оксидного конденсатора С17 (см. схему в [3]) в цепи питания усилителя ЗЧ увеличена до 470 мкФ.
Базовый радиоприёмник собран на металлическом секционированном шасси шириной 180, длиной 270 и _ высотой 35 мм (рис. 6). Каждый узел (блок управления, базовый приёмник и усилитель ЗЧ) собран на отдельной односторонней печатной плате, изготовленной с помощью резака из фольгированного стеклотекстолита толщиной 1,5...2 мм. Ненужные участки фольги удаляют. Чертёж платы блока управления показан на рис. 7 (вариант без батареи GB1 и переключателя SA1). Чертёж печатной платы приёмника показан на рис. 8, а антенного блока - на рис. 9. В требуемых местах плат просверлены отверстия диаметром 2...3 мм для крепления их с помощью винтов к шасси.

Рис. 6. Базовый радиоприёмник

Рис. 7. Чертёж платы блока управления

Рис. 8. Чертёж печатной платы приёмника

Рис. 9. Чертёж печатной платы антенного блока
В устройстве применены постоянные резисторы МЛТ, С2-23, переменный резистор R1 в блоке управления - СП-1, остальные могут быть любых типов. Оксидные конденсаторы - К50-35 или импортные, остальные - плёночные или керамические.
В ВЧ-усилителе приёмника можно применить маломощные ВЧ-транзисторы структуры n-p-n, например, серий КТ368, 2N5551, при этом может потребоваться подбор резистора R3 для получения постоянных напряжений, показанных на рис. 2. Диод VD1 - любой маломощный высокочастотный кремниевый. Трансформатор Т1 намотан на ферритовом кольце проницаемостью 600НН диаметром 10 мм проводом ПЭЛ 0,3. Первичная обмотка содержит 45 витков, вторичная - 15 витков.
В антенном блоке транзисторы 2N5401C можно заменить транзисторами 2N2894. Замена транзистора КП307Б - любой n-канальный высокочастотный с управляющим p-n переходом и начальным током стока не менее 4 мА. Катушка L1 намотана на таком же ферритовом кольце тем же проводом и содержит 25 витков, с отводом от четвёртого.
Полевые транзисторы аналога лямбда-диода смонтированы на односторонней печатной плате из фольгированного стеклотекстолита толщиной 1...1,5 мм. Её чертёж показан на рис. 10. Можно обойтись и без печатной платы, изготовив плату из текстолита и распаяв выводы транзисторов в соответствии со схемой, используя отрезки лужёного провода.

Рис. 10. Печатная плата для аналога лямбда-диода
Передняя стенка базового радиоприёмника сделана "на скорую руку" из ДВП-панели. На ней размещены динамическая головка и все органы управления (рис. 11). Резистор перестройки по частоте снабжён круговой шкалой с верньером. Плата антенного усилителя установлена в пластмассовой коробке подходящих размеров (рис. 12). Если он будет размещён внутри помещения, с антенной его соединяют отрезком коаксиального кабеля длиной около 50 см. В этом случае верхняя граница диапазона рабочих частот - 10 МГц.

Рис. 11. Передняя стенка базового радиоприёмника

Рис. 12. Плата антенного усилителя установлена в пластмассовой коробке
При непосредственном подключении антенного усилителя к антенне верхняя граница перестройки будет около 12 МГц. Но в этом случае плату усилителя надо защитить от влаги.
Кабель связи базового радиоприёмника с антенным блоком длиной около 15 м. Он состоит из коаксиального кабеля RG-58 и четырёх многожильных изолированных проводов с внутренним диаметром 0,5 мм. Кабель и провода складывают вместе и скрепляют между собой с помощью изоляционной ПВХ-ленты.
Градуировку шкалы проводят следующим образом. Подключают к устройству дополнительный радиоприёмник с цифровой шкалой и настраивают его на желаемую частоту. Переводят антенный блок в режим генерации и перестраивают его, пока сигнал не попадёт в дополнительный приёмник, и делают соответствующую отметку на шкале.
Сама антенна (рис. 13) изготовлена из алюминиевого обруча диаметром 700 мм, который закреплён на текстолитовой пластине. Сначала в неразрезанном обруче сверлятся отверстия для крепежа. Обруч накладывают на пластину и сверлят в ней "по месту" отверстия для его крепежа. Затем сверлят отверстия для крепления пластины на мачте или оконном проёме, а также отверстия для крепления коаксиального кабеля. В последнюю очередь в обруче в соответствующем месте выпиливают участок длиной 50 мм и устанавливают его на пластину. Места контактов обруча и коаксиального кабеля надо защитить от попадания влаги.

Рис. 13. Внешний вид антенны
Литература
1. Рубцов В. Двухдиапазонный приёмник "Mini-Test-2 band". - Радио, 2007, № 5, с. 64-66.
2. Гуськов В. Каскодный усилитель. - Радио, 2003, № 11, с. 34.
3. Маслаев В., Сергеев Б. Схемотехника "карманных" радиоприёмников. - В помощь радиолюбителю, 1990, вып. 106, с. 3-38.
Автор: С. Долганов, г. Барабинск Новосибирской обл.
