Как известно, для приёмных рамочных антенн ("флагов") желательно применять антенный усилитель. При его изготовлении с уровнем шума и усилением проблем нет. Это сделать легко. Но такие антенны требуют от усилителя очень высокого коэффициента ослабления синфазной составляющей (КОСС или, по-английски, CMRR - от Common-Mode Rejection Ratio). Иначе такие помехи могут полностью "испортить" параметры антенны, что часто на практике и случается и служит основанием для мнения - работают такие антенны "так себе".
Проще всего достичь цели, сделав усилитель дифференциальным с большим КОСС. Причём нужен именно такой усилитель. Применение симметрирующего трансформатора с несимметричным усилителем хорошего результата не даст. Даже у лучших таких трансформаторов (речь идёт о высокоомных трансформаторах) коэффициент подавления синфазной составляющей на частотах 1,8 и 3,5 МГц (а приёмные антенны нужны в основном на любительских НЧ-диапазонах) редко превышает 40 дБ. А этого мало - в реальных условиях, по мнению автора, требуется минимум 50...60 дБ ослабления синфазной составляющей.
Такое подавление могут обеспечить дифференциальные усилители. Проще всего их собрать на интегральных микросхемах. Идея сделать дифференциальный усилитель на дискретных элементах разбивается о практическую невозможность подобрать компоненты с точностью 0,1...0,3 %.
Обычное выполнение дифференциального каскада на операционном усилителе такое подавление даёт, но имеет недостаток, что входные импедансы его входов получаются разными. От этого антенна теряет симметрию.
Решением, полностью устраивающим, является применение специализированного дифференциального усилителя AD8129. На частотах ниже 4 МГц он имеет КОСС 80(!) дБ, кроме того, у этой микросхемы два дифференциальных входа с равным и очень высоким (более 4 MOм) импедансом. Отдельным плюсом является то, что дифференциальные входы не используются для установки усиления, т. е. их не надо нагружать чем-либо дополнительно.
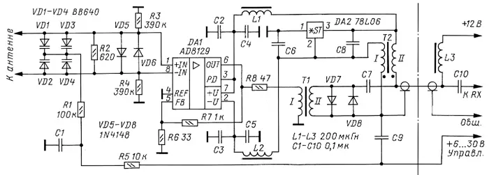
Принципиальная схема усилителя показана на рис. 1. При использовании усилителя с рамочной антенной не устанавливают варикапы VD1-VD4 и элементы цепи управления ими (R1, C1, R5, C9), а при использовании ферритовой магнитной антенны не устанавливают резистор R2.

Рис. 1. Принципиальная схема усилителя
Коэффициент усиления по напряжению (в данном случае он примерно равен 30) задаётся отношением сопротивления резисторов R7/R6. Эти резисторы никак не влияют на входной импеданс по рабочим входам (выводы 1 и 8 микросхемы DA1).
Для этой микросхемы необходим двухполярный источник питания. Обратите внимание, что в устройстве две разные "земли", и они не соединены напрямую между собой. Одна из них - это общий провод усилителя, адругая - оплётка коаксиального кабеля, соединяющего усилитель с приёмником (трансивером). Цепи L1C2C4 и L2C3C5 дополнительно фильтруют питание. Напряжение в средней точке ("землю усилителя") задаёт стабилизатор DA2. Питание на усилитель поступает по коаксиальному кабелю. Для дополнительной защиты от "грязи", которая может наводиться на оплётку кабеля, установлен развязывающий трансформатор T2. Он намотан в два провода на ферритовом НЧ-магнитопроводе так, чтобы индуктивность его обмоток была не меньше 1 мГн.
Выход усилителя через резистор R8 подключён к разделительному ВЧ-трансформатору T1, с малой межвитковой ёмкостью и отношением чисел витков обмоток 1:1. Этот трансформатор нужен для развязки по синфазному сигналу между общим проводом усилителя и оплёткой коаксиального кабеля. Резистор R8 задаёт выходное сопротивление усилителя (у самой микросхемы DA1 выходное сопротивление низкое).
Диоды VD7 и VD8 (любые кремниевые высокочастотные) защищают входные цепи приёмника. Дело в том, что микросхема DA1 может выдать выходной сигнал амплитудой до 5 В, что не для всех приёмников приемлемо. Конденсатор С7 - разделительный.
Элементы L3, С10 разделяют в "шеке" питание усилителя и вход приёмника.
Как уже упоминалось, выводы 1 и 8 микросхемы DA1 - это высокоомные дифференциальные входы. С ними надо решить три проблемы.
Во-первых, "привязать" их по постоянному току к общему проводу усилителя. Это делают резисторы R3, R4. Их сопротивление не очень важно (кроме как в случае работы с ферритовой магнитной антенной, см. ниже) - от 100 кОм до 1 MОм, но очень важна их идентичность. Эти резисторы надо подобрать с помощью цифрового мультиметра с отличием не более 0,1 % (лучше ещё меньше). Иначе они "перекосят" вход усилителя с соответствующим снижением КОСС.
Во-вторых, необходимо защитить входы при работе передатчика. Пара ВЧ-диодов VD5, VD6 с этим справляется.
В-третьих, подключить антенну и нужные ей элементы. Это зависит оттого, какая антенна будет использоваться.
Если это рамка, например "флаг", она подключается прямо к входам. Дополнительно устанавливают резистор R2 с сопротивлением, равным выходному сопротивлению рамки (обычно несколько сотен ом).
Если это ферритовая магнитная антенна, R2 не нужен, но устанавливают варикапы перестройки VD1 -VD4 и цепь управления ими из "шека" (R1R5C1C9). Кроме того, при работе с ферритовой магнитной антенной (МА) надо подумать над сопротивлением резисторов R3 и R4. Они определяют добротность контура антенны (конечно, помимо добротности самой катушки антенны). В зависимости от индуктивности, добротности МА и желаемой полосы пропускания (без перестройки) следует выбрать номиналы резисторов R3, R4.
На рис. 2 показан спектр в полосе 100 кГц на выходе описываемого усилителя при сопротивлении этих резисторов 390 кОм и подключённой ферритовой магнитной антенной, намотанной на стержне диаметром 8 мм и длиной 100 мм с магнитной проницаемостью 400. Приём происходит на диапазоне 160 метров. Антенна находится внутри помещения, поэтому, кроме полезных сигналов, видно ещё и множество помех.

Рис. 2. Спектр в полосе 100 кГц на выходе усилителя
На выходе уровень эфирного шума на частоте резонанса МА 93 дБм (вертикальная шкала на рисунке - в дБм), т. е. 5 мкВ, что примерно соответствует уровню шума полноразмерной антенны. Если надо изменить усиление, это выполняют подбором резисторов R7/R6. Микросхема AD8129 может обеспечить на низкочастотных КВ-диапазонах усиление до 100 раз.
Применение усилителя позволяет разместить антенну вдали от местных источников помех и тем самым улучшить качество приёма.
Автор: Игорь Гончаренко (DL2KQ), г. Бонн, Германия
