Каждая акустическая система (АС) 6АС-2 радиол "Мелодия – 101, 104, 105 - стерео" и их модификаций, электрофона Мелодия – 103, выпущенных Рижским радиозаводом им. Попова ПО "Радиотехника", состоит из двух головок громкоговорителя (круглые динамические прямого излучения), установленных в ящике, изготовленного из клеевой фанеры толщиной 10 мм [1]. Головки громкоговорителя смонтированы в корпусе коаксиально (axis означает ось) относительно друг друга на пластмассовом основании (без передней отражательной доски). Преимущества такого расположения громкоговорителей – ровная, без провалов, характеристика направленности, чего невозможно добиться с разнесенными, даже близко расположенными, головками. Но, с другой стороны, все конструкции таких громкоговорителей имеют один общий недостаток - за счет интерференции звуковых волн, излучаемых одновременно несколькими головками, суммарная амплитудно – частотная характеристика (АЧХ) звукового давления, в зоне их совместного действия, приобретает ряд локальных пиков и провалов на средних и высоких частотах. Для устранения этого явления необходимо или повысить крутизну скатов АЧХ разделительных фильтров (что значительно усложняет их конструкцию), или сблизить центры излучения головок. Отсутствие передней отражательной доски тянет за собою значительные потери вследствие дифракции звуковых волн (эффект baffl-step) - одного из видов искажений, влияющий на качество звучания любой акустической системы. Этот тип искажений проявляется в частотном диапазоне от 100 до 800 Гц и представляет собой плавное уменьшение акустического давления, создаваемого акустической системой, ниже определенной частоты (для 6АС-2 эта расчетная частота равна 732 Гц). Реально измеренное значение потерь составляет 3-4 дБ [2].
Для демпфирования подвижной системы основной головки Гр 1 (рис. 1) на частотах, близких к частоте ее механического резонанса, весь свободный объем ящика акустической системы 6АС-2 заполнен хлопчатобумажной ватой. Кроме того, головка Гр 1 имеет небольшие размеры. Все это определило низкую чувствительность акустической системы 6АС-2 и вызвало в ее частотной характеристике спад в области нижних частот (рис. 2).
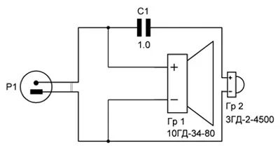
а)

б)

в)

г)
Рис. 1. Акустическая система 6АС-2: а) вид сбоку; б) вид спереди (со снятой декоративной решеткой): 1 - соединительный шпур; 2 - задняя стенка; 3 - прокладка; 4 - ящик; 5 - головка громкоговорителя Гр 1; 6 - деревянный угольник для увеличения жесткости ящика; 7 - конденсатор С; 8 - пружина крепления декоративной решетки; 9 - основание головок громкоговорителя; 10 - декоративная решетка; 11 - головка громкоговорителя Гр 2; в – внешний вид; г – схема электрическая принципиальная

Рис. 2. АЧХ звукового давления акустической системы 6АС-2
Указанные особенности АС скомпенсированы характеристиками тракта низкой частоты при разработке "Мелодий". Для выравнивания частотной характеристики звукового давления акустических систем тракт НЧ радиолы имеет частотную характеристику со значительным подъемом в области нижних частот (на частоте 60 Гц около 14 дБ). Необходимая же величина звукового давления при работе акустических систем обеспечивается повышенной выходной мощностью тракта НЧ (максимальная выходная мощность радиолы "Мелодия-101 -стерео" около 15-20 Вт).
Из выше изложенного следует, что 6АС-2 и усилитель "Мелодии" спроектированы для совместной работы. Что бы подключить АС к нештатному источнику сигнала необходимо ее доработать.
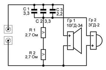
Среди недостатков, следует отметить, также, вибрацию стенок корпуса, значительные неравномерности амплитудно-частотной характеристики в области средних частот. Последнее обусловлено тем, что низкочастотная головка 10ГД-34, выполняющая, также, функцию и среднечастотного звена, имеет резкий спад АЧХ звукового давления с 4,5 кГц (рис. 3, а). Высокочастотная же головка 3ГД-2 включена через фильтр первого порядка с полосой среза 10 кГц. Выровнять АЧХ звукового давления на средних частотах довольно просто - снизить частоту среза фильтра. В подобной АС [3] М. Корзинин установил фильтр с частотой раздела 4 кГц. Однако, в таком случае частота основного резонанса ВЧ головки, а это 4,5 кГц, выше частоты среза, что не желательно. Работающий на частоте основного резонанса динамик 3ГД-2 не может обеспечить полноценного качественного звучания. К тому же, предложенный фильтр трудоемкий в изготовлении (намотка двух катушек индуктивности). Существует более простой вариант. Для этого разделительный конденсатор ВЧ головки устанавливают емкостью 8,8 мкФ (параллельно включенные пленочные конденсаторы: два по 3,3 мкФ и один 2,2 мкФ с рабочим напряжением 400 В). Поскольку такая доработка вплотную приблизит частоту среза к частоте основного резонанса ВЧ головки, последнюю шунтируют резистором 5,4 Ом мощностью 3 – 5 Вт. Такой шунт выровняет частотные характеристики чувствительности головок, электрические сопротивления и, самое важное, демпфирует резонансы ВЧ головки, включая основной [4]. Последнюю, при этом, подключают в противофазе относительно к НЧ головке (рис. 4). В описываемой конструкции применены два последовательно соединенные резисторы по 2,7 Ома мощностью 5 Вт. Общую емкость конденсаторов фильтра рассчитывают с помощью онлайн калькулятора [5]. При расчете учитывается общее сопротивление постоянному току головки 16 Ом и резистора-шунта 5,4 Ом. Таким образом, головка 3ГД-2 будет работать уже с 4,5 кГц, обеспечивая полноценное звучание АС, во всем диапазоне. Следует заметить, что одной из конструктивных особенностей 3ГД-2 является наличие шелкового купольного диффузора, который обеспечивает относительно ровную характеристику АЧХ звукового давления с 2 до 18 кГц (рис. 3, б).


а)


б)
Рис. 3. Головки динамические АС 6АС-2 и их амплитудно-частотные характеристики звукового давления: а - 10ГД-34; б – 3ГД-2

Рис. 4. Схема электрическая акустической системы 6АС-2 (доработанной)
Для выравнивания звукового давления акустической системы в области НЧ, следуя примеру И. Смирнова [6], добавляют в АС фазоинвертор (ФИ). Автор использовал пластиковую трубу внутренним диаметром 50 мм и длиной 100 мм. Такое решение верное, так как для изготовления АС с ФИ подходят головки с низкой (Q < 0,6) добротностью (у 10ГД-34 она равна 0,45). Частота настройки такого ФИ составляет 90 Гц. Такое значение не приемлемо, потому что резонансная частота головки 10ГД-34 в открытом пространстве равна 80 Гц, на которую проще всего настраивать фазоинвертор [7]. Оптимальная же (минимально возможная) частота настройки ФИ для указанной головки составляет 35 Гц.
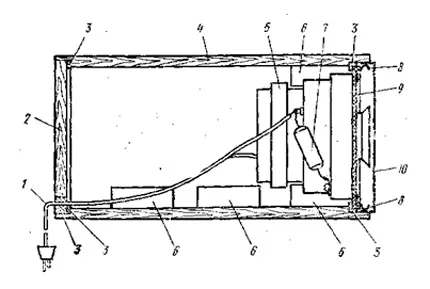
Многолетняя практика эксплуатации головок 10ГД-34 в акустическом оформлении с фазоинвертором определила наилучшую частоту его настройки – 55 Гц. Вычисляют размеры порта фазоинвертора для указанной частоты с помощью компьютерной программы BassPort. Исходя из полученных расчетов, в задней стенке корпуса АС (рис. 5.) вырезают отверстие диаметром 35 мм и вклеивают в него отрезок картонной трубки с внутренним диаметром 32 мм и длиной 130 мм. На задней стенке также устанавливают плату из фольгированного стеклотекстолите размерами 50 Х 50 мм с элементами фильтра и проводников смонтированных поверхностно. На оставшиеся свободное место наклеивают войлок толщиной 10 – 15 мм или поролон. Наполнитель (хлопчатобумажную вату) удаляют.

Рис. 5. Расположение элементов на задней стенке корпуса АС: 1 – задняя стенка; 2 – звукопоглощающий материал; 3 – порт фазоинвертора; 4 – плата фильтра
В заключение, швы стенок герметизируют, сами стенки изнутри покрывают самоклеющимся вибропластом толщиной 1,5 мм или линолеумом, НЧ головке обеспечивают мягкое крепление (устранение вибраций стенок корпуса). На задней стенке монтируют четыре резиновые ножки.
После такой нехитрой и простой доработки 6АС-2, как объективные показатели измерений АЧХ звукового давления (рис. 6), так и субъективная экспертиза прослушивания музыкальных программ, отмечают значительное улучшение ее качества звучания. Для тестирования головок и акустической системы используют измерительный микрофон, ПК и программу RightMark Audio Analyzer 6.2.4. [8].

Рис. 6. АЧХ звукового давления акустической системы 6АС-2 после доработки
Два громкоговорителя располагают, по примеру Р. Кунафина [4], динамиками вверх. Допускается эксплуатация 6АС-2 с усилительным устройством, отдающим мощность 15…25 Вт на канал, чего вполне достаточно для обеспечения качественного озвучивания помещения объемом до 100 м3.
Для тех, кто считает переворот корпусов АС неуместным, АС дополняют звеном 1-го порядка, корректирующее высокие частоты в полосе baffl-step (рис. 7) [8]. Эта цепь компенсирует подъем АЧХ громкоговорителя, связанного с переходом от всенаправленного излучения к излучению в полупространство. Частота перехода Fd составляет 700 Гц, а уровень ослабления N – 6 дБ (из графика АЧХ на рис. 6). При этом величину компенсирующего резистора Rk принимают равную сопротивлению нагрузки Rн – 4 Ом, индуктивность компенсирующей катушки Lk составляет 1,3 мГн. Более точно сопротивления резистора и индуктивность катушки подбирают исходя из субъективных впечатлений или результатов измерений.

а) б)
Рис. 7. Звено 1-го порядка корректирующее высокие частоты: а – принципиальная схема; б) – АЧХ
Литература.
1. Дерявин В. Транзисторные стереорадиолы первого и высшего классов. - М.: Связь", 1979.
2. Алексеев И. Об искажениях частотных характеристик малогабаритных акустических систем и "глубоких басах", Радиохобби № 5, 2000.
3. Корзинин М. Пассивный излучатель в громкоговорителях 6АС-2, - Радио № 2, 1984.
4. Кунафин Р. Новое звучание 6АС-2. – Радио № 3, 2000.
5. http://www.aie.sp.ru/Calculator_filter.html.
6. Смирнов И. "Мелодия" звучит лучше. - Моделист конструктор № 10, 1985.
7. Эфрусси М. Громкоговорители и их применение. М. – Энергия, 1976.
8. Афонин С. Создание акустических систем в домашних условиях. – М.: "Эксмо", 2008.
9. Алдошина И. Высококачественные акустические системы и излучатели. – М: Радио и связь, 1985.
Автор: Владимир Марченко, г. Умань, Украина
