АС "Радиотехника S-50B" при бережной эксплуатации сохраняет работоспособность многие годы. Как оказалось, звучание этой АС можно существенно улучшить несложной доработкой с заменой ВЧ-головок и изменениями в кроссовере.
Акустическую систему "Радиотехника S-50B" выпускало Рижское ПО "Радиотехника" с первого квартала 1982 г. [1]. На время выпуска система представляла собой достаточно качественный образец акустической системы (АС), которой комплектовалась отечественная радиоаппаратура.
Принципиальная схема этой АС приведена на рис. 1. Согласно схеме пассивный кроссовер колонки выполнен на фильтрах второго порядка. О влиянии порядка фильтров на работу динамических головок достаточно много пишут в литературе, причём большинство авторов отмечают большую эффективность применения фильтров более высокого порядка. Для доказательства этого они приводят графики измерений АХЧ колонок и восхитительные высказывания о качестве их работы. Вместе с тем результаты субъективных экспертных прослушиваний АС с применением фильтров первого порядка не всегда подтверждают это. К сожалению, инструментальные замеры характеристик АС в безэховой камере не позволяют в полной мере оценить их качество. Экспертное прослушивание является необходимым элементом оценки.

Рис. 1. Принципиальная схема АС
В литературе [2, 3] приводятся описания использования в кроссовере последовательных фильтров, позволяющих по-иному взглянуть на формирование частотных полос громкоговорителей. Этому способу присущ ряд достоинств, позволяющих повысить качество звучания.
Для проверки этого решения проведена модернизация акустической системы "Радиотехника S-50B". С этой целью были взяты две работоспособные колонки, разница в звучании которых практически отсутствовала. Эффективность вносимых изменений проверялась сравнением результатов прослушивания переделанной колонки с контрольной. При проведении испытаний использовался модернизированный усилитель "Радиотехника У-7101" [4]. Дополнительно внесены изменения в комплектацию и конструкцию некоторых элементов АС.
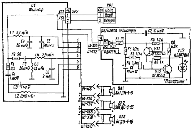
Схема модернизированного варианта АС (плата индикации не показана) приведена на рис. 2. Как видно из схемы, произведена замена динамической головки 6ГДВ-1 на изодинамиче-скую 10ГИ-1-4. Эта головка имеет более совершенные технические характеристики и большую мощность [5]. Использование последовательного фильтра позволяет сочетать в различных полосах головки с разным номинальным сопротивлением [2]. Это свойство в данной ситуации оказалось очень кстати. Коррекция отдачи на ВЧ осуществляется подбором резистора R1.

Рис. 2. Схема модернизированного варианта АС
Среднечастотная головка 20ГДС-1 имела множество нареканий на качество звучания. Многие авторы предлагали немало способов для его улучшения. Применение теннисных шариков и переклейка пылезащитного колпачка к существенным изменениям звучания не приводила. Но стало очевидным, что малая жесткость колпачка являлась одной из причин претензий. Поэтому доработка началась именно с неё - пылезащитный колпачок был покрыт двумя слоями растворённого в ацетоне целлулоида. Жёсткость колпачка при этом существенно выросла, фактически произошло армирование купола. Далее на купол колпачка был приклеен рупор подходящего размера, который несколько улучшил звучание головки на частотах выше 4 кГц.
На отдачу головок влияет величина остаточной намагниченности установленных магнитов. Для проверки эффективности введения дополнительного магнита две динамические головки были скреплены диффузорами навстречу друг к другу. На одну из головок подавался сигнал от генератора ЗЧ, а вторая головка была подключена к милливольтметру. Устанавливая дополнительный магнит в необходимой полярности к основному магниту, можно убедиться, насколько будет эффективно дополнительное магнитное поле. В испытываемой мной головке отдача увеличивалась на 2 дБ. Дальнейшее увеличение числа магнитов эффекта не имело, поэтому к основному магниту был приклеен только один магнит. Общий вид доработанной СЧ-головки показан на рис. 3. На низкочастотных головках проведение этой операции не выявило необходимости в дополнительных магнитах.

Рис. 3. Общий вид доработанной СЧ-головки
После демонтажа ненужных элементов детали нового кроссовера размещены на его прежней плате (нумерация элементов изменена). В соответствии с новой схемой кроссовера (см. рис. 2) добавлены только конденсатор С1 6,8 мкФ на напряжение 160 В (К73-11) и катушка L2 индуктивностью 0,3 мГн; всё остальное на плате уже было. Кроме того, были изменены номиналы мощных резисторов (R1) для выравнивания отдачи ВЧ-головок. На рис. 4 показана установленная в колонку модернизированная плата фильтров.

Рис. 4. Установленная в колонку модернизированная плата фильтров
Объём звукопоглощающего материала увеличен в каждом корпусе на 50 %, а в стакане СЧ-голов-ки - на 70 %. Отсчёт производился от заводских значений установки поглотителя. Имеющийся в корпусе звукопоглотитель (вата в сетке) сосредоточен в верхней части колонки, а добавочный свёрнут в тряпичный мат и размещён на задней стенке за НЧ-головкой.
ВЧ-головка развёрнута на 90о относительно рекомендуемого в связи с необходимостью вписаться в облик декоративной панели с решёткой. Если этого не сделать, то часть щелевых отверстий излучателя будет закрыта панелью. В этом случае придётся вносить изменения в конструкцию панели, что весьма непросто. Я прослушал оба варианта расположения головки и, не отметив заметных изменений в диаграмме направленности, принял вариант горизонтального расположения щелей головки. Дополнительный рупор в СЧ-головке и оптимизация расположения АС позволяют смягчить противоречие, но не исключают применения и рекомендованного производителем варианта.
Практически разметка под установку головки была осуществлена следующим образом. От верхней точки окружности контура СЧ-головки отложено 4 мм вверх и проведена линия, которая являлась нижней границей установки ВЧ-головки. Далее вычерчены остальные линии разметки по размерам периметра головки и проведено выпиливание отверстия. Крепление головки осуществлено посредством двух лапок, которые подтягивали её при закручивании винтов.
Герметичность установки обеспечена уплотнителем, расположенным по периметру задней панели излучателя. В качестве уплотнителя использована резиновая трубка с клеевой полоской, которую применяют для герметизации дверей и окон. Такой же уплотнитель применён при установке остальных головок. Процесс завершения установки головок показан на рис. 5.

Рис. 5. Установка ВЧ-головок
Некоторые изменения внесены в конструкцию декоративной панели и решётки группы излучателей СЧ-ВЧ. Они необходимы для сокрытия следов от круглого отверстия прежней головки и организации рупора для новой. Обратная сторона декоративной панели с внесёнными изменениями показана на рис. 6. Общий вид завершённого изделия показан на рис. 7.

Рис. 6. Обратная сторона декоративной панели с внесёнными изменениями

Рис. 7. Общий вид завершённого изделия
Результаты практического сравнения двух колонок показали хорошо различимое преимущество модернизированного варианта. Звучание стало более рельефным, улучшились импульс ные характеристики. Стала очевидной его большая эмоциональная детальность. Стыковка полос, атаки в звуча ни ях музыкальных инструментов и тембры - всё изменилось в лучшую сторону.
Литература
1. Акустическая система "Радиотехника S-50B”. - URL: http://rw6ase.narod.ru/00/ as/radiotehnika_s50w.html (22.03.18).
2. Елютин А. Последовательный кроссовер. - URL: http://www.автозвук.рф/az/ 2010/01/082-krossover.htm (22.03.18).
3. Шихатов А. Последовательные фильтры в кроссовере АС. - Радио, 2017, № 12, с. 13- 16.
4. Платоненко В. Вторая жизнь усилителя "Радиотехника У-7101С". - Радио, 2018, №1, с. 12-15.
5. 10ГИ-1-4. - URL: http:// ldsound.ru/10-gi-1-4/ (22.03.18).
Автор: В. Платоненко, г. Набережные Челны
