При работе со звуковыми файлами в компьютере иногда не достает привычного, "не виртуального" аналогового регулятора громкости: например, если внезапно возрос уровень звукового сигнала, а на экране дисплея находится окно другой программы, не имеющей отношения к звуковой карте. Можно, конечно, воспользоваться головными телефонами, в которых имеется такой регулятор или изготовить переходник с регулятором, который включается между линейным выходом звуковой карты компьютера и головными телефонами. Однако не всегда удается найти низкоомный (в несколько десятков ом) сдвоенный переменный резистор для такого регулятора.
Наиболее подходящим выходом из положения для меня оказался дополнительный усилитель для головных телефонов, который можно запитать от свободного гнезда USB они имеются в каждом современном компьютере Такой дополнительный усилитель для головных телефонов (далее УГТ) можно разместить в более удобном месте, чем рядом с гнездом линейного выхода звуковой карты, расположенным обычно на задней панели компьютера Для такого УГТ потребуется минимум деталей.
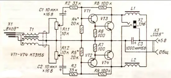
Одна из схем подобного устройства изображена на рис. 1

Рис. 1
Каждый из каналов УГТ представляет собой каскад усиления на составном транзисторе, нагруженном дросселем L1 (12) Это позволяет подключать к выходу УГТ головные телефоны избегая дополнительных оксидных конденсаторов вносящих нелинейные и частотные искажения. Они возникают из-за электрохимических процессов происходящих в конденсаторах во время их периодической перезарядки Усиление напряжения в таком УГТ может быть небольшим - 3...5 раз оно диктуется соотношением сопротивлений резисторов R2 и R8(R3 и R9).
На входе УГТ установлен регулятор громкости - сдвоенный переменный резистор R1. В процессе испытаний УГТ оказалось, что через замкнутую петлю общего провода проникают помехи от цифровых узлов компьютера С такими помехами помог справиться заградительный дроссель-трансформатор Т1 на кольцевом магнитопроводе (сложенные вместе три кольца К10x7x3 из феррита М2000НМ). На кольца наматывают 3-4 витка экранированного кабеля, ведущего к разъему линейного выхода звуковой карты компьютера. Кольцо можно выбрать и большего диаметра, в зависимости от толщины кабеля. Трансформатор Т1 лучше разместить около штекера Х1, при желании его можно закрыть декоративным чехлом.

Рис. 2
Сдвоенный переменный резистор R1 должен иметь нелинейную характеристику типа В Если такой отсутствует то можно применить сдвоенный резистор и с линейной характеристикой (типа А) но тогда УГТ целесообразно построить по схеме изображенной на рис. 2 где регулятор громкости включен в цепь отрицательной обратной связи.
В обоих вариантах УГТ в качестве дросселей L1 L2 могут быть применены выходные трансформаторы от старых портативных радиоприемников, например, от "VEF-202" или аналогичных. Первичную и вторичную обмотки следует включить последовательно (согласно) В авторском исполнении использованы два идентичных трансформатора от телефонных аппаратов West Electric выпуска 60-х годов прошлого века (суммарная индуктивность их обмоток - около 1 Гн) Наверное, подойдут и аналогичные трансформаторы от телефонных аппаратов советского производства, все обмотки которых также соединяют последовательно. Необходимо избежать использования той части первичной обмотки, которая намотана нихромовым проводом и имеет значительное активное сопротивление Активное сопротивление обмотки дросселя не должно превышать 30 Ом.
Транзисторы могут быть КТ315Б, отобранные попарно по коэффициенту передачи тока.
Усилитель смонтирован на макетной печатной плате.
Для первого включения усилителя желательно запитать его от батареи Если суммарный ток покоя транзисторов в каждом из каналов установится равным 15...20 мА то налаживания не требуется. Если же этот ток окажется меньше, то необходимо подобрать резисторы R4 R5 (R6, R7 для схемы рис. 2).
На головных телефонах сопротивлением 32 Ом усилитель обеспечивает мощность до 80 мВт. Уровень нелинейных искажений, вносимых УГТ, автор не измерял, но на слух звучание оказалось не хуже, чем при прямом подключении головных телефонов к выходу звуковой карты компьютеоа.
Автор: М Сапожников, г. Ганей-Авив, Израиль
