на главную
Карта сайта
English version
Вы читаете:

Однотактный стереоусилитель на пентодах

Аудиотехника
10 лет назад

Однотактный стереоусилитель на пентодах

9

При создании этого усилителя ставилась задача сделать максимально простую конструкцию с хорошими параметрами и приличным дизайном, пригодную для повторения начинающими радиолюбителями. В усилителе применены только готовые моточные узлы (сетевой и выходные трансформаторы, дроссель) от бытовой ламповой аппаратуры прошлого века.

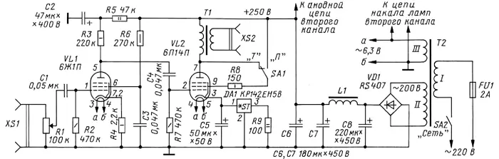
Схема одного из каналов усилителя приведена на рис. 1. Входной сигнал поступает на регулятор громкости R1 и далее через конденсатор С1 на управляющую сетку лампы VL1. Пентод 6Ж1П был выбран из соображений экономичности (ток накала лампы - 180 мА), недефицитности и приличных параметров (эта лампа использовалась в микрофонных усилителях профессионального применения).

Схема одного из каналов усилителя

Рис. 1. Схема одного из каналов усилителя

 

С резистора нагрузки R3 через конденсатор С4 усиленный сигнал поступает на управляющую сетку лампы выходного каскада VL2. Лампа VL2 работает с автоматическим смещением, но в цепь её катода включён источник тока на микросхеме КР142ЕН5В (стабилизатор напряжения + 5 В). Вход стабилизатора подключён к выводу катода лампы, а к его выходу подключён токозадающий резистор R9. При сопротивлении резистора 100 Ом ток анода лампы VL2 равен 50 мА. Применение источника тока позволило улучшить линейность частотной характеристики усилителя.

Переключатель SA1 в цепи питания экранной сетки VL2 позволяет выбирать режим включения лампы - пентодный или триодный. В пентодном режиме максимальная выходная мощность усилителя составляет около 2 Вт на нагрузке 8 Ом в полосе рабочих частот 120 Гц...25 кГц по уровню -3 дБ. В триодном включении мощность усилителя - не менее 1 Вт на нагрузке 8 Ом и полосе 40 Гц...12,5 кГц по уровню -3 дБ. Помимо различий в электрических характеристиках режимов, существенно отличается и характер звучания.

Усилитель собран на шасси, представляющем собой стальную раму размерами 240х150х х54 мм, припаянную к стальному листу размерами 240х150х0,7 мм, в котором предварительно вырезаны необходимые отверстия для установки радиоламп, сетевого и выходных трансформаторов, для вентиляции. Места пайки листа и рамы тщательно промыты, зачищены и зашпаклёваны полиэфирной автомобильной шпаклёвкой, после чего всё шасси загрунтовано и покрашено автомобильной эмалью (рис. 2).

Элементы усилителя

Рис. 2. Элементы усилителя

 

Выходные трансформаторы помещены в стальные экраны. Это, скорее, эстетическая, чем техническая необходимость. Для этой цели были найдены подходящие металлические коробки, внутри которых по углам были припаяны винты М3 с предварительно отпиленными головками. Винты должны выступать наружу за край коробки на 6...8 мм, с их помощью коробки крепятся к шасси с нижней стороны четырьмя гайками М3. Экраны трансформаторов также загрунтованы и покрашены автоэмалью.

Фронтальная панель усилителя вырезана из алюминиевого листа марки АМГ-5 толщиной 1,5 мм, отполирована мелкой наждачной бумагой под струёй тёплой воды и покрыта бесцветным автомобильным лаком. На панели установлены сетевой выключатель с подсветкой и регуляторы громкости каналов. Панель имеет размеры 240x65 мм, её верхняя кромка выступает над шасси на 10 мм.

На задней стенке шасси установлены сетевой разъём с предохранителем, нажимной клеммник WP4-18FB для подключения акустических систем и два RCA гнезда RS-104 или RS-115 (типа тюльпан) входов левого и правого каналов.

Монтаж усилителя начинают с прокладки цепей питания накала ламп перевитой парой проводов. Все детали усилителя монтируют в подвале шасси навесным способом на выводах панелей ламп и на контактных площадках, изготовленных из полосок фольгированного с одной стороны стекло текстолита. Конденсаторы С6-С8 закреплены на пластинах из оргстекла (рис. 3). Также в подвале шасси вдоль его передней панели припаивают медный лужёный провод диаметром 1,5...2 мм, который служит общим проводом.

Монтаж усилителя

Рис. 3. Монтаж усилителя

 

Все постоянные резисторы - ВС, МЛТ или УЛИ, переменные - серии 16К1 или S16KN1 с функциональной характеристикой В. Оксидные конденсаторы - К50-35 или их импортные аналоги, остальные - МБМ (С1) и БМТ-2 (С3, С4). Номиналы могут отличаться на ±20 % от указанных на схеме.

Выходные трансформаторы - ТВ-3Ш или аналогичные от выходных НЧ-каскадов телевизоров на лампах 6П14П. Сетевой трансформатор Т2 - от магнитофона "Комета-201" или любой другой, обеспечивающий на вторичной обмотке напряжение 190...200 В при токе 150 мА. Дроссель фильтра питания - Д-16, Д-17.

Диодный мост RS407 анодного выпрямителя выбран с большим запасом. Его можно заменить на КЦ401 -КЦ405 или любой другой с обратным напряжением 500 В и током 300 мА. Переключатель SA1 - МТ1, SA2 - MIRS-101-8C3 с подсветкой.

Собранный из исправных деталей усилитель начинает работать сразу и в налаживании практически не нуждается. К выступающей части фронтальной панели с её внутренней стороны на силиконовый бесцветный герметик приклеено тонированное стекло толщиной 5...6 мм (рис. 4). Торцы стекла отшлифованы ленточной шлифмашиной. Если у вас нет электроинструмента, но есть время, шлифовку стекла можно сделать вручную на твёрдой ровной поверхности, положив на неё наждачную бумагу. Приклеивать стекло следует в самую последнюю очередь, после того как весь усилитель окончательно собран.

силитель в сборе

Рис. 4. Усилитель в сборе

 

Автор: О. Платонов, г. Пермь

Мнения читателей
  • Владимир/30.09.2017 - 08:23

    ТРЕНИРУЕМ СЛУХ. Это маленькое эссе для тех, кто, слушая хочет слышать. Если выполнять эти два упражнения в течении месяца регулярно, каждый день, то через недели три-четыре раскроется мир удивительных звуков, тех которых мы не замечали. Через месяц можно перейти на поддерживающие тренировки 1-2раза в неделю. 1. Первое упражнение - тренируем чувствительность слуха. Берём наручные механические часы и подносим к уху так, что бы услышать, как они тикают. Теперь постепенно отдаляем часы от себя, сохраняя слышимость работы часов. Выполнить 5раз по одной минуте, с перерывом 2-3минуты. Конечным результатом должно быть сохранение слышимости на вытянутой руке и даже больше. Заниматься необходимо в «тихой» комнате без настенных механических часов. 2. Второе упражнение - тренируем избирательность слуха. Для того включаем свою любимую музыкальную композицию и слушаем партию бас-гитары (или тубы), не обращая внимания на другие инструменты, то есть 2-3 минуты мы сосредоточены на бас-гитары. Если всё получилось нормально, то включаем композицию занова и слушаем только ударник. Затем только ритм-гитару, затем скрипку (если есть), затем соло-гитару, затем бет-вокал и в последнюю очередь солиста, каждый раз включая музыку снова. Таким образом каждую песню надо прослушать 5-7раз. И в последний раз слушаем песню, как бы всю целиком слыша каждого исполнителя. Это поначалу кажется сложно, на самом деле всё просто. Примерно через месяц у вас появится такое слуховое внимание, что из всей какафонии звуков будете слышать нужное только вам, то, что вам действительно интересно. Желаю вам удачи.

  • Владимир/29.09.2017 - 19:16

    Немного критики. В современном мире всё стало с ног на голову. То, что 5-10лет назад осуждалось, сейчас становится нормой: скромность сейчас не в почёте, энергия, напор – это «круто»; китайские «балалайки» - 50Вт, стерео, а на проверку оказывалось, выход 0,5Вт, моно, и головка стирающая просто магнит; внешний блеск, а внутри радиохлам. А что творится на западе, с которого Россия берёт пример? Однополые браки, в детсадах к детям обращаются «оно», есть случаи отъёма детей из нормальных семей, что бы передать их однополым семьям… То же самое происходит и с аппаратурой, воспевается внешний блеск с говённым содержанием. Придумали якобы стандарт «хай-енд», но к нему нет технических условий, типа: полоса – от и до, КНИ – такие-то, шум – такой-то и т.д. Голос вопиющего в пустыне уже никто не слышит, я имею в виду Никитина, статья №4 http://kinel-sound.narod.ru/index/0-14, давай мощу и вешний блеск. Современные системы (двух-трёх полоски) звучать громко, качественно, но не верно. То, что было изначально, и то, что мы слышим не одно и то же. Вернее электрический сигнал (если это не МП-3) содержит все нюансы, все оттенки, а вот аппаратура воспроизвести не может. При переходе с ламповой аппаратуры на транзисторную, появился новый вид искажений – интермодуляция, именно эти искажения производят маскировку тихих звуков, громкими, вот уже и нет нюансов в музыке. Проверить очень легко: подадим на вход транзисторного усилителя 1кГц, на выходе на номинальной мощности увидим КНИ к примеру ноль целых, ноль десятых. Теперь подадим на вход два сигнала (а музыка - это многотоновый сигнал) 250Гц и 8кГц, на выходе увидим лес гармоник около 8кГц, гармоники кратные 250Гц. Значит, на выходе транзисторного усилителя имеем не чистый, а грязный звук, дополненный гармониками, которых не было на входе. Замечу ламповый усилитель (конечно же настроенный) имеет гораздо более низкий ИМД, чем транзисторный УНЧ. Но качественный ламповый усилитель – это ещё пол дела, так как вносит в электрический сигнал от 1 до 5% искажений на номинальной мощности, а вот акустика от 15% и выше – это самая большая проблема. Да и эта проблема решаема, надо на динамик подавать 10% номинальной мощности. Ну, это же тихо будет, - воскликнет кто нибудь. Да, тихо, если в АС стоит один динамик, а вот если в АС будет двадцать или более, то и 5-10-Вт на канал будет достаточно, что бы почувствовать атмосферу зала. Вот так плавно подошли к ГИ. Подытоживая, можно сказать, что наибольшие КНИ и ИМД в аппаратуре возникают оконечном усилителе, то ламповый УНЧ должен иметь запас по мощности (20-30Вт). То же самое относится к ГИ, что бы АС работала без искажений, то же нужен запас по мощности. Только в том случае, когда и УНЧ, и АС работают на малых мощностях, можно получить минимальные искажения. Вспомним о критике: у ГИ большие габариты! Да - это один, но самый большой недостаток ГИ, который пугает любителей музыки приобрести или изготовить щит. Зададимся вопросом, когда промышленность перешла на производство компактной бытовой аппаратуры? С конца 60-х и начало 70-х годов прошлого столетия появилась тенденция – микроминиатюризации аппаратуры на основе транзисторов, ну и пошло-поехало, транзисторы, микросборки, микросхемы… В акустике то же самое, промышленность отказалась от ОЯ в пользу ЗЯ, ФИ и других конструкций. Вот и пошли с конвеера полочники, типа 6АС, 15АС (она же S-30), S-90 (во всех вариациях). Звук стал чистым, качественным, но «мёртвым». Это как смотреть в кинотеатре захватывающий фильм, когда переполняют эмоции… но в какой-то момент понимаешь всё это действо не настоящее – искусственное! Аналогично, слушая всякие ЗЯ, ФИ, Орты, Карлсоны, Клипши, Рупора (прямые и обратные), и понимаешь всё это как-то искусственно. А что ГИ? ГИ опошляют, типа не любой жанр отыграют… хотя как раз наоборот ГИ «всеядны», ГИ не бухает, как резонансная акустика на одной ноте. Хотя большенству людей достаточно, что бы громко играла музыка, был бы мотив узнаваем, что б от бас-бочки ливер сотрясался… Щит ГИ для гурманов, коих мало, ГИ создаст эффект присутствия, и не надо закрывать глаза, настраиваться, а просто чувствуешь свою вовлечённость в музыкальную композицию. Какой хорошей работа щита не была, всё равно народ выбирает ФИ – компактный, громко звучащий, эффектно отделанный шпоном. Но, вспомним: «В современном мире всё стало с ног на голову», хорошее и плохое поменялись местами, внешний блеск без содержания…

  • Владимир/12.09.2017 - 19:55

    ЛИТЕРАТУРА. Лабутин В.К. Новое в технике высококачественного усиления 1957г. - требования к УНЧ стр.6; график перехода от пентода к триоду стр.12; схемы фазоинверторов стр.20; схема фонокорректора стр.31; схема темброблока стр.34; регулятор громкости стр.40; Двухтактный УНЧ на КТ66 стр.44-46. Сворень Р. Усилители и радиоузлы 1965г. скорость распространения звука стр.2-59; однотакты стр.109; расчёт ТВЗ стр.114, диаметр провода-сечение стр.116; оптимальная нагрузка для 6П14П стр.120; Рном для УНЧ стр.126; уровень фона стр.128; тембр и АЧХ стр.131; требования к Ср стр.137; нагрузка выходных триодов, пентодов стр.140;ОС в УНЧ стр.157; режимы выходных ламп 6П-1П-3П-6П-14П стр.160; размер дросселя при токе 40-60мА стр.166; двухтакты, КПД стр.176;режимы А,АВ,В стр.177; схемы ФИ стр.196; как сделать КНИ мин – двухтакт класс А с ОС стр.232; ОТЛ стр.236; схема УНЧ стр.247; наладка УНЧ стр.257-260. Левитин Е.А. Выходная ступень радиоприёмника 1951г. оптимальная нагрузка стр.12; КНИ стр.15; АЧХ стр.18; расчёт выходной ступени стр.22; особенности пентодов стр.39; увеличение Рвых, двухтакт стр.40; индук. ТВЗ стр.41; приемущества двухтакта стр.42; ООС стр.46; увеличение Кус драйвера стр.49; ООС по I и U снижение КНИ стр.53; типовые режимы выходных ламп стр.53; данные ТВХ стр.57. Сворень Р. Ваш радиоприёмник 1963г. Закон Ома стр.21; понятие слышимый диапазон стр.25; // и последовательное соед. конденсаторов и резисторов стр.28; понятие децибел по U и P – разница стр.65; допуск перекала ламп - 5-10% стр.116; ООС в триоде стр.121; динатронный эффект стр.122; обозначение ламп стр.128; запас по усилению при вводе ООС стр.153; двухтакт – высший класс стр.154; приемущества двухтакта стр.155. Байков А.Л. Практическая радиотехника 1966г. Основы звуковоспроизведения стр.7; увеличение громкости в 2раза – 6-8дБ, в 3раза – 9,6 дБ стр.14; талица громкости стр.16; КПД громкоговорителя – 1% стр.17; график зависимости помещение и мощности стр.18; увеличение Рвых в 2раза – увеличивается громкость на 3дБ стр.20; частотный диапазон музыкальных инструментов стр.24; частотные искажения стр.24; НИ стр.28; динамический диапазон стр.30; естественность звучания, неравномерность АЧХ, класс аппаратуры, заметность КНИ стр.32; основные показатели микрофонов стр.35; основные показатели динамиков, подводимая мощность, КНИ, Рном, стр.36; акустический экран, АКЗ, КНИ в УНЧ стр.39; длина кабеля до микрофона стр.48; снижение резонансной частоты динамика стр.51; размеры ящика стр.52; подводимая мощность к АС – в 1,5-2раза меньше мощности УНЧ стр.54; УНЧ, параметры стр.59; ТВЗ для триодов R=2Ri, для пентодов R=0,1-0,15Ri стр.62; КПД ТВЗ, пример на лампе 6П6С стр.65; триоды и пентоды вывходных каскадах стр.71; параметры 6П3С в триоде и пентоде стр.72; применение УЛ-режима сделало ненужным псевдотриод на выходе УНЧ стр.73; типовые режимы для 6П3С, 6П6С, 6П9, 6П14П стр.74; выбор, способ соединения динамиков стр.76; распределение мощностей динамиков стр.79; расчёт ТВЗ однотакта для 6П14П стр.82; драйвер стр.90; пример расчёта драйвера на 6Н2П стр.92, 100; порядок расчёта УМ на триоде стр.105; пример расчёта однотакта стр.107; ООС стр.112; ООС в двухкаскадном драйвере с выхода на вход подавать нельзя будет ПОС стр.117; пример расчёта УН на 6Н3П стр.118; ООС в оконечном УНЧ, схема однотакт – наша схема стр.119; схема регулировки тембра стр.131; развязка по питанию стр.133; ёмкость Сф не менее 20мкф стр.135; трёхкаскадный УНЧ с тембром стр.135; схема однотакт с тембром стр.6Н3П+6П14П стр.141; двухтактный выходной каскад стр.142; типовые режимы ламп 6П3С, 6П14П для двухтакта, высококачественные УНЧ только двухтакты стр.143; режимы работы для двухтакта, режим А – КНИ минимальны стр.144; раскачка в режиме В стр.145; типовой режим А однотакт-двухтакт для 6П3С стр.146; таблица режима УЛ для 6П3С, 6П14П стр.147; ФИ, ФИ с разделённой нагрузкой стр.148; условия работы ФИ R1+R2>=2Ri стр.149; лампы 6Н1П, 6Н2П, 6н3П в ФИ с разделённой нагрузкой стр.150; расчёт ТВЗ двухтакт стр.151; пример расчёта для ламп 6П14П стр.152; схема простого двухтакта 6Н2П+6П14П стр.156; тот же УНЧ +ООС+тембр стр.158; высококачественный УНЧ УЛ стр.160; монтаж УНЧ, расположение деталей стр.162; экран из железа стр.168; оплётка проводов от магнитных полей не спасает стр.169; провод с анода лампы до ТВЗ не более 3см, наводка на ТВЗ с ТС не более 10мВ стр.171; топология высококачественного УНЧ, размеры 220х350 стр.172; лучший материал для шасси – сталь стр.175; все ЭРЭ в УНЧ можно применять с допуском 10-20%, кроме ФИ и цепей частотной коррекции стр.175; Rк, Ск драйвера не удалять от лампы более 2см, Rк и Ск паять в одной точке земли, Rа не удалять от ламповой панели стр.177; входной кабель сигнальный и земляной провод свить и поместить в экран стр.178; нельзя использовать шасси в качестве одного провода накала стр.181; монтажные планки не желательны стр.182; снижение фона от накала стр.183; подать на накал потенциал +20-30в стр.184; питать накал через искусственную среднюю точку, питать накал постоянным током стр.185; налаживание усилителя стр.187; далее о транзисторах стр.193-348. Костыков Ю.Ермолаев Л.Н. Первая книга радиолюбителя 1961г. Электронные лампы, температура катодов с окисью бария 600 градусов стр.; усиление триода 20-30 до 100-120, тетрода 300-500, пентода 3000-4000 стр.127; таблица ТВЗ стр.165; таблица динамиков стр.169; УНЧ, критерии оценки УНЧ стр.211; АЧХ, полоса пропускания по уровню -6дБ (2раза), КНИ и музыкальный - слух 4-5% стр.214; таблица с Uа,Rа, Rк, для ламп 6Н8С,6Н9С стр.221; АЧХ драйверов на дросселе и резисторах стр.224; оконечные лампы в однотакте, типовой и повышенный режим Uа, для ламп: 6П1П, 6П3С, 6П6С, 6П9, 6П14П, 6Н5С стр.229; ТВЗ для двухтакта может быть меньше, так как нет тока подмагничивания стр.230; простой УНЧ для проигрывателя, описание стр.235; схема 6Ж3П+6П1П стр.236; ТС 6см2, W1-2090вит, диам-0,35, W2-2090вит, диам-0,16, W3-60вит, диам-0,8 стр.237; мастерская радиолюбителя стр.262; изготовление шасси стр.266; правила пайки стр.268; правила монтажа стр.270; не останавливаться на достигнутом стр.271; схемы ламп: 6П3С,6П6С,12П4С,13П1С,30П1С, 6П9,6П18П стр.284. Балакшин А.С. Справочник по усилительным установкам звукового кино 1953г. Электронные лампы стр.5; обозначения ламп стр.7; характеристики ламп стр.16; Кус лампы 6Н18С = 18 стр.19; выпрямительные лампы стр.20; газотроны стр.26; усилительные лампы стр.27; 6Н8С,6Н9С стр.38; 6П3С таблица режимов работы стр.41; Г-807 стр.42; емкостное сопротивлении конденсаторов на частотах 50,100,500,1000,5000,10 000 Гц стр.68; КСО стр.78; сопротивление у переходных конденсаторов стр.89; фильтр пробка стр.91; сопротивления стр.92. Панфилов Н.Д. Усилители киноустановок 1968г. Звук стр.3; длина волны стр.14; звук - сложный тон стр.17; физиология звука стр.18; электронные лампы стр.101; динатронный эффект стр.132; УНЧ стр.167; КНИ стр.174; Рном,Рмакс,чувствительность УНЧ стр.178; выбор Rа стр.188; выбор Ср из условия СрRс=0,005-0,02сек стр.196; нагрузка для триода Rн=2-4Ri стр.225; приемущества двухтакта стр.235; раскачка оконечного каскада стр.240; недостатки автобалансных ФИ стр.247; ФИ с разделённой нагрузкой стр.248; ОООС в УНЧ стр.255; паразитные связи стр.261; КП стр.264; Rвых КП стр.269; КП и выносной РГ стр.272; входные цепи и защита от магнитных полей стр.290; коррекция АЧХ стр.293; подъём АЧХ на НЧ стр.296; ООС по U или ОООС стр.297; коррекцию АЧХ надо производить в первых каскадах стр.301; выносной РГ должен быть 10-30кОм, тогда АЧХ на ВЧ будет иметь меньше искажений стр.309; чувствительность динамиков стр.317; пиковая мощность, КПД, КНИ стр.318; акустический экран стр.323; двухполосное воспроизведение в АС стр.334; универсальный усилитель 90У-2 стр.345; схема 90У-2 стр.350, непрерывная работа аппаратуры 16час стр.372. Ружицкий Ю.А. Электроакустика 1969г. Диапазон звуковых частот и чувствительность человеческого уха стр.7; основные параметры динамика стр.17; КПД динамика стр.18; акустический экран стр.19; рупорные АС стр.21; двухполосные АС стр.23; ремонт АС стр.26; в процессе работы геттер поддерживает необходимый вакуум стр.50; мощность на аноде, чернение анода стр.53; эффективность катода стр.53; срок службы ламп, долговечность катода стр.55; фильтрация анодного напряжения стр.60; схемы фильтров LC, RC стр.62; сечение сердечника дросселя 2,5-4см W=4000-5000 вит пи с=20мкф стр.65; недостатки триода стр.82; динатронный эффект стр.84; схемы и ТТХ ламп стр.90; УНЧ стр.94; основные характеристики УНЧ стр.100; Рном стр.101; АЧХ стр.102; КНИ стр.103; борьба с фоном стр.110; предварительные усилители стр.112; выбор нагрузки Rа стр.117; расчёт УН на 6Н9С стр.118; Кус и Rа – зависимость стр.119; неисправности УН стр.121; если в ОК каскадах применять тетроды с высокой крутизной и низким Ri, то можно получить высокий КПД выходного каскада стр.124; нагрузка для 6П3С стр.125; частотные искажения компенсируются введением ООС стр.129; трансформаторный ФИ, сложен, дорог, имеет высокий КНИ и более горбатую АЧХ стр.133; работа автобалансного ФИ стр.136; коррекция АЧХ с помощью ООС стр.146; правила выполнения монтажа на шасси стр.150; КП стр.154; входные цепи стр.157; помехи стр.160; резисторы стр.176; фильтр пробка по питанию стр.218; акустика 30А-3 стр.202; контрольный усилитель 25КУ-1 стр.252; схема усилителя 6Н8С+6П3С+ ОООС – наша схема стр.253; взаимозаменяемость ламп стр.290. Малинин Р.М. Усилители низкой частоты 1953г. Оптимальная нагрузка и отдаваемая мощность стр.11; нулевой уровень (0дБ) стр.16; динамические характеристики ламп стр.31; искажения при недостаточном смещении, то же при большом смещении стр.37,38; мощность и КНИ триодном и тетродном смещении 6П3С стр.44; сравнение ламп 6С4С и 6П6С – раскачка для 6С4С нужна больше в 4 раза стр.45; расчёт сердечника ТВЗ стр.53; типовые наборы сердечников для ТВЗ стр.54; корректирующий конденсатор в первичке ТВЗ стр.61; рекомендации для снижения индуктивности рассеивания стр.62; Rа драйвера – обоснование стр.67; переходной конденсатор стр.72; конденсатор Сэ в цепи экранной сетки пентода драйвера стр.73; драйвер на дросселе стр.76; трансформаторный драйвер + и – схемы стр.77; двухтакт – описание стр.84; режимы АВ1 и АВ2 стр.88; приемущества двухтакта стр.88; пульсации при питании двухтакта стр.94; намотка ТВЗ двухтакта – рекомендации стр.96; ФИ стр.99; самобалансирующий ФИ стр.102; ФИ с разделённой нагрузкой стр.104; ООС стр.106; однотакт с ООС стр.107; АЧХ с ООС и без ООС стр.109; ООС в двухтакте стр.110; воздействие ООС на Rвых стр.116; условия включения ООС, катодная нагрузка стр.117; частоная коррекция стр.123; конденсатор // Rа увеличивают ВЧ стр.125; коррекция АЧХ с помощью ООС стр.127; регулировка усиления стр.128; регулировка тембра стр.134; двухполосные усилители стр.138; + и – акустики с кроссовером стр.138; фон и самовозбуждение стр.141; сглаживающие фильтры стр.142; расположение входная лампа-ТС, выходная лампа-ТС стр.142; накал, уменьшение фона стр.147. Кризе С.Н. Расчёт маломощных ТС и дорсселей фильтров 1950г. КПД ТС до 100Вт – 0,7-0,85, свыше - 0,9-0,95 стр.6; пример расчёта ТС для УНЧ стр.7; приближённый расчёт мощных ТС стр.12; плотность тока и диаметр провода стр.14; график определения сердечника стр.15; расчёт витков вторичной обмотки стр.15. Цыкин Г.С. Трансформаторы НЧ 1955г. КПД ТВЗ стр.28; ООС и внутреннее сопротивление лампы стр.38; чем больше индуктивность ТВЗ, тем меньше частотные и НИ стр.157; не магнитный зазор в двухтакте стр.163; просеченные Ш-пластины стр.171; дисковое секционирование, катодная обмотка стр.175; равенство токов оконечных ламп в режиме А, т.к. растёт третья гармоника стр.179; альсифер стр.218; не магнитный зазор стр.223; обмоточные провода стр.245; стержневой транс, броневой, тор.251; чередование обмоток на катушке ТВЗ стр.281; собственная ёмкость трансформатора стр.282; намотка катушки ТВЗ стр.287; намотка в навал с прокладками стр.288; технология изготовления выводов стр.292; влияние Стр от включения начало-конец, завал АЧХ по ВЧ при неправильном включении обмоток стр.298. Цыкин Г.С. Электронные усилители 1965г. Фазовые искажения стр.16; динамический диапазон БСО 60-80 дБ стр.22; КНИ стр.28; питание накала стр.35; реостатный каскад стр.51; трансформаторная связь стр.53; дроссельный каскад стр.53; ёмкость Миллера стр.86; оптимальная нагрузка для триодов, пентодов стр.124; сопротивление утечки для драйвера и оконечных ламп стр.125; драйвер на трансфоматоре стр.132; расчёт предварительного каскада стр.205; приемущество тетродов над триодами стр.230; двухтакт, наилучшая нагрузка для триодов при Рмакс=1,5-2 Ri стр.252; пример расчёта УНЧ на ГМ-70 стр.253; двухтакт, пентоды оптимальная нагрузка Рмакс=0,01-0,04 Ri,пример расчёта на лампе ГУ50 стр.254; трансформаторный ФИ стр.267; снижение КНИ в двухтакте режим В стр.269; УЛ-каскад, + и – схемы стр.272; // ООС по U: снижение Rвх, КНИ, Rвых стр.344; смешанная ООС – это две МОС стр.346; паразитные связи стр.399; размещение ТВЗ и ТС стр.401; антизвонный резистор стр.403; механическая развязка стр.404; развязывающие фильтры Rф, Сф стр.405; разводка цепей накала стр.420; пример расчёта УНЧ (6Н3П+6П1П) по фильтрам Rф,Сф стр.428; тембрблок, пример на 6Н3П стр.448; расчёт трансформаторов: броневой, стержневой, тор стр.463; выбор материала для сердечника стр.467; способы намотки стр.475; основные данные обмоточных проводов стр.498; основные данные сердечников стр.501.

  • Владимир/06.09.2017 - 05:28

    АКУСТИКА. Акустика - это оконечное устройство усиления звука (источник звука-усилитель-акустика), поэтому внимательно рассмотрим все «плюсы» и «минусы» различных видов акустики. Какие параметры нас интересуют? Диапазон воспроизводимых частот, чувствительность АС, импеданс АС, подводимая мощность. Диапазон частот АС (рассмотрим широкополосник) зависит от диапазона частот динамика. Диапазон частот динамика приводится в паспорте, там приводятся крайние частоты, которые отличаются (обычно уменьшаются) от частоты 1кГц по уровню примерно 14-16дБ. Например, 4ГД-35 диапазон воспроизводимых частот 63-12500Гц, это не значит, что ниже 63Гц динамик звук не воспроизводит, воспроизводит, но уровень громкости уменьшается. Вот заинтересованные люди придумали устанавливать динамик в ящик поднимая НЧ, а что бы от поднятия НЧ ВЧ не «страдали» дополнили АС ВЧ-динамиком (пищалкой), таким образом получилась двухполосная система. Потом стали выпускать НЧ динамики с резиновым гофром, у которого верхняя частота 1кГц (30ГД-2), пришлось СЧ головку ставить – вот уже трёхполоска получилась. Чувствительность АС зависит от чувствительности головки. Этот параметр обычно указывается в паспорте. У той же 4ГД-35 чувствительность составляет 92дб – это значит, что при подаче 1Вт мощности на динамик, на расстоянии 1м, получают уровень звука 92дБ – это очень хороший параметр. Замечу у современных динамиков (особенно у «басовиков») этот параметр составляет 83-87дБ - это очень мало, что бы приемлемый уровень звука надо на АС подавать не 5Вт, а 50, хотя для современной электроники это не проблема, но бас не тот. Насколько помню в детстве знак «неровная дорога» называл – сиськи, такие у меня были ассоциации. Теперь взглянем на импеданс любой закрытой акустики (назовём её резонансной) будь то закрытый ящик, ОЯ, ФИ, «орты», «карлсоны», «клипши», лабиринты и т.д., мы видим те же «сиськи» - резонанс динамика, резонанс ящика и плавное повышение в сторону ВЧ. Такой импеданс не годится для лампового усилителя, играть-то он будет, а вот «цеплять» до мурашек и потрясать – нет. Что же делать? Всё очень просто, об этом писали в своих работах Алдошина, Эфруси, Фурдуев и т.д., надо делать групповой излучатель (ГИ), не менее 4 головок на АС (вспоминается «четвёрка резвых»). Сделав ГИ, мы одновременно решаем несколько задач: повышается подводимая мощность к АС в 4 раза, повышается чувствительность в области НЧ на 4-6дБ, импеданс становится «глаже» (уже не будет скачков импеданса до 30-60 Ом, как в одиночном динамике, что для лампового усилителя очень благоприятно). И ещё одна важная вещь: хоть один динамик, хоть четыре, хоть шестнадцать установленных в ГИ – подвижная система, остаётся прежней 7гр (4ГД-35). А если вместо 4 головок установить одну, например 100ГДШ-33 с её подвижкой в 40гр, то «деталей» в музыкальном произведении уже не услышим, и бас «затягивается», то есть становится не таким «упругим». Подведём итог: ГИ имеет гладкую АЧХ, за счёт не совпадения пиков и провалов в АЧХ задействованных динамиков. ГИ имеет подъём на НЧ, за счёт увеличения активной площади диффузоров. Импеданс имеет один резонанс, и то маленький, примерно в 1,5-2 раза больше сопротивления катушки динамика, а не 10-20 раз, как у одиночного динамика. Простота конструкции – доска с подставкой (я имею ввиду, ГИ щит)! Ни какаих расчётов, ни ящика, ни трубы фазоинвертора, ни лабиринта. Динамики для ГИ можно применять самые дешёвые: 1ГД-40, 1ГД-36, 1ГД-38, 2ГД-28, 2ГД-35, 3ГД38, 3ГД-42, 3ГД-45, 4ГД-28, 4ГД-35, 4ГД-36 и т.д. Желательно, что бы и диффузор, и гофр были бумажные (из целлюлозы), потому что бумага имеет самый лёгкий удельный вес, а чем легче вес диффузора, тем больше «деталей» в музыкальном произведении мы слышим. Удачи в изготовлении ГИ.

  • Владимир/03.09.2017 - 15:22

    МОНТАЖ. В ламповой технике есть основное правило монтировать УНЧ надо только на железном шасси. Смысл в этом простой – защитить элементы монтажа от магнитных наводок. Значит шасси (корпус), дно и колпак, который прикрывает силовые трансформаторы (их, может быть два – анодный и отдельно накальный). Железо, относится к ферромагнетикам – это значит, что железо может проводить и экранировать магнитные поля. Поэтому не алюминий, не медь и её производные (бронза и латунь) не могут защитить монтаж от магнитных наводок. Что нам необходимо защищать от наводок? Во-первых ТВЗ. Если ТС и ТВЗ выполнены на броневых (Ш-образном) и стержневых (П-образном) сердечниках, то надо: отделять ТС и ТВЗ поместив каждый в отдельный стакан («колпак»), изолировав таким образом ТВЗ от магнитного поля силового трансформатора, поворот катушек трансформаторов относительно друг-друга помогает, но всё таки чуть-чуть фонок в акустике остаётся. Или же разместив ТВЗ в подвале шасси, ТС на шасси под «колпаком». В дальнейшем это избавит нас от переменного фона 50Гц в акустике. Если применить для питания УНЧ тор (О-образный сердечник), то можно обойтись тем, что и ТС, и ТВЗ можно разместить на шасси рядом и накрыв железным колпаком, что бы ТВЗ не воздействовали на оконечные лампы, и лампу драйвера своим магнитным полем, и не создавали интермодуляцию (помните мы же делаем качественный УНЧ, значит мелочей в нашем деле нет). Практический пример, который предложил Василичь из Севастополя состоит в том, что сверху на шасси размещается ТС и дроссель, а в подвале ТВЗ, электролиты и весь монтаж ЭРЭ (электро-радиоэлементы). Регулятор (РГ) громкости можно ставить хоть советский, хоть китайский (30руб), лишь бы не шуршал. За дорогущими «Альпс» (900руб - за понты надо платить) гнаться не надо, это всего лишь раскрученный бренд, на практике, у 100кОм-го «Альпс» разница в подковах доходит до 10-15кОм. Входные разъёмы желательно разместить на передней панели, рядом РГ, может это кому-то не нравится, напомню, мы боремся за качество работы УНЧ и аргумент «нравится-не нравится» здесь неуместен. В противном случае можно поступить по другому, установить входные разъёмы на задней панели, а провода от РГ до входных гнёзд разместить в квадратной железной трубке (например 10х10), приварив её к шасси. И ещё один важный момент, «землить» шасси надо в одной точке около входных гнёзд, то есть шина земли соединяется с корпусом на входных гнёздах. Если корпус использовать в качестве земляной шины, то от фона не избавится. ПС Если выполнить указанные здесь требования к монтажу, то в награду вы получите фон, только прислонив ухо к динамику.

  • Владимир/02.09.2017 - 10:26

    НЕМНОГО ТЕОРИИ. Давайте зададимся вопросом – а что нам ждать от усилителя? То есть какие параметры нас интересуют? Во-первых, полоса пропускания. Если будет узкая полоса пропускания, мы не будем слышать всю музыкальную палитру, всю красоту музыкального воспроизведения. Не будет глубокого с «хрипоцой» баса, то не будет так сказать основы музыкального произведения, и не будет «хрусталя» тарелочек или треугольника запись будет казаться глуховатой. Во-вторых, коэффициент нелинейных искажений (КНИ), должен быть минимально возможным на номинальной мощности. Чем больше по уровню в усиливаемом сигнале «примешивается» неосновных частот, кратных основному сигналу, тем больше КНИ. На практике, даём вход 1кГц, а на выходе кроме частоты 1кГц, присутствуют 2кГц, 3кГц и т.д., наша задача снизить эти гармоники, в результате скрипка будет звучать как скрипка, а не квартет. В-третьих, интермодуляционные искажения (ИМД), эти ИМД искажают сигнал так, что акустическая шестиструнная гитара начинает, как двенадцатиструнка. На экране спектроанализатора, будет видно что кроме основной частоты 1кГц появляются гармоники – 850Гц, 900Гц, 950Гц с одной стороны и 1050Гц, 1100Гц, 1150Гц с другой стороны основной гармоники. В четвёртых, фазовые искажения – они появляются тогда, АЧХ резко падает или имеет резкий подъём. Пару слов о помехах: неприятно, если при прослушивании записи слышен фон 50 или 100Гц. С фоном 100Гц решить проблему легко, после моста ставим электролит 50-100мкф, затем дроссель, и опять электролит 100-150мкф, и проблема с фоном питания решена. С фоном 50Гц, который возникает от питания накала, то же нет ничего сложного, питаем накал оконечных ламп от отдельной обмотки и один вывод обмотки заземляем, накал драйвера питаем от отдельной обмотки и применяем искусственную среднюю точку, которая состоит из двух последовательно соединённых резисторов 200-300 Ом, соединение резисторов заземляем. Теперь рассмотрим необходимость применения ООС. Во всех учебниках по ламповой техники рассматривается ООС применяемая в ламповых усилителях, которая улучшает параметры УНЧ. Вот некоторые ссылки на литературу: Малинин Р.М. Усилители низкой частоты н 1953г – стр.106; Панфилов Н.Д. Усилители киноустановок 1968г – стр.255; Байков А.Л. Практическая радиотехника - основы звуковоспроизведения, усилители и приемники 1966г – стр.119. В указанной литературе приводятся приемущество применения ООС в УНЧ. А вот попуализатор УНЧ Гендин Г.С., в книге «Высококачественные ЛУЗЧ» 2007г стр.119 не только объяснил важность применение ООС, но и привёл АЧХ УНЧ до введения ООС, и УНЧ с ООС, на мой взгляд - очень наглядно. В заключении надо сказать, что изготовить качественный УНЧ, надо максимально улучшать каждый параметр, а не говорить – собрал, работает, и так сойдёт. В общем мелочей в УНЧ-строении нет, всё важно.

  • Владимир/27.08.2017 - 06:45

    ТВЗ. Выходной трансформатор (далее ТВЗ) называют «сердцем» лампового усилителя – и это правильно, от ТВЗ зависит: и полоса пропускания УНЧ, и частотные, и фазовые искажения, ну и выходное сопротивление (хотя этот параметр можно регулировать схемно), и самое главное – ТВЗ даёт возможность согласовать внутреннее сопротивление выходной лампы с нагрузкой (с динамиком или АС), что резко порой на порядок снизит КНИ (коэффициент нелинейных искажений). Итак, что мы видим на схеме? Первичка сердечник и вторичка, всё. На самом деле вторичек в ТВЗ может быть несколько. Классическая схема расположения обмоток на гильзе трансформатора – это первичка, а поверх неё намотана вторичка. Это самая простая намотка ТВЗ, но такой способ намотки даёт полосу пропускания 100-7000ГЦ – для прослушивания вокала или хорового пения пойдёт, а для качественного прослушивания записей - нет. Можно за образец взять ТВЗ1-9, заводской намотки, у этого ТВЗ вторичка намотана первой 58вит, затем намотана первичка 2150вит. Такой способ намотки не сильно расширяет полосу пропускания на 1-2кГц (вверх). Цыкин в своей книге о трансформаторах предлагает вторичку мотать в середине певички. Несколько лет назад я сделал эксперимент взял два одинаковых «железа» и намотал один ТВЗ 1800-60-200-60-200-60-200+доп., другой 2000-60-200-60-200+доп. Первичка у обоих ТВЗ получилась 2400вит., диаметр первички 0,25мм, вторичка 60вит. диаметр 0,45мм (соединяется параллельно). При прослушивании разницы не услышал, а вот при измерении у первого верхняя граничная частота 16кГЦ, у второго 14,5кГц. Дополнительная обмотка необходима для лучшего согласования с нагрузкой ориентируясь на меньшие КНИ (доп. обмотку предложил Василич из «Старого радио»). То есть поверх всех обмоток наматывается дополнительная (порядка 20-30вит) обмотка с отводами через 3-5вит, с помощью этой обмотки добиваются минимального КНИ при настойке, данную нагрузку. Вот интересный вариант, как намотать простой, но качественный ТВЗ для однотакта: http://www.radioland.1bbs.info/viewtopic.php?t=2111&postdays=0&postorder=asc&start=2745, таблица два эксперимент – три. То есть схема намотки 2000-30-400-35доп., самая простая и самая эффективная, но вторичку надо мотать диаметром не менее 1мм, вторичка соединяется последовательно. Сердечник 6-9см квадратных. Без ОООС уже 20 000Гц!, а с ОООС 50-25 000Гц – это для однотакта более чем достаточно. Кстати замечу, катодная обмотка КНИ не снижает, а чуть расширяет полосу пропускания в сторону ВЧ. Вот вобщем-то и всё, нет никакого волшебства, нет никакой тайны, мотаем ТВЗ по последнему варианту и получаем отличный результат. И на последок, при токе лампы 30-40мА - диаметр провода первички 0,15мм, при 40-50мА – 0,18мм, при 50-60мА – 0,20мм, при 60-90мА – 0,25мм, при 90-120мА – 0,3мм. Вторичку мотаем диаметром 0,5-0,7мм при двух и более вторичках. В случае, если вторичка одна и плюс дополнительная, диаметр провода брать не менее 1мм, (в данном случае соединять последовательно). Желаю всем лёгкой намотки и хороших результатов.http://www.radioradar.net/radiofan/audio_equipment/an_set_stereo_amplifier_pentodes.html#comment

  • Владимир/26.08.2017 - 06:49

    ЛАМПЫ. Чем же привлекает нас однотактный усилитель (далее однотакт)? Конечно же, простотой! Два каскада, и вуаля, усилитель готов. Не надо балансировать фазоинвертор, не надо подбирать по току выходные лампы, не надо балансировать по току выходной каскад, как в двухтакте, просто собери однотакт и слушай. Но это только на первый взгляд. При внимательном рассмотрении однотакту присущи недостатки, которых нет в двухтакте. Это главный недостаток однотакта – подмагничивание выходного трансформатора (далее ТВЗ). При подмагничивании имеем снижение индуктивности первичной обмотки ТВЗ, и как следствие повышение нижней частоты пропускания УНЧ в целом, а как же иначе без подмагничивания индуктивность первички одна, а с подмагничиванием она другая, вернее в три-пять раз меньше. Вот и приходиться сердечник брать не 4см2, а от 6 до 12см2 – это в разумных пределах. К тому же бесполезно нагревается первичная обмотка. А если учесть, что вторичку надо мотать (думаю ТВЗ мотают все заинтересованные УНЧ-строители) две-три вторички для пентода или тетрода, а для выходного триода шесть, и более, то ТВЗ становится «якорем», который по габаритам приближается к ТС, а то и более… здесь на ум приходит мысль – не такой уж он и простой ТВЗ однотакта!, с одной оговоркой, если хотим создать качественный УНЧ с полосой пропускания 20-20 000Гц. И так, что же имеем? С одной стороны простота схемного решения, с другой сложность изготовления ТВЗ. Хотя, если кого-то устроит полоса 70-15 000Гц, то ТВЗ можно взять ТВЗ1-9 и ввести ОООС (общая отрицательная обратная связь). Но ОООС уменьшает усиление УНЧ в целом? Да, значит что бы иметь приемлемую чувствительность (порядка 0,5-1в), в каскаде предусиления (драйвере) устанавливаем лампу 6Н2П или 6Н9С. Другие лампы не дадут достаточного усиления, и не выведет выходной каскад на номинальную мощность. Конечно, если использовать УНЧ без ООС, то использовать лампы 6Н1П, 6Н8С, 6Н23П, 6Н3П и т.д. Лампы выходного каскада: 6П1П, 6П3С, 6П6С, 6П14П, 6П13С, 6П31С, 6П36С, 6П41С, 6П42С, 6П44С, 6П45С. Можно, конечно сделать УНЧ на генераторных лампах, но чуть неправильный монтаж и «здравствуй генерация», а нам этого не надо. Такие генераторные лампы, из общеизвестных, как Г807, ГУ50, 6П7С, требуют высокого анодного напряжения, при малом анодном токе – эти лампы годятся для двухтакта, который работает в режиме АБ или Б. Спору нет, лампы можно «загонять» в несвойственный им режим, но ничего хорошего из этого не получится, лампы будут выдавать большие искажения. И так, собираем усилитель на обыкновенных звуковых лампах, например, 6Н2П+6П14П или 6Н9С+6п45С, и получаем соотвественно 2/4Вт, и 7/12Вт «ламповой» мощности. Незабываем, что после сборки обязательно требуется настройка, только тогда получим наилучший результат.

  • Владимир/27.06.2017 - 08:20

    Эта схема лучше, чем Ловтин-Увайта приведёная здесь: http://www.radioradar.net/radiofan/audio_equipment/tube_amplifier_audio_frequency.html, но эта схема годится для приёмников, так как имеет чувствительность 100-150мВ, а современные источники сигнала имеют выход 0,5-1В, значит схема будет перегружаться, либо регулятор громкости будет находится на 7-8часов (если принять начальное положение регулятора громкости 7 часов, а конечные 17часов, то нормальное прослушивание фонограммы - 12-14 часов, конечно же с учётом применяемой акустики). Следовательно драйвер не нужен с большим усилением (типа пентода), сгодится триод: без ОООС 6Н8С, 6Н1П, 6Н3П, 6Н23П и т.д.; с ОООС необходимы лампы с бОльшим усилением - 6Н9С, 6Н2П, 6С3П, 6С4П, так как ОООС съедает в 2-3раза (6-9дБ) общее усиление УНЧ. ТВЗ для псевдотриодного и пентодного включения совершенно разные: псевдотриод - 500-60-500-60-500-60-500-60, первичка (500-витковые секции, 0,25-0,3мм) последовательно, вторички (60 - витковые секции 0,5-0,7мм, для акустики 4 Ом) параллельно, железо нужно с сечением 12-18см квадратных; пентод - 2000-60-500-60, первичка последовательно (это 2000вит и 500вит, проводом 0,15-0,2мм), вторичка параллельно (60 и 60вит, проводом 0,5-0,7мм), железо нужно 5-7см квадратных. Видите какие разные конструкции ТВЗ получаются, для псевдотриода и для пентода, с учётом что нижняя частота 50-60Гц, а верхняя 18-20кГц. Значит просто так ставить тумблер в цепь экранирующей сетке не благоразумно, так как при переходе с пентода на псевдотриод будут пропадать ВЧ,т.к. ТВЗ пентода не годится для работы в псевдотриодном режиме. Да же если вы изготовите ТВЗ для псевдотриода, а подключите к пентоду, ВЧ так же будет не хватать, из-за бОльших межсекционных ёмкостей. Поэтому для каждого режима НУЖНО изготавливать свой ТВЗ.Ну и напоследок, если хотите добиться наилучшего звучания, надо на ТВЗ намотать дополнительную обмотку 15-20вит с отводами, через 3-5вит, для лучшего согласования с нагрузкой (акустикой 4 Ом). К тому же такой УНЧ очень хорошо прослушивать на "бумажных" (гофр бумажный, а не резиновый), например на "четвёрке резвых" (годятся динамики 1ГД-40, 1ГД-36, 1ГД-18,2ГД-40, 3ГД-45, 3ГД-38, 4ГД-35, 4ГД36 и т.д.), вы получите лучший результат, по сравнению с акустикой на "резиновом ходу", так как у последних меньшая чувствительность. Удачи в построении классного УНЧ!