"Фильтры высококачественных громкоговорителей" - статья автора с таким названием появилась в журнале "Радио" за 1995 г. нас. 14, 15. В ней рассматривались преимущества и особенности применения разделительных фильтров 2-го порядка в высококачественных АС на примере 25АС-109. До сих пор эти легендарные АС производства СССР являются предметом неослабевающего интереса и споров поклонников качественного звука, особенно в связи c укреплением позиций ламповых усилителей разных классов. Это свидетельствует о несомненных достоинствах динамических головок, используемых в АС того времени, поскольку все доработки так или иначе связаны со схемами разделительных фильтров и акустическим оформлением. Причём особенной ценностью в последнее время считаются АС с оригинальным заводским оформлением, позволяющим изготавливать модели винтажного ряда. Конечно, существовали и не вполне удачные, хотя и широко распространённые технические решения. Примером тому и слабым местом 25АС-109 всегда была ВЧ-головка 5ГДВ-1 (3ГД-31). В связи со сложностью приобретения почти четверть века назад более качественных изделий эта динамическая головка осталась в составе доработанной АС, а в упомянутой статье были даны общие рекомендации по её замене. Однако такая доработка не всегда может быть проведена без пересчёта ФВЧ и внесения соответствующих изменений в схему.
В качестве примера в статье описан вариант замены динамической головки 5ГДВ-1 на более современную и качественную головку 6ГДВ-6-16 (10ГД-35) с купольным излучателем. Её основные параметры:диапазончастот- 5...25 кГц, неравномерность АЧХ - не более 12 дБ, чувствительность - 91 дБ. При более высокой верхней границе диапазона эффективно воспроизводимых частот эта динамическая головка обеспечивает на 2 дБ лучшую неравномерность АЧХ и выигрыш в чувствительности на 1 дБ. Купольный излучатель обладает лучшей диаграммой направленности, приближенной к сферической.
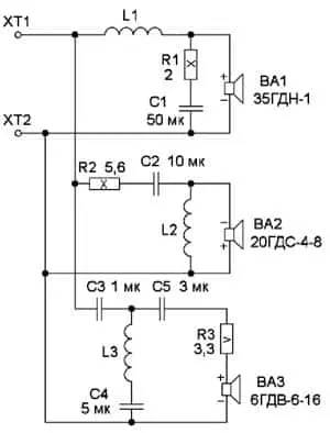
В пользу такой замены, не в последнюю очередь, говорит полная геометрическая совместимость головок указанных типов, а значит, отсутствие необходимости каких-либо работ, связанных с доработкой корпуса АС. Однако замена потребует внести изменения в схему разделительных фильтров ВЧ и СЧ (рис. 1). ФНЧ остаётся без изменений. Частоты среза ФНЧ, ФСЧ и ФВЧ сохраняются и составляют 750, 1 и 5,6 кГц соответственно.

Рис. 1. Схема разделительных фильтров ВЧ и СЧ
Изменения касаются номиналов элементов ФВЧ и связаны с тем, что динамическая головка 6ГДВ-6-16 имеет вдвое большее сопротивление (16 Ом). Небольшой, но приятной мелочью становится тот факт, что в этом случае удаётся сохранить заводское число витков в используемой катушке фильтра.
Кроме того, резонансная частота головки 6ГДВ-6-16 - 2900...3600 Гц, в отличие от 600...1800 Гцу 5ГДВ-1, т. е. находится значительно ближе к нижней границе диапазона воспроизводимых частот. Поэтому для эффективного подавления сигнала с резонансной частотой и сохранения чувствительности на частоте раздела схема ФВЧ подверглась значительному изменению. Фактически - это эллиптический фильтр с частотой подавления, определяемой номиналами элементов L3 и C4. Благодаря такому решению также заметно упростилась схема (исключена одна индуктивность). Изменено место включения резистора R3, теперь он служит не столько для выравнивания чувствительности головок, сколько для согласования по сопротивлению и точной подстройки частоты среза. В связи с заменой ВЧ-головки и изменением схемы фильтра сопротивление резистора R2 на входе ФСЧ также изменено с целью выравнивания результирующей АЧХ.
Собственно процесс доработки несложен. Старую динамическую головку извлекают из посадочного места, а на её место устанавливают новую. В различных модификациях головки 6ГДВ-6 с её тыльной стороны над магнитной системой может быть установлен защитный экран или пластмассовая арматура с элементами крепежа контактных площадок.
Никакого другого функционального назначения эти детали не несут, но увеличивают габариты головки, поэтому перед установкой их следует удалить. Изолятор с контактными площадками закрепляют непосредственно на магнитной системе с помощью винта М3, вкручиваемого в предусмотренное по центру отверстие, и изолирующей шайбы толщиной 0,5...1 мм. Резиновую прокладку под фланцем головки оставляют. Внешний вид АС со снятой передней панелью и установленной головкой 6ГДВ-6-16 показан на рис. 2.

Рис. 2. Внешний вид АС со снятой передней панелью и установленной головкой 6ГДВ-6-16
После проведённой доработки значительно улучшаются качество воспроизведения высоких частот, качество разделения каналов и равномерность распределения звука в пространстве. Также объективно повышается уровень звукового давления, развиваемого АС на СЧ и ВЧ, не менее чем на +2 дБ и настолько же улучшается равномерность АЧХ в области ВЧ. Субъективно звучание приобретает бульшую прозрачность, исчезает характерная "сдавленность" на ВЧ.
Детали и конструкция. Значительная часть деталей, как было отмечено в указанной выше статье, использована из состава АС 25АС-109. Все конденсаторы - МБГО-2. В ФВЧ можно использовать конденсатор МБГЧ. Конденсатор C1 составлен из двух параллельно включённых конденсаторов ёмкостью по 30 мкФ и 20 мкФ или из двух по 20 мкФ и одного ёмкостью 10 мкФ. Конденсатор C4 составлен из двух соединённых последовательно конденсаторов ёмкостью по 10 мкФ. Допустимо применить один из конденсаторов ёмкостью 4 мкФ. Конденсатор C5 также составлен из двух или трёх конденсаторов. Возможно использование металлобумажных конденсаторов МБМ, К42У-2, полисти-рольных К71-7 или иных, в том числе и "аудиофильных" конденсаторов. Однако в этом случае, возможно, придётся набирать нужную ёмкость из большего числа конденсаторов. Все резисторы заменены безындукционными С5-35В или SQP соответствующей мощности.
Конструкция катушек L1 и L2 осталась неизменной. L1 намотана на пластмассовом каркасе диаметром 40 мм и длиной 20 мм, снабжённом щёчками диаметром 80 мм. Её обмотка содержит 132 витка провода ПЭЛ или ПЭВ с диаметром по меди 1,5 мм. Катушка L2 намотана на каркасе такого же диаметра, но длиной 25 мм (диаметр щёчек - 90 мм) и содержит 165 витков того же провода. Намотка катушек - рядовая.
Катушка L3 - заводская из состава ФНЧ (обозначение L1 по паспорту изделия). Из неё следует извлечь стальной магнитопровод. Изменения числа витков не требуется. Все элементы, кроме катушек L1 и L2, размещены на штатной деревянной панели внутри AC, а указанные катушки - на свободных местах на боковых стенках.
Автор: Д. Панкратьев, г. Ташкент, Узбекистан
