В настоящее время широко распространены недорогие китайские ручные фонари с питанием от свинцовокислотных аккумуляторов. Срок службы этих источников тока небольшой, а поскольку стоимость аккумулятора или гальванических элементов для замены может быть больше стоимости такого же нового фонаря, то ремонт вышедшего из строя может оказаться нецелесообразным, практичнее купить новый. А что делать с неисправным фонарём? Выбрасывать жалко, а хранить на полке в кладовке просто так нет места. Ответ прост: корпус такого фонаря может стать конструктивной основой для сборки другого полезного устройства.
В наличии у автора оказался фонарь "Эра" в пластмассовом корпусе диаметром (в месте расположения отражателя) около 110 и длиной 200 мм. Фонарь - с лампой накаливания, стилизоанный под светодиодный. Поскольку на место отражателя можно было легко установить относительно мощную широкополосную динамическую головку с диффузородержателем диаметром около 100 мм, было решено использовать корпус для сборки в нём компактной активной АС.
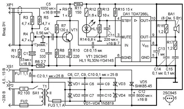
Схема УМЗЧ показана на рис. 1. Собран он на интегральной микросхеме TDA7266L, представляющей собой одноканальный мостовой усилитель мощности ЗЧ с однополярным питанием. Микросхема обеспечивает выходную мощность до 7 Вт на нагрузке сопротивлением 8 Ом. Типовое значение коэффициента гармоник на частоте 1 кГц при напряжении питания 11 В и выходной мощности 1 Вт - 0,05 %, максимальное - 0,2 %. Напряжение питания микросхемы - от 3,5 до 18 В, максимальная рассеиваемая мощность - 10 Вт.

Рис. 1. Схема УМЗЧ
Микросхемы этого типа обычно применялись в кинескопных телевизорах, но, судя по объявлениям, их и сегодня можно недорого приобрести в интернет-магазинах .
Напряжение 34, поданное на входную вилку ХР1, поступает на регулятор громкости - переменный резистор R4 - через резисторы R3, R5, а с его движка - на базу транзистора VT1, включённого по схеме с общим эмиттером. Дополнительный усилительный каскад применён по той причине, что усиления микросхемы TDA7266L оказалось недостаточно при подключении устройства к мобильным мультимедийным аппаратам. Резисторы R10, R7 создают отрицательные ОС, уменьшающие искажения звукового сигнала, вносимые транзистором VT1. Конденсатор C3 препятствует поступлению на вход усилительного каскада сигналов ВЧ. Напряжение питания каскада поступает через RC-фильтр R11С5. Цепь C1R1R6 предназначена для устранения протекания постоянного тока по оплётке сигнального провода в случае, если устройство будет питаться от того же аппарата, к которому подключён этот провод.
С коллектора транзистора VT1 усиленный сигнал через разделительный конденсатор C8 поступает на вход (вывод 7) микросхемы DA1. К её выходу (выводы 9, 10) подключена динамическая головка BA1. При напряжении питания 9 В размах (двойная амплитуда) напряжения ЗЧ на головке - около 16 В, а при 5 В - около 8 В. Резисторы R13, R14 подобраны таким образом, чтобы микросхема выключалась при напряжении питания на выводе 8 менее 4 В. Конденсатор С11 задерживает включение микросхемы на 1...2 с после включения питания. Демпфирующие цепи R16C14 и R17d5 препятствуют самовозбуждению микросхемы DA1.
Питается устройство от сетевого блока, состоящего из понижающего трансформатора Т1 и выпрямителя на диодах VD1-VD4. Переменное напряжение сети 230 В поступает на первичную обмотку трансформатора через токоограничивающий резистор R2, термопредохранитель FU2 и замкнутые контакты выключателя SA1. С вторичной обмотки переменное напряжение около 9 В поступает на мостовой выпрямитель через полимерный самовосстанавли-вающийся предохранитель FU3. Для уменьшения потерь напряжения и мощности в выпрямителе применены диоды Шотки. Шунтирующие их конденсаторы С6, С7, С9, С10 предотвращают так называемый мультипликативный фон. Пульсации выпрямленного напряжения сглаживает конденсатор C12.
В устройстве не предусмотрено питание от встроенного химического источника энергии, но имеется розетка XS1, к которой можно подключить внешний источник питания, например, солнечную батарею, USB-порт ноутбука или аккумуляторный источник питания (например, описанный автором в статье "Портативный аккумуляторный источник питания" в "Радио", 2015, № 10, с. 36-38). При напряжении питания 9 В устройство потребляет от такого источника ток около 40 мА. Диод Шотки VD5 предотвращает повреждение микросхемы DA1 при неправильной полярности внешнего питания, конденсатор C2 защищает этот диод от повреждения статическим электричеством. Самовос-станавливающийся предохранитель FU1 срабатывает при перегрузке.
Большинство деталей устройства смонтированы на плате из стеклотекстолита размерами 90x60 мм (рис. 2). Монтаж - односторонний навесной. Для предотвращения самовозбуждения микросхемы DA1 и роста вносимых ею искажений, а также появления фона частотой 100 Гц силовые и сигнальные цепи устройства должны быть корректно разведены (в частности, линии электрической связи, показанные на схеме утолщёнными, должны быть выполнены отдельными проводами). Микросхема TDA7266L установлена на ребристый дюралюминиевый теплоотвод с площадью охлаждающей поверхности (одной стороны) 48 см2.

Рис. 2. Детали устройства смонтированные на плате из стеклотекстолита
Переменный резистор R4 - любого типа с металлическим корпусом, например, СП3-4, СП3-9, СПО-1 сопротивлением 4,7...22 кОм (чем меньше, тем лучше). Резистор R2 - отечественный Р1-7-2 или импортный невозгораемый или разрывной, остальные - малогабаритные любого типа общего применения, например, С1-14, МЛТ, РПМ. Конденсатор С1 - оксидный импортный неполярный, С5 и C12 - оксидные полярные, первый - ёмкостью 1000...2200 мкФ, второй - 4700...10000 мкФ. Конденсаторы C4, C8, C13-C15 - плёночные, остальные неполярные конденсаторы - керамические, например, К10-17, К10-50, КМ-5. Конденсатор C13 монтируют как можно ближе к выводам 5 и 8 микросхемы DA1.
Диоды Шотки 1 N5819 (VD1-VD4) заменимы любыми из серий SR104, SB140, SB150, MBRS140T3, MBR150, а SHK65-45 - любым из серий 1N5822, SR306, SR360, SR504, MBRD350, SK24, SK35, MBRS360T3, MBR350, MBR360. Светодиод RL30N-YG414S зелёного цвета свечения можно заменить любым общего применения, например, из серий КИПД66, L-63. Вместо транзистора 2SC945 подойдёт любой маломощный структуры n-p-n, например, серии КТ3102. В конструкции может работать микросхема только с индексом "L". Можно применить полимерные самовосстанавливающиеся предохранители (FU1 и FU3) MF-R110, LP30-110, MF-S120. Термопредохранитель FU2 - встроенный в понижающий трансформатор.
Понижающий трансформатор применён готовый (экранированный с габаритной мощностью 8 Вт от носимой магнитолы Panasonic). Вместо него можно применить унифицированный ТП-1202 или ТП-114-6. Для самодельного трансформатора подойдёт Ш-образный магнитопровод с площадью центрального керна 5,2 см2. Первичную обмотку (2250 витков) наматывают проводом диаметром 0,15 мм, вторичную (100 витков) - диаметром 0,68 мм. Межобмоточная изоляция - несколько слоёв лавсановой или фторопластовой плёнки. При отсутствии термопредохранителя в цепь первичной обмотки включают плавкую вставку на ток 0,25 А.
Трансформатор установлен в задней части корпуса фонаря, в боковых и задней стенках напротив него просверлены вентиляционные отверстия диаметром 3,5 мм. Выключатель сетевого питания - имеющийся в фонаре, подойдут HT-002A, OR-L, KCD-2011, MRC-101-6A, KCD1-101. Динамическая головка - импортная широкополосная мощностью 5 Вт со звуковой катушкой сопротивлением 8 Ом. Диффузор головки защищён декоративной металлической решёткой, применяемой для защиты компьютерных вентиляторов диаметром 120 мм (рис. 3). Масса конструкции в сборе - 850 г.

Рис. 3. Декоративная металлическая решётка
Безошибочно изготовленное из исправных деталей устройство начинает работать сразу и не требует налаживания.
Автор: А. Буиов, с. Курба Ярославской обл.
