В конструкции применены лучшие современные европейские динамические головки, отвечающие строгим требованиям, предъявляемым к построению акустических систем для самых взыскательных слушателей. Модель 100А-005, как и 50А-003 "Sevina" (Демьянов А. "Акустическая система "Sevina" (Verna 50A-003)". - Радио, 2015, № 2, с. 7-11), относится к высшей группе изделий Verna.
Среднегабаритная модель 100А-005 оптимальна для помещений площадью 14...20 м2 (объём от 35 до 55...60 м3) при использовании УМЗЧ мощностью 50...100 Вт (на нагрузке 8 Ом). НЧ-головки (bass reflex) - SEAS H956, 8" (Норвегия), с диффузорами из сплава алюминия, линейным смещением по 7 мм и резонансной частотой около 20 Гц. В СЧ-звене применены НЧ-СЧ-головки AUDAX AM130G0, 5" (Франция) с диффузорами из длинноволокнистой ориентированной и пропитанной целлюлозы, каркасами катушек из каптона, армированного стекловолокном, они имеют переменной толщины внешние подвесы и антирезонансные диффузородержатели. ВЧ-головки - изодинамические - VISATON MHT 12/8 (Германия), обладающие крайне малой инерционностью и диапазоном воспроизводимых частот до 22 кГц с неравномерностью не более 3 дБ.
С целью некоторого расширения музыкальной стереобазы (в случае расстояния между акустическими системами не более 130 см) СЧ- и ВЧ-головки Акустические системы (АС) устанавливают на массивные подставки высотой 40...50 см либо наклоняют назад, подкладывая упоры под основание со стороны передней панели (как на рис. 1 ) так, чтобы центр СЧ-излучателя "смотрел" в лицо слушателя. Это в значительной степени позволяет избавиться от ранних переотражений в неподготовленном (особенно) помещении, которые в значительной степени маскируют и искажают прямой воспроизводимый сигнал. Расстояние между системами может находиться в пределах 150...200 см, расположение их в помещении - вдоль длинной стены, расстояние до слушателей - 150...250 см.

Рис. 1. Акустическая система
Основные технические характеристики
Номинальное сопротивление, Ом........................8
Чувствительность в диапазоне 35...18000 Гц, дБ/Вт/м.....................84,5
Мощность усилителя, Вт .....50...100
Диапазон воспроизводимых частот по уровню -5 дБ, Гц.....................27...22000
Максимальная шумовая мощность, Вт.................100
Габариты, мм ..........760x406x270
Масса одной АС, кг, не менее ...........................40
Краткое дополнение к основным техническим характеристикам приведено на графиках АЧХ и полного сопротивления (Z-характеристики) применяемых головок (рис. 2 - рис. 5). В таблицах под графиками Нч-головок указаны измеренные характеристики и параметры Тиля-Смолла. На рис. 2 приведены графики двух НЧ-головок - кривые синего и красного цветов. Важно отметить, что крайне редко графики, представляемые изготовителем, соответствуют измеренным уже пользователем в безэховой камере. В данном случае соответствие практически полное. Что,собственно,наряду сдопустимой (7 мс) импульсной характеристикой, и позволило выбрать эти НЧ-головки для акустической системы высокого уровня.

Рис. 2. Графики АЧХ двух НЧ-головок

Рис. 3. Графики АЧХ

Рис. 4. Графики АЧХ

Рис. 5. Графики АЧХ
Для более полного представления поведения СЧ-головки в разных объёмах представлены два графика (рис. 3 и рис. 4) в объёмах 5,2 и 10 л, здесь также представлены АЧХ двух головок. В описываемой модели АС объём бокса выбран 8 л. На окнах диффузородержа-телей головок здесь установлены панели ПАС (панели акустического сопротивления) для демпфирования основного резонанса, что инструментально и субъективно значительно повысило качество воспроизведения в СЧ-диапазо-не (580...3800 Гц), особенно слабоуровневых сигналов. На рис. 5 под разными углами в горизонтальной плоскости представлены графики АЧХ ВЧ-излучателя и частотная зависимость полного сопротивления головки (её Z-характеристика).
Чертёж корпуса АС показан на рис. 6. Для минимизации (практически полного устранения) вибраций корпуса при общем звуковом развиваемом давлении 90 дБ (и наличии сигналов и обертонов до 25 Гц) корпус собран из двух слоёв фанеры ФК-1 толщиной 12 мм (снаружи) и внутреннего слоя MDF средней плотности толщиной 16 мм. Этот внутренний слой имеет выфрезерованные полости для установки рам-перегородок и панелей, образующих СЧ-ВЧ-бокс. Для снижения давления стенок корпуса на нижнюю панель внутри, по всем периметрам, вклеены бруски из массива бука сечением 30x30 мм. Также для уменьшения деформаций (сдвигов) в углах корпусов соединённые панели зафиксированы шкантами (диаметром 10 мм и длиной 60 мм) из бука через каждые 50 мм. При сборке корпусов применены клеи с отвердителем и наполнителями. Все эти меры полностью обеспечили необходимую жёсткость конструкции при достаточной массе и общий (основной) механический резонанс корпусов на частоте около 1000 Гц (об этом подробнее можно прочитать в статье автора "Акустическая система "Sevina" (Verna 50A-003)" в "Радио" № 2 за 2015 г. на с. 7-11). Здесь же стоит отметить, что подобный "жёстко-инертный" корпус позволяет в максимальной мере реализовать высокий потенциал звучания применяемых головок, в первую очередь - низкочастотных, являющихся основным источником вибраций. Исключение неравномерных (по амплитуде и частоте) призвуков корпуса, сильно искажающих музыкальный материал, позволило получить звучание с обилием низкоуровневых сигналов второго и третьего планов. Другими словами, более реалистично воспроизвести записанный материал, в первую очередь, - фортепиано и акустические музыкальные инструменты, как наиболее богатые широкополосными обертонами, а также звучание классического вокала.

Рис. 6. Чертёж корпуса АС
Корпуса АС собирали на профильном предприятии опытные мастера в течение 38 дней. При сборке особое внимание было уделено качеству всех производимых работ. Заготовки для панелей при склейке выдерживались под прессом в течение 100 ч, до полной полимеризации клеев, после чего фрезеровались по размерам. Внутренние поверхности НЧ- и СЧ-объёмов покрыты слоем ПВА (Финляндия) толщиной 2 мм. После полимеризации на эти поверхности установлен звуко-поглотитель - трёхслойный (прошитый асимметрично толстыми нитями) искусственный войлок плотностью 0,31 кг/м2 и общей толщиной 18 мм. В качестве дополнительного звукопоглощения использованы пакеты из хлопчатобумажной ваты и специально обработанная шерсть VISATON (Германия). Весь объём СЧ-ВЧ-бокса (8 л) плотно заполнен этой шерстью.
Передняя панель корпусов окрашена краской серого цвета под "шагрень", остальные оклеены калиброванным шпоном "Makore", покрыты тремя слоями полуглянцевого лака и отполированы. На нижней панели, по углам, установлены четыре стальных конуса, их высота - 45 мм, диаметр - 30 мм, диаметр фланцев 65 мм. На задней панели, в нижней части, установлена панель с акустическими терминалами AVC-link, материал соединений - латунь 63. Труба фазоинвертора - VISATON BR19.24, удлинённая на 40 мм.
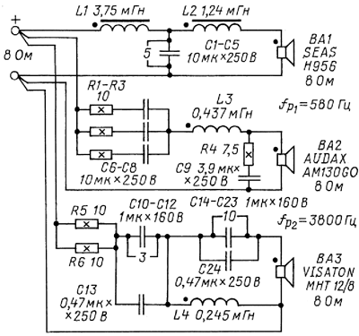
Схема АС приведена на рис. 7. Фильтры для НЧ-звена - третьего порядка (18 дБ/окт.), исключающие резонансы излучателей на частотах выше 700 Гц. В СЧ-диапазоне (580...3800 Гц) применён полосовой фильтр первого порядка (6 дБ/окт.). При этом зона работы среднечастотной головки "заходит" в зону работы НЧ-излучателя, обеспечивая некоторым образом более цельное звучание. Весь характер воспроизведения, его звукоизвлечение, музыкальность, микродинамика определяются в основном звучанием головки AUDAX AM130G0, которая без звукового шва соединена с ВЧ-головкой, подключённой через фильтр третьего порядка (18 дБ/окт.). Поэтому минимальное расстояние от слушателя до линии, соединяющей акустические системы, один метр (при расстоянии между каналами в пределах 1,2...1,6 м).

Рис. 7. Схема АС
В фильтрах использованы катушки индуктивности ERSE (США), намотанные медным проводом диаметром 1,3 мм на магнитопроводах (L1, L2), остальные - проводом диаметром 1 мм при бескаркасной намотке. Все конденсаторы - К73-11 (Россия) на номинальное напряжение 250 В, резисторы - MUNDORF (Германия). Монтаж фильтра выполнен без соединительных проводов. Остальные соединения - многожильными медными (чистота 99,99 %) проводами сечением 1 мм2 (Россия). Параметры элементов фильтров подобраны с точностью до 0,5 %.
В НЧ-звене можно использовать современные головки SEAS H1208. В СЧ-диапазоне, без изменений акустического оформления и элементов фильтра, можно установить AUDAX HM130G14 или AUDAX HM130G0.
Звучание акустических систем позволяет легко отличить смену элементов остального аудиотракта.
Эксперт А. Аватинян (г. Москва) отметил "высокую музыкальность звучания при многоплановом (по глубине) воспроизведении музыкальных программ классического и джазового репертуара, их реалистичность, а также широкий частотный диапазон акустических систем".
Автор: А. Демьянов, г. Москва
