В предлагаемой статье описан самодельный портативный проигрыватель музыкальных файлов распространённых форматов с карты памяти microSD. Он собран на микроконтроллере STM32F407VGT6 в корпусе от сотового телефона NOKIA 1100.
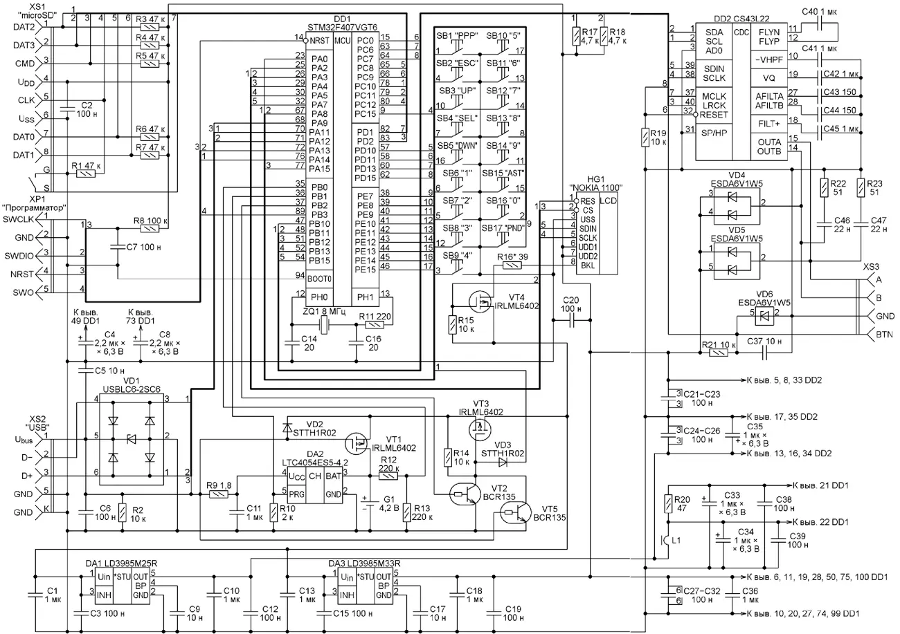
Схема плейера приведена на рис. 1. В нём максимально используются электронные компоненты, имеющиеся на отладочной плате STM32F4DISCOVERY В их число входят микроконтроллер STM32F407VGT6 (DD1), интегральные стабилизаторы напряжения LD3985M25R (DA1) и LD3985M33R (DA3), кодек CS43L22 (DD2), а также необходимые пассивные компоненты. Из сотового телефона NOKIA 1100, помимо корпуса и аккумулятора, использованы разъём для подключения головных телефонов XS3, передняя панель с ЖКИ HG1, мембраны для кнопок SB1-SB17, сформированных концентрическими контактными площадками на печатной плате, и разъём для подключения аккумулятора G1. Кроме того, на плате плейера размещены держатель для карты памяти microSD TFC-WPCE-08 (XS1), группа контактных площадок для подключения программатора Xp1, разъём miniUSB-B 5075BMR-05-SM (XS2).
Рис. 1. Схема плейера
Диодные сборки VD1, VD4, VD5, VD6 служат для защиты от электростатических разрядов цепей, подключённых к разъёмам XS2 и XS3. Остальные разъёмы находятся внутри аккумуляторного отсека и в защите не нуждаются. Микросхема (DA2) - контроллер зарядки литий-ионного аккумулятора G1 с максимальным напряжением 4,2 В. Резистор R9 уменьшает падение напряжения на этой микросхеме во время зарядки, вызывающее её нагревание. Резистором R10 устанавливают максимальный зарядный ток Iзар.mах в соответствии с формулой Iзap.max = 1000/R10. При сопротивлении R10, заданном в килоомах, значение зарядного тока получается в миллиамперах.
Заряжать литий-ионный аккумулятор рекомендуется током не больше 1С, где С - ёмкость аккумулятора. Ёмкость применённого аккумулятора BL-5C - около 1000 мА·ч, максимально допустимое для микросхемы LTC4054ES5-4.2 значение зарядного тока - 800 мА. Поскольку зарядка производится от шины USB, необходимо учитывать и её нагрузочную способность (500 мА). Таким образом, рекомендуемое значение R10 - 2 кОм. Кроме того, измеряя напряжение на R10, можно определить текущее значение тока зарядки аккумулятора по формуле Iзар= 1000·UR10/R10 (ток - в миллиамперах, напряжение - в вольтах, сопротивление - в килоомах).
При подключении разъёма XS2 к шине USB полевой транзистор VT1 отключает аккумулятор G1 от цепи питания плейера. Напряжение 5 В с контакта 1 разъёма XS2 открывает транзистор VT5, напряжение на затворе транзистора VT3 становится отрицательным относительно его истока. Транзистор VT3 открывается, включая плейер.
Когда напряжение на контакте 1 разъёма XS2 отсутствует, потенциал затвора транзистора VT3 близок к потенциалу его истока и транзистор закрыт.
Нажатие на кнопку SB1 также открывает транзистор VT3, микроконтроллер начинает работать и каждые 10 мс проверять состояние этой кнопки. Если её удерживают в нажатом состоянии более 2 с, микроконтроллер установит высокий уровень напряжения на базе транзистора VT2, открыв его и поддерживая открытым транзистор VT3. После этого плейер переходит в рабочее состояние, и кнопку можно отпускать. Выключают плейер повторным нажатием и удержанием кнопки SB1.
После включения микроконтроллер инициализирует ЖКИ HG1 и карту microSD, вставленную в держатель XS1, проверяет наличие в корневом директории карты файла конфигурации player.ini (поддерживаются файловые системы FAT12, FAT16, FAT32). Это обычный ini-файл, представляющий собой набор строк "ключ - значение". В нём хранятся сведения об аудиофайле, выбранном для воспроизведения на момент предыдущего выключения плейера, позиции в нём и установленной громкости. Программа старается восстановить это состояние. В случае неудачи (например, если карта была заменена) выполняется поиск первого имеющегося на карте аудиофайла (с расширением имени .mp3 или .opus). Поиск начинается с корневого директория, файлы просматриваются в том порядке, в котором они перечислены в имеющейся на карте таблице размещения файлов.
В процессе воспроизведения периодически вызывается функция MainThread текущего декодера, которая по мере надобности выполняет чтение с карты (за буферизацию каждый кодек отвечает сам, так как форматы контейнеров аудиопакетов у .opus и .mp3 разные) и декодирование. Необходимость выполнения этих операций определяется заполненностью циклического буфера AudioBuffer, из которого асинхронно считывает информацию аудиокодек. По завершении декодирования текущего аудиофайла выполняется поиск следующего по принципу, описанному выше. Если обход файловой системы завершён, воспроизведение останавливается.
Взаимодействие плейера с пользователем происходит с помощью графического монохромного ЖКИ HG1 разрешением 96x65 пкс и кнопок SB 1 -SB 17. Используется программная симуляция текстового режима дисплея с разбиением экрана на восемь строк высотой по 8 пкс. Оставшаяся в нижней части экрана горизонтальная полоса высотой 1 пкс используется для визуального отображения текущей позиции в файле при воспроизведении.
В первой сверху строке отображаются (слева-направо) напряжение аккумулятора, состояние плейера, громкость. Состояние характеризуют символы "O" - воспроизведение, "-" - пауза, "<<" или ">>" - ускоренная перемотка соответственно назад или вперёд в пределах файла. Символ в виде прямоугольника означает ошибку связи микросхем DD1 и DD2 по интерфейсу I2C.
В строках 2-6 отображается полный путь к проигрываемому аудиофайлу. В строке 8 слева выводится текущее время воспроизведения, справа - длительность аудиофайла.
Кнопкой SB1 переключают режимы воспроизведения и паузы, кнопкой SB3 увеличивают, а кнопкой SB5 уменьшают громкость, кнопкой SB4 включают, а кнопкой SB15 выключают блокировку клавиатуры. Когда клавиатура заблокирована, в центре строки 7 дисплея выводится надпись "Locked". Нажатие на кнопку SB6 приводит к переходу на воспроизведение предыдущего файла, а на кнопку SB8 - следующего. Нажатие и удержание этих кнопок более секунды переводят плейер в режим ускоренной перемотки, соответственно назад или вперёд. Нажатие на кнопку SB9 или SB11 загружает для воспроизведения соответственно первый и последний файлы текущего директория.
Разъём XS3 - имеющееся в применённом корпусе гнездо для подключения микротелефонной гарнитуры. На самой гарнитуре есть гнездо для стандартного аудиоштекера диаметром 3,5 мм, ккоторомуи подключают головные телефоны. В гарнитуре предусмотрена также кнопка, соединяющая при нажатии цепи BTN и GND, причём сопротивление между контактами отпущенной кнопки - около килоома. В плейере линия BTN соединена с цепью 3,3 В через резистор R21, поэтому, измеряя напряжение на этой линии, можно судить и о наличии подключённой гарнитуры, и о состоянии её кнопки. Функция кнопки гарнитуры схожа с функцией кнопки SB1 плейера - можно переводить его из режима воспроизведения в режим паузы, и наоборот, а также выключать. Однако включить плейер с её помощью нельзя. При заблокированной клавиатуре кнопка гарнитуры продолжает действовать.
Разъём XS2 занимает в телефоне место линзы светодиодного фонаря. При обнаружении высокого логического уровня на соединённом с контактом 1 этого разъёма входе PA9 микроконтроллера программа начинает отображать в верхнем правом углу дисплея зарядный ток аккумулятора в амперах. Кроме того, это событие автоматически включает плейер, если он был выключен. По умолчанию после этого плейер работает в обычном режиме воспроизведения, что позволяет слушать музыку и одновременно заряжать аккумулятор.
При нажатии на кнопку SB13 программа сохраняет состояние плейера в файле player.ini и настраивает модуль USB микроконтроллера на работу в режиме MSC (Mass Storage Class). В этом режиме компьютер опознаёт плейер, подключённый к разъёму USB, как съёмный накопитель информации, содержимое которого совпадает с записанным на вставленной в плейер карте microSD. Обмен информацией с компьютером происходит только в режиме Full Speed с пропускной способностью не более 12 Мбит/с. На дисплее по-прежнему отображается текущее значение зарядного тока, в строке 3 - надпись "USB Disk", в строках 4 и 5 - соответственно скорость чтения и записи. Нажатием на кнопку SB12 устройство возвращают в режим плейера.
Чертёж печатной платы плейера представлен на рис. 2. Её размеры и форма выбраны идентичными плате сотового телефона NOKIA 1100, в корпус которого она помещена (рис. 3). Плата должна быть изготовлена по технологии с металлизированными отверстиями, в противном случае во все переходные отверстия (с контактными площадками на обеих сторонах платы) необходимо вставить и пропаять с двух сторон отрезки лужёного провода. Расположение деталей на плате показано на рис. 4 в масштабе 2:1. Там же показаны маски из термостойкого изоляционного лака, которыми необходимо защитить печатные проводники. Если маски не наносить, то необходимо изолировать хотя бы области подхода проводников к печатным контактам кнопок и зону под металлическим корпусом держателя карты microSD XS1.

Рис. 2. Чертёж печатной платы плейера

Рис. 3. Сотовый телефон NOKIA 1100

Рис. 4. Расположение деталей на плате
Коды из приложенного к статье файла walkgeek-v1.2-n1100-with-mp3.hex необходимо занести в память установленного на плате микроконтроллера. Исходный текст программы плейера и всех его компонентов распространяется под лицензией New BSD License (и других совместимых), что разрешает его использование в закрытых коммерческих проектах. Исключение составляет библиотека Mp3dec, присоединение которой к конечному продукту требует раскрытия всех исходных кодов. Проект постоянно обновляется, и в [1] выкладываются его обновлённые версии.
Как уже было сказано, в плейере предусмотрена возможность воспроизведения файлов формата Opus. Это недавно вышедший в стабильной версии программный кодек [2] для сжатия звука с потерями, разработанный в рамках проекта Xiph.org, известного такими решениями, как Vorbis, FLAC (Free Lossless Audio Codec - кодек для сжатия звука без потерь) и Speex (речевой кодек). Можно назвать также Ogg - универсальный медиаконтейнер, который по умолчанию используется для упаковки сжатого потока в файлах формата Opus.
Поскольку кодек Opus довольно новый, существуют не так много его реализаций в системах с небольшим объёмом оперативной памяти. Одна из них - Rockbox. В процессе работы с кодеком выяснилось, что библиотека Ogg динамически выделяет память для кеширования страницы целиком (теоретический максимальный размер - 65 Кбайт, реальный - около 26 Кбайт), а также для кеширования granulepos всех пакетов страницы (около 16 Кбайт), что для устройства, имеющего 192 Кбайт ОЗУ, очень много. Более того, библиотека по умолчанию выделяет под буфер страниц небольшой участок памяти, расширяя его в процессе работы и каждый раз выделяя память "с запасом".
То же самое происходит и с буфером для lacing values - информации о распределении пакетов на странице. Таким образом, если пул динамической памяти небольшой, это в скором времени приводит к его значительной фрагментации и невозможности дальнейшего выделения памяти требуемого объёма.
В результате изменений, внесённых в библиотеки, кэширование производится на уровне пакетов (максимальный размер пакета стереоинформации, передаваемой со скоростью 512 Кбит/с, составляет на практике 1276 байт). Максимальный размер буфера для lacing values - 256 двухбайтных ячеек, причём их можно сделать и однобайтными. Таким образом, все структуры, связанные с контейнером Ogg, после модификации занимают менее 2 Кбайт оперативной памяти.
При модификации были сделаны некоторые допущения: пакеты не могут пересекать границы страниц, не проверяется контрольная сумма страниц (ничего из перечисленного не было обнаружено ни в одном из файлов Opus). Не проверена работа с файлами, содержащими более одного потока, и c числом каналов, отличающимся от двух.
Итоговый объём потребляемой кодеком Opus памяти - 65088 байт, из которых 3856 байт занимает выходной буфер. Результаты профилирования кодека при различной скорости информационного потока приведены в табл. 1.
Таблица 1
Кодек | Opus | MP3 | |||
Скорость, Кбит/с | 48 | 196 | 320 | 512 | 320 |
Сложность, MIPS | 43 | 50 | 74 | 80 | 21 |
Под понятием "сложность" в ней подразумевается производительность процессора, необходимая для успешного декодирования. Оценивалась она простым подсчётом с помощью аппаратного таймера разности моментов входа в процедуру декодирования каждого фрейма и выхода из неё (при отключённой вытесняющей многозадачности и запрещённых прерываниях). Проверка показала, что кодек MP3 требует меньших вычислительных затрат. Но Opus свободен от лицензионных отчислений, и качество звучания при его использовании лучше, чем при использовании MP3 и равной скорости потока.
Существует версия программы плейера для отладочной платы STM32F4DISCOVERY Коды, которые нужно занести в память установленного на ней микроконтроллера, находятся в файле walkgeek-v1. 1 -stm32f4discovery-with-mp3.hex (тоже приложен к статье). В этом случае проигрываются аудиофайлы с USB FLASH-накопителя, подключаемого к разъёму CN5 платы через переходник. Плейер выступает в роли
ведущего шины USB. Его состояние отображают оранжевый, красный, синий и зелёный светодиоды на плате. Красный показывает отсутствие, зелёный - наличие подключённого FLASH-накопителя, оранжевый - загрузку аудиофайла, остановку воспроизведения или ошибку программы, мигающий синий - режим воспроизведения. Большинство кнопок, имеющихся на схеме рис. 1, подключают к отладочной плате согласно табл. 2 (второй контакт каждой кнопки соединяют с общим проводом). Роль кнопки SB8 выполняет кнопка "User" платы. Дисплей от телефона NOKIA 1100 соединяют с отладочной платой в соответствии с табл. 3.
Таблица 2
Кнопка | Линия | Контакт |
SB1 | РЕЗ | Р2.16 |
SB3 | РЕ5 | Р2.14 |
SB4 | РЕ4 | Р2.13 |
SB5 | РЕ6 | Р2.11 |
SB6 | РЕ7 | Р1.25 |
SB7 | РЕ8 | Р1.26 |
SB9 | РЕ9 | Р1.27 |
SB10 | РЕЮ | Р1.28 |
SB11 | РЕ11 | Р1.29 |
SB12 | РЕЮ | Р1.30 |
SB13 | РЕЮ | Р1.31 |
SB14 | РЕЮ | Р1.32 |
SB15 | РЕЮ | Р1.33 |
Таблица 3
Вывод | Цепь | Линия | Контакт |
1 | RES | РА2 | Р1.14 |
2 | CS | РА1 | Р1.11 |
3 | VSS | GND | Р1.5 |
4 | SDIN | РА7 | Р1 17 |
5 | SCLK | РА5 | Р1 15 |
6 | VDD1 | 3 В | Р2.5 |
7 | VDD2 |
Программы для плейера можно скачать здесь.
Литература
1. Walkgeek ARM Cortex-M4 music player. - URL: http://code.google.eom/p/walkgeek/ (27.02.14).
2. Opus Interactive Audio Codec. - URL: http://opus-codec.org/ (27.02.14).
Автор: О. Царегородцев, г. Екатеринбург

