Выношу на суд читателей разработанный и изготовленный мною звуковой комплекс, точнее звуковой аудиокомплекс.
Начну я свой рассказ издалека и с некоторыми пояснениями. Заниматься конструированием радиоаппаратуры я начал в середине 60-х годов прошлого века. В начале 70-х годов в городе Борисове был построен комфортабельный, по тем временам, ресторан "Березина". Работал в этом ресторане профессиональный вокально-инструментальный ансамбль. Так вот этот ансамбль работал на радиоаппаратуре, которую полностью изготовил я. По тем временам сложно было приобрести качественную радиоаппаратуру: усилители, звуковые колонки и т.д. Изготовленная мною по тем временам ламповая звукоусилительная техника работала практически 24 часа в сутки и главное - безотказно. С тех далеких времен я преследовал цель создать звуковую аппаратуру, позволяющую вызывать у слушателя эффект полного присутствия на выступлении музыкального исполнителя. С тех пор я собрал более 100 усилителей низкой частоты различной мощности и сложности от 1 Вт до 300 Вт, на различных элементных базах, от ламп и транзисторов до устройств полностью на микросхемах. Удавалось получать при воспроизведении качественных стереофонических фонограмм эффект объемного и качественного звучания, но не более. Однажды в 1999 году, присутствуя на концерте ВИА "Песняры", я пришел к неожиданному решению этой проблемы. А не создать ли мне звуковую аппаратуру по методу вокально-инструментального ансамбля? То есть голосовая аппаратура отдельно, а для инструментов отдельно. Не буду описывать, сколько мне пришлось потрудиться над воплощением этой идеи в жизнь. Было перечитано огромное количество специальной литературы на эту тему, поставлено множество экспериментов. В 2000 году я достиг того, к чему стремился. На звуковом аудио комплексе, состоящем из шести усилителей низкой частоты и восьми звуковых колонок, я виртуально присутствовал на концертах "Битлз", "Песняры" и т.д. Мною разработана недорогостоящая усилительная аппаратура, позволяющая получать эффект полного присутствия слушателя на исполнении музыкального произведения при воспроизведении качественно записанных стереофонических фонограмм. Приглашенные мною на прослушивание музыкальные специалисты все в один голос заявляли, что живое исполнение практически не отличается от исполнения на фонограмме, подчеркиваю особо еще раз, качественно записанной стереофонической фонограммы.

Рис.1. Структурная схема аудиокомплекса
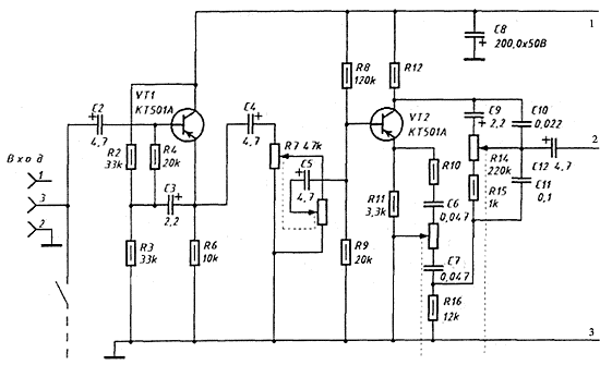
Аппаратура для воспроизведения фонограмм использовалась следующая: бобинный магнитофон "Астра 106 стерео" первого класса, проигрыватель виниловых дисков высшего класса "Радиотехника", плеер для проигрывания аудио дисков "Томсон", компьютерный 52-х скоростной CD-ROM. Co всей этой аппаратурой воспроизведения, разработанные в моем исполнении усилители, согласовались наилучшим образом. Структурная схема аудиокомплекса приведена на рис.1. Шесть усилителей были объедены в два корпуса. В одном корпусе голосовой стереофонический усилитель высококачественного воспроизведения (рис.2), с глубокой регулировкой частотной характеристики по высоким и низким частотам и разделенной регулировкой усиления по каждому каналу.



Рис.2. Принципиальная схема голосового стереофонического усилителя

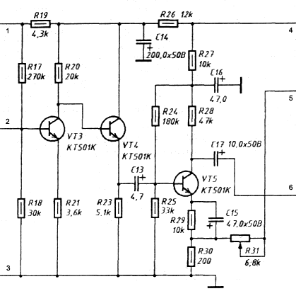
Рис.3. Принципиальная схема предварительного усилителя эффектов

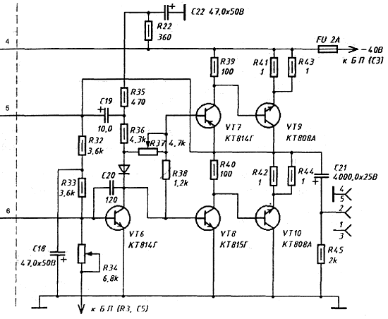
Рис.4. Принципиальная схема оконечного усилителя эффектов


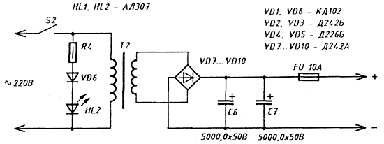
Рис.5. Принципиальные схемы БП
Громкоговорители расположены от плоскости пола на высоте 2,5 метра. Марки громкоговорителей представлены в табл.1.
| 1-й громкоговоритель | 6ГД2, 6ГДВ-1-16 (4 Ом) |
| 2-й громкоговоритель | 4ГД-53А, ЗГДВ-1-8 (8 Ом) |
| 3-й громкоговоритель | 5ГДШ-1-4, 2 шт. (8 Ом) |
| 4-й громкоговоритель | 5ГДШ-1-4, 2 шт. (8 Ом) |
| 5-й громкоговоритель | 6ГД2, 6ГДВ-1-16 (4 Ом) |
| 6-й громкоговоритель | 5ГДШ-1-4, ЗГДВ-1-8 (4 Ом) |
| 7-й громкоговоритель | 5ГДШ-1-4, ЗГДВ-1-8 (4 Ом) |
| 8-й громкоговоритель | 5ГДШ-1-4, 2 шт. (8 Ом) |
Кубический объем помещения, в которых может быть установлен звуковой аудио комплекс с заданными параметрами усилителей НЧ и громкоговорителей, может находиться в пределах 80...10000 м3. Примерное расположение громкоговорителей показано на рис.6.

Рис.6. Примерное расположение громкоговорителей
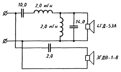
Принципиальная схема 2-го громкоговорителя приведена на рис.7. Изготовленный звуковой аудиокомплекс прошел испытания по специальной программе, отказов в работе не наблюдалось.

Рис.7. Принципиальная схема 2-го громкоговорителя
Автор: А.Гайдук, г. Борисов, Тел.: 8-0296-55-68-13.
