В журнале "Радио", 2008, № 2 на с. 13 опубликована статья А. Журбы "Устройство управления вентилятором охлаждения усилителя мощности". Такое устройство имеет существенный недостаток - при паузах в музыкальных программах вентилятор ещё несколько секунд продолжает работать, производя значительный акустический шум, что действует раздражающе.
Предлагаемое устройство при более простой схеме лишено этого недостатка. В паузах и при малом уровне громкости вентилятор работает на пониженных оборотах, практически не производя шума. При возрастании громкости вентилятор включается на полную мощность, но его шум теперь маскируется акустическим сигналом.

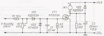
Схема устройства изображена на рисунке. Оно работает следующим образом. При подаче напряжения питания зарядным током конденсатора С2 запускается двигатель М1. Резистор R4, включённый последовательно с двигателем, снижает напряжение, подаваемое на двигатель, и его обороты. Сопротивление резистора зависит от мощности двигателя и подбирается экспериментально по отсутствию акустического шума при работе. При достаточно высоком напряжении, подаваемом на двигатель, конденсатор С2 может не понадобиться.
Выходное напряжение с УМЗЧ подаётся на вход устройства через делитель R1R2. Подстроечным резистором R2 регулируют порог срабатывания устройства. Выпрямленное диодом VD1 напряжение звуковых сигналов при увеличении их уровня заряжает конденсатор С1. Через резистор R3 он разряжается при уменьшении уровня входного сигнала. Стабилитрон VD2 ограничивает напряжение, подаваемое на затвор, на безопасном для транзистора VT1 уровне.
При достижении порогового уровня напряжения на конденсаторе С1 транзистор открывается, увеличивая ток через двигатель до номинального. При снижении уровня выходного сигнала УМЗЧ конденсатор С1 быстро разряжается через резистор R3, транзистор закрывается и двигатель М1 переходит на работу при пониженных оборотах. Диод VD3 защищает транзистор от реакции нагрузки (обмотки двигателя). Если двигатель бесколлекторный, этот диод можно исключить.
К деталям особых требований не предъявляется, резисторы и конденсаторы могут быть любых типов. Диоды VD1 и VD3 - любые маломощные кремниевые, например, КД509А, КД510А, Д220. Стабилитрон VD2 - на напряжение стабилизации 7...10 В, например, Д814А, КС175А. При токе, потребляемом двигателем свыше 0,5 А, необходимо применить более мощный транзистор, например, IRFZ44N или отечественный КП812А1.
Налаживание устройства заключается в подборе резистора R4 для обеспечения работы вентилятора с допустимым уровнем шума и конденсатора С2 для надёжного запуска электродвигателя. При увеличении ёмкости конденсатора следует иметь в виду, что разряжается он через малое сопротивление сток-исток транзистора VT1, и для исключения повреждения транзистора последовательно с конденсатором большей ёмкости целесообразно включить резистор сопротивлением несколько ом.
Устройство собрано на отрезке универсальной макетной платы размерами 10x20 мм и закреплено вблизи вентилятора.
Автор: К. Мороз, г. Белебей, Башкортостан
