В статье автор рассматривает виды обратной связи, охватывающей усилитель мощности, которая учитывает и некоторые свойства излучателей акустической системы, исправляя в определённой степени недостатки АС. Электроакустическая обратная связь (ЭАОС) наиболее эффективно снижает различные искажения в полосе НЧ, однако применимость такой технологии ограничена лишь в АС с встроенными УМЗЧ. Автор предлагает краткую методику расчёта такой АС и схемы дополнительных электронных узлов.
Заметим, что автор неоднократно представлял на выставках свои активные АС (с встроенными УМЗЧ и ЭАОС). Они отличаются реалистичностью звучания и особой чистотой в басовом регистре, где и действует ЭАОС.
Среди основных проблем высококачественного звуковоспроизведения (ЗВ) в полосе НЧ через акустические системы (АС) с электродинамическими головками (ЭДГ) можно выделить две основные: искажения АЧХ и ФЧХ, атакже большая величина нелинейных искажений (НИ), особенно на низких частотах. Причинами первой из них являются компромиссы в выборе громкоговорителей, их акустического оформления (АО), а также акустическими свойствами комнаты для прослушивания (КдП) и местом размещения в ней АС. Результатом этого вида искажений являются искажения переходной характеристики (ПХ), что выражается в искажении огибающей звукового сигнала, особенно при резких изменениях уровня, они обычно характеризуются как эффекты "размытости", "гудения" и "запаздывания баса".
Основная причина второй проблемы заключается в необходимости значительного увеличения смещения (хода) диффузора ЭДГ, что особенно подчёркивается при его недостаточной жёсткости и приводит к появлению дополнительных призвуков.
Методы снижения искажений в АС
Ниже кратко рассмотрены возможности применения различных методов по преодолению или уменьшению этих проблем в наиболее распространённых типах АС с АО в виде фазоинвертора (ФИ) и закрытого ящика (ЗЯ), но без учёта влияния акустики КдП и места размещения в ней АС.
АС с АО в виде ФИ при корректной реализации позволяет значительно расширить АЧХ в области нижней граничной частоты в полосе ЗВ, а также уменьшить НИ и, что особенно важно, при относительно небольших объёмах АС, по сравнению с АС в виде ЗЯ. Однако все эти достоинства сопровождаются существенными искажениями ПХ, которые часто являются главными критериями при оценке качества ЗВ, конечно, с учётом заданного функционального назначения АС.
Значительно лучшей ПХ обладает АС с АО в виде ЗЯ, однако при этом требуется значительное увеличение объёмов АС при уменьшении нижней граничной частоты в полосе ЗВ.
Для улучшения качества ЗВ через АС с этими двумя видами АО наиболее часто применяется совместная коррекция АЧХ и ФЧХ [1], а также их совместное использование с усилителями мощности (УМ), обладающими отрицательным выходным сопротивлением [2], что существенно улучшает ПХ за счёт лучшего демпфирования ЭДГ.
Другой метод, менее распространённый, но весьма эффективный, рассчитан на использование электромеханической обратной связи (ЭМОС). В этом случае принципиально, что цепью ОС охватывается ЭДГ - основной источник всех видов искажений, которые при этом методе уменьшаются пропорционально глубине ЭМОС. Среди многочисленных вариантов реализации идеи ЭМОС наибольшее распространение получил вариант с использованием акселерометра в виде пьезодатчика, закрепляемого на поверхности диффузора ЭДГ [3-5]. Электрический сигнал датчика, возникающий при колебаниях диффузора ЭДГ и пропорциональный звуковому давлению, постоянно сравнивается в цепи ЭМОС с исходным сигналом от источника. При этом за счёт разностного сигнала осуществляется необходимая коррекция для достижения соответствия звукового давления со звуковым сигналом от источника. Возможно также применение и других способов введения отрицательной обратной связи (ООС), например, использующих в качестве датчика отдельную дополнительную звуковую катушку ("сенсорную"), сигнал от которой используется для выделения сигнала коррекции в цепи ООС. Этот вид ООС получил название электродинамическая обратная связь (ЭДОС), но его применение ограничено только АС, в которых ЭДГ имеют дополнительную катушку.
Самым сложным в реализации, но зато и самым эффективным является метод, при котором в непосредственной близости от поверхности диффузора ЭДГ установлен микрофон как датчик давления. В этом случае имеет место электроакустическая обратная связь (ЭАОС), которая наиболее полно учитывает все виды искажений, обнаруживаемых микрофоном, независимо от причин. ЭАОС позволяет произвести наиболее точную коррекцию, поскольку электрический сигнал от микрофона не нуждается в дополнительном преобразовании. Малая распространённость применения ЭАОС вызвана трудностями в конструкторской реализации, но впечатляет достигаемым результатом, например, в студийных мониторах Х-10 фирмы Meyer Sound (США) [6].
Недостаток всех перечисленных выше методов по возможностям улучшения качества ЗВ на НЧ заключается в необходимости различных конструктивных дополнений. Поэтому большой интерес представляет технология "сопряжения" НЧ ЭДГ и УМ, предложенная в 1978 г. шведской компанией Audio Pro. Получившая название ACE Bass (Amplifier Controlled Euphonic Bass) [7] технология не требует никаких конструктивных дополнений и позволяет снизить нижнюю граничную частоту ЗВ без увеличения габаритов корпуса АС с использованием ЭДГ, собственная резонансная частота которых может быть существенно выше нижней граничной частоты ЗВ в АС.
Принцип действия системы заключается в том, что ЭДГ возбуждается от УМ, выходное сопротивление которого имеет сложный комплексный характер: на отдельных частотах оно отрицательное или положительное и комплексное.
Система ACE Bass может быть выполнена несколькими различными способами, в частности, отрицательное выходное сопротивление можно реализовывать как с помощью положительной ОС по току, так и с помощью конвертора отрицательного сопротивления. Реализация системы возможна для УМ с различным исходным выходным сопротивлением.
Эффект существенного уменьшения НИ объясняется преобладанием линейных электрических параметров ЭДГ относительно нелинейных механических, пересчитанных в электрическую цепь. Широкому распространению технологии ACE Bass препятствует необходимость учёта достаточно большого числа параметров ЭДГ, значительная часть которых обычно отсутствует в спецификациях.
Для оценки целесообразности применения ЭАОС при модернизации АС с АО в виде ЗЯ или при их проектировании необходимо воспользоваться тремя основными критериями.
Первый критерий - экономический, оценивающий увеличение стоимости всего звукового оборудования, существующего или проектируемого, участвующего в процессе ЗВ. При этом дополнительные расходы рассчитывают исходя из стоимости покупки или изготовления всех необходимых механических и электронных элементов, а также стоимость их установки и налаживания.
Второй критерий - конструктивнотехнологический, оценивает реальные возможности установки датчика-микрофона с элементами крепления в непосредственной близости от поверхности диффузора ЭДГ.
Третий, технический критерий оценивает реальные возможности улучшения качества ЗВ. При модернизации, а это только добавление ЭАОС, следует учитывать, что расширение АЧХ в область НЧ будет сопровождаться пропорциональным уменьшением максимального звукового давления на величину обычно не более чем на 6 дБ, что соответствует необходимой коррекции АЧХ.
Особенности расчёта АС с ЭАОС
При проектировании АС с АО в виде ЗЯ с применением ЭАОС основной заданной величиной обычно является максимальное звуковое давление (pmax) на заданной нижней частоте (fн) в полосе ЗВ с линейной АЧХ.
В процессе проектирования определяют тип громкоговорителя, оптимальную частоту резонанса НЧ-головки (fc), установленной в АС, необходимое выходное напряжение от УМ на частоте у а также структурную и принципиальную схемы всей системы ЗВ с выбором всех типов элементов.
В качестве примера рассмотрим вариант проектирования: pmax = 2 Па (100 дБ), fн = 30 Гц без учёта влияния КдП и размещения в ней АС.
Начальный расчёт проводится без учёта действия ЭАОС. Как известно [8], звуковое давление определяется по формуле
p = (х'·S·f·ρ) / r , (1)
где х' = 2π·f·x - скорость диффузора; х - амплитуда смещения диффузора ЭДГ в одну сторону; S - площадь диффузора; f - частота измерения; ρ = 1,225 кг/м3 - плотность воздуха; r - расстояние до приёмника измерения.
Подставляя значение x', преобразуем формулу (1)
p = (2π·f2·x·S·ρ) / r , (2)
но S·x = V - объём перемещаемого воздуха. Тогда формула (2) преобразуется к виду
p = (2π·f2·V·ρ) / r , (3)
при r = 1 м имеем
V = p / (2π·f2·ρ), (4)
и
x = V / S = p / (2π·f2·ρ·S). (5)
Для примера рассмотрим возможность применения ЭДГ LAB12 фирмы Eminence (США) с площадью поверхности диффузора S = 506,7 см2 = 5,067·10-2 м2, при этом для p = pmax = 2 Па и f = 30 Гц:
x =2 / (2·3,14·302·1·5,067·10-2) = 0,57·10-2 м = 5,7 мм,
что значительно меньше паспортного значения линейного хода х = ±13 мм выбранной ЭДГ. При дальнейших расчётах используем паспортные данные: fрез = 22 Гц - частота резонанса в воздухе без АО, ро = 89,2 дБ - чувствительность, соответствующая напряжению Uo = 2,83 В (11,2 дБ) на выходе УМ на f = 100 Гц, Qts = 0,39 - добротность.
Значение оптимальной резонансной частоты ЭДГ, устанавливаемой в корпусе АС с АО в виде ЗЯ и обеспечивающей малую неравномерность АЧХ, целесообразно рассчитать в соответствии с рекомендациями из [9] по формуле
fс = (fрез·Qtc) / Qts , (6)
где Qtc = 0,707 - полная добротность ЭДГ в корпусе АС. Таким образом
fс = (22·0,707) / 0,39 = 40 Гц.
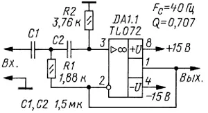
Расчёт необходимого значения выходного напряжения от УМ (Uвых) на частоте fн = 30 Гц при pmax = 100 дБ производится обычно с использованием АЧХ ЭДГ, установленного в корпусе АС с заданным АО. Такая АЧХ может быть смоделирована с достаточной для практики точностью при реализации ФВЧ второго порядка с fc = 40 Гц и Q = 0,707 по схеме Саллена-Кея [10], которая приведена на рис. 1.

Рис. 1. Схема Саллена-Кея
Результаты измерений АЧХ и ФЧХ для такого ФВЧ приведены в виде графиков на рис. 2. Эти измерения, как и все последующие, проведены на специальном звуковом оборудовании "A2 - Audio Measurement System" фирмы Neutrik.

Рис. 2. График результатов измерений АЧХ и ФЧХ для ФВЧ
Значения Uвых от УМ с учётом прямой пропорциональности между Uвых и звуковым давлением, представленные в децибелах, находят по формуле
Uвых = U1 + ΔU1 ,
где U1 = Uo + (pmax - po) = 11,2 + (100 - 89,2) = 23 дБ (11 В) - значение Uвых, соответствующее pmax = 100 дБ на частоте f = 100 Гц, ΔU1 = 6 дБ - величина спада АЧХ (рис. 2) на частоте fн = 30 Гц.
Таким образом, Uвых = 6 + 23 = 29 дБ (22 В).
Автор использует УМ с коэффициентом усиления Ку = 13,5 дБ, тогда чувствительность системы равна Uвх = U1 - Ку = 23 - 13,5 = 9,5 дБ (2,3 В).
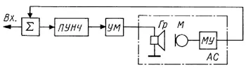
Упрощённая структурная схема системы ЗВ с применением ЭАОС приведена на рис. 3, где УМ - усилитель мощности; АС - громкоговоритель (Гр) с ЭДГ и микрофоном (М) с усилителем (МУ); ПУНЧ - полосовой усилитель напряжения низких частот; Σ - сумматор сигналов основного и от ЭАОС.

Рис. 3. Упрощённая структурная схема системы ЗВ с применением ЭАОС
Как видно из схемы рис. 3, ЭАОС образуется за счёт включения Гр в петлю ООС через датчик-микрофон. Как следует из рис. 3, при условии сохранения сквозного коэффициента усиления сигнала по напряжению для УМ Ку = 13,5 дБ = const, глубина и диапазон действия ЭАОС целиком определяются характеристиками ПУНЧ. При этом максимальная глубина ЭАОС ограничивается пределом устойчивости на ИНЧ (инфранизких частотах). Верхняя частота полосы действия ЭАОС выбирается из условия внесения минимальной временной (фазовой) задержки в цепи ЭАОС и определяется с учётом реального расстояния от датчика-микрофона до поверхности диффузора ЭДГ. Очевидно, что это расстояние не может быть меньше необходимого, соответствующего максимальномусмещению хmах = ±5,7 мм. Автором используется расстояние, равное 12 мм. При этом автор считает достаточным выполнение неравенства
λ ≥ 100 х, но λ = v/f, тогда f < v/λ,
где λ - длина звуковой волны; v - скорость распространения звука в воздухе (340 м/с); f - частота звукового сигнала.
Таким образом, f ≤ 340/ /(100·12·10-3) ≤ 283 Гц.
Электронные узлы системы с ЭАОС
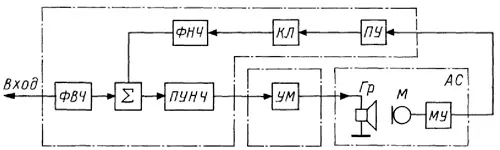
Реальная практическая структурная схема системы ЗВ с применением ЭАОС, приведённая на рис. 4, отличается от упрощённой схемы на рис. 3 введением дополнительных функциональных узлов: ПУ - предварительный усилитель сигналов, обеспечивающий необходимое согласование с МУ при минимальном ухудшении отношения сигнал/шум и необходимое усиление по напряжению; КЛ - корректор Линкви-ца, обеспечивающий необходимую коррекцию АЧХ и ФЧХ сигналов в петле ЭАОС при большой её глубине и создании достаточного запаса по устойчивости на ИНЧ; ФНЧ - фильтр НЧ, ограничивающий сигналы с частотами, превышающими верхнюю частоту полосы действия ЭАОС; ФВЧ - фильтр ВЧ, ограничивающий систему от перегрузки сигналами ИНЧ.

Рис. 4. Структурная схема системы ЗВ с применением ЭАОС
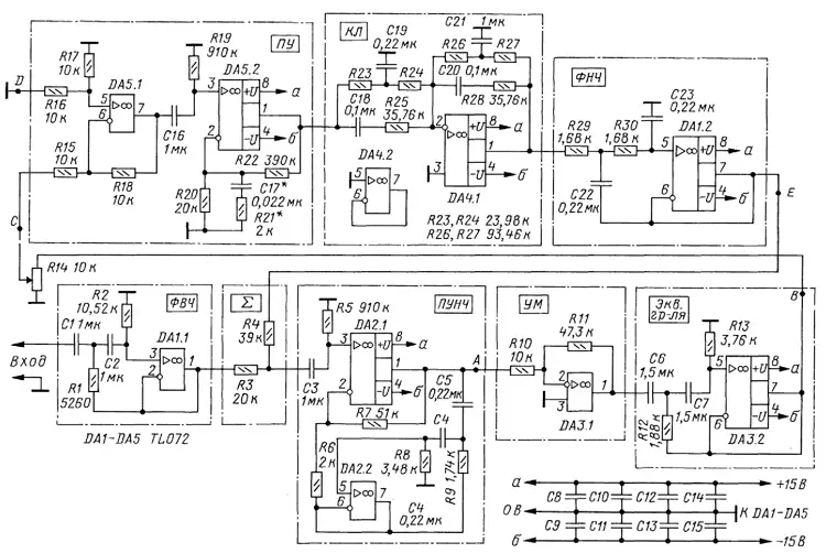
Полная принципиальная схема системы ЗВ с использованием ЭАОС, соответствующая структурной схеме на рис. 4, приведена на рис. 5, где в целях удобства рассмотрения взаимодействия всех элементов в системе УМ представлен в виде инвертирующего усилителя на ОУ DA3.1, а Гр, М и МУ - в виде ФВЧ на DA3.2, на выходе которого включён регулятор R14, позволяющий изменять глубину ЭАОС.

Рис. 5. Принципиальная схема системы ЗВ с использованием ЭАОС
Рассмотрим путь прохождения основного сигнала от источника, который начинается с ФВЧ второго порядка, реализованного по схеме Саллена-Кея на DA1.1 и С1, С2, R1, R2. Выбор частоты среза fc = 21,4 Гц произведён после анализа результатов измерений АЧХ по звуковому давлению с введённой ЭАОС. С выхода ФВЧ сигнал поступает на резистор R3, являющийся одним из элементов сумматора, и далее через конденсатор С3 на вход ПУНЧ. Этот конденсатор обеспечивает развязку по постоянному току неинвертирующего усилителя на DA2.1 от ФВЧ и элементов в цепи ЭАОС. Выбор номинальных значений элементов цепи R5С3 произведён исходя из их минимального влияния на АЧХ и ФЧХ при f<10 Гц.
ПУНЧ реализован на ОУ DA2.1 и DA2.2, причём усилитель на DA2.1 обеспечивает необходимую глубину ЭАОС, а ФВЧ второго порядка с fc = 290 Гц, включённый в цепь ООС для DA2.1, задаёт верхнюю частоту полосы действия ЭАОС. Измеренные АЧХ и ФЧХ для ПУНЧ показаны на рис. 6.

Рис. 6. Измеренные АЧХ и ФЧХ для ПУНЧ
Выбор отношения сопротивлений резисторов R7/R6 и частоты среза fc = 290 Гц для ФВЧ на DA2.2 произведён с учётом обеспечения максимального усиления на частоте f = 40 Гц. Ограничения в крутизне ФВЧ вызваны проблемами с устойчивостью. С выхода ПУНЧ (точка А) сигнал поступает на вход УМ на ОУ DA3.1 и далее на эквивалент Гр на DA3.2 (см. рис. 1) с выводом (точка В) на регулятор глубины ЭАОС (R14).
Путь прохождения сигнала ЭАОС начинается от симметричного входа ПУ (точки С и D), реализованного на ОУ DA5.1 с коэффициентом усиления по напряжению Ку = 1. Последующее (основное) усиление происходит на неинвертирующем усилителе, собранном на ОУ DA5.2 с Ку=1+R22/R20. Конденсатор С16 исключает проникание на вход DA5.2 сигналов с постоянной составляющей от предшествующих каскадов, а его ёмкость выбирают с учётом малого влияния на АЧХ и ФЧХ в области нижней частоты действия ЭАОС. Элементы С17 и R21 служат для коррекции АЧХ и ФЧХ на верхней частоте полосы действия ЭАОС при её большой глубине.
Следующий за ПУ корректор Линквица (КЛ) производит необходимую коррекцию АЧХ и ФЧХ, которые представлены на графиках рис. 7. Расчёт элементов КЛ произведён на основании анализа АЧХ (рис. 8,а) и ФЧХ (рис. 8,б) системы до введения ЭАОС, а также с учётом обеспечения малой неравномерности АЧХ, с максимальным провалом АЧХ на частоте fн = 30 Гц не более чем на 0,9 дБ. Завершающим звеном в цепи прохождения сигнала ЭАОС является ФВЧ второго порядка, реализованный по схеме Саллена-Кея на DA1.2 и С22, С23, R29, R30 с выбором частоты среза fc2 = 1,05·fc1 = 1,05·290 = 305 Гц, где fc1 - частота среза ФВЧ в ПУНЧ на DA2.2, равная 290 Гц.

Рис. 7. Коррекция АЧХ и ФЧХ

Рис. 8. Расчёт элементов КЛ на основании анализа АЧХ (а) и ФЧХ (8,б)
Результаты измерений АЧХ и ФЧХ тракта прохождения сигнала ЭАОС от входа (точка С) до выхода (точка Е) приведены на графиках рис. 9. Выходной сигнал ЭАОС (в точке Е) через резистор R4 смешивается с основным сигналом на входе ПУНЧ. Выбранное соотношение сопротивлений резисторов R4/R3 ≈ 2 обеспечивает одновременно как достаточную помехозащищённость, так и достаточный запас по необходимому максимальному напряжению с выхода DA1.2 с учётом чувствительности системы (Uвх = 2,3 В) и большой глубины ЭАОС.

Рис. 9. Результаты измерений АЧХ и ФЧХ тракта прохождения сигнала ЭАОС от входа (точка С) до выхода (точка Е)
Требования к датчику ЭАОС (микрофону)
1. Максимально допустимый, измеряемый уровень звукового давления, ограниченный величиной КНИ не более 0,2% в полосе частот 1...300 Гц, не менее чем на 40 дБ больше уровня звукового давления, заданного на расстоянии 1 м.
2. Неравномерность АЧХ в полосе частот 1...300 Гц - не более ±0,2 дБ.
3. Диаграмма направленности - круговая.
4. Стабильность параметров в течение длительного времени эксплуатации при изменениях температуры, влажности и давления окружающей среды в реальных условиях эксплуатации.
В качестве датчика может быть использован готовый измерительный микрофон, удовлетворяющий выше перечисленным требованиям, или микрофон самостоятельного изготовления. В последнем случае потребуется приобрести только капсюль от классического конденсаторного (например, МК-265 или AKG CK62-ULS) или электретного микрофона. Капсюль должен быть дополнен микрофонным усилителем (МУ), который, обычно с целью уменьшения проникновения различных помех, размещают в одном корпусе с капсюлем.
С учётом близкого расположения микрофона по отношению к поверхности диффузора ЭДГ, а значит, и получения достаточно большого сигнала с выхода МУ возможно существенное упрощение схемы МУ за счёт применения повторителя напряжения. Два возможных варианта схем таких МУ приведены на рис. 10, где использованы отдельные транзисторы либо интегральные микросхемы. Особенность этих МУ - высокое входное сопротивление для достижения низкой граничной частоты полосы ЗВ при совместной работе с источником сигнала в виде микрофона, являющегося в нашем случае ёмкостным датчиком с малой ёмкостью. Эта ёмкость вместе с резистором R1 определяет нижнюю частоту полосы измерения f ≈ 0,5...1 Гц при спаде АЧХ не более 0,2 дБ.
В МУ на рис. 10,а используется глубокая общая ООС по постоянному и переменному току за счёт соединения коллектора транзистора VT2 с истоком VT1, что обеспечивает стабилизацию режимов. Кроме того, в МУ имеется ещё и ПОС по напряжению с выхода 1 через резистор R1, что увеличивает входное сопротивление МУ до Rвх = R1/(1 - Ку), где Ку - коэффициент передачи по напряжению от входа (затвор VT1) до выхода 1. Падение напряжения на R3 задаёт напряжение смещения (Uзи) для VT1, обеспечивающее нулевой потенциал на выходе 1.

Рис. 10. Варианты схем МУ
Сопротивление резистора R4 подбирают по максимуму ослабления внешних помех (синфазных), действующих на линию передачи сигнала к симметричному входу устройства дальнейшего усиления сигнала (вход ПУ на схеме рис. 5). Минимальные помехи будут соответствовать равенству сопротивлений по переменному току для выходов 1 и 2 (относительно общего провода). Такое соединение выхода МУ с последующим устройством называют квазисимметричным. Стабилизатор на DA1 служит для уменьшения требований по амплитуде пульсаций от источника питания -U. В схеме МУ на рис. 10,а транзистор VT1 может быть заменён другим с близкими параметрами (напряжения отсечки и тока стока при Uзи = 0).
Транзистор VT2 также может быть заменён любым другим соответствующей структуры с малым уровнем шумов при h21э ≥ 200. В схеме МУ по рис. 10,б выходное сопротивление на выходе 1 достаточно близко к нулю, поэтому при квазисимметричном соединении с дальнейшим устройством усиления можно использовать общий ("нулевой") провод. В этом варианте также возможно применение других типов микросхем, удовлетворяющих требованиям по шумам и входному сопротивлению Rвх ≥ 1010 Ом.
Как видно из схем МУ на рис. 10, один из выводов капсюля подключается к минусовой цепи источника питания. При этом лучший результат в уменьшении проникновения помех достигается при соединении корпуса капсюля с источником питания, полярность которого может быть изменена на положительную с соответствующим изменением типа стабилизатора и его подключением.
Литература
1. Active Filters. - URL: http://www. linkwitzlab.com/filters.htm#9 (14.03.15).
2. Салтыков О., Сырицо А. Звуковоспроизводящий комплекс. - Радио, 1979, № 7, с. 28-31; № 8, с. 34-38.
3. Митрофанов Ю., Пикерсгиль А. Электромеханическая обратная связь в акустических системах. - Радио, 1970, № 5, с. 25, 26.
4. Hans Klarskov Mortenson. An acceleration feedbacksystem. - Speaker Builder, 1990, №1,p. 10-20.
5. Мухамедзянов Н. Вниз по лестнице, ведущей вверх... или ЭМОС в низкочастотном звене АС. - URL: http://reanimator-h. narod.ru/emos.html (14.03.15).
6. MeyerSoundX-10. - URL: http://studio-equipment.ru/icemagproducts/meyer-sound-x-10/ (14.03.15).
7. Stahl K. Synthesis of Loudspeaker Mechanical Parameters by Electrical Means. A New Method for Controlling Low-Frequency Loudspeaker Behavior. - JAES, 1981, v. 29, № 9, p. 587-596.
8. КуценкоА., Раскита М. Методическое пособие по курсу "Электроакустика и звуковое вещание", ч. 1. Громкоговорители. - Изд. Технологического института Южного федерального университета, 2006.
9. Алдошина И., Войшвилло А. Высококачественные акустические системы и излучатели. - М.: Радио и связь, 1985.
10. Схемы активных фильтров. - URL: http://digteh.ru/Sxemoteh/filtr/RC/ (14.03.15).
Автор: А. Сырицо, г. Москва
