Несложный стереомикшер с несколькими входами и разной чувствительностью полезно применять для создания фонограмм к видеофильмам. Предпочтение транзисторов микросхемам отдано в основном с целью минимизации собственных шумов блока.

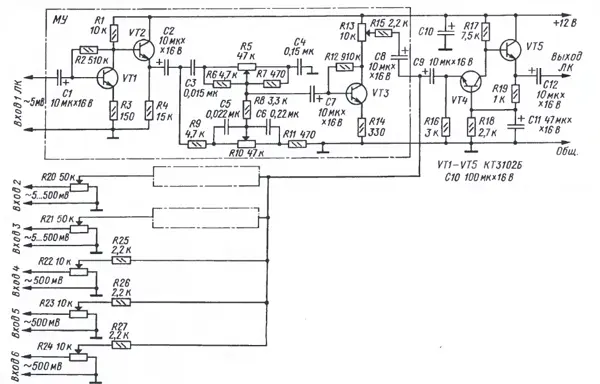
Рис. 1
Микшер выполнен на транзисторах (см. рисунок). Он имеет в каждом канале вход чувствительностью 5 мВ с регуляторами тембра; два входа с регулируемой чувствительностью, изменяемой в интервале 5 мВ... 500 мВ, также с регулировкой тембра; три стереофонических входа чувствительностью 500 мВ без частотной коррекции.
При разработке блока основной целью была минимизация уровня шума; удалось добиться уровня около -75 дБ. Насколько мне известно, добиться такого результата с микрофонных входов на ОУ весьма сложно. За основу взят микшер, описанный в [1]. В микрофонных усилителях добавлены змит-терные повторители для согласования с последующими регуляторами тембра.
На схеме показан только левый канал, схема правого идентична. Общим для обоих каналов является стабилизированный блок питания на 12 В (на микросхеме LM7812) выполненный по типовой схеме. Для введения режима "Моно" источники двухканальных фонограмм можно подключать через входы 4 и 5 либо 5 и 6. Два стереоканала микшера при необходимости могут быть объединены (смешаны в точке соединения конденсаторов С8, С9.
О деталях. С целью уменьшения шума применены оксидно-полупроводниковые конденсаторы К53-1 либо К53-14. Транзисторы - КТ3102Б или КТ3102Г либо импортные ма-лошумящие транзисторы, например, ВС547 Переменные резисторы в регуляторе тембра-с характеристикой группы В. Остальные переменные резисторы - импортные, с характеристикой группы А. С микшером используются микрофоны SHURE 48, можно МД-85. Разъемы: входные моно - гнезда для штекеров диаметром 6,3 мм (6 шт.); стерео и выходные - RCA ("тюльпаны").
При монтаже все по возможности экранируют, особенно корпусы переменных резисторов. Для микшера лучше взять цельнометаллический корпус. Также желательно использовать блок питания в отдельном корпусе; его выходное напряжение - 12 В с малым уровнем пульсаций при токе на рузки не менее 20 мА.
Налаживание прибора не требуется, но желательно проконтролировать осциллографом на выходе форму и размах синусоидального сигнала, а также идентичность параметров правого и левого каналов, подавая на входы сигнал частотой 1 кГц. При подаче сигнала напряжением 5 мВ на микрофонные и 500 мВ на линейные входы не должно наблюдаться ограничения выходного сигнала; напряжение на линейном выходе должно быть около 500 мВ.
Микшер можно дополнить усилителем для головных телефонов (не обязательно малошумящим и индикатором уровня, выполненными по опубликованным в журнале схемам соответствующих узлов [2-5] Число входов можно увеличить.
Выходное сопротивление микшера позволяет подключать к нему любые усилители с соответствующей чувствительностью (даже несколько усилителей параллельно при отсутствии их взаимного влияния).
Этот микшер многократно использовался для сведения сигналов от синтезатора и нескольких микрофонов - получалось очень неплохо.
Литература
1. Нечаев И. Многоканальный микшер. - Радио, 1994, № 1, с. 31,32.
2. Сапожников М. Усилители для головных телефонов. - Радио, 2004, № 1, с. 15,16.
3. Кузнецов Э. Любительский микшерный пульт. - Радио, 2003, № 3, с. 10-12.
4. Кузнецов Э. Измеритель уровня звуковых сигналов с диапазоном измерений от -40 до +3 дБ. - Радио, 2007, № 7, с. 17-19.
5. Логарифмический индикатор уровня. - Радио, 1983, №9, с. 61.
Автор: А. Касаткин, г. Москва
