Предлагаемый усилитель имеет низкий уровень нелинейных искажений и способен обеспечить номинальную мощность до 70 Вт в нагрузке сопротивлением 4 Ом. Автор отказался от электронной защиты мощных транзисторов и АС, ограничившись включением плавких вставок в цепи питания, в целях исключения возможного срабатывания защиты на комплексной нагрузке. Впрочем, для повышения надёжности и мощности на плате предусмотрено размещение элементов для дополнительной пары мощных транзисторов.
Многие знают, как бывает трудно выбрать схему усилителя мощности среди большого разнообразия. Предлагаемый здесь УМЗЧ разрабатывался для широкого круга радиолюбителей, имеет достойные внимания технические характеристики и обеспечивает естественное и детальное звучание. Он относительно не сложен в сборке и настройке, не требователен к деталям, устойчив и надёжен.
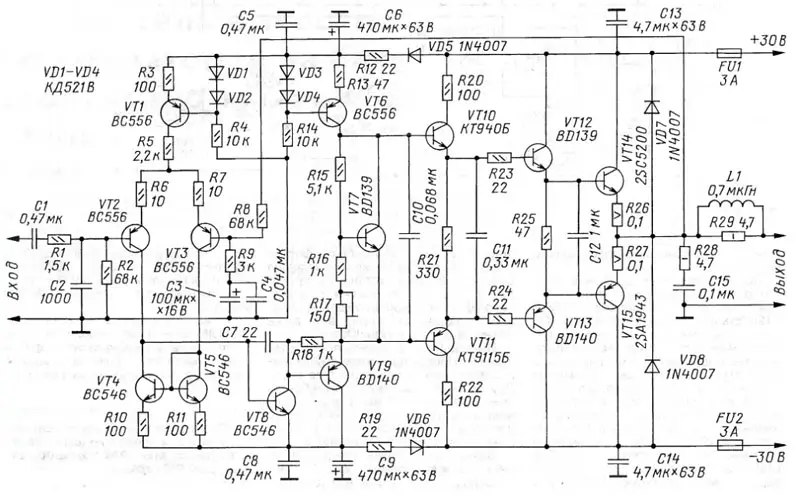
Схема одного канала усилителя мощности показана на рис. 1. Параметры, приведённые ниже, измерены при использовании стабилизированного блока питания.
Технические характеристики
Номинальная выходная мощность, Вт,
на нагрузке сопротивлением 4 Ом................70
8 Ом.......................40
Неравномерность АЧХ в полосе частот20...20000 Гц,
дБ..........................±0,5
Напряжение шума и фона при замкнутом входе, мВ,
не более ......................1
Коэффициент гармонических искажений при номинальной выходной мощности в полосе 20...20000 Гц, %,
не более ...................0,003
Номинальное входное напряжение, мВ ................550
Входное сопротивление, кОм.......68
Выходное сопротивление (с цепью R29L1), Ом ............0,04
Входной сигнал через цепи ФВЧ C1R2 и ФНЧ R1C2 поступает на дифференциальный каскад на транзисторах VT2, VT3, в эмиттерную цепь которых включён источник стабильного тока на транзисторе VT1. В коллекторных цепях каскада применено токовое зеркало на транзисторах VT4, VT5. Далее сигнал следует на усилитель напряжения (УН) на транзисторе VT8 с буферной нагрузкой в виде эмиттерного повторителя на транзисторе VT9. Буфер в этом случае позволяет разгрузить УН и ввести компенсационную ОС, уменьшающую нелинейные искажения. Далее усиленный по напряжению сигнал поступает на выходной каскад.
Выходной каскад, собранный на транзисторах VT10-VT15, представляет собой трёхступенчатый эмиттер-ный повторитель. Транзистор VT7 задаёт его ток покоя и осуществляет термокомпенсацию смещения для мощных транзисторов. Транзистор VT6 является источником стабильного тока для эмиттерного повторителя и цепи смещения на VT7. Цепь R28C15 предохраняет УМЗЧ от самовозбуждения на высоких частотах. Цепь L1R29 повышает устойчивость усилителя при ёмкостном характере нагрузки. Диоды VD7, VD8 защищают выходные транзисторы от напряжения обратной полярности, а резисторы R26, R27 повышают термостабильность режима. Конденсатор С7 - фазокорректирующий, он обеспечивает устойчивость усилителя при охвате его общей обратной связью (ООС).
В усилителе можно использовать следующие детали. Резисторы R26, R27 - керамические мощностью 5 Вт, R28, R29 - МЛТ-1, остальные - МЛТ-0,125 или МЛТ-0,25. Резисторы R6, R7, R10, R11 следует подбирать с отклонением не более ±2%.
Рис. 1
Конденсаторы С1, С5, С8, С11-С14 - К73-17; С4, СЮ, С15 - КМ-5, КМ-6 или К10-47; С2, С7 - керамические с нормированным ТКЕ, например, групп М75-М750. Диоды КД521В можно заменить на 1N4148. Возможные замены транзисторов: BD139 - на КТ817Г; BD140 - на КТ816Г. Мощные транзисторы 2SC5200, 2SA1943 заменимы на КТ8101, КТ8102; в крайнем случае возможно применение КТ819ГМ, КТ818ГМ. Катушка L1 - однослойная, с внутренним диаметром 10 мм, содержит 8 витков любого медного провода в лаковой изоляции диаметром по меди 0,7 мм.

Рис. 2(а,б)
Усилитель собран на печатной плате размерами 125x110 мм. Один из её вариантов показан на рис. 2,а, а соответствующее расположение деталей - на рис. 2,6. На плате предусмотрено место под вторую пару выходных транзисторов. Это может быть необходимо, например, при увеличении выходной мощности или при использовании менее мощных транзисторов. В целом усилитель не требует особого монтажа, следует лишь придерживаться общеизвестных правил. Провода подключения блока питания и нагрузки сечением не менее 2,5 мм2 должны быть свиты по всей длине с шагом 10... 15 мм, их монтируют без жгутов. Вход усилителя подключают экранированным проводом.
Мощные транзисторы устанавливают на теплоотвод с поверхностью около 800 см2 (в расчёте на один канал) через слюдяные прокладки. Для увеличения теплопроводности следует воспользоваться термопастой. Транзисторы VT12, VT13 также нужно устанавливать с небольшими теплоотводами площадью 10...15 см2. Транзистор VT7, используемый как термозависимый источник напряжения смещения, должен быть размещён рядом с корпусом одного из мощных транзисторов и иметь с ним хороший тепловой контакт. Усилитель желательно смонтировать на шасси из немагнитного металла, соединённого с общим проводом в одной точке.
После проверки правильности монтажа вход усилителя замыкают накоротко, движок подстроечного резистора R17 устанавливают в верхнее по схеме положение и к выходу подключают осциллограф. Вместо плавких вставок (предохранителей) впаивают токоограничивающие резисторы мощностью 1...2Вт сопротивлением 30... 50 Ом. Подав питание, проверяют отсутствие постоянного напряжения на выходе усилителя (допустимое значение ±15 мВ) и отсутствие самовозбуждения. Далее выпаивают защитные резисторы и устанавливают на свои места плавкие вставки. Затем под-строечным резистором R17 доводят ток покоя выходных транзисторов до 100 мА, ориентируясь по падению напряжения на резисторах R26, R27, равному 20 мВ. После прогрева усилителя в течение 10 мин подстраивают ток покоя. На этом налаживание можно считать законченным.
При выборе БП следует иметь в виду, что импульсный преобразователь в блоке, хотя и имеет меньшие габариты и вес, но является сильным источником помех в широкой полосе частот, борьба с которыми не всегда оправдана. Поэтому часто предпочтительней использовать обычный сетевой трансформатор с выпрямителем. Трансформатор должен иметь мощность не менее 150 Вт в расчёте на один канал, это способствует меньшей "просадке" напряжения питания на максимальной мощности усилителя. Диоды должны быть рассчитаны на прямой ток не менее 10 А, например, КД2999А, КД2999Б. Они имеют малое падение прямого напряжения, соответственно уменьшается тепловыделение и повышается КПД блока питания в целом.
При желании данный усилитель можно оснастить токовой защитой выходных транзисторов, например, описанной в статье П. Зуева "Усилитель с многопетлевой ООС" ("Радио", 1984, № 11, с. 29-32; № 12, с. 42, 43).
Автор: В. Гречишкин, г. Богородицк, Тульская область
