При конструировании ламповых усилителей мощности звуковой частоты (УМЗЧ) многие авторы используют выходные каскады, работающие в классе А. Аргументируют они свое решение минимальным коэффициентом нелинейных искажений подобных каскадов. Однако каскады, работающие в классе А, имеют достаточно приличный начальный ток анода (рабочая точка лежит на середине линейного участка характеристики лампы). Следовательно, КПД лампы будет весьма низким. Постоянный ток, протекающий через лампу, будет разогревать ее электроды. Если не предусмотреть принудительного охлаждения ламп, то их электроды будут интенсивно разрушаться. Следует отметить, что при построении усилителей класса А с выходной мощностью 10...20 Вт, еще можно создать компактную систему охлаждения. Но если усилитель рассчитывать, например, на 100 Вт, то придется сооружать весьма громоздкий "охладитель".
Поэтому выгоднее использовать более экономичный режим работы ламп в классе В. Недостатком данного режима является повышенный уровень нелинейных искажений. Связано это с тем, что в данном режиме рабочая точка лампы лежит в более нелинейном начальном участке характеристики лампы. При двухтактной схеме включения ламп это вызывает искажения в виде "ступеньки". Существует весьма простой способ компенсации подобных искажений. Для этого усилитель необходимо охватить глубокой отрицательной обратной связью.
Предлагаемый усилитель питается от двухтрансформаторного источника питания (рис.1). Трансформатор ТЗ обеспечивает питанием анодные цепи всей схемы и сеточные цепи выходных ламп усилителя, Т4 формирует накальные напряжения, напряжения смещения на сетках выходных ламп и напряжение для питания вентиляторов, охлаждающих усилитель. Для уменьшения уровня фона накал ламп предварительного усилителя осуществляется от источника постоянного тока.

Рис.1. Двухтрансформаторный источник питания
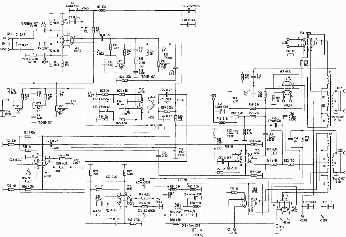
Принципиальная схема усилителя изображена на рис.2. На малогабаритном двойном триоде VL1 собран предварительный усилитель. Уровни входных сигналов регулируются переменными резисторами R1 и R2. Сигналы левого и правого каналов подаются на трехполосные регуляторы тембра. Далее сигналы через компенсирующий усилитель на двойном триоде VL2 поступают на фазоинверторы на двойном триоде VL3. Корректирующие RC-цепи, подключенные к катодам триодов VL2, снижают нелинейные искажения усилителя и предотвращают его самовозбуждение на инфранизких частотах. На анодах VL3 получаются противофазные сигналы, необходимые для работы двухтактных выходных каскадов. Противофазные сигналы "раскачиваются" предварительными усилителями на двойных триодах VL4, VL5 до уровней, необходимых для возбуждения выходных ламп VL6...VL9. Оба тетрода в каждой лампе для увеличения отдаваемой мощности включены параллельно. Нагрузкой ламп служат выходные трансформаторы Т1, Т2.

Рис.2. Принципиальная схема усилителя
| Полоса частот (при неравномерности АЧХ ±1,5 дБ}, Гц | 20...26000 |
| Чувствительность со входов, мВ | 250 |
| Входное сопротивление, МОм | 1 |
| Номинальная выходная мощность, Вт | 80 |
| Пиковая выходная мощность, Вт | 120 |
| Коэффициент нелинейных искажений (при выходной мощности 50 Вт), %, не более | 0,4 |
| Уровень фона 50 Гц, не более, дБ | 80 |
| Выходное сопротивление, Ом | 8 |
Трансформаторы согласуют высокое сопротивление ламп с сопротивлением акустических систем.
Усилитель собирается в дюралюминиевом корпусе. Вентиляторы М1 и М2 располагают таким образом, чтобы они обдували выходные лампы. XS1 - гнездо "JACK" или "miniJACK". R1, R2, R11, R13, R15, R17, R19, R21 - любые переменные резисторы подходящего типа. SA1 должен выдерживать ток до 6 А при напряжении питания 220 В. Для Т1 и Т2 используют Ш-образные сердечники с сечением 32x64 мм. Обмотки I, III содержат по 600 витков провода ПЭВТЛ-2 d0,4 мм, а обмотки IIа и IIб - по 100 витков того же провода.Обмотка IV содержит 70 витков провода ПЭВ-2 d1,2 мм. ТЗ и Т4 наматываются на тороидальных сердечниках сечением 65x25 мм (Т3) и 40x25 мм (Т4). Т3 имеет первичную обмотку, состоящую из 600 витков провода ПЭВТЛ-2 d0,8 мм, и вторичную, состоящую из двух обмоток по 570 витков того же провода. Первичная обмотка Т4 состоит из 1600 витков провода ПЭВТЛ-2 d0,31 мм, обмотка II - 500 витков того же провода, III и IV - 52 и 104 витка провода ПЭВТЛ-2 d0,8 мм. Порядок намотки обмоток для Т1 и Т2 показан на рис.3.

Рис.3. Порядок намотки обмоток для Т1 и Т2
Налаживание усилителя начинают с источника питания. Снимают с панелек лампы VL6...VL9 и включают питание. При этом должен загореться HL1, а М1 и М2 должны заработать. Измеряют постоянные выходные напряжения, которые должны отличаться от указанных по схеме не более чем на ±10%. Движки регуляторов громкости устанавливают в крайнее правое, а регуляторов тембра — в среднее положение. Временно отключают цепи ООС (R52, С46, С47, R75, С38, С51). На входы ЛК и ПК подают синусоидальные сигналы частотой 1 кГц и амплитудой 250 мВ. Двухканальным осциллографом контролируют противофазные сигналы на анодах ламп VL4, VL5 (их амплитуды должны быть одинаковыми, а форма неискаженной). Устанавливают на место VL6...VL9, а к выходам подключают либо акустические системы, либо (лучше) эквиваленты нагрузки (резисторы 8 Ом х 150 Вт). На выходе также должен наблюдаться неискаженный сигнал. Восстанавливают цепи ООС. Если усилитель будет самовозбуждаться, следует подобрать емкости С38, С47 или резисторы R52, R75. При этом нельзя сильно уменьшать ООС, поскольку соответственно увеличится коэффициент нелинейных искажений. На этом настройка усилителя заканчивается.
В целях правильной эксплуатации усилителя следует помнить, что включение усилителя без нагрузки категорически воспрещается. Несоблюдение данного требования приведет к выходу из строя выходных ламп и трансформаторов.
Автор: В.ФЕДОРОВ, 398046, г.Липецк, а/я 1341
