В последнее время получают распространение AV-ресиверы и активные акустические системы с цифровым входом звукового сигнала по стандарту S/PDIF. Кроме того, домашний компьютер все чаще используется в качестве центра мультимедиа, а также для хранения фильмов и музыки. На многих современных материнских платах компьютеров уже имеются разъемы интерфейса S/PDIF. Этот интерфейс позволяет передать многоканальный звук по одному коаксиальному или оптическому кабелю, что избавляет от прокладки отдельного экранированного кабеля для каждого звукового канала. Зачастую компьютер и активная акустическая система разнесены на расстояние более 2 м, и стандарт S/PDIF позволяет передать устойчивый к помехам и наводкам цифровой поток звуковых сигналов, а также обеспечить гальваническую развязку аппаратуры (при использовании оптопары).
При коаксиальном соединении необходимо использовать коаксиальный кабель с волновым сопротивлением 75 Ом. Этим требованиям удовлетворяет кабель, который используется для подключения антенны телевизора. При оптическом соединении устройства должны быть связаны стандартной системой соединения с помощью оптоволокна - TOSLINK.
Общеизвестно, что работающий компьютер - источник помех широкого спектра, отрицательно влияющих на качество выводимого сигнала (как аудио, так и видео). Большая часть этих помех возникает из-за гальванической связи компьютера с устройством вывода.
Если AV-ресивер содержит в себе гальваническую развязку коаксиального кабеля, то вам повезло и необходимо только ограничение уровня выходного сигнала с материнской платы [1]. Стандарт передачи по интерфейсу S/PDIF ограничивает амплитуду сигнала на уровне 0,5 В. Проверить наличие гальванической развязки можно, прозвонив контакт экрана коаксиального входа и, допустим, контакт экрана аналоговых входов. Если сопротивление бесконечное, то гальваническая развязка есть.
Если коаксиальный вход AV-ресиве-ра не имеет гальванической развязки, то предпочтительнее соединить компьютер и акустическую систему оптоволокном, что снизит помехи и исключит опасность выхода из строя входов/ выходов устройств при случайном "горячем" включении/выключении. При необходимости подключения на расстоянии 10 и более метров потребуется найти мало распространенный и дорогой кабель TOSLINK. К тому же не всегда в комплекте материнской платы компьютера идет планка с оптическим выходом S/PDIF. Поэтому удобнее и дешевле линию связи сделать на простой витой паре, а непосредственно у оптического входа акустической системы преобразовать электрический сигнал в оптический с помощью светодиода.
Интерфейс S/PDIF, установленный на материнской плате, обычно имеет выходной сигнал S/PDIF Out с ТТЛ уровнями. Можно предложить простую нагрузку выхода светодиодом с токоограничи-вающим резистором. При этом импульсный ток может превысить допустимый ток выхода микросхемы, установленной на материнской плате и отвечающей за вывод сигнала S/PDIF. В моем случае номинальный ток светодиода - 20 мА, а допустимый ток микросхемы ALC889 - 10 мА. Такой вариант вполне работоспособен, но не гарантирует безотказной работы и может привести к неисправности оборудования, так как перегружает выход на материнской плате. Поэтому для надежной работы интерфейса предлагаю изготовить адаптер.
Такой адаптер использован мной для соединения активной акустической системы SVEN-HT500 и компьютера на расстоянии 10 м. Сигнал от компьютера передается по одной из витых пар компьютерного сетевого кабеля UTP и преобразуется в оптический сигнал с помощью сверхъяркого светодиода L-813SRC-F, установленного непосредственно в оптическом разъеме S/PDIF акустической системы.

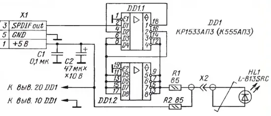
Рис. 1
Схема адаптера приведена на рис. 1. Сигнал S/PDIF с соответствующего разъема материнской платы инвертируется и усиливается шестью буферными элементами микросхемы DD1 с повышенной нагрузочной способностью. Выходной ток одного элемента в состоянии логического нуля может достигать 24 мА. Резисторы R1 и R2 необходимы для ограничения тока светодиода и защиты от замыканий. Сопротивление R1 и R2, возможно, потребуется подобрать, чтобы адаптер устойчиво работал при удалении светодиода на расстояние 10...20 мм от оптического разъема. В качестве светодиода оптимально использовать сверхъяркий с длиной волны 640...660 нм. В качестве DD1 может быть применена любая микросхема ТТЛ с достаточной нагрузочной способностью и быстродействием, необходимым для передачи сигнала частотой до 6 МГц. Схема адаптера соответственно должна быть изменена.

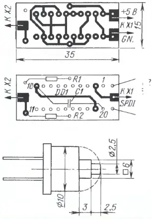
Рис. 2 Рис.3
На рис. 2 приведен чертеж печатной платы адаптера размерами 35x15 мм Конденсаторы устанавливают навесным монтажом (С1 припаян к выводам микросхемы).
Светодиод L-813SRC-F желательно доработать согласно рис. 3 для того, чтобы установить его непосредственно в оптический разъем аудиоаппаратуры.

Рис. 4
На рис. 4 приведена фотография размещения адаптера на стандартной планке компьютера. Для этого в ней необходимо просверлить отверстие под разъем RCA. Оба контакта разъема должны быть изолированы от планки и корпуса компьютера.
Теперь при просмотре DVD вы можете наслаждаться стереофоническим или многоканальным звуком Dolby Digital и DTS, который будет воспроизводить ваш AV-ресивер, если он оборудован соответствующими декодерами. Следует отметить, что подавать на внешний AV-ресивер можно только стереопоток (РСМ), например, с музыкального компакт-диска, АСЗ (Dolby Digital) или DTS-поток. То есть можно с удовольствием посмотреть фильм на DVD или послушать любимый компакт-диск. Но большинство игрушек с многоканальным (но не Dolby Digital) звуком на ресивере послушать не удастся. Для этого необходима звуковая карта, позволяющая "на лету" кодировать любой звук в поток Dolby Digital и пускать его в таком виде на цифровой выход. Можно также воспользоваться программой AC3Filter, позволяющей разложить любой источник звука на многоканальный [2]. В противном случае для получения многоканального звука в играх придется использовать аналоговое подключение к AV-ресиверу.
Учитывая волновое сопротивление витой пары, близкое к 100 Ом, резистор R2 лучше расположить со стороны нагрузки витой линии, вблизи светодиода HL1.
Литература:
1. SPDIF (AES/EBU to S/PDIF signal level converter). - http://www.epanorama.net/ documents/audio/spdif.html.
2. AC3Filter & SPDIF. - http://ac3filter.net/ guides/ac3filter_spdif.
Автор: А. Харлов , г. Димитровград Ульяновской обл.
