Простой генератор звуковой частоты собрать совсем несложно. Пригодиться он может для проведения тестирования любых звуковых цепей, к примеру, самодельной аппаратуры, или для игровых/обучающих целей ("just-for-fun"). Звук, который будет издавать такой генератор – в большинстве случаев писк. Поэтому такой прибор еще часто называют "пищалкой".
Собрать "пищалку" можно несколькими способами. Опишем два самых простых.
Способ 1 - аналоговый
Схема выглядит так:

Рис. 1. Схема звукового генератора
Требуемые инструменты и материалы:
- Материал для платы – подойдет небольшой кусок фольгированного текстолита.
- Резак.
- 2 комплементарных транзистора типа NPN и PNP. Мощность должна быть совсем небольшой. Примеры таких пар: 2SA1908 - 2SC5100; BD241C -пара BD242C; BC33740 и BC32740 и т.п.
- Конденсатор емкостью от 10 до 100 фарад.
- Маломощный динамик – новый или от любой техники, к примеру, от накладных наушников или слабеньких колонок.
- Кнопка (можно использовать тумблер) – подойдет любая, от фонарика, испорченного джойстика и даже старого тетриса.
- Батарейка – крона или пальчиковая. От мощности батарейки будет зависеть мощность генератора.
- Подстроечный резистор номиналом не более 100-200 кОм.
Первым делом готовим плату – резаком проделываем на ней горизонтальные прорези так, чтобы полученные участки с проводником выполняли роль дорожек, как при травлении. Как альтернативу можно использовать макетную плату (она тоже не требует работы с реагентами, краской и т.п.).
Бывалые радиолюбители определенно смогут собрать такую схему даже без плат, путем простой пайки деталей между собой на весу (в этом случае лучше всего использовать в качестве соединителей провода в изоляционной оплетке).
Компоненты монтируются в любом удобном вам порядке.
Переменный резистор позволит вам "поиграться" с "пищалкой", меняя частоту генерации в определённых пределах (для более сложной генерации звуковых колебаний проектируются более сложные схемы).
Итоговый вариант может выглядеть так.

Рис. 2. Звуковой генератор в сборе
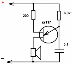
Если в доступе есть двубазовый транзистор (например, как КТ117), то схема становится еще проще.

Рис. 3. Схема с двубазовым транзистором
Способ 1.1 – расширенный для дверного звонка
Если конечной целью использования генератора звука является функционал дверного звонка, то при минимальном количестве исходных элементов можно получить "трели канарейки", собрав схему ниже.

Рис. 4. Схема звукового генератора
Даже ее можно спаять "на весу" без использования печатной или макетной платы.
Способ 2 - с использованием микросхем ("цифровой")
Как бы это ни казалось странным, но простой звуковой генератор можно сделать и из микросхем.
В качестве "простой" микросхемы можно использовать К155ЛА3 (как аналог К555ЛА3 или другие, работающие по логике двух "и-не").
Фактически, схема представляет собой слегка переделанный генератор тактовых импульсов (ГТИ). Итоговая схема выглядит следующим образом.

Рис. 5. Итоговая схема
Частоты звуковых колебаний здесь могут подстраиваться резистором R1 (второй регулирует величину выходного сигнала) в пределах 500 Гц – 5 кГц.
Все указанные логические элементы (DD1.1-DD1.4) фактически представлены в одном корпусе микросхемы, то есть для сборки вам понадобится только 4 детали (микросхема, 2 резистора и конденсатор).
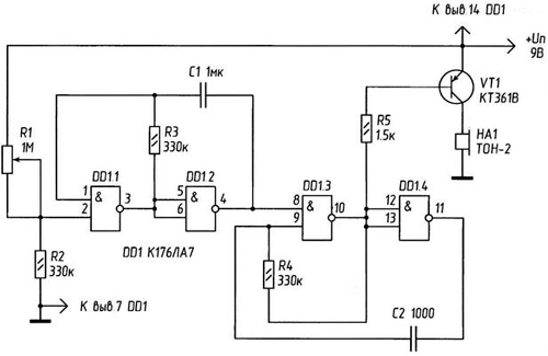
Способ 2.1 – "странные звуки"
На базе все той же микросхемы, можно сгенерировать целую "какофонию" звуков. Это может быть и мычание быка, и кваканье, и мяуканье, и даже "уканье" кукушки.
Схема будет иметь следующий вид.

Рис. 6. Схема звукового генератора
Добавляются несколько резисторов и транзистор. Получается своего рода симбиоз аналоговой и цифровой схемы.
В качестве микросхемы здесь используется К176ЛА7, однако могут подойти и другие аналоги (например, из серии К561).
Автор: RadioRadar
