Этот анализатор предназначен для встраивания в УМЗЧ и другие устройства, предназначенные для воспроизведения музыки и другой акустической информации. Он позволяет наблюдать на светодиодном табло текущее распределение энергии звукового сигнала по семи частотным полосам, середины которых лежат в интервале от 63 до 16000 Гц.
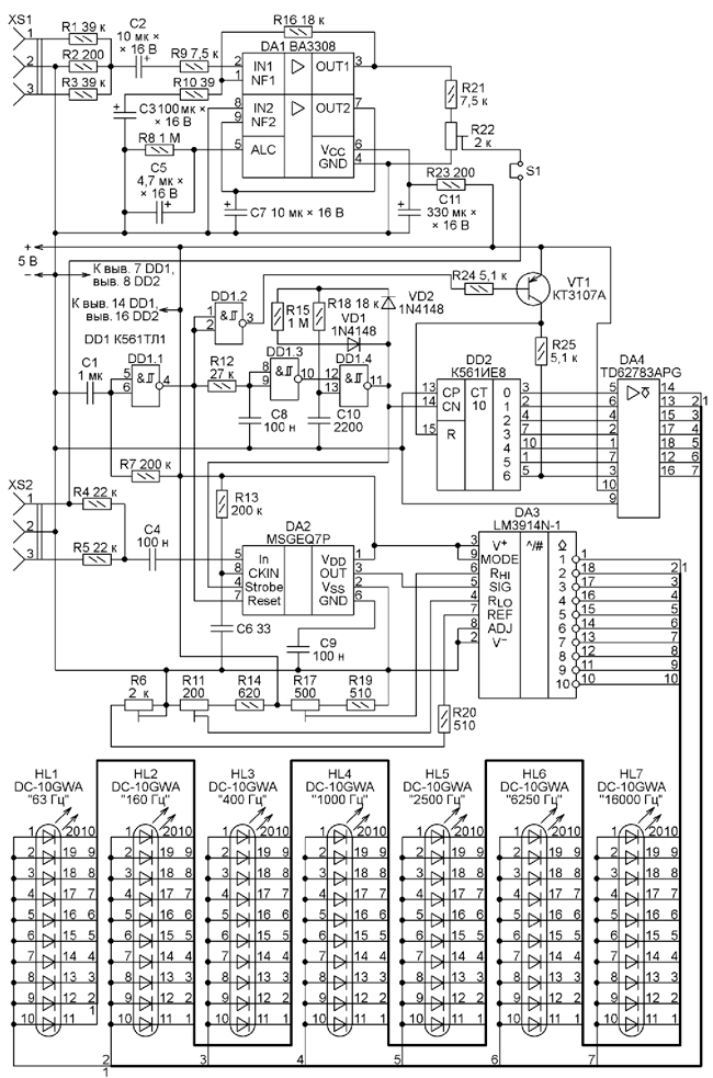
Схема семиполосного анализатора спектра представлена на рис. 1. Сигнал с выхода УМЗЧ поступает на разъём XS1. Резисторы R1-R3 образуют сумматор сигналов левого и правого стереоканалов. Далее через конденсатор C2 сигнал поступает на вход одного из двух каналов усилителя DA1 BA3308 [1]. Вход второго канала усилителя соединён с общим проводом, а к выходу подключён конденсатор C7, чтобы исключить влияние этого канала на работу встроенной в усилитель системы АРУ. При амплитуде входного сигнала от 1 до 18 В, что соответствует мощности от 0,125 до 40 Вт на нагрузке 4 Ом, амплитуда сигнала на выходе (выводе 3) DA1 поддерживается равной 1,1 В.

Рис. 1. Схема семиполосного анализатора спектра
С делителя напряжения R21R22 сигнал амплитудой 100...150 мВ подан на вход семиполосного фильтра, собранного на специализированной микросхеме MSGEQ7P [2] DA2. От усиления входного сигнала и АРУ можно отказаться, подав входной сигнал на разъём XS2. При этом нужно снять перемычку S1, чтобы разорвать соединение выхода УМЗЧ DA1 с входом микросхемы DA2.
Длительность формируемого элементом DD1.1 импульса Reset высокого логического уровня задана постоянной времени цепи R7C1. Через элемент DD1.2, резистор R24 и транзистор VT1 он поступает также на вход R счётчика DD2 и устанавливает его в исходное состояние: на выходе 0 (выводе 3) - высокий уровень, на остальных выходах - низкий.
Установившийся на выходе элемента DD1.3 по окончании задержанного цепью R12C8 импульса Reset высокий уровень разрешает работу мультивибратора на элементе DD1.4. Длительность формируемых им импульсов Strobe зависит от скорости разрядки конденсатора C10 через резисторы R15, R18 и диод VD1, а пауз между ними - от скорости зарядки этого конденсатора через резистор R18 и диод VD2.
Микросхема DA2 содержит семь полосовых фильтров с центральными частотами 63, 160, 400 Гц и 1, 2,5, 6,25 и 16 кГц. Их АЧХ соответствуют колебательным контурам с добротностью 6. К выходам фильтров в микросхеме подключены выпрямители, выходные сигналы которых встроенный коммутатор на семь положений поочерёдно подаёт на выход микросхемы. Первый по окончании импульса Reset нарастающий перепад импульса Strobe соединяет с выходом коммутатора выход выпрямителя фильтра 63 Гц. Время установления выходного сигнала - 36 мкс. Каждый следующий нарастающий перепад Strobe переключает фильтры в направлении увеличения частоты по кругу до тех пор, пока вновь не поступит импульс Reset.
По нарастающим перепадам импульсов Strobe срабатывает и счётчик-дешифратор DD2. "Бегущий" по его выходам высокий логический уровень поочерёдно через ключи микросхемы TD62783APG [3] DA4 подключает аноды светодиод-ныхшкал HL1-HL7 к цепи +5 В.
Сигнал с выхода микросхемы DA2 поступает на вход преобразователя напряжения в позиционный код LM3914N-1 [4] DA3. Чем больше поданное на его вход SIG напряжение, тем больше выходов этой микросхемы будет включено и тем выше будет светящийся столбик на подключённой в этот момент к источнику питания светодиодной шкале.
Печатная плата для анализатора не разрабатывалась. Он собран на макетной плате. Однако светодиодные шкалы размещены на печатной плате, чертёж которой показан на рис. 2. В собранном виде эта плата изображена на рис. 3.

Рис. 2. Светодиодные шкалы на печатной плате

Рис. 3. Светодиодные шкалы на плате в сборе
При правильной сборке устройство заработает сразу же. Нужно лишь проконтролировать длительности низкого (20...30 мкс) и высокого (1...1,4 мс) логических уровней импульсов Strobe на выходе элемента DD1.4. После этого подайте на разъём XS1 сигнал частотой 1 кГц и амплитудой не менее 1 В, при которой в микросхеме DA1 гарантированно работает АРУ. Наблюдая на экране осциллографа сигнал на выводе 3 микросхемы DA2, подстроечным резистором R22 установите амплитуду "столбика" осциллограммы, соответствующего частоте 1 кГц, равной 3...3,5 В.
Поскольку на выходах фильтров даже в отсутствие сигнала на их входах имеется небольшое напряжение смещения, возможно свечение нижних элементов светодиодной шкалы. Для его устранения соедините между собой все контакты разъёмаXS1 и, перемещая движок подстроечного резистора R11, погасите нижние сегменты. Подстроечным резистором R6 отрегулируйте яркость свечения светодиодов, он управляет источниками выходного тока в микросхеме DA3. Последнюю регулировку (подстроечным резистором R17) выполните при нормальной работе анализатора так, чтобы светящиеся столбики на светодиодных шкалах были как можно выше, но не слишком часто достигали предельной высоты.
Для формирования сигналов Reset, Strobe и управления индикатором вместо узла на микросхемах DD1 и DD2 можно применить микроконтроллер ATtiny2313A-PU. Схема его подключения к анализатору показана на рис. 4. Предварительно нужно удалить из анализатора микросхемы DD1, DD2, диоды VD1, VD2, транзистор VT1, резисторы R7, R12, R15, R18, R24, R25, конденсаторы C1, C8, C10.

Рис. 4. Схема подключения микроконтроллер ATtiny2313A-PU к анализатору
И ещё несколько слов о микросхеме MSGEQ7P. Она может тактироваться как от внутреннего генератора, так и от внешнего частотой не более 500 кГц, который подключают к входу CKIN DA2. При использовании внутреннего генератора тактовая частота зависит от постоянной времени цепи R13C6. Сетка частот 63-16000 Гц получается при тактовой частоте 165 кГц. Пропорционально ей изменяются и все частоты сетки. Тактовые импульсы от внешнего генератора подают на вывод 8 этой микросхемы, отключив от него конденсатор С6.
Минимальный период повторения импульсов Strobe - 72 мкс. Его можно увеличить, но следует иметь в виду, что в микросхеме после полосовых фильтров, детекторов и коммутатора имеется ещё конденсатор, запоминающий уровень сигнала. Поэтому с началом каждого импульса Strobe сигнал на выходе быстро устанавливается, а в течение его медленно спадает.
На рис. 5 показаны осциллограммы сигналов на выводе 3 счётчика DD2 (жёлтого цвета) и на выводе 3 микросхемы DA2 (зелёного цвета) при входном сигнале частотой 1 кГц. Скорость развёртки - 200 мс/дел. Хорошо видны медленный спад вершины импульса на выходе фильтра 1 кГц и смещение напряжения на выходах остальных фильтров.

Рис. 5. Осциллограммы сигналов
Анализаторы спектра, подобные микросхеме MSGEQ7P, имеются в аудиопроцессорах TDA7416, TDA7419, а также в микросхемах BA3826, BA3830, BA3834 и BA3835, но MSGEQ7P проще в применении и упакована в удобный для монтажа корпус DIP8.
Литература
1. BA3308 Dual Preamplifier with ALC. - URL: http://www. unisonic.com.tw/datasheet/ BA3308.pdf (10.07.2018).
2. MSGEQ7 Seven Band Graphic Equalizer. - URL: https://www.sparkfun.com/ datasheets/Components/General/ MSGEQ7.pdf (10.07.2018).
3. TD62783APG, TD62783AFWG 8ch High-Voltage Source Driver. - URL:http:// lib.chipdip.ru/035/DOC001035060.pdf (10.07.2018).
4. LM3914 Dot/Bar Display Driver. - URL: https://www.ti.com/lit/ds/symlink/lm3914. pdf (10.07.2018).
Автор: Н. Остроухов, г. Сургут Тюменской обл.
