В настоящее время стало модно подключать к компьютеру акустические системы "домашний кинотеатр", однако от стандартных настольных компьютерных колонок их отличает не только увеличенное число громкоговорителей и стереофонический процессор, но и отсутствие (в большинстве случаев) гнезда для головных телефонов, что влечет за собой неудобство при смене телефонов на колонки и наоборот. Одновременное подключение их к одному гнезду, как и постоянное переключение штекеров в звуковой карте, не всегда удобно по разным причинам. Для облегчения манипуляции с колонками и головными телефонами и был собран этот коммутатор нагрузки.

Рис. 1
Внешний вид устройства изображен на фото рис. 1. Оно представляет собой релейный переключатель, подключающий к выходу звуковой карты выбранную нагрузку. Устройство располагают в системном блоке и управляют им через СОМ порт.

Рис. 2
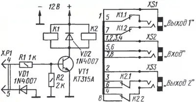
Схема прибора приведена на рис. 2. Коммутация сигнала производится с помощью двух электромагнитных реле К1 и К2. Сигнал поступает на разъем XS2 "Вход" и, в зависимости от состояний реле, попадает на разъем XS1 "Выход 1", предназначенный для подключения головных телефонов, или XS3 "Выход 2" - для колонок. В настоящей конструкции имеет принципиальное значение, к какому выходу подключены колонки, так как при отсутствии сигнала вход их усилителя лучше соединить с общим проводом во избежание шума, это и предусмотрено для выхода 2. Напряжение на реле подается через транзистор VT1. На выходах СОМ порта следующие уровни напряжения: лог. 1 соответствует напряжению -5...-15 В, а лог. О - напряжению +5... 15 В. Электронный ключ, собранный на транзисторе VT1 и резисторах R1 и R2, должен управляться напряжением 0/+5 В; для исключения напряжения минусовой полярности включен диод VD1. Диод VD2 защищает транзистор VT1 от ЭДС самоиндукции при выключении реле. Мной были использованы диоды 1 N4007, но подойдут и более популярные, например КД522Б
В коммутаторе использованы импортные реле NHG типа Р-12 с двумя группами контактов на переключение. При монтаже два неиспользуемых крайних вывода укорочены. Вместо этих реле подойдут малогабаритные электромагнитные реле на 12 В с двумя группами контактов на переключение.
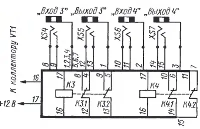
Из схемы на рис. 2 видно, что устройство подходит к звуковым картам с выходом STEREO, а большинство современных звуковых карт имеют четыре и более канала. Поэтому было решено дополнить конструкцию еще двумя каналами для тыловых колонок и сабвуфера.

Рис.3
Схема дополнительного узла представлена на рис. 3, а печатные платы устройства - на рис. 4, 5 соответственно. Обмотки реле КЗ и К4 нужно подключить параллельно К1 и К2 (это соединение можно выполнить разъемным), но следует учесть, что предельный ток через транзистор КТ315А составляет 100 мА. Если суммарный ток питания реле превышает 80 мА, следует использовать более мощный транзистор, например КТ972Б, но при этом изменив сопротивление резистора R1 на 3,9 кОм и R2 на 1,5 кОм.

Рис. 4

Рис. 5
Если устройство собрано правильно, то налаживания не требуется. Однако потребуется установить программу, необходимую для управления устройством. Такая программа состоит из двух файлов: непосредственно исполняемого AUDIO_Switch.EXE и информационного файла Konfig.bak; оба они должны находиться в одной папке. Если открыть последний файл "Блокнотом", то в нем можно обнаружить две строки; нас будет интересовать вторая. По умолчанию она содержит текст вида ".COM1"; это означает, что устройство подключено к порту СОМ1. Для использования другого порта необходимо изменить содержимое строки, например, для COM2 она будет выглядеть так: ".COM2". Программа написана под ОС Windows XR и под другими операционными системами не проверялась. После запуска она сразу сворачивается в трей, что экономит место ярлыков на рабочем столе, а при его активизации правой кнопкой мыши возможен выбор способа прослушивания - через головные телефоны или громкоговорители АС.

Рис. 6
Скриншот информационной панели показан на рис. 6.
Программа для управления коммутатором здесь
Автор: Н. Нистратов, г. Ростов-на-Дону
