Несмотря на множество моделей мультимедийных АС промышленного производства, интерес радиолюбителей к самостоятельному изготовлению подобных конструкций не снижается. Особый интерес вызывают системы с общим низкочастотным каналом. Низкочастотный громкоговоритель — сабвуфер — при этом размещают в отдельном корпусе, что позволяет значительно уменьшить габариты АС левого и правого каналов. Для подобного рода конструкций и предназначен описываемый здесь усилитель с общей номинальной мощностью около 20 Вт.
К особенностям мультимедийного комплекса можно отнести относительно небольшие размеры видеомонитора и соответствующие им габариты акустической системы, размещаемой, как правило, в непосредственной близости от слушателя. В связи с этим максимальная мощность усилителей для такой АС обычно не превышает 10...20 Вт. Близость расположения мультимедийной акустической системы нередко ограничивает ее допустимые размеры, поэтому здесь распространено размещение низкочастотной головки в одном общем корпусе — сабвуфере, а стереофонические громкоговорители выступают здесь в роли "сателлитов".
Для формирования сигнала канала НЧ (сабвуфера) обычно используются сумматор и активный фильтр. В качестве примера на рис. 1 приведена схема этого узла.

Рис.1. Формирователь сигнала НЧ (сабвуфера)
На ОУ DA1.1 выполнен инвертирующий сумматор, совмещенный с фильтром первого порядка, на ОУ DA1.2 — активный фильтр Баттерворта второго порядка. Частота среза получившегося в итоге фильтра третьего порядка составляет примерно 180 Гц. Делитель R1R2 задает режим ОУ по постоянному току. Полоса частот громкоговорителей СЧ—ВЧ (сателлитов) ограничена фильтрами первого порядка на входе стереофонического УМЗЧ.
Однако для выделения полосы частот сабвуфера вовсе не обязательно использовать активные фильтры. На страницах журнала были опубликованы два варианта УМЗЧ для компьютера [1], в которых применен оригинальный способ формирования сигнала для сабвуфера, не требующий отдельного фильтра. К сожалению, в первом варианте конструкции использованы две разные версии микросхемы TDA1519, не всегда имеющиеся в продаже. Во втором варианте — безнадежно устаревшие TDA2005, по уровню искажений и шумов не отвечающие современным требованиям; этой микросхеме требуется немало внешних элементов. Применив современные микросхемы УМЗЧ, предназначенные для автомобильной радиоаппаратуры, можно несколько упростить схему и значительно повысить эксплуатационные характеристики УМЗЧ.
Усилитель мощности удобно выполнить на основе распространенной микросхемы TDA1554Q (Philips). В нее входят два инвертирующих и два неинвертирующих усилителя с усилением по 20 дБ, их входное сопротивление — 60 кОм. Возможны два варианта их включения. Первый — стандартный, как четырехканальный УМЗЧ с максимальной выходной мощностью 4x6 Вт (4x11 Вт) на нагрузке 4(2) Ом. Второй вариант — как двухканальный УМЗЧ в мостовом включении с максимальной выходной мощностью 2x22 Вт на нагрузке 4 Ом.
В предлагаемой конструкции два инвертирующих канала использованы в обычном включении, а два неинвертирующих, благодаря оригинальному решению, — в мостовом включении.
| Чувствительность, мВ | 500 |
| Номинальное сопротивление нагрузки, Ом | 4 |
| Номинальная выходная мощность, Вт, каналов СЧ—ВЧ канала НЧ | 2x3,5 12 |
| Максимальная выходная мощность, Вт, каналов СЧ—ВЧ канала НЧ | 2x6 22 |
| Максимальный потребляемый ток, А | 3,5 |
| Частота среза каналов СЧ—ВЧ, Гц | 180 |
| Частота среза канала НЧ, Гц | 50...170 |
Напряжение питания усилителя может быть в пределах +10... 16 В. Ток, потребляемый устройством при отсутствии сигнала, — не более 0,1 А. В дежурном режиме "Standby" (режим дистанционного выключения) — 0,1 мА. Номинальная мощность указана при напряжении питания, равном 15 В, и гармонических искажениях около 0,5 %. Максимальная мощность, как принято, определяется при искажениях 10%.
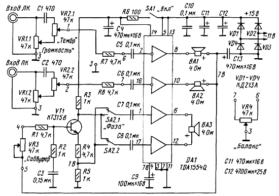
Схема усилителя приведена на рис. 2. Устройство максимально упрощено, а номиналы большинства элементов унифицированы.

Рис.2. Принципиальная схема усилителя
Громкость и тембр регулируются сдвоенными переменными резисторами VR1 и VR2 соответственно. Во избежание перегрузки усилителя глубина регулировки тембра зависит от положения движка регулятора громкости. При максимальной громкости подъем ВЧ не превышает 2...3 дБ (и то — за счет завала НЧ и СЧ), но возрастает до 5...6 дБ при малой громкости [2]. Регулировка тембра ВЧ на "завал" не предусмотрена, поскольку, как показывает практика, в ней нет необходимости. Кроме того, большинство звуковых плат ПК имеют программно управляемые регуляторы тембра и баланса. В случае необходимости диапазон регулировки тембра в усилителе можно довести до 12...14 дБ, установив переменный резистор VR2 сопротивлением 10 кОм. Предусмотрена также возможность установки регулятора стереобаланса (VR4), хотя его необходимость еще более сомнительна.
По соображениям монтажа для сателлитов использованы инвертирующие каналы усиления, поэтому для сохранения исходной фазы сигнала динамические головки ВА1, ВА2 подключены в обратной полярности. Суммарный сигнал для сабвуфера формируется на общем для двух каналов разделительном кон-денсатореС13, каки в [1]. Частота среза этого фильтра составляет 170... 180 Гц. Емкость конденсатора С13 указана для динамических головок с полным сопротивлением 4 Ом. Для головок с полным сопротивлением 8 Ом его емкость нужно уменьшить до 220 мкФ.
По отношению к сигналам сателлитов сигнал сабвуфера образуется как дополнительная функция, поэтому при выполнении некоторых условий (об этом позже) на результирующей АЧХ возможно появление "горба" на частоте раздела величиной до 3 дБ. Для устранения этого недостатка в сабвуферный канал введен перестраиваемый пропорционально-интегрирующий фильтр VR3R1R2C3, частота среза которого изменяется в диапазоне 50... 150 Гц. При перестройке частоты одновременно изменяется и уровень сигнала, что позволяет отказаться от обычного регулятора уровня в канале сабвуфера. На рис. 3 приведены теоретические АЧХ фильтров по электрическому напряжению; семейство кривых канала НЧ для удобства смещено вниз на 6 дБ.

Рис.3. Теоретические АЧХ фильтров по напряжению
Для обеспечения работы двух одинаковых усилителей в мостовом включении необходимо подать на их входы противофазные сигналы. В этой конструкции использован каскад с разделенной нагрузкой. С коллектора транзистора VT1 снимается инвертированный сигнал, а с части эмиттерной нагрузки — неинвертированный. Коэффициент передачи каскада по обоим выходам составляет около -16 дБ, поэтому напряжение на входе канала НЧ в режиме максимально широкой полосы приблизительно на 4 дБ выше, чем в каналах сателлитов. Это компенсирует разницу в чувствительности широкополосных и низкочастотных головок и обеспечивает запас регулировки уровня в канале сабвуфера.
Кроме того, эта мера автоматически исключает перегрузку каскада на транзисторе VT1 по входу: за счет разницы в усилении ограничение сигнала на выходе мостового усилителя начнется раньше, чем на обычных выходах (откуда и берется сигнал для VT1). Благодаря глубокой ООС через резисторы R4, R5 линейность каскада удовлетворительна и при больших сигналах. Режим каскада по постоянному току обеспечивается за счет подключения цепи VR3R1 к конденсатору С13. На этом конденсаторе присутствует постоянное напряжение, примерно равное половине напряжения питания.
Еще один, пока непривычный для подобных усилителей узел — переключатель фазы сигнала сабвуфера SA2. Однако в системах домашнего театра и автомобильных сабвуферах такой каскад обязательно есть. Необходимость его применения вызвана следующим: при пространственно разнесенной акустической системе результирующая АЧХ в точке прослушивания будет определяться соотношением фаз приходящих сигналов. Сдвиг фаз, в свою очередь, определяется расстоянием до динамических головок.
На рис. 4 показаны теоретические АЧХ в ближнем поле излучения для случаев синфазного и противофазного включения головок при их компактной установке. Реальные АЧХ по звуковому давлению в зависимости от расстояний и характеристик головок могут принимать еще более причудливые формы. Очевидно, что введение переключателя фазы позволяет более гибко управлять результирующей АЧХ.

Рис.4. Теоретические АЧХ в ближнем поле излучения
Выключатель питания SA1 управляет состоянием микросхемы, через него же подается напряжение питания на каскад фа-зорасщепителя. В выключенном состоянии выходы переведены в высокоимпеданс-ное состояние, а ток потребления не превышает 100 мкА. Назначение остальных деталей очевидно. Емкость фильтра разделена на две части, поскольку установить конденсатор большой емкости непосредственно возле выводов питания микросхемы затруднительно.
О деталях и конструкции. Оксидные конденсаторы К50-35 или аналогичные импортные, конденсаторы С1, С2, СЮ — керамические любого типа, остальные — К73-17. Все постоянные резисторы - МЛТ0.125. Переменный резистор регулировки громкости должен быть с показательной зависимостью сопротивления от угла поворота (типа В), остальные — с линейной (типа А). Транзистор КТ315В можно заменить любым транзистором структуры n-p-п с коэффициентом передачи тока базы не менее 50. Выбор остальных деталей не критичен.
Выпрямитель выполнен на импульсных диодах КД213А, это позволит при необходимости значительно увеличить емкость фильтра без риска возникновения мультипликативных помех. Сетевой трансформатор можно использовать любой с габаритной мощностью не менее 80 Вт (лучше больше), допустимым током вторичной обмотки не менее 5 Аи выходным напряжением 9... 11 В.
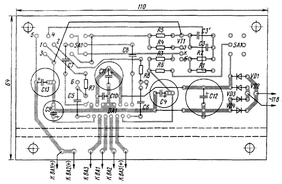
Ввиду относительной простоты усилитель вполне можно собрать на макетной плате (в таком варианте он работал у автора). Для журнальной публикации была разработана печатная плата (рис. 5), на которой размещается большинство деталей. Плата рассчитана на установку переключателей П2К на два направления и упомянутых выше деталей. Конденсатор СЗ емкостью 0,15 мкФ в случае необходимости можно составить из конденсаторов емкостью 0,1 мкФ и 0,047 мкФ, для чего на плате предусмотрены дополнительные контактные площадки.

Рис.5. Печатная плата усилителя
Переменные резисторы, разъемы и сетевой трансформатор размещают вне платы. Перемычки в цепи сигнала выполнены тонким монтажным проводом, для монтажа цепей питания и акустических систем необходимо использовать провод сечением не менее 0,75 мм2. Теплоотвод можно изготовить из дюралевого уголка 30x50 мм или использовать готовый от автомагнитолы (именно такой применен в авторском варианте).
Правильно собранный усилитель налаживания не требует. При включении достаточно убедиться в наличии указанных на схеме напряжений (допустимое отклонение ±10%). В случае наводок от блока питания компьютера следует включить два керамических конденсатора емкостью 220...470 пФ на входе микросхемы (между точками 6, 7 платы и общим проводом). Их можно разместить со стороны печатных проводников.
Для воспроизведения низких частот нужно использовать специализированную низкочастотную динамическую головку в акустическом оформлении. Самый простой способ — использовать АС от отечественной бытовой аппаратуры, удалив лишние детали. Автор для испытаний применял AC S-30B ("Радиотехника"). Акустическое оформление сателлитов может быть простейшим, в том числе и открытым.
Источники
- Сапожников М. Два простых УМЗЧ для компьютера. — Радио, 2002, №4, с.15.
- Шихатов А. Пассивные регуляторы тембра. — Радио, 1999, №1, с. 14, 15.
Автор: А.ШИХАТОВ, г. Москва
