Авторы продолжают знакомить со своими разработками ламповых УМЗЧ, отличающихся простотой и оригинальностью схемных решений. В этой статье они предлагают несложный вариант усилителя, собранного на электронной лампе, с применением мощного выходного каскада на транзисторах. Отсюда и название усилителя - "Унисон", как слитное "звучание в хоре" лампового и транзисторного каскадов.
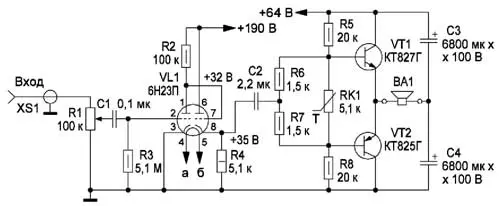
Схема УМЗЧ, собранного на доступной элементной базе, приведена на рис. 1. Выходной каскад собран на комплементарной паре из мощных транзисторов VT1, VT2 структуры Дарлингтон и работает в режиме, близком к классу "A", позволяя при однополярном питании 64±5 В получить максимальную выходную мощность до 40 Вт. Такой усилитель может стать попыткой найти "золотую середину" между инструментальной "детальностью", "теплотой" лампового звука с "напористостью" мощного транзисторного каскада без применения трудоёмкого и дорогостоящего выходного трансформатора.

Рис. 1. Схема УМЗЧ, собранного на доступной элементной базе
Основные технические характеристики
Чувствительность по входу, В ..... 0,8
Мощность номинальная (максимальная), Вт ........36 (40)
Коэффициент гармоник на частоте 1 кГц при мощности 36 Вт, % ................0,5
Диапазон рабочих частот по уровню -2 дБ, Гц........10...50000
Сопротивление нагрузки (номинальное), Ом .......6...12(8)
Входной каскад на левом по схеме триоде лампы VL1 6Н23П усиливает входной сигнал по напряжению. Следующий за ним каскад на правом триоде VL1 собран катодным повторителем. Обладая малыми нелинейными искажениями, хорошими частотными свойствами и небольшой зависимостью выходного напряжения от изменения сопротивления нагрузки, он способствует устойчивой работе входного каскада усилителя и обеспечивает необходимый ток для работы оконечного (выходного) каскада. Усиленный по напряжению сигнал через разделительный конденсатор С2 и резисторы R6,R7 поступает на базы транзисторов выходного каскада. Его ток покоя (около 0,4 А) задан плечами делителя напряжения R5, R8 и стабилизируется терморезистором RK1. С повышением температуры транзисторов выходного каскада сопротивление терморезистора уменьшается, предотвращая рост тока покоя за счёт уменьшения падения напряжения между базами транзисторов VT1 и VT2. С понижением температуры происходит обратный процесс.

Рис. 2. Схема блока питания УМЗЧ
Схема блока питания УМЗЧ приведена на рис. 2. Блок питания имеет два выходных напряжения. Одно - +190 В, получено умножением напряжения со вторичной обмотки II силового трансформатора Т1 в четыре раза. Оно предназначено для питания двойного лампового триода VL1. Второе, равное 64 В, - для питания выходного каскада.
Транзисторы выходного каскада устанавливают на два теплоотвода. Площадь каждого теплоотвода - около 1000 см2. На каждом теплоотводе устанавливают по два транзистора одного типа проводимости с нанесённой термопастой КПТ-8 на внутренней поверхности. При такой компоновке не требуется крепления транзисторов через изолирующие теплопроводящие подложки.
Детали самого усилителя рекомендуем разместить сбоку теплоотводов на монтажных лепестках и на лепестках ламповой панели, а блок питания собрать отдельно. Терморезистор RK1 - малогабаритный, например, типа MF5A-3 номинальным сопротивлением 5,1 кОм (при 25 оС), размещён внутри небольшой керамической трубки (можно от неисправного паяльника) с применением термопасты КПТ-8. Трубку крепят в отверстии одного из теплоотводов, а выводы терморезистора припаивают к монтажным лепесткам, закреплённым на теплоотводе. Все резисторы - типа МЛТ или импортные, но вдвое большей мощности. Резисторы R2-R4 применены с допуском 10 % от номинала, а R5-R8 - 5 %. Конденсатор С1 - полиэтилентерефталатный фольговый, например К73-9; С2 - полиэтилентерефталатный металлоплёночный К73-11 или подобный. Отечественные транзисторы VT1, VT2 - КТ927Г и КТ925Г, можно заменить импортными аналогами.
В блоке питания для двухканального УМЗЧ может быть применён силовой трансформатор мощностью не менее 140...150 Вт, например серии ТПП, с допустимым током вторичной обмотки II не менее 2,5 А при напряжении на обмотке ~50 В и накальной обмотки III около 1 А при напряжении ~6,3 В. Если накальной обмотки нет, то её можно намотать самостоятельно или применить в качестве накального дополнительный готовый маломощный сетевой трансформатор.
Наиболее удачным, по мнению авторов, является раздельное питание каждого канала УМЗЧ (каждый от своего блока питания). В этом случае в блоке питания каждого из каналов потребляемый ток будет вдвое меньше. Для моноблочного варианта подойдут, например, трансформаторы ТПП-269 и подобные им, но лучше трансформаторы, имеющие обмотки с напряжениями ~6,3 В для накала ламп. Оксидные конденсаторы С1-С6 - импортные малогабаритные. Дроссель L1 - Д141 заменим Д156, Др-48-204.
Его можно рассчитать и изготовить самостоятельно по известной методике. Мотать следует проводом диаметром не менее 0,5 мм, при этом активное сопротивление дросселя должно быть не более 1 Ом. В качестве спра-вочного материала приводим параметры дросселя Др-48-204: магнитопровод Ш20х20, сборка с зазором 0,16 мм; использована обмотка I, содержащая 300 витков провода ПЭЛ-1 диаметром 0,64 мм.
Первое включение УМЗЧ необходимо проводить при пониженном напряжении питания во избежание выхода из строя мощных транзисторов при возможных ошибках монтажа. В точке соединения эмиттеров транзисторов необходимо выставить напряжение, равное половине напряжения питания, с помощью подбора одного из резисторов R5 или R8. Все напряжения в схеме измерены под нагрузкой при отсутствии входного сигнала. Ток, потребляемый выходным каскадом, при номинальной мощности УМЗЧ составляет около 1 А.
Для усилителя могут подойти те же звуковые колонки, что и для транзисторных усилителей, однако для максимально близкого к "ламповому" звучанию следует использовать высокочувствительные динамические головки с мягкими подвесами и бумажными диффузорами. Идеальным же вариантом является акустическая колонка открытого типа.
Авторы: А. Ахматов, Д. Санников, г. Ульяновск
