Универсальный блок защиты АС выполнен на малогабаритных деталях и может быть встроен в любой усилитель, не имеющий подобной защиты. Особенность этого блока - в применении встроенного питания от сети, надёжных электромагнитных реле и светодиодной индикации появления постоянного напряжения на выходе усилителя. Устройство обеспечивает стабильную задержку и защиту даже после кратковременного пропадания сетевого напряжения.
Известно, что при подаче питания на усилитель в акустической системе (АС) может возникнуть громкий щелчок (хлопок). Чтобы устранить это явление, необходимо подключать нагрузку к выходу УМЗЧ с некоторой задержкой, достаточной для завершения всех переходных процессов (обычно 1...3 с) [1]. При отключении же питания АС должна отключиться до момента, когда накопительные конденсаторы фильтра питания усилителя заметно разрядятся (более чем на 20 %). В противном случае процесс выключения тоже может создать неприятные призвуки или щелчки.
Представленный модуль реализует функции бесшумного включения и выключения усилителя (фактически АС), а также позволяет защитить НЧ-головки АС при появлении постоянного напряжения на выходе УМЗЧ, связанного с его аварийной работой или выходом из строя.
Технические характеристики
Напряжение питания, В ...........190...264
Напряжение срабатывания защиты, В................0,6...0,7
Время задержки включения/перезапуска, с ...........2,5...3
Время срабатывания защиты (Uвх = 2 В), с, не более 1,4
Время срабатывания защиты (Uвх = 20 В), с, не более 0,25
Время выключения модуля, с, не более ..................0,25
Потребляемая мощность, Вт, не более ..................2,5
Максимальный коммутируемый ток, А ....................12
С реализацией задержки и защиты АС вопросов не возникает. Но как реализовать быстрое отключение АС при пропадании (относительно кратковременном) сетевого напряжения, но дос-таточном для возникновения переходного процесса и щелчка? Есть два разумных варианта: использование информации о наличии переменного напряжения в одной из существующих вторичных обмоток трансформатора, питающего УМЗЧ (как это реализовано в микросхеме μРС1237 [2]), или использование отдельного трансформатора питания (либо от дополнительной обмотки трансформатора УМЗЧ) для узла защиты. Первый вариант накладывает определённые ограничения, сужая универсальность модуля. Второй же позволяет использовать в питании устройства сглаживающий конденсатор небольшой ёмкости, благодаря чему блок защиты гарантированно отключит АС быстрее, чем разрядятся конденсаторы в блоке питания УМЗЧ.
Очевидно, что второй вариант - более надёжный и простой в реализации,позволяющий подключить модуль практически к любому усилителю. Недостаток такого решения - более высокая стоимость за счёт применения дополнительного блока питания, но универсальность и надёжность здесь превалируют.
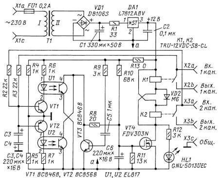
Схема устройства показана на рис. 1. Его входы нужно подключать к выходам каналов стереофонического УМЗЧ, а выходы - к нагрузкам (АС) соответствующих каналов. Общий провод модуля, громкоговорителей АС (или кроссовера) подключают к общему проводу усилителя непосредственно.

Рис. 1. Схема устройства
При подаче напряжения питания конденсатор C6 медленно заряжается через резистор R10 до 1,9 В (определяется соотношением сопротивления резисторов R10 и R11), что достаточно для открывания транзистора VT4. Срабатывают реле K1, K2, и нагрузка подключается к усилителю.
При возникновении на любом из входов устройства (контакты Х2а, ХЗа) постоянного напряжения более ±0,6...0,7 В открывается соответствующий транзистор (VT1 - для напряжения плюсовой полярности, VT2 - минусовой полярности), включая излучающий диод оптопары U1 или U2. Освещённый фототранзистор оптопары через резистор R8 разряжает конденсатор С6, и полевой транзистор VT4 закрывается, обесточивая реле. Свечение светодиода HL1 индицирует отключение АС и неисправность УМЗЧ. Резистор R8 ограничивает ток разрядки конденсатора С6, а резисторный делитель R4R5 обеспечивает искусственную среднюю точку питающего напряжения.
Большинство подобных устройств защиты и задержки включения АС имеют неприятный недостаток - отсутствие задержки при рестарте за короткий промежуток времени после отключения питания. Пример такой ситуации - кратковременное пропадание электричества в сети. Этот недостаток не позволяет получить должного уровня защиты АС и всей аппаратуры в целом, где применён такой узел. Для исключения этого недостатка введены элементы R9, С5, VT3. Эта цепь кратковременно срабатывает при пропадании и появлении напряжения питания, разряжая конденсатор С6, что и обеспечивает нормальный последующий старт узла защиты. Применение полевого транзистора VT4 с пониженным напряжением открывания (примерно 1,5 В) обеспечивает меньшее напряжение заряда С6, причём время рестарта практически равно времени первого включения. При сохранении постоянных времени зарядки-разрядки конденсатора С6 его ёмкость можно существенно уменьшить, соответственно увеличив сопротивление резисторов R8-R11. Ёмкость конденсатора С1 увеличивать не рекомендуется - она определяет скорость выключения блока защиты.
При номинальном сетевом напряжении 230 В и комнатной температуре 25 оС стабилизатор DA1 нагревается до 50...52 оС. При проверке на максимальном переменном напряжении 274 В (ограничено возможностями ЛАТРа) нагрев стабилизатора составил 64...65 оС - всё в пределах нормы. Если исключить резистор R1, то нижняя допустимая граница питания блока упадёт до 170 В, но при этом увеличится нагрев DA1 в среднем на 10...12 оС. Понятно, что это изменение целесообразно лишь для местности, где напряжение в сети всегда ниже номинального.
Если представить себе ситуацию, когда оба канала УМЗЧ выходят из строя, и в первом канале на выходе образуется напряжение одной полярности, а на втором - обратной полярности, равное по модулю напряжению на выходе первого канала (с разницей менее 0,6...0,7 В), то после суммирования через резисторы R2 и R3 получится напряжение, которого недостаточно для открывания транзистора VT1 или VT2. То есть система защиты не сработает, и это является недостатком (его можно преодолеть изменением сопротивления одного из этих резисторов на ±10 %). Но вероятность такого события пренебрежимо мала и является скорее примером гипотетического моделирования отказа.
Печатная плата (рис. 2), имеющая размеры 66x45 мм, выполнена на фольгированном стеклотекстолите и рассчитана на установку транзисторов в корпусах SOT-23, резисторов типоразмера 0805 (кроме резисторов R1 и R13 - 1206), конденсаторов C2, C5 типоразмера 0805 и диода VD2 в корпусе SMA. На фото рис. 3 показана смонтированная плата со стороны пайки деталей поверхностного монтажа.

Рис. 2. Печатная плата

Рис. 3. Смонтированная плата со стороны пайки деталей поверхностного монтажа
В качестве T1 применён маломощный трансформатор ТПК-2 с вторичной обмоткой на 12 В. Диодный мост может быть любой из серий DB103S-DB107S или MB2S-MB6S, для чего на печатной плате предусмотрены два посадочных места. Диод VD2 - любой с прямым током 1 А и обратным допустимым напряжением не менее 200 В.
Обмотки реле должны быть на ток потребления не более 30 мА (повышенной чувствительности) при напряжении 12 В. Можно было бы использовать одно реле с двумя парами контактов, но автору не удалось найти такого на коммутируемый ток более 8...10 А. Достоинство указанных на схеме реле TRU-12VDC-SB-CL в том, что они имеют на контактах напыление AgCdO (серебро-окись кадмия), устойчивое к механическому износу, и максимальный коммутируемый ток 12 А. Заменить их можно более доступными реле SRD (T73) 12VDС-L-S-С фирмы SONGLE, допускающими ток коммутации до 10 А.
Оптопары U1, U2 можно применить практически любые с соответствующей структурой, например, PS2501, PC817. Светодиод HL1 - любой, желательно красного цвета свечения, например, из серии АЛ307 или иные.
Транзисторы VT1-VT3 могут быть заменены любыми другими маломощными транзисторами соответствующей структуры и типоразмера. Возможно использование MMBT5551, MMBT4401 (VT1, VT3) и MMBT5401, MMBT4403 (VT2).
В качестве замены n-канального полевого транзистора (ПТ) VT4 с низким пороговым напряжением затвора (Gate Threshold Voltage) можно порекомендовать NTR4003N, IRLML2502. Если подобные замены недоступны, то допустимо применить иной n-канальный ПТ с изолированным затвором, ориентируясь на сопротивление открытого канала не более 3...5 Ом, максимальное напряжение сток-исток - не менее 20 В и максимальный ток стока - не менее 300 мА. В этом случае в схему потребуется внести следующие изменения: R8 = 75 Ом, R10 = R11 = 68 кОм, C6 = 47 мкФ на 16 В. Но следует помнить, что время задержки при быстром рестарте немного уменьшится. Так как пороговый уровень включения у различных ПТ может значительно отличаться, то, возможно, потребуется подкорректировать время задержки включения реле подбором пары резисторов R10, R11 из условия их равенства.
Плавкую вставку FU1 можно использовать на ток 0,16 или 0,25 А, например, отечественную ВП4-10 0,2 А, имеющую малые габариты и гибкие выводы для монтажа на плату. Клеммники X1-X3 - серии DG127, XY304 или аналогичные. Как видно из схемы, центральный контакт в X1 не используется. Это сделано для того, чтобы увеличить зазор между проводниками сетевого питания.
Собранное устройство (его фото на рис. 4) не нуждается в налаживании и работает сразу после подачи питания. Его конструкция повторена много раз, и высокая надёжность подтверждена длительной эксплуатацией.

Рис. 4. Собранное устройство
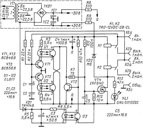
На рис. 5 представлена схема, позволяющая исключить малогабаритный трансформатор. В качестве примера показана упрощённая схема блока питания УМЗЧ с напряжением +/-30 В. При этом немного изменены как схема, так и способ подключения модуля к усилителю.

Рис. 5. Схема, позволяющая исключить малогабаритный трансформатор
Модуль имеет двухполярное питание через гасящие резисторы R8, R9, поэтому формирование искусственной средней точки не требуется (резисторы R4, R5 на рис. 2). Для большей эффективности реле включены последовательно и добавлен конденсатор (C4) в качестве фильтра питания.
На компонентах VD1, R5, C3 выполнен однополупериодный выпрямитель, напряжение с которого подаётся на оптопару U3. В исходном состоянии за счёт резистора R10 транзистор VT3 находится в режиме насыщения, шунтируя конденсатор С5 до тех пор, пока не появится напряжение на излучающем диоде оптопары U3, после чего VT3 закрывается и С5 начинает медленно заряжаться, открывая транзистор VT4. При этом общее время задержки подключения нагрузки достигает 2...2,5 с.
При выключении усилителя конденсатор С3 быстро разряжается, обесточивая оптопару U3. Транзистор VT3 открывается и разряжает конденсатор C5, вследствие чего отключаются реле с нагрузкой. Таким образом, реализуется механизм быстрого выключения с общим временем не более 0,3...0,5 с.
Последующий старт включения происходит с разряженным конденсатором C5, поэтому, в отличие от схемы на рис. 2, его принудительная разрядка не требуется.
В качестве VT4 можно применить n-канальный ПТ с пороговым напряжением открывания 2...5 В и максимальным током стока не менее 1 А, например, IRF510-IRF540, IRF610-IRF640. Выпрямительный диод VD1 - любой с обратным напряжением не менее 100 В и прямым током от 100 мА: SF12-SF16, 1 N4002-1N4007 и пр. При использовании реле с обмотками, потребляющими ток 50 мА, необходимо изменить номиналы резисторов R8, R9 на 330 Ом.
Примечание: Для повышения надёжности работы между базой и эмиттером транзистора VT3 (рис. 1) надо установить резистор сопротивлением 50...100 кОм.
Литература
1. Атаев Д. И., Болотников В. А. Функциональные узлы усилителей высококачественного звуковоспроизведения. - М.: Радио и связь, 1989, с. 120.
2. UPC1237. Protector IC for stereo power amplifier. - URL: http://www.unisonic.com. tw/datasheet/UPCI 237.pdf (21.03.16).
Автор: Н. Вашкалюк, г. Волгоград
