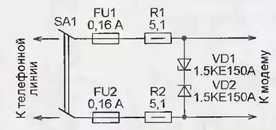
Обезопасить модем и телефон от возможных последствий близких грозовых разрядов можно с помощью узла защиты, собранного по схеме, изображенной на рис. 1. Несмотря на предельную простоту, он позволил забыть о частых отказах и последующих ремонтах входных цепей модема ZYXEL OMNI 56К.

Рис. 1
Хотя этот модем специально рекомендуют для сельских и других подверженных воздействию помех телефонных линий, защитой от перегрузки по напряжению он не оборудован. А импульсная перегрузка часто наблюдается, например, при грозе поблизости от трассы, по которой проложена линия. За год эксплуатации без защиты модем дважды выходил из строя по этой причине. Одна авария произошла в результате случайного попадания в телефонную линию сетевого напряжения.
Основную защиту обеспечивают быстродействующие ограничительные диоды (сапрессоры) VD1 и VD2. По своим вольт-амперным характеристикам они напоминают стабилитроны, однако обладают высоким быстродействием (порядка 1 не). Для сравнения, время срабатывания предназначенных для тех же целей газовых разрядников - 1...2мкс, а варисторов - 25 не. Импульсная мощность рассеиваемая защитным диодом указанного на схеме типа, может достигать 1500 Вт (при средней не более 5 Вт), а импульсный ток - 100 А.
Резисторы R1 и R2 ограничивают ток, протекающий через защитные диоды в момент воздействия импульса перегрузки. А плавкие вставки FU1, FU2 разрывают цепь, если длительность перегрузки слишком велика. Выключателем SA1 модем отключают от телефонной линии в перерывах работы. Это его своеобразная дополнительная защита от повреждения высоковольтными импульсами.

Рис. 2
Устройство защиты собрано навесным монтажом в пластмассовом корпусе размерами 60x60x33 мм от стандартного настенного выключателя (рис. 2). Держатели предохранителей - от старого телевизора. Повторить такую конструкцию можно буквально за пару часов.
Два "односторонних" диода 1.5КЕ150А с напряжением срабатывания 143. .158 В можно заменить одним "двусторонним" 1.5КЕ150СА. Радиолюбители нередко применяют защитные диоды, выпаянные из различных устройств, бывших в употреблении, зачастую не имеющие ясной маркировки. Часто такие диоды оказываются неисправными. Перед повторным использованием их обязательно нужно проверить.

Рис. 3
Схема испытательной установки приведена на рис. 3. Здесь VD2 - испытываемый диод. Его проверяют, постепенно повышая напряжение, поступающее с движка лабораторного автотрансформатора (ЛАТР) Т1 на диодный мост VDi, и наблюдая за показаниями вольтметра PV1. ЛАТР можно заменить переменным резистором сопротивлением 100 кОм и мощностью не менее 1 Вт.
Защиту от прямого воздействия грозового разряда предлагаемое устройство конечно же не обеспечивает. Для этого требуется значительно более сложная многоступенчатая защита. Справедливости ради нужно сказать, что энергия грозового разряда бывает настолько большой, что стопроцентно гарантированную безопасность защищаемого аппарата при современном уровне техники обеспечить невозможно.
Автор: А. Зызюк, г. Луцк, Украина
