на главную
Карта сайта
English version
Вы читаете:

Эффективный УВЧ для приемника - RadioRadar

Связь
22 года назад

Эффективный УВЧ для приемника

6

Материал предоставлен журналом Радиолюбитель

 

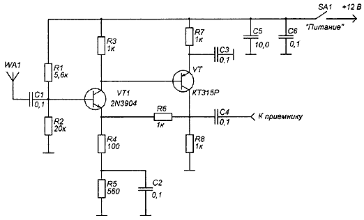
  Схема электрическая принципиальная УВЧ приведена на рисунке 1. Предусилитель предназначен для использования в составе переносного радиоприемника, использующего в качестве антенны короткий отрезок медного провода диаметром 2 мм. Полоса пропускания усилителя составляет 100 кГц...50 МГц, что позволяет получить неплохое значение эффективной чувствительности в широком диапазоне частот.

Принципиальная схема

Рис.1. Принципиальная схема

    Указанная выше полоса пропускания получена благодаря тому, что транзистор VT1 имеет гальваническую (непосредственную) связь со вторым транзистором усилителя. Отрицательная обратная связь между каскадами осуществляется через резисторы R4, R6. При отсутствии отрицательной обратной связи УВЧ имеет достаточно большой коэффициент передачи, поэтому фактический коэффициент передачи будет определяться отношением сопротивлений резисторов R6, R4. Для питания усилителя желательно использовать отдельный источник постоянного тока (батарейка).

Автор: В. ДУБИНИН, г. Липецк

Мнения читателей
  • радиомеханик/08.07.2014 - 19:02

    дурь в полном и прямом смысле. принцип - зашумело, значит оно усиливает! знаком с двумя приятелями пытающимися продавать такие штучки (самое смешное что они и паяют эти схемки. что бы минимизировать расходы на последствия неизбежных бития морд-лица "эдиссоны" обьяснили мне главное - на одном и том же рынке чаще раза в пару месяцев не появляться. и все будет - тип-топ (цитата с голоса одного из дружков).

  • Сергей/20.05.2014 - 17:37

    Народ.Ну зачем так грубо... Журнал, когда он появился многим нравился.Схемка ... Действительно достояние не медтехники, по профилю, это другое направление медицины. Ежу ясно! Всем 73!

  • Радиозадница/08.10.2011 - 10:17

    Материал предоставлен журналом Радиолюбитель В этом журнале всегда какая нибудь лажа,типа дальше думайте сами.Херовый журнал одним словом

  • Нколай/29.04.2011 - 19:53

    схема работать небудет,нет обратной связи и усиления!Сигнал снимается с эмиттераТ1, R6, C4 дальше на прием.Поставте точку соединения эмиттер Т2 с С4 R8 R6.Удачи 73!

  • Виктор UT3MX/21.01.2011 - 18:07

    Транзисторы КТ 315 всегда были с npn проводимостью нужно исправить на КТ 361 я думаю,теперь вроде все верно,удачи ВСЕМ 73!

  • Виктор UT3MX/21.01.2011 - 18:02

    одимостью нужно бы исправить на кт361 -я так думаю ,Спасибо