Радиомикрофон LIEN (в переводе с французского - связь) предназначен для ведения односторонней связи в УКВ-диапазоне, а также для озвучивания дискотек и других мероприятий.
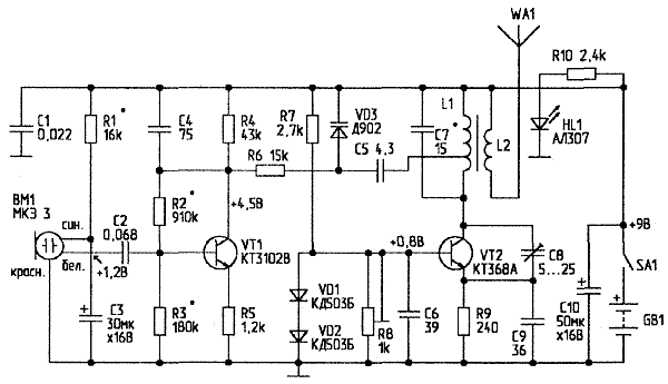
Радиомикрофон (РМ) LIEN работает на частоте 70 МГц (диапазон УКВ1) и представляет собой микромощный передатчик с частотной модуляцией. Схема РМ (рис.1) отличается высокой экономичностью и, работая от 9-вольтовой батареи типа Корунд, потребляет ток 6...15 мА. Так как предельно допустимый ток разряда Корунда - 20 мА, то в схему РМ введен светодиодный индикатор включения питания HL1. При небольшом потребляемом им токе (3 мА), он не перегружает батарею, но заметно повышает удобство эксплуатации РМ.

Рис.1. Приципиальная схема радиомикрофона
Микрофонный усилитель, входящий в состав электретного микрофона МКЭ-3, питается нестабилизирован-ным напряжением через Г-образное RC-звено (R1-C3) и обеспечивает на выходе напряжение ЗЧ до 30 мВ. Этот сигнал через разделительный конденсатор С2 подается на вход усилителя на транзисторе VT1. Для улучшения температурной стабильности каскада напряжение смещения на базу VT1 подается с коллектора через R2, а в эмиттерную цепь введен R5. Конденсатор С5 является блокировочным и срезает ВЧ-составляющие, проникающие в цепь УЗЧ от генератора на VT2.
Каскад на транзисторе VT2 представляет собой емкостную трехточку. Резистивный делитель R7-R8 определяет напряжение смещения (Uсм) на базе VT2, который работает в режиме отсечки (класс С). Поэтому Uсм на базе VT2 может выбираться в пределах +0,8...+1,2 В. Параллельно подстроечному резистору R8 включены два кремниевых диода, которые стабилизируют Uсм и минимизируют уход частоты генератора при разряде батареи.
Транзистор VT2 охвачен положительной обратной связью с помощью С8. В коллектор VT2 включен параллельный колебательный контур L1-C7. При использовании в качестве С7 под-строечного конденсатора, его шлиц для уменьшения паразитной емкости подключается к холодному концу, то есть к +9 В. Точное значение индуктивности L1 устанавливается сердечником из латуни или феррита (введение в L1 латунного сердечника дает меньшую прибавку индуктивности катушки по сравнению с ферритовым).
Частотный модулятор собран на элементах R6, VD3, С5. При подаче с выхода УЗЧ через резистор R6 напряжения ЗЧ, варикап VD3 изменяет свою емкость. С анода VD3 через С5 модулирующее напряжение подается на отвод (4-й сверху виток) катушки L1. Это сделано для уменьшения глубины модуляции. В упрощенном (безотводном) варианте L1 правый (по схеме) вывод С5 можно подключить к нижнему выводу L1. Уменьшить глубину модуляции можно также уменьшением емкости С5 или применением в качестве VD3 варикапа с меньшим коэффициентом перекрытия по емкости. На практике при появлении перемодуляции (девиации более 150...250 кГц), следует в первую очередь уменьшить емкость С5.
Сигнал РЧ, промодулированный напряжением ЗЧ, через катушку связи L2 подается на антенну WA1, выполненную из одножильного медного провода ПЭЛ 0,96. WA1 - типа Short whip (короткий штырь) имеет длину 184...206 мм, которая подбирается экспериментально при настройке. Важным фактором для обеспечения стабильной работы РМ является механическая прочность (неподвижность) составных частей колебательного контура и особенно антенны.
Перед включением радиомикрофона необходимо тщательно проверить монтаж. Затем рекомендуется проверить сопротивление между контактами питания. Сопротивление измеряемой цепи не должно быть нулевым и должно меняться при изменении полярности подключения тестера.
Далее в цепь питания РМ включается миллиамперметр постоянного тока с возможно меньшей длиной соединительных проводников. Потребляемый радиомикрофоном ток не должен превышать 20...25 мА. В противном случае следует еще раз проверить монтаж и устранить возможные замыкания. При Iп = 3...18 мА можно начать настройку РМ по постоянному току:
- установить напряжение на микрофоне +1,2...+3 В подбором R1;
- установить напряжение 0,5Uп на коллекторе VT1;
- установить U=+0,8...1,2 В на базе VT2.
Теперь можно приступать к настройке генератора:
- поставить УКВ-приемник, настроенный на нужный диапазон (70 МГц), на расстоянии не менее 2 м от радиомикрофона;
- включить питание РМ и добиться появления генерации, вращая шлиц подстроечного конденсатора С8 диэлектрической отверткой. Возникновение генерации можно контролировать на слух по характерному захвату частоты (исчезновению шипения приемника). Во избежание настройки приемника на гармонику, не следует располагать приемник ближе к РМ;
- настроить колебательный контур в цепи коллектора VT2 латунным или ферритовым сердечником на частотурезонанса (70 МГц) по максимальной ширине захвата радиовещательного диапазона между двумя станциями (настройка возможна на другую частоту с края диапазона или на любом свободном участке радиовещательного диапазона, равноудаленном от двух соседних станций).
В случае неудовлетворительных результатов, следует изменить емкость С7 и повторить настройку. Для уменьшения времени настройки рекомендуется заменить конденсатор С7 подстроечным емкостью 6...30 пФ. При удовлетворительных результатах настройки можно попробовать дополнительно увеличить амплитуду резонанса, изменив на 5...10% количество витков катушки L1.
Амплитуда колебаний будет максимальной при балансе элементов колебательного контура, то есть когда реактивные сопротивления L1 и С1 равны. Грубая настройка контура L1-C7 осуществляется подбором количества витков L1 и (или) изменением емкости С7, а плавная настройка - подстроечным сердечником. Наличие резонанса можно также контролировать по минимуму Iп. Для контроля Iп, во избежание заметного ухода частоты, следует использовать миллиамперметр с минимальной длиной соединительных проводников.
Настройку лучше повторить несколько раз с последовательным изменением параметров С8, L1, С7, ориентируясь на минимум потребляемого тока при вхождении колебательного контура в резонанс и максимальную ширину полосы УКВ-приемника. Поэтому удобнее использовать приемник со стрелочным индикатором настройки. А по мере увеличения излучаемой радиомикрофоном мощности, расстояние между приемником и РМ следует увеличить.
Уточнить глубину девиации (величину изменения частоты ЧМ-сигнала) можно подбором емкости конденсатора связи С5 (С5=1,2...10 пФ). С увеличением С5 глубина девиации увеличивается. Емкость данного конденсатора должна быть такой, чтобы даже в пиках громкости при работе приемника от РМ не было потрескиваний, искажений и тем более возбуждения и срывов радиоприема. Данный тип возбуждения не следует путать с характерным свистом, появляющимся при близком расположении РМ от настроенного на его волну приемника. В этом случае для снятия возбуждения (акустической обратной связи) достаточно уменьшить громкость приемника.
Далее радиомикрофон Lien подключается к батарейному блоку питания (например, две батареи типа 3336Л), подстраивается его частота и проверяется дальнобойность. После настройки сердечник катушки индуктивности L1 заливается парафином, а роторы подстроечных конденсаторов стопорятся нитрокраской.
Настроенный радиомикрофон Lien испытывался в работе с радиовещательным приемником Ишим-003 и имел радиус действия до 500 м (при прямой видимости).
Ускорить процесс подстройки грубо настроенного РМ можно при помощи волномера (рис.2). Волномер состоит из параллельного колебательного контура C1-C2-L1, детектора на диоде VD1 и ФНЧ СЗ. Параметры контура волномера аналогичны параметрам параллельного контура радиомикрофона. К гнездам XS1, XS2 волномера подключается тестер (мультиметр) в режиме вольтметра постоянного тока (диапазон измерения - 12 В).

Рис.2. Волномер
Измерение напряженности переменного магнитного поля в антенне РМ производят следующим образом. Включают РМ. Антенну WA1 радиомикрофона (равномерно, по всей ее длине) обвивают двумя-тремя витками гибкого многожильного провода в изоляции и стягивают этот провод с антенны РМ по направлению стрелки (рис.2), одновременно измеряя показания вольметра. Максимума показаний волномера добиваются подстройкой контура РМ и длины его антенны. Начинать подобную процедуру можно при использовании в качестве антенны четвертьволнового штыря. Длину волны L для заданной частоты резонанса можно рассчитать по формуле:
Длина волны L для частоты 70 МГц равна 4,2857 м, а четвертьволновой штырь (L/4) имеет длину в 4 раза меньше - около 107 см.
В схеме РМ можно применить резисторы типа ОМЛТ, ВС и подобные малогабаритные с мощностью рассеивания 0,125 Вт. Подстроечный резистор R8 - типа СПЗ-22. Конденсаторы СЗ, С10 - К50-6, К50-16, К50-35 или подобные оксидные; С1, С2, С4...С7, С9 - типа КМ4, КМ5, К10-7 или любые другие керамические (безындукционные). Подстроечный конденсатор С8 - типа КТ4-23. Варикап VD3 Д902 допустимо заменить практически любым кремниевым или германиевым диодом, имеющим емкость Сд более 1...3 пФ. Найти замену VD3 можно, воспользовавшись таблицей.
| Nп.п. | Тип диода | Сд (при Uобр.) | Примечание |
|---|---|---|---|
| 1 | Д220А, Д220Б | 15 пФ(5В) | Чрезмерная модуляция |
| 2 | КД513А, КД521А-Г | 4 пФ (0 В) | Нормальная модуляция |
| 3 | Д18 | 0,5 пФ (3 В) | Слабая модуляция |
Транзистор VT1 можно заменить транзисторами КТ315Б, Г, a VT2 - КТ368Б. Диоды VD1, VD2 - любые кремниевые с прямым падением напряжения не менее 0,7 В. Номинал резистора R6 может быть любым в пределах от 10 до 100 кОм.
Катушку индуктивности L1 наматывают на каркасе диаметром 6,3 мм проводом ПЭВ ø0,5...0,55 мм с шагом намотки 1,5 мм. L1 содержит 5 витков и имеет отвод от 4-го (сверху по схеме) витка. Катушка из посеребренного медного провода имеет большую добротность и легче входит в режим генерации. Посеребрить провод можно в отработанном фотофиксаже (гипосульфите натрия). Но лучшие результаты дает использование готовых катушек от УКВ-приемников с частотой резонанса порядка 70 МГц, например, из блока УКВ-2-01Е от радиолы Илга-301.
Конструктивно РМ изготавливается на плате из фольгированного с двух сторон стеклотекстолита толщиной 1,5...2,5 мм. Одна сторона платы является экраном, а на другой, разрезанной на клетки размером 8x4 мм, ведется монтаж. Размер платы - 110x27 мм.
Автор: А.ОЗНОБИХИН, А.ЛЕБЕДЕВ, г.Иркутск
