Среди начинающих радиолюбителей очень популярны миниатюрные микромощные радиопередатчики (в простонародье - "жучки"). Ведь если начинающий "паяльщик" услышал свой голос из радиоприемника в соседней комнате, то это значит, что он стал настоящим радиолюбителем.
Схема моего "жучка" приведена на рис.1а. Печатная плата для него разработана по размерам спичечного коробка, так что с корпусом проблем нет.

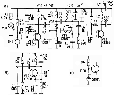
Рис.1. а) Принципиальная схема жучка; б) Генератор Колпитца на биполярном транзисторе;
в) Кварцевая стабилизация
На транзисторе VT1 собран микрофонный усилитель, VT2 образует задающий высокочастотный генератор. Его частота зависит от индуктивности L1 и емкости между электродами сток-затвор VT2. Через R5 на варикап VD2 подается начальное смещение.
Нагрузкой микрофонного усилителя служит R6, с помощью С4 закорачиваются на корпус высокочастотные составляющие. Для увеличения громкости звука следует увеличить емкость конденсаторов С1 и СЗ. При отсутствии полевого транзистора можно использовать так называемый генератор Колпитца на биполярном транзисторе (рис.1б). Необходимо только добавить элементы, помеченные штрихами, для создания смещения на базе транзистора. Частота этого генератора менее стабильна во времени, поэтому целесообразно подключить последовательно с С' кварцевый резонатор (рис.1 в), при этом R' нужно увеличить до 30 кОм, a R" - убрать.
На транзисторе VT3 (рис. 1а) собран усилитель мощности с коэффициентом усиления около 5...7. Его может и не быть, тогда антенну следует подключить к истоку (или коллектору) VT2, но мощность передатчика при этом снизится и составит около 1...2 мВт.
Конденсатор С11 нужен для нагрузки выходного каскада при использовании короткой антенны (короче 0,5 м). Его емкость должна быть минимально возможной и определяется следующим образом. Настраивают приемник до пропадания шумов и появления специфического свиста ("микрофонного эффекта"). Потом кратковременно касаются пальцем области выводов VT2. В приемнике должен появиться и пропасть шум. Если он не пропал, увеличивают С11.
При настройке касаться пальцами непосредственно корпуса С11 нельзя. Его лучше закрепить в пластинке пенопласта или другого диэлектрика, так чтобы торчали только выводы, и держаться за эту пластинку. При использовании генератора на биполярном транзисторе конденсатор может вообще не понадобиться.
Печатная плата "жучка" на полевом транзисторе приведена на рис.2, на биполярном - на рис.3.

Рис.2. Печатная плата жучка на полевом транзисторе

Рис.3. Печатная плата жучка на биполярном транзисторе
Общим проводом ("-" питания) лучше всего заполнить все пустые места на плате, а при использовании двустороннего стеклотекстолита (что лучше) соединить также с ним и фольгу на внутренней стороне. Антенный провод следует укрепить с помощью хомутика из луженой проволоки. Без этого при случайном рывке за антенну она отрывается вместе с площадкой.
Плата устанавливается в спичечный коробок деталями вверх. Перед этим в трех местах внизу бортика коробка нужно прокрутить отверстия для проводов питания и антенны. Антенна и провода питания загибаются так, чтобы они прошли между дном коробка и крышкой. Наружную сторону крышки желательно оклеить фольгой, а потом провертеть в ней отверстия для светодиода и микрофона, которые должны слегка выступать.
Детали. VT2 - любой полевой высокочастотный (КП302, КПЗ0З, КП307, КП364), VT3 - КТ368. Можно применить КТ3102, но тогда все параметры будут сильно занижены. L1 и L2 содержат по 5...6 (FM) или 8...9 (УКВ) витков провода d0,5 мм, которые наматываются на временной оправке d5 мм.
При наладке грубо настраиваются на частоту с помощью L1, а с помощью L2 - более точно (по максимальной громкости звука в приемнике). Варикап VD2 - любой на емкость 5...15 пФ, вместо него можно впаять 1...3 параллельно соединенных кремниевых диода. Кстати, диоды КД409 отличаются от варикапов тем, что у них на корпусе две выпуклые точки, а у варикапов - одна. Микрофон - МКЭ332, но лучше - от импортных магнитофонов. Антенна - кусок медного провода 30...70 см диаметром не менее 1 мм (чтобы не гнулась). Конденсаторы С1, СЗ, С10, С12 - желательно, пленочные, С9 - любой электролитический, чем больше его емкость, тем лучше (минимум - 100 мкФ). Резистор R5 - МЛТ-0,1 или импортный с такими же размерами корпуса (МЛТ-0,125 в плату "не влезет"). Светодиод вместе с R1 можно убрать. Ток потребления "жучка" - 20...30 мА, радиус действия на открытой местности - до 100 м.
Автор: А.КОЛДУНОВ, г.Гродно
