Не все звуковые компьютерные карты компьютеров рассчитаны на подключение низкоомных головных телефонов, а те, в которых имеется такая возможность, обычно не обеспечивают достаточной выходной мощности для некоторых низкоомных (менее 16 Ом), а также относительно высокоомных стереотелефонов. Кроме того, при прямом их подключении к выходу звуковой карты существует опасность ее повреждения. Все это вынуждает осторожных пользователей ПК подключать головные телефоны к соответствующему выходу усилителя мощности звуковой частоты или предварительному усилителю. В предварительных усилителях, выполненных как самостоятельное устройство, обычно имеется усилитель для головных телефонов, собранный, например, на популярных ОУ К157УД1. В УМЗЧ сигналы на гнездо для подключения телефонов обычно поступают с выходов усилителей через ограничивающие ток резисторы. Такие решения сейчас не всегда можно признать оптимальными, поскольку как предварительные усилители, так и мощные УМЗЧ при отключенной акустике могут потреблять от сети десятки ватт мощности, хотя для нормальной работы головных телефонов обычно достаточно несколько десятков или сотен милливатт.
В настоящее время автор эксплуатирует основной компьютер совместно с усилительным комплексом "Орбита-002 стерео", состоящим из предварительного усилителя "ПУ-002С", где на передней панели расположены все органы управления и гнездо для подключения стереотелефонов, и из линейного усилителя мощности "УМ-002С". В летнее время оба аппарата ощутимо нагреваются даже при отсутствии входных сигналов, причем предварительный усилитель греется заметно сильнее. Все это подвигло на создание специального усилителя для стереотелефонов, который потреблял бы минимум энергии, обеспечивая хорошее качество и достаточную мощность звука, особенно при использовании полупрофессиональных и профессиональных телефонов. Кроме того, наличие дополнительных усилителей позволяет обойтись без переключения аудиокабелей при одновременной работе с двумя и более компьютерами.
Еще можно заметить, что некоторые модели DVD проигрывателей оснащены выходом VGA, а некоторые модели компьютерных мониторов оснащаются декодером PAL и одним или несколькими аналоговыми видеовходами, что позволяет подключать к монитору бытовые DVD проигрыватели, видеомагнитофоны, видеокамеры, фотоаппараты. В такой ситуации наличие в мониторе встроенного телефонного усилителя звуковой частоты оказывается очень удобным, поскольку уменьшается число необходимых для просмотра видеоинформации устройств.
В последнее время большинство телефонных усилителей вынужденно реализованы для работы при низком напряжении питания (1,5...5 В), что ограничивает размах амплитуды выходного сигнала, это резко ухудшает качество звучания при необходимости включить "погромче". Поэтому автором был собран телефонный усилитель с относительно большим напряжением питания, который удалось вмонтировать в корпус компьютерного ЖК монитора.

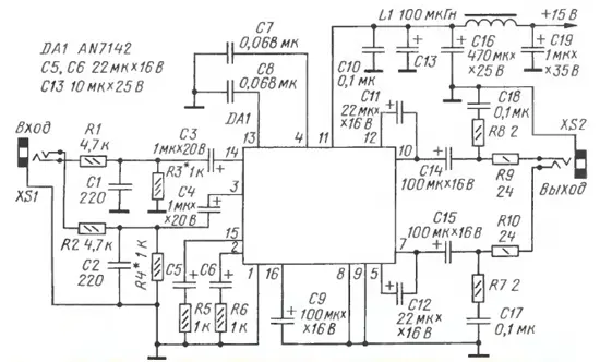
Рис. 1
Принципиальная схема усилителя показана на рис. 1. Усилитель собран на недорогой недефицитной интегральной микросхеме AN7142 фирмы PANASONIC (ценой около 1,3 долл. США), представляющей собой двухканальный усилитель мощности. Максимальное напряжение питания этой микросхемы достигает 18 В, что не часто встречается среди микросхем подобного класса.
Напряжение звуковой частоты поступает на разъем XS1, далее, через резистивные делители R1R3 и R2R4 и разделительные конденсаторы СЗ, С4, на входы микросхемы DA1. Усиленный сигнал снимается с выводов 10 и 7 микросхемы, после чего через разделительные конденсаторы С14, С15 и токоограничительные резисторы R9, R10 поступает на гнездо для подключения стереотелефонов. Резисторы R5, R6 задают коэффициент передачи усилителя, однако их сопротивление не может быть значительно увеличено из-за появляющейся склонности усилителя к самовозбуждению на высокой частоте. При указанных на схеме сопротивлениях резисторов R1—R6 коэффициент передачи усилителя по напряжению близок к 5. Такое усиление позволяет комфортно просматривать видеофильмы с низким уровнем громкости, а также фотографии в файлах формата jpeg, в которых интегрированные звуковые комментарии без дополнительного усиления звучат тихо. Увеличенное сопротивление нагрузки и уменьшенное усиление микросхемы положительно сказывается на ее качестве звучания.
Микросхема питается напряжением +15 В через LC-фильтр, состоящий из элементов L1, СЮ, С13, С16, С19. При таком способе включения микросхемы собственные шумы усилителя и помехи от работы узлов компьютера и монитора находятся ниже порога слышимости. Регулировка громкости производится средствами операционной системы. При наличии мультимедийной клавиатуры громкость системы можно регулировать, не выходя из работающего приложения, что удобно во время игр, в настройках которых не предусмотрено регуляторов громкости.

Рис. 2
Внешний вид смонтированного усилителя показан на фото рис. 2. Он собран на плате из стеклотекстолита размерами 93x27 мм; ее чертеж и расположение элементов показаны на рис. 3. Особенностью конструкции является использование низкопрофильных оксидных конденсаторов высотой не более 8 мм, что позволяет его легко вмонтировать практически в любой тонкий корпус ЖК монитора. Автор установил телефонный усилитель в корпус монитора BENQ, рис. 4, который за время трехлетней гарантии морально устарел и после приобретения нового монитора был переведен в ранг вспомогательного. Усилитель устанавливают за пределами металлического экрана.

Рис. 3
Импульсный блок питания монитора вырабатывает два напряжения постоянного тока: +3,4 и около +15 В. Напряжение +3,4 В по указанной выше причине мало для питания телефонных усилителей, а использование напряжения +15 В оказалось очень удобным. В мониторе это напряжение применяется для питания преобразователей напряжения для питания люминесцентных ламп подсветки. Телефонный усилитель подключается к оксидному конденсатору фильтра выпрямленного напряжения. Приятной особенностью используемого монитора BENQ оказалось то, что каким бы способом (программным или аппаратным) ни был выключен монитор, напряжения +15 В, +3,4 В на выходе его блока питания имелись всегда, был бы лишь вставлен сетевой шнур в розетку. Это позволяет использовать подключенные к монитору телефоны, если в текущий момент времени используется только один монитор без встроенного телефонного усилителя, а монитор с встроенным телефонным усилителем погашен. Если в мониторе для питания ламп подсветки используется напряжение более +18 В, например +24 В, то усилитель можно питать через линейный интегральный стабилизатор, например, серии 7815.

Рис. 4
Резисторы могут быть любого типа соответствующей мощности — например, С1-4, С1-14, С2-23, МЛТ, импортные аналоги, SMD. Неполярные конденсаторы — К10-17 либо импортные аналоги, а также SMD-компоненты на рабочее напряжение не менее 16 В. Конденсатор С13 — танталовый, его вклад в подавление шумов по цепи питания заметно выше, чем нескольких параллельно включенных керамических конденсаторов емкостью по 0,1 мкФ. Вместо такого конденсатора можно параллельно С13 установить еще один на 470 мкФ. Однако не следует значительно увеличивать емкость конденсаторов фильтра по причине возможного срабатывания защиты в блоке питания монитора от перегрузки в момент включения питания. Конденсатор С19 может быть как керамическим, так и танталовым или оксидным алюминиевым. Дроссель L1 малогабаритный промышленного изготовления с сопротивлением обмотки около 1 Ом.
Микросхему AN7142 при работе в качестве телефонного усилителя желательно установить на небольшой медный теплоотвод, подобный показанному на рис. 2. Теплоотводящий фланец микросхемы должен быть припаян к общему проводу питания. При монтировании усилителя в корпусе монитора плату желательно разместить в наиболее прохладной, нижней части корпуса.
Гнезда для подключения штекеров очень удобно разместить на нижней стороне передней или задней декоративной панели, что не изменит дизайна лицевой панели корпуса и не затруднит подключения кабелей "на ощупь". При необходимости для подключения нескольких телефонов можно установить несколько гнезд, подключив каждое из них через свою пару резисторов R9, R10. Это позволит, например, не мешая соседям в ночное время, комфортно работать над озвучиванием видеофильма одновременно нескольким людям (при пониженной громкости во время озвучивания можно допустить много технического и художественного брака).
Для питания телефонного усилителя можно использовать любой источник напряжения на 8... 18 В постоянного тока, который может дополнительно обеспечить не менее 50 мА тока нагрузки. Усилитель подключают к аналоговому линейному выходу звуковой платы компьютера. Современные интегрированные в системную плату звуковые карты позволяют присвоить любому гнезду любую функцию — использовать как любой заданный вход или как любой заданный выход. Это дает возможность организовать на компьютере несколько звуковых аналоговых или цифровых линейных выходов, что позволяет обойтись без разветвителей аудиосигнала.
Желающие получить более подробную информацию о микросхеме AN7142 могут скачать из Интернета документ по ссылке [1 ]. Следует обратить внимание, что указанные в [2] и многократно растиражированные в Интернете данные на эту микросхему ошибочны.
Литература
1. Микросхема AN7142. — <http:// www.allcomponents.ru/pdf/panasonic/ ап7142.pdf >.
2. Турута Е. Ф. Усилители мощности низкой частоты — интегральные микросхемы. — М.: ДМК-Пресс, 2000, с. 28, 29.
Автор: А. Бутов, с. Курба Ярославской области
