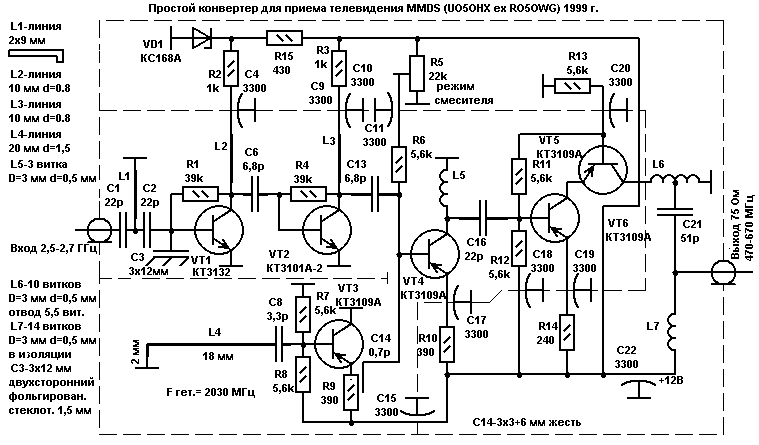
Конденсатор C3-обрезки от платы 3х12мм толщиной 1,5мм поперек базового вывода VT1, припаян к базе и земле. C14-флажок из жести вблизи эммитера VT3. Все линии приподняты над платой на 2 мм. Питание +12 в подается по кабелю снижения через фильтр аналогичный C21L7С22. R5 для настройки смесителя VT4 на квадратичный участок характеристики. Разделительные конденсаторы вместе с их выводами должны резонировать на средних частотах проходящих через них сигналов. В связи с проявленным интересом к этому конвертеру, я положил его на сканнер. Глубина резкости конечно невелика, но кое-что разглядеть можно.
Е.Шустиков (UO5OHX ex RO5OWG)




Автор: www.shustikov.by.ru
